ELCURS (722531)
Текст из файла
Министерство образования Российской Федерации
Государственный университет аэрокосмического приборостроения
Кафедра №41
Курсовой проект
защищен с оценкой:
Преподаватель: Жаринов О.О.
Устройство формирования
импульсно-временной кодовой группы
Пояснительная записка
к курсовому проекту
по дисциплине "Электроника"
41.ЭУ.2201.01.КП
Проект выполнил Цейко П.В. студент гр. 4841
Санкт-Петербург
2000 г
Содержание
Введение…………………………………………………………………5
1. Разработка и выбор функциональной схемы
устройства формирования ИВКГ…..………………………………….6
1.1. Структурная схема на основе дешифраторов и ФИ………….......6
1.2. Структурная схема с использованием ПЗУ..…………………..8
2. Выбор элементной базы…………………………………………….10
3. Разработка принципиальной схемы устройства
формирования ИВКГ……………………………………………………12
4. Разработка конструкции устройства формирования ИВКГ………13
5. Расчет надежности устройства формирования ИВКГ…………….14
6. Заключение…………………………………………………………...15
7. Литература……………………………………………………………16
Задание на курсовое проектирование.
Требуется разработать устройство формирования импульсно-временной кодовой группы со следующими основными характеристиками:
Проектируемое устройство должно производить формирование импульсно-временной кодовой группы каждый раз, когда на его вход поступает одиночный импульс, что и показано на рис.1.
U1
t1
U2
U3
Рис.1 Временная диаграмма устройства.
Список принятых буквенных обозначений
ИВКГ – импульсно-временная кодовая группа
СК – согласующий каскад
Сч – счетчик импульсов
СУ- суммирующий усилитель
ФИ – формирователь импульсов
Введение
Для повышения помехоустойчивости систем передачи и обработки информации широко используется замена одиночных импульсных сигналов так называемыми импульсно-временными кодовыми группами, состоящими из нескольких импульсов, имеющих обычно одинаковые амплитуды, с жестко заданными длительностями и интервалами между импульсами.
Использование подобных групп не только повышает помехозащищенность, но и позволяет в ряде случаев организовать передачу по одной линии связи различных команд, отличающихся параметрами кодовых групп.
Другим, не менее важным, применением устройств, формирующих импульсно-временные кодовые группы, является синхронизация работы различных устройств автоматики и вычислительной техники.
Особенностью устройства, предложенного для курсового проектирования, является то, что начало формирования импульсно-временной кодовой группы (далее ИВКГ) определяется только моментом начала входного сигнала и не зависит от его продолжительности.
Так как в задании на разработку устройства не налагается ограничения на методы, структурную схему и элементарную базу устройства, то очевидно, что вариантов решения поставленной задачи может быть несколько. Рассмотрим наиболее приемлемые из них.
-
Разработка и выбор функциональной схемы устройства формирования импульсно-временной кодовой группы.
Для разработки и выбора функциональной схемы проектируемого устройства прежде всего необходимо изучить и оценить саму ИВКГ.
Анализ рис.1, где отражены временные соотношения ИВКГ, позволяет сделать некоторые выводы:
-
длительности всех формируемых импульсов и пауз между ними кратны 1 мкс;
-
общая длительность ИВКГ равна 16 мкс;
-
ИВКГ состоит из 5 временных интервалов: 2,3,3,4,4.
Для реализации устройства, формирующего данную ИВКГ, могут быть предложены следующие структурные схемы:
-
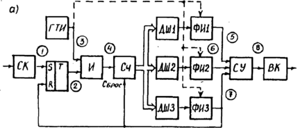
Структурная схема формирователя ИВКГ на основе дешифратора и формирователя импульсов.
Структурная схема формирователя ИВКГ на основе дешифраторов и формирователей импульсов (далее ФИ) и соответствующая ей временная диаграмма представлена на рис.2.
Согласующий каскад преобразует входной сигнал к виду, необходимому для устойчивого срабатывания триггера. Выходной сигнал согласующего каскада (СК) своим передним фронтом запускает триггер, который, в свою очередь, разрешает прохождение на вход СЧ импульсов с выхода ГТИ.
Генератор тактовых импульсов вырабатывает последовательность импульсов с высокостабильным периодом повторения.
На выходе СЧ формируется цифровой код, соответствующий числу поступивших на его вход импульсов ГТИ. Код, соответствующий поступлению первого импульса, вызывает срабатывание ДШ1, который запускает ФИ1, формирующий первый импульс ИВКГ. Срабатывание ДШ2 и запуск ФИ2 произойдут в тот момент, когда выходной код счетчика будет равен интервалу между первым и вторым импульсами. Третий импульс ИВКГ будет сформирован, когда код счетчика соответствует требуемому интервалу между первым и третьим импульсами. Сформированный третий импульс ИВКГ вызовет обратное срабатывание триггера и работа схемы прекратится до появления следующего входного импульса. Как видно из описания работы схемы, триггер предназначен для исключения формирования нескольких ИВКГ в случае, если длительность входного импульса превосходит длительность ИВКГ, что может привести к переполнению счетчика и началу повторного цикла счета. Усилитель суммирующий служит для объединения выходных импульсов всех формирователей и усиления полученного сигнала по амплитуде. Выходной каскад осуществляет согласование усилителя с нагрузкой.
Достоинства данной структурной схемы:
-
высокая стабильность формируемой ИВКГ;
-
относительная простота при простых ИВКГ;
Рис.2 Структурная схема формирователя ИВКГ на дешифраторах и ФИ(a) и временная диаграмма ее работы(б)
Недостатки:
-
невозможность изменения характеристик ИВКГ в процессе эксплуатации устройства;
-
нестабильность момента начала формирования ИВКГ в пределах одного периода ГТИ.
-
Структурная схема с использованием ПЗУ.
Такая структурная схема изображена на рис.3.
В рассматриваемой выходной сигнал СК передним фронтом запускает триггер, который, в свою очередь, разрешает прохождение на вход многоразрядного счетчика (СЧ ) импульсов с выхода генератора тактовых импульсов (ГТИ). Счетчик подсчитывает количество пришедших на его вход импульсов и формирует на своих выходах соответствующий двоичный код. В свою очередь этот двоичный код служит адресами выбора ячеек памяти ПЗУ. В каждой из выбираемых ячеек в одном и том же разряде должны быть запрограммированы "0" или "1" в соответствии с требуемой ИВКГ. В другом разряде ПЗУ в конце ИВКГ должен быть записан сигнал установки в исходное состояние всего устройства.
На рис.5 этот сигнал показан на диаграмме с номером 6 в виде импульса положительной полярности.
Недостаток такой схемы заключается в относительной дороговизне ПЗУ и необходимости его программирования на специальном программаторе.
Достоинства такой структурной схемы заключаются в следующем:
-
можно легко создать ИВКГ значительной сложности путем соответствующего программирования ПЗУ;
-
возможна выработка одновременно нескольких различных ИВКГ, формируемых программированием нескольких разрядов ПЗУ;
-
значительное уменьшение аппаратных затрат.
3. Общий вывод:
Исходя из задания курсового проектирования, наиболее целесообразно использовать 2-й вариант структурной схемы, так как ИВКГ имеет наименьшую сложность, и высокою точность ИВКГ.
ГТИ
S
С T
R
СК
И
ВК
ПЗУ
Ст
R
1 2 3 4 5
6
Рис.3 Структурная схема с использованием ПЗУ.
Временные диаграммы, поясняющие работу этой схемы, показаны на рис.3.
U1
t1 U2 t2
U
3
t3
U4
t4
U5
t5
U6
Рис.4 Временные диаграммы, поясняющие работу схемы
с использованием ПЗУ
-
Выбор элементной базы.
Выбор элементной базы осуществляется путем нахождения компромисса между аппаратными затратами и быстродействием. Учитывая быстродействие данной схемы очевидно использование микросхем ТТЛ для всех элементов кроме ПЗУ.
Здесь имеются микросхемы серий 155, 555, 1533 и другие. Так как никаких особых ограничений в данной разработке не предъявляется, то выберем микросхемы серии 155 для основных элементов, наиболее точно подходящие с точки зрения аппаратных затрат. В качестве элементов формирования ИВКГ ПЗУ серии 556, которые могут быть использованы совместно с цифровыми микросхемами ТТЛ типа.
-
Разработка принципиальной схемы формирования ИВКГ.
Изучив рис.1 с заданной ИВКГ, можно сделать вывод, что вся последовательность укладывается в
периодов длительностью
или в 17 тактов ГТИ.(17-ый используется для сбросов счётчика и триггера) Частота ГТИ должна быть
. Очевидно, что последовательную работу на 17 тактах может обеспечить 5-и разрядный двоичный счетчик или четырехразрядный счётчик и триггер для считывания и хранения 17-го импульса.
Временная диаграмма его работы и соответствующая требуемая ИВКГ показана на рис.5 На основе анализа данной временной диаграммы можно составить прошивку ПЗУ(табл.1) для цифрового автомата, в состав которого входят (в соответствии со структурной схемой на рис.3):
-
триггер (D)
-
генератор тактовых импульсов (ГТИ)
-
схема совпадений (И)
-
счетчик импульсов (СЧ)
-
постоянное запоминающее устройство (ПЗУ)
Эта таблица истинности (или таблица функционирования) разрабатываемого цифрового автомата приведена ниже. Там буквой
обозначен сигнал снимаемый с инверсного выхода триггера, а буквой T - со входа триггера .
Характеристики
Тип файла документ
Документы такого типа открываются такими программами, как Microsoft Office Word на компьютерах Windows, Apple Pages на компьютерах Mac, Open Office - бесплатная альтернатива на различных платформах, в том числе Linux. Наиболее простым и современным решением будут Google документы, так как открываются онлайн без скачивания прямо в браузере на любой платформе. Существуют российские качественные аналоги, например от Яндекса.
Будьте внимательны на мобильных устройствах, так как там используются упрощённый функционал даже в официальном приложении от Microsoft, поэтому для просмотра скачивайте PDF-версию. А если нужно редактировать файл, то используйте оригинальный файл.
Файлы такого типа обычно разбиты на страницы, а текст может быть форматированным (жирный, курсив, выбор шрифта, таблицы и т.п.), а также в него можно добавлять изображения. Формат идеально подходит для рефератов, докладов и РПЗ курсовых проектов, которые необходимо распечатать. Кстати перед печатью также сохраняйте файл в PDF, так как принтер может начудить со шрифтами.















