kursovik (722520), страница 2
Текст из файла (страница 2)
Построим нагрузочные прямые по постоянному и переменному току. Они представлены на рисунке 3.3.4.
I, А
R_
R~
3.85
23.5 46.6 U, В
Рисунок 3.3.4 – Нагрузочные прямые по постоянному и переменному току.
Определим потребляемую и рассеиваемую мощность транзистора по формулам :
Анализируя полученные результаты можно прийти к выводу, что целесообразней использовать каскад с дросселем в цепи коллектора, так как значительно снижаются потребляемая мощность и величина питающего напряжения. Результаты выбора рабочей точки двумя способами приведены в таблице 3.1.
Таблица 3.1.
| Iко(А) | Uкэо(В) | Еп(В) | Ррасс.(Вт) | Рпотр(Вт). | |
| с Rк | 7.7 | 23.5 | 69.7 | 180 | 540 |
| без Rк | 3.85 | 23.5 | 23.5 | 90.5 | 90.5 |
3.3.2 Выбор транзистора
Для выбора транзистора необходимо чтобы его параметры удовлетворяли следующим условиям:
Из неравенства (3.9) определим значения допустимых параметров:
Исходя из полученных значений, выберем выходной транзистор 2Т947А.[3]
Транзистор имеет следующие допустимые параметры:
Его основные технические характеристики приведены ниже.
Электрические параметры:
Предельные эксплуатационные данные:
3.3.3 Расчёт эквивалентной схемы транзистора
Как показывает практика, даже на умеренно высоких частотах транзистор не является безынерционным прибором. Очень удобно анализировать свойства транзистора при малом сигнале, в широком диапозоне частот, с помощью физических эквивалентных схем. Наиболее полные из них строятся на базе длинных линий и включают в себя ряд элементов с сосредоточенными параметрами. Существует много разных моделей транзистора. В данной работе произведён расчёт моделей: схемы Джиаколетто, которая представлена на рисунке 3.3.5 и однонаправленной модели цепи на ВЧ.
А) Расчёт схемы Джиаколетто:
Схема Джокалетто представлена на рисунке 3.3.5.
Рисунок 3.3.5 Схема Джиаколетто.
Расчитаем элементы схемы, воспользовавшись справочными данными и приведенными ниже формулами.
Найдем при помощи постоянной времени цепи обратной связи сопротивление базового перехода по формуле:
При чём
и
доложны быть измерены при одном напряжении Uкэ. А так как справочные данные приведены при разных значениях напряжний, то необходимо воспользоваться формулой перехода, которая позволяет вычислить
при любом значении напряжения Uкэ:
В нашем случае получаем:
Подставим полученное значение в формулу:
Проводимость база-эмиттер расчитаем по формуле:
где,
– сопротивление эмиттеного перехода транзистора.
Выходное сопртивление транзистора:
Из формулы (3.13) найдем проводимость:
Статический коэффициент передачи тока в схеме с ОБ найдем по формуле:
К
рутизну транзистора определим по формуле:
(3.15)
Подставляя численные значения получим:
Б) Расчёт однонаправленной модели на ВЧ:
Однонаправленная модель является эквивалентной схемой замещения транзистора, так же как и схема Джиаколетто. Схема представляет собой высокочастотную модель, которая изображена на рисунке 3.3.6. Полное описание однонаправленной модели можно найти в [4].
Рисунок 3.3.6
Параметры эквивалентной схемы рассчитываем по приведённым ниже формулам.
Входная индуктивность:
где
–индуктивности выводов базы и эмиттера, которые берутся из справочных данных.
Входное сопротивление равно сопротивлению базы в схеме Джиаколетто:
Выходное сопротивление имеет значение:
Выходная ёмкость имеет значение:
3.3.4 Расчёт цепей термостабилизации
Выбор схемы обеспечения исходного режима транзисторного каскада тесным образом связан с температурной стабилизацией положения рабочей точки [5]. Это объясняется тем, что ВАХ транзисторов зависят от температуры р-n переходов и, следовательно от температуры окружающей среды. Это приводит к смещению статических характеристик, чем обуславливается не только изменения усилительных параметров транзистора в рабочей точке, но и приводит к перемещению рабочей точки, что приводит к изменению усилительных параметров.
При расчёте цепей термостабилизации нужно для начала выбрать вариант схемы. Существует несколько вариантов схем термостабилизации: эмиттерная стабилизация, коллекторная стабилизация и активная коллекторная стабилизация. Их использование зависит от мощности каскада и от того, насколько жёсткие требования предъявляются к термостабильности. В данной работе рассмотрены две схемы: эмиттерная и активная коллекторная стабилизации.
3.3.4.1 Эмиттерная термостабилизация.
Э
митерная стабилизация применяется в основном в маломощных каскадах и является достаточно простой в расчёте и при этом эффективной. Схема эмиттерной термостабилизации приведена на рисунке 3.3.7.
Рисунок 3.3.7 Схема эмиттерной термостабилизации
Расчитаем основные элементы схемы по следующим формулам:
PRэ – мощность рассеиваемая на резисторе Rэ .
Выберем напряжение Uэ=3В и по приведенной формуле (3.16) определим сопротивление Rэ :
Базовый ток найдем из формулы (3.17).
Ток делителя рассчитываем по формуле (3.18).
Определим напряжение питания по формуле (3.21).
Значения сопротивлений базового делителя найдем из формул (3.19,3.20).
Мощность, рассеиваемая на резисторе Rэ рассчитывается по формуле (3.22).
3.3.4.2 Коллекторная термостабилизация
Наиболее экономичной и простейшей из всех схем термостабилизации является коллекторная стабилизация. Стабилизация положения точки покоя осуществляется отрицательной параллельной обратной связью по напряжению, снимаемой с коллектора транзистора. Схема коллекторной термостабилизации представлена на рисунке 3.3.8.
Рисунок 3.3.8 – Схема коллекторной термостабилизации.
Расчитаем основные элементы схемы по следующим формулам
Выберем напряжение URк=5В и расчитаем значение сопротивления Rк по формуле (3.22):
Базовый ток найдем из формулы (3.17):
Зная базовый ток, рассчитаем сопротивление Rб по формуле (3.23):
Определим рассеиваемую мощность на резисторе Rк по формуле (3.24):
3.3.4.3 Активная коллекторная термостабилизация
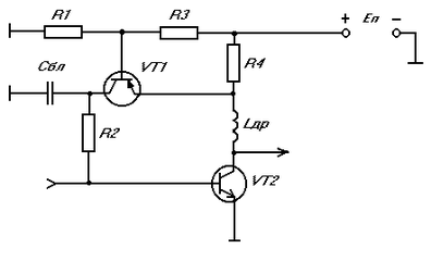
В данном курсовом проекте использована активная коллекторная термостабилизация, которая является достаточно эффективной в мощных усилительных каскадах. Схема активной коллекторной термостабилизации изображена на рисунке 3.3.9 [6].
Рисунок 3.3.9 Схема активной коллекторной термостабилизации.
В качестве VT1 возьмём КТ814. Выбираем падение напряжения на резисторе
из условия
(пусть
В), тогда
. Затем производим следующий расчёт:
где
– статический коэффициент передачи тока транзистора КТ361 включенного по схеме с ОБ;
Получаем следующие значения:
Величина индуктивности дросселя выбирается таким образом, чтобы переменная составляющая тока не заземлялась через источник питания, а величина блокировочной ёмкости – таким образом, чтобы коллектор транзистора VT1 по переменному току был заземлён.
Как было сказано выше, эмиттерную термостабилизацию в мощных каскадах применять “невыгодно” так как на резисторе, включённом в цепь эмиттера, расходуется большая мощность, поэтому в нашем случае необходимо выбрать активную коллекторную стабилизацию.
3.3.5 Расчёт корректирующих цепей
3.3.5.1 Расчёт выходной корректирующей цепи
Для того чтобы сигнал был передан от одного каскада многокаскадного усилителя к другому, без потерь сигнала, используется последовательное соединение корректирующих цепей (КЦ) и усилительных элементов. Пример построения такой схемы усилителя по переменному току показан на рисунке 3.3.10.
















