utkin (722519), страница 4
Текст из файла (страница 4)
Расчет емкости производится по формуле [1,2]:
- сопротивление, стоящее слева от емкости
- сопротивление, стоящее справа от емкости
нормированные искажения в разах
В результате после подстановки получится:
Из-за того, что на высоких частотах транзисторы становятся инерционными, на какой-то частоте происходит набег фазы на 360 градусов. Отсюда усилительные каскады самовозбуждаются. Чтобы этого не допустить ставится блокировочный конденсатор, который разрывает кольцо обратной связи, и в реультате сигнал уходит на “землю”.
Блокировочная емкость находится из условия [1,2]:
- сопротивление в схеме активной коллекторной термостабилизации (см. рис.4.9)
Поскольку в усилителе три каскада с тремя схемами термостабилизации, то и блокировочных емкостей будет три.
Тогда емкости будут равны:
8 Заключение
Рассчитанный усилитель на нагрузку Rн=50 Ом имеет следующие технические характеристики:
1 Рабочая полоса частот: 50-500 МГц
2 Линейные искажения
в области нижних частот не более 3 дБ
в области верхних частот не более 3 дБ
3 Коэффициент усиления 28дБ
4 Амплитуда выходного напряжения Uвых=7.71 В
5 Питание однополярное, Eп=12.6 В
6 Диапазон рабочих температур: от +10 до +50 градусов Цельсия
7 Выходная мощность Рвых=0.5Вт
Усилитель имеет запас по усилению 8дБ. Это нужно для того, чтобы в случае ухудшения усилительных свойств коэффициент передачи усилителя не опускался ниже заданного уровня, определённого техническим заданием.
|
| |||||||||||
| РТФ КП 468740.001 ПЗ | |||||||||||
| Лит | Масса | Масштаб | |||||||||
| Изм | Лист | Nдокум. | Подп. | Дата | |||||||
| Выполнил | Уткин | ШИРОКОПОЛОСНЫЙ | |||||||||
Проверил | Титов | УСИЛИТЕЛЬ | |||||||||
| НЕЛИНЕЙНОГО | Лист | Листов | |||||||||
| ЛОКАТОРА | ТУСУР РТФ | ||||||||||
Принципиальная | Кафедра РЗИ | ||||||||||
| схема | гр. 148-3 | ||||||||||
| Поз. Обозна- чение | Наименование | Кол. | Примечание | |||||||||||
| Транзисторы | ||||||||||||||
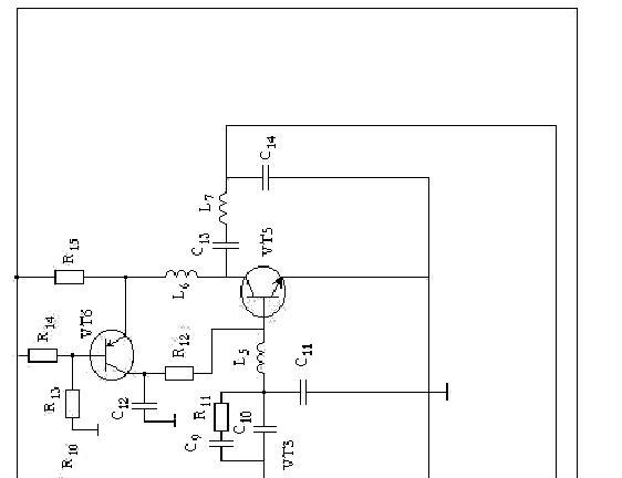
| VT1 | КТ996А аА о.339150ТУ | 1 | ||||||||||||
| VT2 | КТ361А ФЫ о.336.201ТУ | 1 | ||||||||||||
| VT3 | КТ939А аА о.339150ТУ | 1 | ||||||||||||
| VT4 | КТ361А ФЫ о.336.201ТУ | 1 | ||||||||||||
| VT5 | КТ939А аА о.339150ТУ | 1 | ||||||||||||
| VT6 | КТ361А ФЫ о.336.201ТУ | 1 | ||||||||||||
| Конденсаторы | ||||||||||||||
| С1 | КД-2-3.6пФ 5 ОЖО.460.203 ТУ | 1 | ||||||||||||
| С2 | КД-2-16пФ 5 ОЖО.460.203 ТУ | 1 | ||||||||||||
| С3 | КД-2-13пФ 5 ОЖО.460.203 ТУ | 1 | ||||||||||||
| С4 | КД-2-0.22нФ 5 ОЖО.460.203 ТУ | 1 | ||||||||||||
| С5 | КД-2-1.1пФ 5 ОЖО.460.203 ТУ | 1 | ||||||||||||
| С6 | КД-2-6.2пФ 5 ОЖО.460.203 ТУ | 1 | ||||||||||||
| С7 | КД-2-1.3пФ 5 ОЖО.460.203 ТУ | 1 | ||||||||||||
| С8 | КД-2-0.22нФ 5 ОЖО.460.203 ТУ | 1 | ||||||||||||
| С9 | КД-2-1.5пФ 5 ОЖО.460.203 ТУ | 1 | ||||||||||||
| С10 | КД-2-6.8пФ 5 ОЖО.460.203 ТУ | 1 | ||||||||||||
| С11 | КД-2-0.22пФ 5 ОЖО.460.203 ТУ | 1 | ||||||||||||
| С12 | КД-2-0.47нФ 5 ОЖО.460.203 ТУ | 1 | ||||||||||||
| С13 | КД-2-0.62пФ 5 ОЖО.460.203 ТУ | 1 | ||||||||||||
| С14 | КД-2-6.2пФ 5 ОЖО.460.203 ТУ | 1 | ||||||||||||
| Катушки индуктивности | ||||||||||||||
| L1 | Индуктивность 6.8нГн 5 | 1 | ||||||||||||
| L2 | Индуктивность 16мкГн 5 | 1 | ||||||||||||
| L3 | Индуктивность 7.2нГн 5 | 1 | ||||||||||||
| L4 | Индуктивность 12мкГн 5 | 1 | ||||||||||||
| L5 | Индуктивность 3.6нГн 5 | 1 | ||||||||||||
| L6 | Индуктивность 8.2мкГн 5 | 1 | ||||||||||||
| L7 | Индуктивность 16нГн 5 | 1 | ||||||||||||
| РТФ КП 468740.001 ПЗ | ||||||||||||||
| Лит | Масса | Масштаб | ||||||||||||
| Изм | Лист | Nдокум. | Подп. | Дата | ||||||||||
| Выполнил | Уткин | ШИРОКОПОЛОСНЫЙ | ||||||||||||
Провер. | Титов | УСИЛИТЕЛЬ | ||||||||||||
| НЕЛИНЕЙНОГО | Лист | Листов | ||||||||||||
| ЛОКАТОРА | ТУСУР РТФ | |||||||||||||
Перечень элементов | Кафедра РЗИ | |||||||||||||
| гр. 148-3 | ||||||||||||||
| Поз. Обозна- чение | Наименование | Кол. | Примечание | |||||||||||
| Резисторы | ||||||||||||||
| R1 | МЛТ – 0.125 – 2.2 кОм 10ГОСТ7113-77 | 1 | ||||||||||||
| R2 | МЛТ – 0.125 – 7.5 кОм 10ГОСТ7113-77 | 1 | ||||||||||||
| R3 | МЛТ – 0.125 – 82 кОм 10ГОСТ7113-77 | 1 | ||||||||||||
| R4 | МЛТ – 0.125 – 16 кОм 10ГОСТ7113-77 | 1 | ||||||||||||
| R5 | МЛТ – 0.125 – 43 Ом 10ГОСТ7113-77 | 1 | ||||||||||||
| R6 | МЛТ – 0.125 – 7.5 кОм 10ГОСТ7113-77 | 1 | ||||||||||||
| R7 | МЛТ – 0.125 – 7.5к Ом 10ГОСТ7113-77 | 1 | ||||||||||||
| R8 | МЛТ – 0.125 – 82 кОм 10ГОСТ7113-77 | 1 | ||||||||||||
| R9 | МЛТ – 0.125 – 18 кОм 10ГОСТ7113-77 | 1 | ||||||||||||
| R10 | МЛТ – 0.125 – 20 Ом 10ГОСТ7113-77 | 1 | ||||||||||||
| R11 | МЛТ – 0.125 – 5.6 кОм 10ГОСТ7113-77 | 1 | ||||||||||||
| R12 | МЛТ – 0.125 – 3.6кОм 10ГОСТ7113-77 | 1 | ||||||||||||
| R13 | МЛТ – 0.125 – 39 кОм 10ГОСТ7113-77 | 1 | ||||||||||||
| R14 | МЛТ – 0.125 – 7.5к Ом 10ГОСТ7113-77 | 1 | ||||||||||||
| R15 | МЛТ – 0.125 – 9.1 Ом 10ГОСТ7113-77 | 1 | ||||||||||||
| РТФ КП 468740.001 ПЗ | ||||||||||||||
| Лит | Масса | Масштаб | ||||||||||||
| Изм | Лист | Nдокум. | Подп. | Дата | ||||||||||
| Выполнил | Уткин | ШИРОКОПОЛОСНЫЙ | ||||||||||||
Провер. | Титов | УСИЛИТЕЛЬЛЬ | ||||||||||||
| НЕЛИНЕЙНОГО | Лист | Листов | ||||||||||||
| ЛОКАТОРА | ТУСУР РТФ | |||||||||||||
Перечень элементов | Кафедра РЗИ | |||||||||||||
| гр. 148-3 | ||||||||||||||
9 Литература















