utkin (722519), страница 2
Текст из файла (страница 2)
- предельная мощность, рассеиваемая на коллекторе
.
- граничная частота усиления транзистора по току в схеме с ОЭ
.
Этим требованиям удовлетворяет транзистор КТ939А [3]. Основные технические характеристики этого транзистора приводятся ниже.
Электрические параметры:
-граничная частота коэффициента передачи тока в схеме с ОЭ
МГц;
-постоянная времени цепи обратной связи при
В
пс;
-индуктивность базового вывода
;
-индуктивность эмиттерного вывода
;
-статический коэффициент передачи тока в схеме с ОЭ
;
-емкость коллекторного перехода при
В
пФ.
Предельные эксплуатационные данные:
-постоянное напряжение коллектор-эмиттер
В;
-постоянный ток коллектора
мА;
-постоянная рассеиваемая мощность коллектора при Тк=298К
Вт;
4.3 Расчет эквивалентной схемы транзистора
Так как рабочие частоты усилителя больше частоты
, то входная ёмкость не будет влиять на характер входного сопротивления транзистора на высоких частотах, а будет влиять индуктивность выводов транзистора. Ёмкость можно исключить из эквивалентной схемы, а индуктивность оставить. Эквивалентная однонаправленная модель представлена на рисунке (4.5). Описание такой модели можно найти в [4].
Рисунок 4.5 – Однонаправленная модель транзистора
Рисунок 4.6 – Схема Джиаколетто
Параметры эквивалентной схемы не даны в справочнике, но они совпадают с параметрами схемы транзистора, предложенной Джиаколетто [1,4] (рис.4.6).
Входная индуктивность:
–индуктивности выводов базы и эмиттера.
Входное сопротивление:
- напряжение, при котором измерялось
Крутизна транзистора:
где
- ток в рабочей точке в милиамперах
Выходное сопротивление:
Выходная ёмкость:
Тогда в соответствие с этими формулами получаются следующие значения элементов эквивалентной схемы:
4.4 Расчет цепей термостабилизации
Существует несколько видов схем термостабилизации[5,6]. Использование этих схем зависит от мощности каскада и требований к термостабильности. В данной работе рассмотрены следующие схемы термостабилизации: эмиттерная, пассивная коллекторная, активная коллекторная.
4.4.1 Эмиттерная термостабилизация
Рассмотрим эмиттерную термостабилизацию, схема которой приведена на рисунке (4.7). Метод расчёта и анализа эмиттерной термостабилизации подробно описан в [5,6].
Рисунок 4.7 – Схема эмиттерной термостабилизации
При расчёте элементов схемы выбирается падение напряжения Uэ на сопротивлении Rэ (в интервале 2-5В), расчитываются ток делителя
, напряжение питания
, сопротивления
. Так как взят дроссельный каскад, то координаты рабочей точки равны Uкэо=10.71В и Iко=0.154А.
Выбрано напряжение Uэ=3В.
Ток базового делителя находится по выражению:
Сопротивления
определяются выражениями:
После подстановки получаются следующие результаты:
Рассеиваемая мощность на Rэ:
Тогда мощность Pэ равна:
4.4.2 Коллекторная пассивная термостабилизация
Этот вид термостабилизации [5,6] применяется в маломощных каскадах и менее эффективен, чем две другие, потому что напряжение отрицательной обратной связи, регулирующее ток через транзистор подаётся на базу. Расчет начинают с того, что выбирается напряжение Urк в интервале 5-10В. Потом расчитываются напряжение питания, ток базы Iб, сопротивления Rб и Rк по выражениям:
Рисунок 4.8 – Схема коллекторной пассивной термостабилизации
Результатом подстановки будет:
Напряжение Еп=Uкэо, потому что при постоянном токе Urк равно нулю.
Рассеиваемая мощность при такой термостабилизации находится по формуле:
Тогда получится:
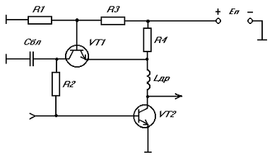
4.4.3 Коллекторная активная термостабилизация
В активной коллекторной термостабилизации используется дополнительный транзистор, который управляет работой основного транзистора. Эта схема применяется в мощных каскадах, где требуется высокий КПД. Её описание и расчёт можно найти в [5,6].
Рисунок 4.9 – Схема активной коллекторной термостабилизации
Вначале, при расчете выбирается транзистор VT1. В качестве VT1 выбран КТ361А [3]. Основные технические параметры приведены ниже.
Электрические параметры:
-статический коэффициент передачи тока в схеме с ОЭ
;
-емкость коллекторного перехода при
В
пФ.
Предельные эксплуатационные данные:
-постоянное напряжение коллектор-эмиттер
В;
-постоянный ток коллектора
мА;
-постоянная рассеиваемая мощность коллектора при Тк=298К
Вт;
После этого выбирается падение напряжения на резисторе
из условия
(пусть
В), затем производится расчёт по выражениям:
После подстановки получаем следующие значения:
Рассеиваемая мощность на сопротивлении R4 определяется по выражению:
После подстановки имеем:
В результате, если сравнить все три вида схем термостабилизации, то видно, что лучше взять активную коллекторную, так как она более экономична. К тому же, у высокочастотных транзисторов на высокой частоте эмиттер заземлен, поэтому эмиттерная термостабилизация не используется.
4.5 Расчет элементов высокочастотной коррекции
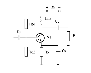
4.5.1 Расчет выходной корректирующей цепи
Из теории усилителей известно [1,6], что для получения максимальной выходной мощности в заданной полосе частот необходимо реализовать ощущаемое сопротивление нагрузки для внутреннего генератора транзистора, равное постоянной величине во всем рабочем диапазоне частот. Этого добиваются включением выходной емкости транзистора (см. рисунок 4.10) в фильтр нижних частот, используемый в качестве выходной корректирующей цепи (ВКЦ). Схема включения ВКЦ приведена на рисунке (4.10).
Рисунок 4.10 - Схема выходной корректирующей цепи
При работе усилителя без ВКЦ модуль коэффициента отражения |
| ощущаемого сопротивления нагрузки внутреннего генератора транзистора равен
а уменьшение выходной мощности относительно максимального значения, обусловленное наличием Cвых, составляет:
где
- максимальное значение выходной мощности на частоте
при условии равенства нулю
;
- максимальное значение выходной мощности на частоте
при наличии
.
Методика Фано [6] позволяет при заданной величине
и
усилителя таким образом рассчитать элементы ВКЦ
и
, что максимальное значение модуля коэффициента отражения
в полосе частот от нуля до
минимально возможно.
Найдём
– выходная емкость транзистора нормированная относительно
и
[6,7]:
Рисунок 4.11 – Схема каскада с ВКЦ
Теперь, согласно методике Фано, по таблице, приведённой в [7], найдём ближайшее к рассчитанному значение
и выберем соответствующие ему нормированные величины элементов ВКЦ
и
, а также
–коэффициент, определяющий величину ощущаемого сопротивления нагрузки
и модуль коэффициента отражения
:
Найдём истинные значения элементов по формулам:
В результате получится:
4.5.2 Расчет межкаскадной корректирующей цепи
Существует много межкаскадных корректирующих цепей для коррекции АЧХ, но так как расчитывается широкополосный усилитель, то нужна корректирующая цепь, которая обеспечивала бы требуемую неравномерность АЧХ на широкой полосе частот. Этому требованию соответствует межкаскадная корректирующая цепь (МКЦ) третьего порядка. Описание цепи можно найти в [6,7].
Схема каскада по переменному току приведена на рисунке (4.12) .
Рисунок 4.12 - Каскад с межкаскадной корректирующей цепью третьего порядка
Используя схему замещения транзистора приведенную на рисунке (4.5), схему (рисунок 4.12) можно представить в виде эквивалентной схемы, приведенной на рисунке (4.13).
Рисунок 4.13 - Эквивалентная схема каскада
При расчете цепи находятся нормированные значения
и
относительно
Т1 и
по выражениям:
Потом выбираются нормированные значения её элементов из таблицы, исходя из требуемой неравномерности АЧХ на каскад. Нужно учесть, что элементы, приведённые в таблице, формируют АЧХ в диапазоне частот от 0 до
. По известным коэффициентам
,
,
, которые нелинейно зависят от элементов схемы и являющиеся коэффициентами полинома функции передачи каскада на транзисторе Т2[6,7]:
где
- коэффициент усиления каскада
- коэффициент усиления по мощности в режиме двустороннего согласования
рассчитываются нормированные значения
,
,
по формулам [6,7]:















