kjhngyb (722513), страница 2
Текст из файла (страница 2)
rэ-сопротивление эмитера.
gбэ-проводимость база-эмитер,
-справочное значение статического коэффициента передачи тока в схеме с общим эмитером.
Cэ-ёмкость эмитера,
fт-справочное значение граничной частоты транзистора при которой
=1
Ri-выходное сопротивление транзистора,
Uкэ0(доп), Iк0(доп)-соответственно паспортные значения допустимого напряжения на коллекторе и постоянной составляющей тока коллектора.
gi=0.01(См).
2.2.2.2Расчёт однонаправленной модели транзистора.
Д
анная модель применяется в области высоких частот [4].
Рисунок 2.2.2.2.1- Однонаправленная модель транзистора.
Lвх= Lб+Lэ=1+0,183=1,183 (нГн), где
Lб,Lэ-справочные значения индуктивностей базового и эмитерного выводов соответственно,
Lвх-индуктивность входа транзистора.
Rвх=rб=2,875 (Ом), где
Rвх-входное сопротивление транзистора.
Rвых=Ri=100 (Ом), где
Rвых-выходное сопротивление транзистора.
Свых=Ск(треб)=2,26 (пФ), где
Свых-выходная ёмкость транзистора.
fmax=fт=5 (ГГц), где
fmax-граничная частота транзистора.
2.2.3 Расчёт и выбор схемы термостабилизации.
2.2.3.1 Эмитерная термостабилизация.
Эмитерная термостабилизация широко используется в маломощных каскадах, так как потери мощности в ней при этом не значительны и её простота исполнения вполне их компенсирует, а также она хорошо стабилизирует ток коллектора в широком диапазоне температур при напряжении на эмиттере более 3В [3
Рисунок 2.2.3.1.1-Схема каскада с эмитерной термостабилизацией.
Рассчитаем параметры элементов данной схемы.
Возьмём напряжение на эмиттере равным Uэ=4 (В);
Eп=Uкэ0+Uэ=9 (В);
Сопротивление в цепи эмитера будет равно:
Rб1=
, Iд=10Iб, Iб=
, Iд=10
=10
=0,012 (А), где
Rб1-сопротивление базового делителя,
Iд-ток базового делителя,
Iб-ток базы.
Наряду с эмитерной термостабилизацией используются пассивная и активная коллекторная термостабилизации.
2.2.3.2 Пассивная коллекторная:
Рисунок 2.2.3.2.1- Схема пассивной коллекторной термостабилизации.
С использованием [3].
Rк=50 (Ом);
URк=Iк0Rк=3,3 (В), где
URк-падение напряжения на Rк.
Eп=Uкэ0+URк=8,3 (В);
Iд=0,012 (А);
Ток базы определяется Rб. При увеличении тока коллектора напряжение в точке А падает и следовательно уменьшается ток базы, а это не даёт увеличиваться дальше току коллектора. Но чтобы стал изменяться ток базы, напряжение в точке А должно измениться на 10-20%, то есть Rк должно быть очень велико, что оправдывается только в маломощных каскадах. Но в силу того, что мы будем применять перекрёстные обратные связи, данная схема нам не подходит.
2.2.3.3 Активная коллекторная термостабилизация.
Можно сделать чтобы Rб зависило от напряжения в точке А см. рис.(2.2.3.2.1). Получим что при незначительном уменьшении (увеличении) тока коллектора значительно увеличится (уменьшится) ток базы. И вместо большого Rк можно поставить меньшее на котором бы падало порядка 1В [3] см. рис.(2.2.3.3.1).
Статический коэффициент передачи по току второго транзистора =50;
Eп=Uкэ0+URк=5+1=6 (В);
Напряжение на базе второго транзистора будет равно:
UБ2=Uкэ0-0,7=5-0,7=4,3 (В);
Ток коллектора второго транзистора будет равен:
Iк2=Iд1=0,012 (А);
Iд2=10Iб2=10
=
=0.0024 (A), где
Iд2,Iб2-токи базового делителя и базы второго транзистора соответственно.
Напряжение в рабочей точке второго транзистора будет равно
;
Р
исунок 2.2.3.3.1- Активная коллекторная термостабилизация.
Данная схема требует значительное количество дополнительных элементов, в том числе и активных. Если Сф утратит свои свойства, то каскад самовозбудится и будет не усиливать, а генерировать, т.е. данный вариант не желателен, поскольку параметры усилителя должны как можно меньше зависеть от изменения параметров его элементов, по заданию. Основываясь на проведённом выше анализе схем термостабилизации выберем эмитерную.
2.3 Расчёт усилителя.
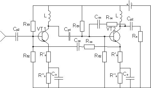
Поскольку мы будем использовать перекрёстные обратные [1],[3], то все соответствующие элементы схемы будут одинаковы, т.е. по сути дела расчёт всего усилителя сводится к расчёту двух каскадов рис.(2.3.1). Достоинством данной схемы является то, что при выполнении условия
схема оказывается согласван-ной по входу и выходу с КСВН не более 1,3 в диапазоне частот, где выполняется условие
0,7. Поэтому практически отсутствует взаимное влияние каскадов друг на друга при их каскадировании Количество каскадов будет зависеть от требуемого Кu и полосы пропускания, которые можно определить как:
К0-коэффициент усиления двух каскадов,
n-число каскадов.
fв-верхняя граничная частота усилителя на n каскадах.
Выберем К=0.2, и произведём расчёт усилителя на двух каскадах см. рис.(2.3.1).
По формуле (2.3.2) R'э=10 (Ом), тогда R''э=Rэ-R'э=60.61-10=50.61 (Ом).
Полное согласование по входу и выходу обеспечивается при выполнении условия
fв-верхняя граничная частота усилителя на двух каскадах,
Сэ,rэ-ёмкость и сопротивление эмитера рассчитанные по схеме Джиаколетто.
Yв-искажения в области верхних частот вносимые одним каскадом,
fв-верхняя граничная частота по заданию.
(МГц); Кu(общ)=
, Кu(общ)=
(раз);
Рисунок 2.3.1-Схема магистрального усилитель на двух каскадах.
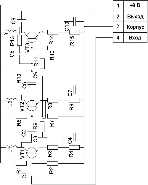
Как видно из расчёта мы имеем запас по полосе пропускания, но не достаточный коэффициент усиления. Поэтому возьмём три каскада см. рис.(2.3.2), тогда по формулам (2.3.1) и (2.3.4) соответственно получим:
Кu(общ)=
(раз), что соответствует 39,4 dB;
Рисунок 2.3.2- Магистральный усилитель на трёх каскадах.
2.4 Расчёт ёмкостей и дросселей.
Проводимый ниже расчёт основан на [2].
-нижняя граничная частота по заданию.
На нижних частотах неравномерность АЧХ обусловлена ёмкостями Ср и Сэ, поэтому пусть 1,5 dB вносят Ср и столько же Сэ.
R1 и R2 сопротивления соответственно слева и справа от Ср
Yн допустимые искажения вносимые одной ёмкостью.
(dB),
(раз), для Ср1 и
(раз), для Сэ.
R1=Rвых(каскада), R2=Rвх(каскада)=Rн=50 (Ом), для Ср1 (межкаскадной),
R1=Rг=Rвых(3-го каскада)=50 (Ом), R2=Rвх(каскада)=Rн=50 (Ом), для Ср2,
-параметры элементов схемы Джиаколетто,
S0-крутизна транзистора.
По формуле (2.4.1) рассчитаем Ср.
| | ||||||||||||||||||
| РТФ КП 468730.001 ПЗ | ||||||||||||||||||
УСИЛИТЕЛЬ | Лит | Масса | Масштаб | |||||||||||||||
| Из | Лист | Nдокум. | Подп. | Дата | КАБЕЛЬНЫХ СИСТЕМ СВЯЗИ | |||||||||||||
| Выполнил | Булдыгин | СХЕМА ЭЛЕКТРИЧЕСКАЯ ПРИНЦИПИАЛЬНАЯ | ||||||||||||||||
Проверил | Титов | ПРИНЦИПИАЛЬНАЯ | ||||||||||||||||
| Лист | Листов | |||||||||||||||||
ТУСУР РТФ | ||||||||||||||||||
Кафедра РЗИ | ||||||||||||||||||
| гр. 148-3 | ||||||||||||||||||
| Позиция Обозн. | Наименование | Кол | Примечание |
| Конденсаторы ОЖ0.460.203 ТУ |
| С1,С9 | КД-2-130 пФ5% | 2 | |||||||||||||||||||
| С2,С5 | КД-2-49 пФ5% | 2 | |||||||||||||||||||
| С4,С7 С10 | КД-2-1 нФ5 | 3 | |||||||||||||||||||
| С3,С6 С8 | КД-2-39 пФ5% | 3 | |||||||||||||||||||
| Катушки индуктивности | |||||||||||||||||||||
| L1.L2 L3 | Индуктивность 10 мкГн10% | 3 | |||||||||||||||||||
| Резисторы ГОСТ 7113-77 | |||||||||||||||||||||
| R1,R5 R10 | МЛТ–0,125-430 Ом10% | 3 | |||||||||||||||||||
| R2,R7 R12 | МЛТ–0,125-390 Ом10% | 3 | |||||||||||||||||||
| R3,R8 R14 | МЛТ–0,5-10 Ом10% | 3 | |||||||||||||||||||
| R4,R9 R15 | МЛТ–0,5-51 Ом10% | 3 | |||||||||||||||||||
| R6, R11, R13 | МЛТ–0,25-240 Ом10% | 3 | |||||||||||||||||||
| Транзисторы | |||||||||||||||||||||
| VT1, VT2, VT3 | 2Т996А | 3 | |||||||||||||||||||
| РТФ КП 468730.001 ПЗ | |||||||||||||||||||||
| Лит | Масса | Масштаб | |||||||||||||||||||
| Из | Лист | Nдокум. | Подп. | Дата | УСИЛИТЕЛЬ | ||||||||||||||||
| Выполнил | Булдыгин | КАБЕЛЬНЫХ СИСТЕМ СВЯЗИ | |||||||||||||||||||
Проверил | Титов | ||||||||||||||||||||
| Лист | Листов | ||||||||||||||||||||
ТУСУР РТФ | |||||||||||||||||||||
Перечень элементов | Кафедра РЗИ | ||||||||||||||||||||
| гр. 148-3 | |||||||||||||||||||||
3 Заключение















