135657 (722485), страница 2
Текст из файла (страница 2)
Трансформаторы, питающиеся от однофазной сети переменного тока, называются однофазными, от трехфазной - трехфазными.
Как правило, при питании маломощных потребителей применяются однофазные трансформаторы питания, а в мощных питающих установках применяются трехфазные или многофазные трансформаторы.
1.4. Источники вторичного электропитания.
Источники электропитания подразделяются на первичные и источники вторичного электропитания (ИВЭ). К первичным относятся непосредственные преобразователи различных видов энергии в электрическую, а к источникам вторичного электропитания - преобразователи электрической энергии одного вида в электрическую энергию другого вида.
В качестве первичных источников применяются: энергосистема с тем или иным номинальным напряжением (сеть переменного или постоянного тока), химические источники тока (гальванические элементы, батареи), термо- и фотоэлектрические, акустические, топливные, биологические, атомные, механические преобразователи энергии в электрическую.
Наибольшее применение из первичных источников электроэнергии имеет сеть переменного тока, а из источников вторичного электропитания - выпрямители, стабилизаторы и преобразователи.
С помощью выпрямителя энергия переменного тока преобразуется в энергию постоянного тока. Ввиду разнообразия радиоэлектронной аппаратуры схемные и конструктивные решения выпрямителей различны. Выпрямители могут быть выполнены в виде отдельного блока, стойки или могут входить в общую конструкцию изделия (усилителя, приемника и т. д.).
Основное назначение стабилизатора - поддерживать постоянным выходное напряжение или ток в нагрузке. Стабилизатор с выпрямителем образует стабилизированный источник вторичного питания. Преобразователи, применяемые в источниках питания, служат в основном для преобразования напряжения постоянного тока в напряжение переменного тока или напряжение постоянного тока другого номинала.
1.5. Электрические вентили и их параметры.
Как выше отмечалось, для преобразования переменного тока в постоянный необходим прибор с односторонней (вентильной) электрической проводимостью. Такие приборы называются вентилями. В зависимости от принципа действия вентили можно подразделить на механические и электрические. Механические вентили в радиоаппаратуре практически не применяются в силу присущих им недостатков: громоздкость конструкции, наличие контактов, работа которых вызывает значительные электрические помехи как в цепях питания, так в цепях радиоаппаратуры, относительно малая надежность.
Для питания радиоустройств применяются электрические вентили. По характеру проводимости и способу воздействия на пропускаемый ток электрические вентили делятся на электровакуумные (кенотронные, ионные или газоразрядные) и полупроводниковые, управляемые и неуправляемые.
Рис. 1.1. Вольтамперная характеристика идеального вентиля (а), реального (б).
Основные свойства любого вентиля характеризуются с помощью вольтамперной характеристики, представляющей собой зависимость тока от напряжения, приложенного к вентилю I=f(U). На рис. 1.1, а изображена вольтамперная характеристика идеального вентиля. Из этой характеристики видно, что при сколь угодно малом приложенном напряжении Uпр ток через идеальный вентиль течет только в одном направлении. Это объясняется тем, что сопротивление идеального вентиля в прямом направлении будет равно Riпр=0. При любых обратных напряжениях Uобр вентиль имеет сопротивление Riобр =.
Реальный вентиль имеет вольтамперную характеристику, показанную на рис. 1.1,б, из которой видно, что при обратных напряжениях, близких к пробивному Uпроб. ток через вентиль в обратном направлении может быть значительным, а сопротивление в прямом направлении не равно нулю.
1.6. Аккумуляторы
В аккумуляторах происходит превращение электрической энергии в химическую, а затем - химической в электрическую. Аккумуляторы не производят электрическую энергию, они ее лишь накапливают при заряде и расходуют на подключенную нагрузку при разряде. Процесс отдачи накопленной энергии основан на обмене электронов между электродами при активном участии электролита. В электропитании устройств связи находят применение кислотные и щелочные аккумуляторы.
1.7. Выпрямители и фильтры.
Электрический выпрямитель широко применяют как наиболее универсальный преобразователь переменного тока в постоянный.
Выпрямление в электрическом выпрямителе достигается вследствие включения в его состав электрического вентиля, который пропускает ток преимущественно в одном направлении, (рис. 1.2, а).
При рассмотрении процессов выпрямления характеристику вентиля идеализируют, представляя ее (рис. 1.2, б) линейной ломаной кривой 1 (идеальный вентиль), 2 (идеализированный вентиль с потерями) или 3 (идеализированный вентиль с потерями и порогом выпрямления).
В качестве вентилей в настоящее время применяют в основном полупроводниковые диоды. Порог выпрямления кремниевых диодов лежит в пределах 0,4-0,8 В, а германиевых 0,15-0,2 В. Для низковольтных выпрямителей (выпрямленное напряжение менее 10 В) порог выпрямления кремниевых вентилей составляет заметную часть выходного напряжения; его следует учитывать при расчетах, выбирая в качестве расчетной модель вентиля с порогом выпрямления. Для выпрямителей с выходным напряжением более 10 В можно проводить расчет и на основе модели вентиля без порога выпрямления.
Угол наклона спрямленной характеристики вентиля с потерями определяет внутреннее сопротивление вентиля rв.
Значения сопротивлений rв, применяемых в настоящее время вентилей, составляют от десятков (слаботочные диоды) до долей Ом (сильноточные диоды).
Прямой ток вентиля ограничен его разогревом из-за потерь электрической мощности, пропорциональных падению напряжения на вентиле. При обратном напряжении вентиль пропускает хотя и малый, но отличный от нуля обратный ток. Этим током, как правило, пренебрегают.
Следует отметить, что малый обратный ток соответствует обратному напряжению, не превосходящему некоторого значения. За этим пределом обратный ток резко возрастает и вентиль пробивается. Это обстоятельство ограничивает значение обратного напряжения, которое может быть приложено к вентилю.
Схема простейшего электрического выпрямителя (рис. 1.3) содержит трансформатор, вентили и нагрузку.
Трансформатор необходим для преобразования напряжения сети в напряжение, удобное для дальнейшего выпрямления и гальванической развязки нагрузки выпрямителя от сети.
В общем случае трансформатор имеет m1 обмоток (фаз) в первичной цепи и m фаз во вторичной цепи.
В приведенной схеме как первичные, так и вторичные обмотки соединены звездой. В подавляющем большинстве схем вторичные обмотки именно так и соединяют. Что же касается первичных обмоток, то они могут соединяться и в многоугольник.
Рис. 1.2. Вольт-амперная характеристика вентиля.
Рис. 1.3. Вентиль.
К концу каждой из вторичных обмоток подсоединен анод вентиля. Катоды всех вентилей подсоединены к сборной шине, которая и является одним (в данном случае положительным) выводом выпрямителя. Второй вывод выпрямителя (отрицательный) берут от средней точки звезды вторичных обмоток трансформатора. К этим выводам и подключают нагрузку выпрямителя.
Из-за нелинейности характеристик вентилей ток в каждой из вторичных обмоток может проходить только в одну сторону. Через нагрузку проходит суммарный ток всех фаз (вентилей) вторичной обмотки, имеющий значительную постоянную составляющую (выпрямленный ток).
Если изменить полярность включения всех вентилей на обратную, т. е. подсоединить их катодами к концам вторичных обмоток, а анодами к сборной шине, то выпрямленное напряжение изменит свою полярность.
Для уменьшения переменных составляющих в выходном напряжении между нагрузкой и выпрямителем включают фильтр, называемый сглаживающим. Необходимость в фильтре вызвана тем, что мгновенная мощность переменного тока пульсирует во времени, а мгновенная мощность постоянного тока неизменна. Следовательно, для получения на выходе постоянного тока в выпрямителе должен быть элемент, запасающий избыток (по отношению к среднему значению) мощности в те моменты, когда мощность переменного тока близка к максимуму, и отдающий этот запас в нагрузку в моменты, соответствующие минимуму мгновенной мощности переменного тока.
Накопление (запасание) мощности можно осуществить лишь в реактивных элементах (катушках индуктивности или конденсаторах), поэтому фильтр должен содержать в своем составе хотя бы один такой элемент.
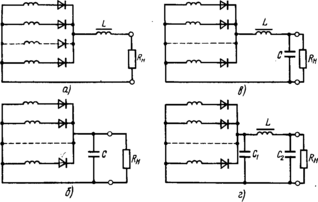
Рис. 1.4 Схемы выпрямителей, содержащих один накопительный элемент.
Из двух схем выпрямителей, содержащих один накопительный элемент (рис. 1.4, а, б), практическое применение находит лишь схема с конденсатором.
У схемы с дросселем нельзя получить малое выходное сопротивление для переменных составляющих тока нагрузки. Связано это с тем, что индуктивность дросселя L, по которому проходит весь ток нагрузки, для хорошего сглаживания пульсаций должна быть значительной. А при большой индуктивности дросселя на нем возникают большие падения напряжения при изменениях тока нагрузки.
С целью получения малого выходного сопротивления фильтра для переменных составляющих тока нагрузки его схему усложняют, включая второй реактивный элемент-конденсатор C (рис. 1.4, в).
Аналогичный фильтр для дополнительного сглаживания пульсаций (дроссель L и конденсатор С) можно подключать и к выпрямителю с емкостным накопителем (рис. 1.4, б).
Его схема для последнего случая показана на рис. 1.4, г.
Чем больше число фаз выпрямленного переменного напряжения, тем чаще и с меньшей амплитудой пульсирует мгновенная мощность переменного тока. Поэтому в многофазном выпрямителе снижается как запасаемая в реактивностях фильтра мощность, так и время, на которое она запасается, что. приводит к уменьшению габаритов и массы накопительных элементов.
При увеличении частоты переменного напряжения сокращается время, на которое запасается энергия в фильтре, что позволяет опять-таки уменьшить размеры и массу фильтра.
При большом числе фаз выпрямляемого напряжения можно добиться достаточно качественного выпрямления и без фильтра.
Включение того или иного фильтра на выход выпрямителя существенно сказывается на процессах, происходящих в самой выпрямительной схеме (вентилях и трансформаторе). Это объясняется тем, что цепи постоянного и переменного токов в электрическом выпрямителе связаны через вентили. Поэтому включение реактивного элемента в цепь постоянного тока выпрямителя сказывается на значении и форме тока в обмотках трансформатора, т. е. в цепи переменного тока.
Характер процессов в выпрямителе задается тем реактивным элементом, который создает основное сопротивление переменной составляющей выпрямленного тока. Прочие реактивные элементы фильтра не меняют картины процесса, а сказываются лишь на некоторых его количественных характеристиках.
Именно поэтому практически одинаковы форма и значения токов в обмотках трансформатора у схем, приведенных на рис. 1.4, б, г, так как на конденсаторе С в последней схеме получается уже практически выпрямленное напряжение (его емкость большая) и дроссель L создает лишь несколько большее постоянство тока разряда конденсатора С1. Поэтому конденсатор С1 относят к выпрямителю, а дроссель L, и конденсатор C2 рассматривают как отдельные фильтрующие звенья.
Все схемы выпрямителей можно разбить на две группы, отличающиеся друг от друга характером реактивности первого элемента фильтра и, следовательно, формой токов в обмотках трансформатора. Эти группы следующие:
а) выпрямитель, нагрузка которого начинается с индуктивного элемента (рис. 1.4, в);
Выпрямленное напряжение E0 - напряжение на выходных зажимах выпрямителя - содержит не только постоянную составляющую E0, но и ряд гармоник выпрямляемого переменного напряжения (рис. 1.5), т. е. пульсирует. Коэффициентом пульсаций называют отношение пикового напряжения переменной составляющей выпрямленного напряжения Em к его постоянной составляющей E0:
kп=Em/E0=(e0max-e0min)/(2E0) (1.1.)
Представив выпрямленное напряжение рядом Фурье, т. е. как сумму постоянной составляющей и ряда гармоник с амплитудами Еmk, можно оценить качество выпрямления по коэффициентам пульсаций для каждой из гармоник:
kпr=Emk/E0 (1.2.)
Такая оценка удобна в том случае, когда в результате последующей фильтрации выпрямленного напряжения большая часть гармоник сильно ослабляется и на нагрузке оказываются отличными от нуля лишь напряжения одной или двух гармоник.
К преимуществам электрического выпрямителя относятся: универсальность принципа преобразования, заключающегося в том, что он пригоден для получения как высоких, так и малых напряжений и токов; значительный КПД преобразования; относительно небольшие габариты и масса; возможность выпрямления переменных токов повышенной частоты; отсутствие подвижных частей и, следовательно, быстроизнашивающихся и вибрирующих деталей, а также переключаемых контактов и связанных с переключением искрения и истирания контактов; малый уровень радиопомех; значительный срок службы и высокая надежность; отсутствие при работе шума, выделения газов и дыма; не критичность к условиям эксплуатации; относительно низкая стоимость.















