-2 (722474)
Текст из файла
С
одержание.
-
История развития телевидения.
-
Состав, назначение, принцип работы.
-
Неисправности блока и методы ремонта.
-
Техника безопасности.
-
Материалы и элементы, используемые при ремонте.
-
Литература.
1. История развития телевидения.
Мечта человека о возможности видеть на любые расстояния, отражена в легендах и сказках многих народов. Осуществить эту мечту удалось в наш век, когда общее развитие науки и техники подготовило основу для передачи изображения на любое расстояние. Первые передачи телевизионных изображений по радио в СССР произведены 29 апреля и 2 мая 1931 г. Они были осуществлены с разложением изображения на 30 строк. За несколько дней до передачи радиостанция Всесоюзного электротехнического института "ВЭИ" сообщила следующее: 29 апреля впервые в СССР будет произведена передача телевидения (дальновидения) по радио. Через коротковолновый передатчик РВЭИ-1 Всесоюзного электротехнического института (Москва) на волне 56,6 метра будут передаваться изображения живого лица и фотографии.
Телевидение проводилось тогда по механической системе, т. е. развертка изображения на элементы (1200 элементов при 12,5 кадра в секунду) проводилась с помощью вращающегося диска. По простоте устройства телевизор с диском Нипкова был доступен многим радиолюбителям. Прием телевизионных передач осуществлялся во многих отдаленных пунктах нашей страны. Однако механическое телевидение не обеспечивало удовлетворительного качества передачи изображения. Различные усовершенствования механической системы телевидения привели к созданию сложных конструкций с применением вращающегося зеркального винта и др.
На смену механическим системам пришли электронно лучевые системы телевидения, сделавшие возможным его подлинный расцвет. Первое предложение по электронному телевидению было сделано русским ученым Б. Л. Розингом, который 25 июля 1907 г. получил «Привилегию за № 18076» на приемную трубку для «электрической телескопии». Трубки, предназначенные для приема изображений, получили в дальнейшем название кинескопов. Создание электронно-лучевого телевидения стало возможным после разработки конструкции передающей электронно-лучевой трубки. В начале ЗО-х годов передающая телевизионная электронно-лучевая трубка с накоплением заряда была предложена в СССР С. И. Катаевым. Использование трубки с накоплением заряда открыло богатые перспективы для развития электронного телевидения. В 1936 г. П. В. Тимофееву и П. В. Шмакову было выдано авторское свидетельство на электронно-лучевую трубку с переносом изображения. Эта трубка была следующим важным шагом в развитии электронного телевидения.
Исследования в области передающих и приемных электронно-лучевых трубок, схем развертывающих устройств, широкополосных усилителей, телевизионных передатчиков и приемников, достижения в области радиоэлектроники подготовили переход к электронным системам телевидения, позволившим по лучить высокое качество изображения. В 1938 г. в СССР были пущены в эксплуатацию первые опытные телевизионные центры в Москве и Ленинграде. Разложение передаваемого изображения в Москве было 343 строки, а в Ленинграде - 240 строк при 25 кадрах в секунду. 25 июля 1940 г. был утвержден стандарт разложения на 441 строку.
Первые успехи телевизионного вещания дали возможность приступить к разработке промышленных образцов телевизионных приемников. В 1938 г. начался серийный выпуск консольных приемников на 343 строки типа ТК-1 с размером экрана 14Х18 см. И хотя в период Великой Отечественной войны телевизионное вещание было прекращено, но научно-исследовательские работы в области создания более совершенной телевизионной аппаратуры не прекращалась. Большой вклад, в развитие телевидения внесли советские ученые и изобретатели С. И. Катаев, П. В. Шмаков, П. В. Тимофеев, Г. В. Брауде, Л. А. Кубецкий А. А. Чернышев и др. Во второй половине 40-х годов разложение изображения передаваемого Московским и Ленинградским центрами было увеличено до 625 строк, что существенно повысило качество телевизионных передач.
Бурный рост передающей и приемной телевизионной сети начался в середине 50-х годов. Если в 1953 г. работали только три телевизионных центра, то в 1960 уже действовали 100 мощных телевизионных станций и 170 ретрансляционных станций малой мощности, а к концу 1970 г. до 300 мощных и около 1000. телевизионных станций малой мощности. Накануне 50-летня Великой Октябрьской социалистической революции, 4 ноября 1967 г. вступила в строй Общесоюзная радиотелевизионная передающая станция министерства связи СССР, которая постановлением Совета Министров СССР названа имени «50-летия Октября».
Основным сооружением Общесоюзной радио телевизионной передающей станции в Останкино - является свободно стоящая башня, имеющая общую высоту 540 метров. Она превышает высоту знаменитой Эйфелевой башни в Париже на 240 метров. Конструктивно она состоит из фундамента, железобетонной части высотой 385 метров и стальной трубчатой опоры для антенны высотой 155 метров.
Ввод в действие телевизионной башни в Останкино обеспечил: увеличение одновременно действующих телевизионных программ до четырех; увеличение радиуса уверенного приема всех телевизионных программ от 50 до 120 км и обеспечивает уверенный прием всех программ на территории с населением более 13 млн. человек; значительное улучшение качества приема изображения; резкое увеличение напряженности электромагнитного поля телевизионного сигнала, что позволило устранить влияние различного рода помех при приеме телевизионных программ; дальнейшее развитие междугородного и международного обменов телевизионными программами по радиорелейным, кабельным магистралям и каналам космической связи; значительное увеличение объема внестудийных передач путем одновременного приема сигнала от десяти передвижных телевизионных станций и стационарных трансляционных пунктов: обеспечение передачи радиовещательных программ через УКВ радиостанций для населения и на радиотрансляционные узлы Московской области, а так же автоматическое включение и выключение радиоузлов путем подачи в эфир кодированных сигналов.
Общесоюзная радиотелевизионная передающая станция в Останкино располагает мощным современным техническим оборудованием, позволяющим транслировать телевизионные передачи в черно-белом и цветном изображении в эфир и по кабельной, радиорелейной и космической сетям СССР. Одновременно с началом работы Общесоюзной радиотелевизионной передающей станции в Москве в Останкине начал работать Общесоюзный телевизионный центр, оснащенный совершенным телевизионным оборудованием. Общая площадь помещения телевизионного центра составляет 155 тыс. кв. м. Он имеет в своем составе 21 студию: две студии площадью по 1 тыс. кв. м, семь студий по 700 кв. м, пять студий по 150 кв.м. и др. Все телевизионное оборудование рассчитано на создание передач, идущих как непосредственно на передатчики, так и для записи на магнитную ленту.
Телевизионный центр в Останкино насыщен комплексом совершенной аппаратуры, позволяющей художественно оформлять передачи любых программ. Технический комплекс обеспечивает видеозапись цветных и черно-белых программ, производство телевизионных художественных фильмов и выпуск хроникально-документальных программ на кинопленке и в видео записи. Телецентр оснащен техническими средствами записи монтажа, озвучивания и тиражирования видеомагнитофильмов. Ведется строительство новых высотных телевизионных башен в Вильнюсе и Таллине. Каждая из этих башен имеет свою оригинальную архитектуру.
Еще в 1925 г. наш соотечественник И. А. Адамяр предложил систему цветного телевидения с последовательной передачей трех цветов: красного, синего и зелёного. В 1954 г. Московским телевизионным центром на Шаболовке были осуществлены первые опытные передачи с поочередной передачей цветных составляющих. Турникетная антенна, предназначенная для передачи сигналов цветного изображения и звукового сопровождения, была установлена на металлической башне, сооруженной рядом с Шуховской башней.
Прием цветного телевидения производился на телевизоры «Радуга» с вращающимся светофильтром. Однако такая система требовала значительного расширения спектра видеочастот и была не совместима с существовавшей системой черно-белого телевидения. В 1956 г. в лаборатории Ленинградского электротехнического института связи им. М. А. Бонч-Бруевича разработали и изготовили под руководством П. В. Шмакова установку цветного телевидения с одновременной передачей цветов. В январе 1960 г. состоялась первая передача цветного телевидения в Ленинграде с опытной станции Ленинградского электротехнического института связи. В это же время для приема передач цветного телевидения были изготовлены опытные телевизоры.
В течение ряда лет в Советском Союзе и в других странах проводились испытания различных систем цветного телевидения. В марте 1965 г. было подписано соглашение между СССР и Францией о сотрудничестве в области цветного телевидения на основе системы СЕКАМ. 26 июня 1966 г. было принято решение избрать для внедрения в Советском Союзе совместную советско-французскую систему цветного телевидения СЕКАМ-111. Первые передачи по совместной советско-французской системе начались в Москве с 1 октября 1967 г., к этому же времени был приурочен выпуск первой партии цветных телевизоров.
В день 50-летия Великой Октябрьской социалистической революции (7 ноября 1967 г.) состоялась первая цветная телевизионная передача с Красной площади парада и демонстрации трудящихся. Внедрение цветного телевидения открыло широкую возможность для повышения качества передач и позволило значительно повысить эмоциональность восприятия телевизионных передач и увидеть изображения в естественных красках.
2. Состав назначение и принцип работы
модуля строчной развертки МС-3
В устройство строчной развертки входят задающий генератор со схемой синхронизации, предварительный и выходной каскады, схема коррекции растра по горизонтали. Задающий генератор с цепями синхронизации расположен в субмодуле УСР радиоканала, остальная часть устройства строчной развертки находится в модуле строчной развертки. В телевизорах ЗУСЦТ применяются модули строчной развертки МС-3 для кинескопов с планарным расположением электронных пушек, углом отклонения 90° и размером экранов по диагонали 51 и 61 см.
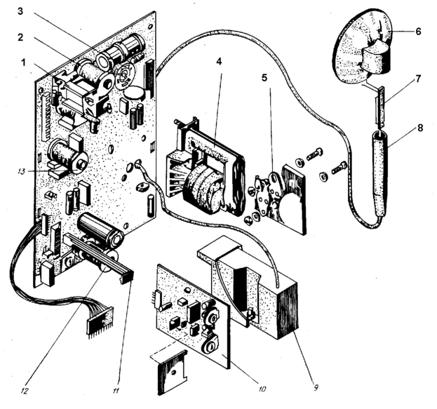
Конструктивно модуль выполнен в виде печатной платы (Рис. 1), размером 225-150 мм, из негорючего фольгированного гетинакса, на которой установлены радиоэлементы, трансформатор ТВС, умножитель напряжения, высоковольтный соединитель с вакуумным разрядником и субмодуль коррекции растра СКР-2.
Назначение модуля строчной развертки МС-3. Модуль формирует ток строчной частоты для отклонения лучей по строкам и ряд импульсных напряжений для работы устройств ограничения тока лучей кинескопа, АПЧиФ, стабилизации размеров и др. В модуле вырабатываются постоянные напряжения для питания анода, фокусирующего и ускоряющего электродов кинескопа, выходных видео усилителей модуля цветности и стабилизатора напряжения варикапов в блоке управления, а также напряжения накала кинескопа.
В состав модуля входят предварительный и выходной каскады строчной развертки, собранные на транзисторах VТ1 и УТ2, составной диодный демпфер-модулятор на диодах VD3 — VD5 и субмодуль коррекции растра СКР-2.
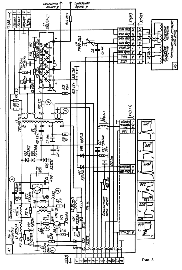
Предварительный и выходной каскады (Рис. 3). На базу транзистора VТ1 от задающего генератора, находящегося в модуле радиоканала, через контакт 13 соединителя Х3 (А3) поступают управляющие прямоугольные импульсы длительностью 20—30 мкс с периодом следования 64 мкс. Нагрузкой транзистора является межкаскадный трансформатор Т1, вторичная понижающая обмотка которого включена в базовую цепь транзистора VТ2. Напряжение на коллектор транзистора VT1 подается с контакта 3 соединителя X1 (А5) через короткозамкнутую перемычку, установленную в соединителе отклоняющей системы между контактами 1 и 3, а также через цепь развязки R1С1 и первичную обмотку трансформатора Т1.
Транзистор VТ1 совместно с трансформатором Т1 служит для
Рис. 1 Модуль строчной развёртки МС-3
1 - регулятор линейности РЛС-4 (L2); 2 - дроссель ДРТ-1 (L1); 3 - регулятор центровки по горизонтали (R2); 4 - трансформатор выходной строчный ТВС-110ПЦ15; 5 - транзистор КТ838 с радиатором; 6 - колпачок высоковольтный; 7 - планка с ограничительным резистором R24; 8 - наконечник; 9 - умножитель напряжения УН9/27-1,3; 10 - субмодуль коррекции растра СКР-2; 11 - стойка; 12 - дроссель ДРТ-1; 13 - трансформатор ТМС-21
согласования задающего генератора с выходным каскадом и создания управляющего импульса, обеспечивающего оптимальный режим переключения транзистора выходного каскада VТ2. Транзистор VТ1 открывается положительными управляющими импульсами напряжения. При протекании коллекторного тока через первичную обмотку в трансформаторе Т1 накапливается энергия, которая при закрывании транзистора создает положительный выброс напряжения на обеих обмотках. Для уменьшения выброса напряжения в контуре, образованном индуктивностью первичной обмотки трансформатора и ее паразитной емкостью, параллельно обмотке включена цепочка R4С2. Конденсатор С4 понижает частоту колебаний, а резистор R4 обеспечивает их апериодический характер. Сопротивление резистора R4 выбрано таким, чтобы длительность колебаний не превышала одного периода.
С вторичной обмотки трансформатора Т1 положительный полупериод напряжения поступает на базу транзистора VТ2 и управляет формированием пилообразного отклоняющего тока. Для стабилизации тока базы транзистора VТ2 включен резистор R7. Кроме того, контрольная точка ХN2, подключенная к резистору R7, используется для осциллографического контроля формы и значения тока базы транзистора VТ2.
Мощный транзистор VТ2 выполняет функции электронного ключа. В закрытом состоянии транзистор выдерживает между эмиттером и коллектором напряжение до 1500 В, а в открытом — ток до 7,5 А при минимальных потерях. Напряжение на коллектор транзистора VТ2 подается с контакта 1 соединителя X1 (А5) через обмотку трансформатора Т2 (выводы 12, 9) и фильтр R10С7. Резистор R10 ограничивает также коллекторный ток при разрядах в кинескопе.
В первую половину прямого хода лучей магнитная энергия, накопленная в строчных отклоняющих катушках во время предыдущего процесса отклонения, создает ток отклонения лучей от левого края до середины экрана. Ток отклонения протекает по цепи: строчные отклоняющие катушки (А5), контакты 9, 10 соединителя X1 (А5), катушка L4, корпус, демпферные диоды VD3 — VD5, конденсатор С3, регулятор линейности строк L2, контакты 14, 15 соединителя X1 (А5) и строчные отклоняющие катушки (А5). Транзистор VТ2 в это время закрыт, а конденсатор С3 подзаряжается этим током и служит источником энергии для формирования второй половины прямого хода лучей кинескопа.
По мере перемещения лучей к середине экрана ток в отклоняющих катушках уменьшается до нуля. Поступающий в это время на базу транзистора VТ2 положительный импульс открывает его, и начинает формироваться ток отклонения лучей от середины до правого края экрана кинескопа. Отклоняющий ток, формирующий
Характеристики
Тип файла документ
Документы такого типа открываются такими программами, как Microsoft Office Word на компьютерах Windows, Apple Pages на компьютерах Mac, Open Office - бесплатная альтернатива на различных платформах, в том числе Linux. Наиболее простым и современным решением будут Google документы, так как открываются онлайн без скачивания прямо в браузере на любой платформе. Существуют российские качественные аналоги, например от Яндекса.
Будьте внимательны на мобильных устройствах, так как там используются упрощённый функционал даже в официальном приложении от Microsoft, поэтому для просмотра скачивайте PDF-версию. А если нужно редактировать файл, то используйте оригинальный файл.
Файлы такого типа обычно разбиты на страницы, а текст может быть форматированным (жирный, курсив, выбор шрифта, таблицы и т.п.), а также в него можно добавлять изображения. Формат идеально подходит для рефератов, докладов и РПЗ курсовых проектов, которые необходимо распечатать. Кстати перед печатью также сохраняйте файл в PDF, так как принтер может начудить со шрифтами.















