Zapiska (722443), страница 5
Текст из файла (страница 5)
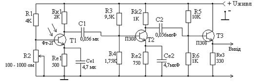
Аналогічно попередньому випадку знаходимо
Режим спокою катодного повторювача — точка С΄. Для неї маємо:
(струм подільника напруги); тоді
Коефіцієнт передачі струму емітерним підсилювачем:
Коефіцієнт передачі напруги:
Якщо опір навантаження емітерного повторювача, тобто навантаження ФЕП складатиме Rн = 100 ом, то
Таким чином, остаточна схема ФЕП матиме такий вигляд:
Рис. 11. Принципова схема ФЕП.
3.4. Проектування джерела живлення для електронної апаратури факсимільного зв’язку
До джерела живлення ставляться такі основні вимоги:
-
Напруга, яку повинно забезпечити джерело U = 12 ± 1 В (в інтервалі струмів від 50 до 300 мА).
-
Коливання напруги U при допустимих змінах напруги і частоти в електричній мережі 220В, 50Гц повинні не перевищувати 1В.
-
Величина пульсацій і наводок в напрузі джерела не повинні перевищувати допустиме значення Кп = 1,0%
Виберемо схему випрямляча.
Для заданих параметрів найдоцільніше буде використати 2-х тактну схему 1-фазного живлення (мостова схема Греца), див. рис. 12.
Рис. 21. Схема випрямляча.
Сила струму, випрямленого кожним діодом в схемі Греца не перевищує 150 мА. За цим значенням вибираємо тип діодів Д1-Д4 — Д226Д. Для цих діодів допустимий випрямлений струм може досягати 300 мА, а допустима напруга складає 100В (при цьому середнє значення зворотнього струму не перевищує 0,1 мА). Допустима температура оточуючого середовища від –60°С до +80°С.
Для подальших розрахунків визначаємо номінальний опір навантаження джерела
Для зменшення пульсацій вихідної напруги необхідно застосувати зглажуючий фільтр. Оскільки
— величина не мала, то в якості фільтра найкраще вибрати ємкісний фільтр.
Ємність конденсатора для фільтра треба вибрати так, щоб
, як правило для забезпечення Кп = 0,01
.
Для 2-х тактної схеми, що на рис. 1, ця умова рівносильна вимозі
при
, з попереднього виразу отримаємо робочу формулу:
, де С1 виражено в мкФ, а Rн —в кОм.
Промисловість випускає електролітичні конденсатори з номіналом 2000 мкФ х 25В.
Отже, в якості С1 можна використати 2 запаралелені конденсатори 2000 мкФ, 25В.
Для утримання вихідної напруги 12 ± 1 В, за умов коливання напруги змінного струму в мережі 220В, 50 Гц і за умов зміни Rн в схемі джерела слід передбачити стабілізатор. Для U = 12В є стабілітрон типу Д815Д, для якого Uвих ном.=10,8÷13,2В, а діапазон зміни струму при стабілізації від 25мА до 650мА, що повністю перекриває заданий діапазон 50÷300 мА.
Схема параметричного стабілізатора на кремнієвому стабілітроні Д815Д показана на рис. 2:
Рис.13. Схема параметричного стабілізатора на кремнієвому стабілітроні.
Опір RБ обчислюється за такою формулою:
(На вході стабілітрона напруга на 2,2 В більша ніж на виході.)
Таким чином, схема джерела живлення буде мати такий вигляд:
Рис. 14. Принципова схема джерела живлення.
Номінальна напруга на вторинній обмотці трансформатора має бути
14,2В + 3В = 17,2В
З наведених розрахунків випливають вимоги до силового трансформатора: Він має бути розрахований на потужність
Вт. Кількість витків в обмотках повинна забезпечити пониження напруги в 12,8 разів.
Запобіжник Пр повинен спрацьовувати при струмах КЗ не більше 0,1А
3.5. Розробка друкованої плати
Виготовлення друкованих плат має виконуватися відповідно до технологічного процесу, прийнятому на заводі-виготовлювачу, що забезпечує виконання усіх вимог креслення і технічних умов.
До друкованих плат пред'являються наступні вимоги: поверхня друкованих плат не повинна мати здуттів, сторонніх включень, відколів, вибоїв, тріщин і розшарувань матеріалу підстави, що знижують електричний опір і міцність ізоляції.
Одиночні вкраплення металу і сліди його видалення на вільних від провідників ділянках, поверхневі відколи і просвітлення діелектрика, ореоли, що виникають у результаті механічної обробки, допускаються, якщо відстань від провідника до зазначеного дефекту складає не менш 0,3 мм. Допускаються також окремі ганджі діелектрика, виявлені після травлення і передбачені технічними умовами на фольговані матеріали.
Матеріал основи друкованих плат має бути таким, щоб при механічній обробці (свердління, штампування, розпилювання), не утворювалися тріщини, розщеплення, відшарування та інші несприятливі явища, що впливають на експлуатаційні властивості, а також на електричні параметри плат.
Ширина друкованих провідників і відстань між ними установлюються вимогами креслення.
Друковані провідники повинні бути з рівними краями. Колір мідного провідника може бути від ясно-рожевого до темно-рожевого. В окремих випадках допускаються нерівності по краях провідників, що не зменшують мінімальної ширини провідників і відстані між ними, передбачені кресленням. Відхилення розмірів контактної площадки від креслення по чи ширині довжині можливо, але при цьому відстань до найближчих чи провідників контактних площадок у будь-якім місці повинне бути не менш мінімальних величин, обговорених у кресленні.
Товщина шару міді, осадженої на всіх металізованих ділянках друкованої плати (фотоелектрохімічний метод), має бути в межах 40—100 мкм, а на лініях землі, екранах і провідниках, що лежать по краях плати, вона допускається до150 мкм.
Сучасні промислові способи виготовлення друкованих плат засновані на використанні фольгованих діелектриків, тобто на одержанні токопровідного малюнка схеми методом травлення. Всі різновиди способів зводяться до одержання малюнка фото способом або трафаретним друком.
Існує 2 основних промислових способа виготовлення друкованих плат:
1. Травлення фольгованого діелектрика без металізації отворів. Застосовується, головним чином, для виготовлення односторонніх друкованих плат.
2. Травлення двостороннього фольгованого діелектрика з електрохімічною металізацією отворів.
Застосовується для виготовлення двосторонніх друкованих плат.
При виготовленні односторонніх друкованих плат для нанесення малюнка схеми широко використовується метод трафаретного або сітчастого друку і наступне травлення фольги. Виготовлення друкованих плат таким способом одержало в промисловості назву сітково-хімічний метод.
Плати, що виготовляються з однобічногофольгованого гетинаксу знаходять найбільше широке застосування в конструкціях побутової радіоелектронної апаратури.
При масовому виробництві друкованих плат з однобічного фольгованого діелектрика, застосовується сітково-хімічний спосіб. Як правило, виготовлення плат здійснюється на універсальних механізованих лініях, що складаються з окремих автоматів і напівавтоматів, послідовно виконуючі операції технологічного процесу.
Весь процес виготовлення плат складається з наступних основних технологічних операцій:
1. Розкрій матеріалу і виготовлення заготівок плат.
2. Нанесення малюнка схеми кислотостійкою фарбою.
3. Травлення схеми.
4. Видалення захисного шару фарби.
5. Крацовка.
6. Нанесення захисної епоксидної маски.
7. Гаряче лудіння місць пайки.
8. Штампування.
9. Маркування.
Різання матеріалу на технологічні заготівки (смуги) здійснюється на дискових ножицях.
Зі смуг матеріалу на кривошипному пресі штампуються технологічні заготівки плат. Вони мають технологічний припуск 2—6 мм по контуру. У заготівках одночасно вирубуються технологічні базові отвори, що у більшості випадків у готових друкованих блоках служать кріпильними.
Заготівки плат надходять на автомат сіткографічного друку.
Сіткографічний верстат-автомат має два завантажувальних бункери. Заготівки по одній штуці забираються двостороннім вакуумним столом, який подає їх під сітку-трафарет. Як тільки заготовка встала в робочу позицію, автоматично здійснюється рух ракеля, що продавлює фарбу крізь сітку-трафарет. Після цього стіл повертається, забираючи плату з-під сітки-трафарету, вакуум знімається і плата з нанесеним малюнком по лотку спадає в сушило.
Плати з нанесеним малюнком піддаються травленню, що виконується на спеціальному напівавтоматичному агрегаті. Травлення здійснюється розчином хлорного заліза з щільністю 1,35—1,40.
На агрегаті виконуються наступні операції:
а) витравлювання фольги в місцях, не захищених фарбою;
б) видалення залишків травлячого розчину із плат методом обдуву струменем повітря;
в) промивання плат водою;
г) сушіння плат струменем гарячого (60—70° С) повітря.















