Zapiska (722443), страница 4
Текст из файла (страница 4)
На вибраній лінії навантаження білій ділянці зображення виберемо точку Б, яка відповідає освітленості ФБ = 1000 лк.
Тоді згідно з міркувань, викладених в п.1 (див. рис. 1), точка Т (сигнал від темної ділянки) має відповідати Фт = 1/8ФБ = 125 лк. Відповідна точка Т нанесена на лінію навантаження (див. рис. 2).
З рис. 2 визначимо амплітуду фотоелектричного сигналу за вибраного режиму:
Отже, підібравши відповідним чином освітленість в місці розташування фотодатчика (в нашому випадку це фототранзистор ФТ-2Г) і включивши його по найпростішій схемі з плаваючою базою і спільним емітером, отримано вихідний сигнал, який цілком достатній (за напругою) для нормальної роботи пристрою обробки і перетворення сигналу.
Таким чином, залишається забезпечити роботу ФЕП на низькоомному навантаженні та забезпечити двох градаційний вихідний сигнал при варіаціях освітленості, відбитих від ділянок з мало контрастним альбедо. Друга проблема вирішується застосуванням в схемі обробки і перетворення сигналу обмежувача амплітуд, який виконують, як правило на діодах.
В схемі обмежувача має бути регулювання рівня обмеження. Ця частина схеми має значно більший активний опір, ніж опір Rк, через який протікає знайдений струм (Ік)мах = 2 мА. Фактично струм в навантаження (діодний обмежувач амплітуд) може складати не більше 0,8 мА) .
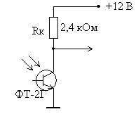
Попередньо складена схема вхідного каскаду на фототранзисторі ФГ-2Г має вигляд:
Рис. 3. Схема вхідного каскаду на фототранзисторі ФГ-2Г
Схема працює як ключ, що спрацьовує при перевищенні критичного значення освітленості.
Зворотній тепловий струм колекторного n-p переходу неосвітленого транзистора ФТ-2Г ІКзвор може досягати 2 мкА. Якщо при роботі ФТ-2Г в режимі з плаваючою базою (схема якого зображена на рис. 3) потенціал бази наблизиться до потенціалу колектора або почне мінятися, то зворотній тепловий струм підсилюється:
Якщо коефіцієнт передачі транзистора складає
то при
,
, а це вже майже відповідає рівню фотоструму. Відповідно в h21e = 30-150 разів збільшується температурна і часова нестабільність Ік фототранзистора.
Для усунення цього небажаного явища треба застабілізувати положення робочої точки (т. Б на рис. 2), зафіксувавши напругу на базі.
Стабілізація транзистора, увімкнутого в схемі з спільним емітером досягається включенням резистора RБ в коло бази (див. рис. 4).
Рис.4. Резистор RБ включено в коло бази.
Для визначення необхідного номіналу резистора RБ звернемося до сімейства вхідних характеристик транзистора ФТ-2Г:
Рис. 5. Вхідні характеристики транзистора ФТ-2Г.
Крива 1 відповідає випадку відсутності освітлення
при
;
На рис. 5 лінія 4 є графіком
при Ф=0. Із вимоги Іф >>ІКБ звор отримаємо критерій для вибору RБ. Лінія статичного навантаження емітерного переходу:
Хорошої стабілізації можна досягнути за умов
Іф >>ІКБ звор та ІКБ звор·RБ <<
Тому взявши
, можна переконатися, що дані умови виконуються.
Знайденому значенню RБ відповідає лінія статичного навантаження ОБ, яка нанесена на графік (рис. 5).
Отже RБ = 200ом.
При підвищенному опроміненню фототранзистора, його робоча точка переходить в точку Б, напруга на базі підвищується до
і частина фотоструму надходить в коло з резистором RБ.
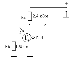
Для вхідного каскаду на фототранзисторі ФТ-2Г, який працює в якості підсилювача, а не ключа, як показано на схемах (рис. 3 і рис.4) бажано обмежувати емітерний струм включивши в коло емітера резистор Re. В цьому, більш прийнятному випадку схема вхідного каскаду набуває виду:
Рис. 6. Схема вхідного каскаду.
При цьому до попередніх розрахунків треба внести корективи. Схема на рис. 6 забезпечує відсутність підсилення постійної складової факсимільного сигналу, яка визначається фотоелектричним сигналом від білого паперу оригіналу. Змінюючи за допомогою змінного резистора стабілізований потенціал бази, ми отримаємо можливість регулювати чутливість каскаду на фототранзисторі.
Конденсатор С1 є роздільний. Його опір постійному струму нескінченний, а опір змінному сигналу (>100Гц) відносно малий.
В схемі, що на рис. 6, робоча точка вже задана (т. Б на рис. 2)
Враховуючи, що струм колектора Ік =Іе + ІБ
Іе (струмом бази можна знехтувати)
З рівняння Uке=Ек - ІкRк -ІеRe
Ек - Iк(Rк+Re)
Потенціал відносно землі
, де UБЕ = 0,25В (див. рис. 5)
Отже UБ = 1,2В + 0,25В = 1,45В
Для хорошої стабілізації фототранзистора необхідне виконання умови
Отже R1 = 7,3R2, і з попередньої нерівності знаходимо
Вибираємо R2 = 500 ом, R1 = 4,0 кОм
Вибравши замість постійного резистора R2 = 500 ом, змінний резистор з діапазоном зміни опору від 100 до 1000 ом, отримаємо можливість регулювати положення робочої точки фототранзистора, а відповідно, і його чутливість.
Для того, щоб зменшити падіння змінної напруги не резисторі Re, він шунтується конденсатором великої ємності Се = 4,7 мкФ, який “прозорий” для змінної напруги “звукової” частоти, тобто повинна виконуватися умова:
Вже на частоті 10 Гц ця умова виконується:
Для роздільного конденсатора С1 повинна виконуватися умова
на частотах близьких до Fmax. Звідси С1 = 0,056 мкФ при Rн = 0,6 кОм.
Всі номінали розрахованих елементів схеми вхідного каналу ФЕП на фототранзисторі показано на рис.6. Це буде остаточна схема каскаду.
3.2. Проектування підсилювального каскаду ФЕП
Як було сказано в п.2, вихідні параметри 1-го каскаду на фототранзистор і цілком задовільні для роботи пристрою обробки сигналу, яким може бути, наприклад, обмежувач амплітуд.
Однак, то був випадок оптимально розрахованої оптичної системи ФЕП з оптимально підібраними значеннями освітленостей достатньо контрастної картини.
Якщо ця умова не буде виконана, то амплітуда вихідного сигналу буде значно меншою.
Нехай фототранзистор ФТ-2Г працює при освітленостях менше 100 люкс (див. рис. 2). В цьому разі при попередньо розрахованій характеристиці навантаження (лінії АВ), амплітудні значення напруги
зменшуються до сотих – десятих долей вольта (ділянка між точками Т і К на лінії АВ, див. рис. 2). Відповідні зміни
становлять близько 0,1 мА, тому без додаткового підсилення сигналу вже не обійтися.
Необхідний коефіцієнт підсилення по напрузі такого підсилювача має становити Ku = 10 ÷ 20.
Підсилювач має підсилювати імпульси з мінімальною тривалістю 10-4 сек (див. п.1). Тобто підсилювальний каскад мало відрізняється від типових підсилювачів низької частоти. Таким чином, вже не можна проводити вибір транзисторів по граничній частоті
. В нашому випадку підійде будь-який достатньо потужний транзистор, здатний працювати на низьких або середніх частотах.
З умови Ku = 10 ÷ 20 ясно, що слід обмежитися одним каскадом, тобто n=1.
Виберемо кремнієвий n-p-n транзистор середньої частоти П308 (див. рис. 7).
Його параметри:
30 ÷ 90 (Іе = 10 мА, Uke = 10В, t = 200C, на низькій частоті)
На рис. 7Б будуємо робочу зону транзистора.
Орієнтовно задамо опір резистора Rk в колі колектора (Rk
Rн ) Rk = 1 кОм і будуємо відповідну лінію навантаження
(лінія MN на рис. 7Б).
Виберемо режим спокою транзистора (імпульси не надходять на вхід каскаду).
На вхідній та вихідній характеристиках він позначений буквою С.
Таким чином:
На рис. 7а нанесено, як приклад, вид вхідного сигналу —імпульс напруги UБЕ.
На рис. 7а нанесена також лінійна ділянка лінії навантаження підсилювача.
Схема підсилювача матиме такий вигляд:
Рис. 8. Схема підсилювача.
Лінійна ділянка лінії навантаження обмежена зверху точкою Д:
За вибраного режиму при
[
] імпульси, які підсилені в каскаді, досягають режиму насичення.
Якщо
, то підсилювач працюватиме в лінійному режимі, коли амплітуда вхідних сигналів пропорційна амплітуді вихідних.
Визначимо опір резисторів, що визначають режим спокою другого каскаду (на Т2).
Враховуючи, що Rк = 1кОм, розрахуємо:
Струм подільника повинен бути
в 10 разів більшим за
Тоді
Коефіцієнт підсилення по напрузі 2-го каскаду (в лінійному режимі):
Якщо взяти середнє значення
,
, то
що цілком задовольняє поставлену задачу.
Коефіцієнт підсилення по струму 2-го каскаду в лінійному режимі визначимо графоаналітичним способом (див. рис. 7).
Визначимо вхідний опір каскаду:
Номінал шунтуючого конденсатора
вибирається з тих же міркувань, які були викладені в п.2.
Номінал роздільного конденсатора
вибирається з тих же міркувань, які були викладені в п.2.
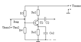
Всі номінали обох каскадів, 1-го прийомного і 2-го підсилювального показано на принциповій електричній схемі:
Рис. 9. Принципова схема.
3.3. Проектування вихідного каскаду (емітерний повторювач)
Характер навантаження ФЕП визначається способом обробки і перетворення сигналу до виду зручного для передачі. це може бути діодний обмежувач амплітуди, чи навіть якийсь електромеханічний пристрій.
У випадку навантаження ФЕП на низькоомне навантаження з’являється потреба ще в одному каскаді — емітерному повторювачу. Завдяки низькому вихідному опору емітерний повторювач еквівалентний генератору напруги, яка мало змінюється при зміні опору навантаження (звичайно, до тих пір, поки опір навантаження буде набагато більше вихідного опору навантаження).
Схема емітерного повторювача:
Рис. 10. Емітерний повторювач.
В якості транзистора можна використати транзистор того ж типу, що й у попередньому каскаді (П308).
В цьому випадку лінією навантаження виберемо відрізок NM΄ (див. рис. 7б).
Границі динамічної ділянки — точки С΄ і Д΄.















