135615 (722426), страница 5
Текст из файла (страница 5)
Потенциометрический датчик - переменный резистор, включенный по схеме потенциометра. Служат для преобразования угловых или линейных механических перемещений в соответствующее изменение сопротивления. С помощью этих датчиков осуществляется контроль за положением задвижек, клапанов и т. д. Основой такого датчика вполне может быть переменный резистор промышленного производства, обычно подключенный к некоторому механическому преобразователю перемещения. Слабое место таких датчиков - наличие подвижного контакта. У проволочных резисторов существует зона нечувствительности, обусловленная дискретным изменением сопротивления при перемещении щетки с витка на виток.
Потенциометр - чаще проволочный (но может быть и угольный) резистор (реостат) с движком, который скользит вдоль резистора. Таким образом, по существу п. является резистором с переменным сопротивлением. Потенциометры бывают линейными и круговыми (в зависимости от характера перемещения его регулирующего органа). Потенциометры часто выполняют роль преобразователей перемещения в электрическую величину - напряжение (для линейных перемещений -линейные потенциометры, для угловых перемещений - круговые). Вообще говоря, потенциометрический преобразователь по определению является параметрическим, т.е. его выходной величиной является сопротивление. Однако простыми средствами с него можно получить и напряжение, пропорциональное перемещению движка, если к концам резистора подвести напряжение питания, а выходное напряжение снимать с движка.
П
еременные резисторы могут иметь различный характер зависимости сопротивления от изменения угла поворота подвижного контакта (рис.2.8.).
Рис. 1.8. Характеристики потенциометрических датчиков
Вид характеристики указывает маркирующая буква на корпусе резистора.
-
А - с линейной зависимостью
-
Б - с логарифмическим законом изменения сопротивления
-
В - c обратной логарифмической зависимостью
Основное достоинство - простота конструкции и дешевизна, легко сопрягаются с электронной схемой. Иногда применяют реохордные датчики, у которых контакт скользит вдоль оси натянутой проволоки, что позволяет получить непрерывную характеристику, без зон нечувствительности. Встречаются конструкции с жидким резистом, менее распространенные из - за явлений электролиза. Надежность контактных систем резко падает, если напряжение, приложенное к контакту меньше определенной величины (зависящей от конструкции контакта).
В проектируемой системе для получения текущего значения высоты платформы используется поплавковый датчик уровня рабочей жидкости в гидробаке. Уровень определяется путем регистрации положения поплавка, плавающего на поверхности рабочей жидкости. Поплавок с помощью тросика связан с отсчетным механизмом, преобразующим вертикальное перемещение поплавка в электрический сигнал.
Перемещение поплавка производится по направляющим тросикам, натянутым между корпусом датчика и якорем на дне емкости. Корпус поплавка изготовлен из нержавеющей стали.
П
отенциометрический датчик модели ПЛЦ 001 (рис 2.9.), разработанный в Научно-исследовательском Институте Физических Исследований (НИИФИ), предназначен для измерения линейных перемещений объектов. Датчик характеризуется высокой надежностью в условиях воздействия вибраций и температур.
Рис. 2.9. Датчик линейных перемещений ПЛЦ 001
Основные технические характеристики датчика приведены в табл. 2.3.
Табл. 2.3. Технические характеристики датчика ППЦ 001
| Диапазон измерений | мм | 0-500 | ||
| Погрешность | % | 1,5 | ||
| Выходной сигнал | начальный | В | 0 | |
| номинальный | 6 | |||
| Напряжение питания | В | 6± 1 | ||
| Температура окружающей среды | ° С | -120/+160 | ||
| Вибрационные ускорения | м/с2 | 300 | ||
| Масса | кг | 0,3 | ||
И
нформацию о текущих углах крена платформы в продольной и поперечной плоскостях вырабатывают датчики угла наклона КЛИН-1 (рис. 2.10.)
Рис. 2.10. Датчик угловых перемещений КЛИН-1
Основные технические характеристики датчика приведены в табл. 2.4.
Табл. 2.4. Технические характеристики датчика КЛИН-1
| Диапазон измерений | град. | ± 10, ± 30, ± 60, ± 90 | |
| Частотный диапазон | Гц | 0-8 | |
| Погрешность | % | 0,05 | |
| Температурная нестабильность коэффициента преобразования | % / ° С | 0,02 | |
| Температурная нестабильность начального уровня | В/° С | 0,001 | |
| Выходное напряжение | В | 0-5 | |
| Напряжение питания | В | ± (15± 1,5) | |
| Ток потребления | А | 0,05 | |
| Температура окружающей среды | ° С | -50/+60 | |
| Вибрационные ускорения | м/с2 | 350 | |
| Масса | кг | 0,8 |
В проектируемой системе исполнительными устройствами, получающими информацию от микропроцессора, являются электрически управляемые гидрораспределители. Это определяется соображениями лёгкости и точности управления для оператора и, также, возможностью размещения гидрораспределителя в возможно более удобном для этого месте, независимо от месторасположения оператора.
Основными задачами, стоящими перед изготовителями гидрораспределителей являются: обеспечение минимально возможных гидравлических потерь (снижение энергетических затрат, вызывающих повышенный расход топлива, нагрева рабочей жидкости) при минимально возможных габаритах, точность выполнения перемещений основных золотников, обеспечивающих выполнение рабочих движений, оптимальный характер автоматических процессов загрузки гидросистемы в зависимости от нагрузки на рабочие органы.
Г
идросистема с пропорциональным электрическим управлением требует повышенного внимания к чистоте рабочей жидкости (рекомендуемая тонкость фильтрации 10 мкм). В случае обеспечения требований по чистоте рабочей жидкости, гидросистема обеспечивает долговечную и надёжную эксплуатацию.
Рис. 2.11. Характеристики гидрораспределителей
Гидрораспределители подают в специальные гидроцилиндры объем рабочей жидкости, пропорциональный входному напряжению и через них подают жидкость в гидробалансирные группы.
Графики зависимости изменения проходных сечений золотниковых пар от величины хода золотников приведены на рис. 2.11. Анализ формы кривых показывает, что она близка к параболической, т. е. с постоянной «чувствительностью», что подразумевает постоянную величину отношения прироста расхода к самой величине расхода в каждой точке графика при равном значении величины изменения управляющего сигнала. Например, если при изменении управляющего сигнала расход изменяется с 10 л/мин. до 12 л/мин., то при таком же изменении управляющего сигнала в диапазоне расхода, равном, например, 80 л/мин. он изменится до 96 л/мин. (Видно, что относительное изменение расхода постоянно и равно 20%). Такая характеристика зависимости и форма графика называются «прогрессивными».
Д
ля применения в системе управления в качестве задатчика аналогового сигнала предназначен командоаппарат. Оператор ПКП вводит требуемое значение высоты подъема платформы посредством командоаппарата с потенциометрическим датчиком.
Рис. 2.12. Командоаппарат потенциометрический КПМ11ФУ
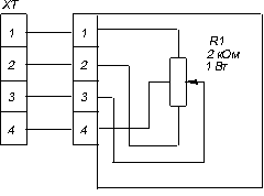
Командоаппарат потенциометрический КПМ11ФУ (рис. 2.12), маховичковый с асимметричной шкалой, однооборотный, встроен в панель пульта (утопленный). Маховичок может поворачиваться на угол от 0 до 350 градусов и фиксироваться в любом положении. В командоаппарате установлен потенциометр сопротивлением 2 кОм (рис.2.13.), предельная мощность рассеивания 1Вт, Uпит= 24В постоянного тока, Uвых=0...10В, Iвых=0...12мА. Для соединения с внешними цепями в командоаппарате предусмотрен клеммн
ик.
Рис.2.13. Схема электрическая командоаппарата КПМ11ФУ
На листе 8 изображен общий вид командоаппарата, посредством которого оператор задает требуемую высоту платформы.
Командоаппарат установлен на пульте управления в кабине водителя. Для того, чтобы закрепить командоаппарат на монтажной панели в последней выполняются два отверстия диаметром 7 и 28 мм. Меньшее отверстие предназначено для фиксации командоаппарата относительно монтажной панели. В это отверстие входит стопорный штифт. Толщина монтажной панели может колебаться в диапазоне от 2 д 4 мм.
Над монтажной панелью выступает лишь маховичок командоаппарата и диск с нанесенной на него шкалой, которая проградуирована в сантиметрах поднятия платформы над дорожным полотном. Диск-шкала неподвижен, а стрелка-указатель закреплена на вращающемся относительно диска валу маховичка.
Под монтажной панелью скрыт сам механизм потенциометра и клеммник. Потенциометр заключен в цилиндр. Угловое положение маховичка передается к нему посредством зубчатых колес, закрепленных между двумя неподвижными пластинами. Эти пластины стянуты четырьмя болтами по периметру. К нижней пластине посредством винтового соединения прикреплен клеммник с расположенными на нем клеммами, к которым подводится питающее и снимается выходное напряжение.
Электронный блок управления системой стабилизации ПКП включает в себя:
-
Однокристальную микроЭВМ КМ1816ВЕ51;
-
БИС программируемого параллельного интерфейса КР580ВВ55;
-
БИС аналогово-цифровой системы сбора данных К572ПВ4;
-
Аналогово-цифровой преобразователь К1113ПВ1;
-
Буферный регистр 588ИР2;
-
Микросхемы памяти:
-
ОЗУ - КР537РУ8;
-
ПЗУ - КР556РТ15;
-
Соединительные элементы.
МикроЭВМ КМ1816ВЕ51 является основным элементом электронного блока управления системой автоматической стабилизации. Она имеет в своем составе следующие аппаратурные средства:
-
процессор, в состав которого входят однобайтное арифметико-логическое устройство и схемы реализации команд умножения и деления;
-
ППЗУ программ емкостью 4 Кбайт;
-
ОЗУ данных емкостью 128 байт;
-
Два шестнадцатибитных таймера/счетчика;
-
Программируемые схемы ввода/вывода (32 линии);
-
Блок двухуровневого векторного прерывания от пяти источников и др.
МикроЭВМ выполнена на основе высокоуровневой n-МОП технологии и выпускается в корпусе БИС, имеющем 40 внешних выводов. Для работы микроконтроллеру требуется один источник питания +5 В. Через четыре программируемых порта ввода/вывода микроЭВМ взаимодействует со средой в стандарте ТТЛ с тремя состояниями выхода.
Корпус КМ1816ВЕ51 имеет два вывода для подключения кварцевого резонатора, четыре вывода для сигналов, управляющих режимом работы микроконтроллера и два вывода для подключения питания.
















