PTCA (722417)
Текст из файла
МІНІСТЕРСТВО ОСВІТИ І НАУКИ УКРАїНИ
СУМСЬКИЙ ТЕХНІКУМ ХАРЧОВОї ПРОМИСЛОВОСТІ
П О Я С Н Ю В А Л Ь Н А З А П И С К А
ДО КУРСОВОї РОБОТИ
НА ТЕМУ:
«Синтез логічної функції та аналіз комбінаційних схем »
по курсу
“Прикладна теорія цифрових автоматів”
Керівник роботи: Оксана ВалеріївнаКущенко
Роботу виконав студент групи е-03: Андрій Сергійович .Зігуля
2000
РОЗГЛЯНУТО НА ЗАСІДАННІ ЦИКЛОВОї КОМІСІї
ЕЛЕКТРОННО-ОБЧИСЛЮВАЛЬНОї ТЕХНІКИ
“ ” 2000р. ПРОТОКОЛ № .
голова комісії О.І.Перелука
Сумський технікум харчової промисловості
Спеціальності 5.091504 “Обслуговування комп`ютерних та інтелектуальних систем і мереж”
Курс Група Семестр .
З А В Д А Н Н Я
НА КУРСОВУ РОБОТУ
1
.Тема роботи:
2
.Термін здачі студентом закінченої роботи:
3
.Вихідні дані до роботи:
З
міст пояснювальної записки (перелік питаннь, що підлягають розробці):
4
.Перелік графічного матеріалу (з точним вказанням обов`язкових креслень):
Дата видачі: 2000р.
Дата закінчення: 2000р.
Студент: .
Консультант: .
Викладач-керівник: .
Зміст
| Сторінка |
Вступ
Значення імпульсної техніки в радіоелектроніці
Імпульсні режими роботи відіграють велику роль в радіоелектроніці. Імпульсний метод роботи дає можливість знайти принципіальне і поруч з цим просте рішення такої важливої задачі, як вимірювання відстанейй за допомогою радіоволн, що викликало розвиток імпульсної радіолокації. Цей же принцип використовується в радіонавігації (в імпульсних системах управління літаками, а також визначення виссоти їхнього польоту). Імульсні методи роботи дають змогу зробити кодирований зв`язок, який відрізняється високою скритністю і захищеністю від завад, а також багатоканальний зв`язок на одній волні. Широко використовуються імпульсні режими у телебаченні, де сигнали зображення і синхронізації являються імпульсними, радіотелеуправлінні повітряними апаратами, в космічній радіоелектронній і електронній апаратурі, в інформаційно-вимірювальній техніці і при різних областях науки і техніки.
Важливу виконуючу роль відіграють імпульсні методи роботи у сучасних ЕОМ і різних цифрових автоматах, при автоматичній обробці інформації.
В широко розвинених каскадах таких автоматів виконуються різні функціональні перетворення імпульсних сигналів, передаючих інформацію і виконуються потрібні логічні операції над імпульсами за допомогою спеціальних логічних схем і пристроїв селекції імпульсів. Таким шляхом виконується виділення імпульсних сигналів , несучих інформацію, аналіз і впізнавання потрібного змісту інформації і форматування сигналів для регістрації обработаної інформації або для управління роботою пристроїв, реалізуючих прийняту інформацію.
Розвиток автоматичних методів обробки інформації тісно пов`язаний з розвитком швидкодіючих ЕОМ і цифрових автоматів на основі широкого використання напівпровідникових пристроїв і високо надійних мікро-електронних схем, також працюючих в імпульсному режимі.
1. Переведення чисел в різні системи счислення
Існують два способи перекладу чисел з однієї позиційної системи числення з основою h в іншу з основою h*. Вони відрізняються один від одного системою числення, в якій виробляються дії над числами в процесі перекладу.
Розглянемо перший спосіб перекладу з використанням арифметики початкової системи числення. Для цього способу порядок перекладу цілих чисел відрізняється від перекладу дробів. Для того щоб перевести ціле число Х з системи з основою h в нову систему з основою h*, необхідно послідовно ділити задане число і що виходять в процесі розподілу приватні на основу нової системи h*, виражену в колишній (початкової) системі, доти, поки останнє приватне не виявиться менше нової основи h*. Результат перекладу запишеться у вигляді послідовності цифр, записаних зліва направо починаючи з останнього приватного і кінчаючи першим залишком (тобто число молодшого розряду є перший залишок і т. д.). Всі арифметичні дії в процесі розподілу числа виготовляються в початковій h-системі.
Задані 5ть десяткових цифр перевести в коди:
-
д
війковий:
1
.1.1 4 2
- 4 2 2
0 2 1
0
4(10)=100(2)
1
.1.2 6 2
- 6 3 2
0 2 1
1
6(10)=110(2)
1
.1.3 8 2
- 8 4 2 2
0 4 2 1
0 2
0
8(10)=1000(2)
1
.1.4 12 2
- 12 6 2 2
0 6 3 1
0 2
1
12(10)=1100(2)
1
.1.5 15 2
- 14 7 2 2
1 6 3 1
1 2
1
15(10)=1111(2)
-
вісімковий:
-
4(10)=4(8)
-
6(10)=6(8)
-
8(10)=10(8)
-
12(10)=14(8)
-
15(10)=17(8)
-
-
шістнадцятковий:
-
4(10)=4(16)
-
6(10)=6(16)
-
8(10)=8(16)
-
12(10)=С(16)
-
15(10)=F(16)
-
2.Виконання арифметичних дій в різних позиційних системах
2.1 До першого числа додати четверте:
Додавання у різних системах счисленя відбувається по аналогії з додаванням у десятковому коді, але за один десяток в різних системах числення вважається різне число, наприклад у восмирічній 10(10)=8(8) і т.д.
2.1.1 0100(2)+1100(2)=100000(2)
1
0100
+ 1100
10000
2.1.2 4(8)+8(8)=16(8)
4
+ 8
16
2.1.2 4(16)+С(16)=10(16)
4
+ С
10
2.2 помножити друге число на третє:
Множення, у різних системах счисленя, також відбувається по аналогії з множенням у десятковому коді, але за один десяток в різних системах числення вважається різне число.
2.2.1 0100(2)1100(2)=0110000(2)
0100
1100
0000
+ 1000
+ 1000
+ 0000
0110000
2.2.2 14(8)6(8)=92(8)
3
14
6
110
2.2.3 С(16)6(16)=48(16)
3
12
6
72 16
+ 64 4
8
2.3 відняти двійковий код 2го числа від 5 у прямому зворотньому та додатковому коді:
2.3.1 віднімання в прямому коді:
1111
0110
1001 3 2 1 0
Перевірка -> 15(10)-6(10)=9(10) 1001(2)=23+30=8+1=9(10)
2.3.2 віднімання у зворотньому коді:
0 1111
1
0110
1
01000
1
1001
2.3.3 віднімання у додатковому коді:
1111
0110
1001
0110 – прямий код
1001 – зворотній код
1010 – додатковому коді
3.Побудова таблиці становищ та аналітичного виразу логічної функції
2.4 Скласти таблицю станів з двох кодів:
| х1х2х3х4 | У | |
| 1 2 3 4 5 | 0 1 0 0 0 1 1 0 1 0 0 0 1 1 0 0 1 1 1 1 | 0 0 1 1 1 |
3. За складеною таблицею і заданою функцією у:
3.1 Знаййти аналітичний вираз логічної функції за допомогою СДНФ:
_ _ _ _ _
f=x1 x2 x3 x4 x1 x2 x3 x4 x1 x2 x3 x4
3.2 Знаййти аналітичний вираз логічної функції за допомогою СКНФ:
_ _ _
f=(x1x2x3x4)(x1x2x3x4)
3.3 Мінімізувати отримані логічні функції використовуючи карти Карно та закони булевої алгебри:
_ _ _ _ _
СДНФ: f=x1x3x4(x2x2)x1x2x3x4=x1x3x4x1x2x3x4
СКНФ:
f=x1x1x2x1x3x1x4x2x1x2x2x3x2x4x3x1x3x2x3x4x4x1x4x2x4x3x4
Карта Карно:
| 1 | 1 | ||
| 1 | |||
Мал.1
Мал.2
3.5 Записати отримане рівняння:
_ _
y=x1x3x4x1x2x3x4
4.Мінімізація логічних функцій в різних базисах
Мінімізація – називається пошук коротких форм представлення, перемикаючих функцій для скорочення числа фізичних елементів призначених для реалізації цих функцій.
Мінімізація досягається за допомогою законів булевої алгебри.
Існує декілька законів:
-
Аналітичний.
-
Графічний.
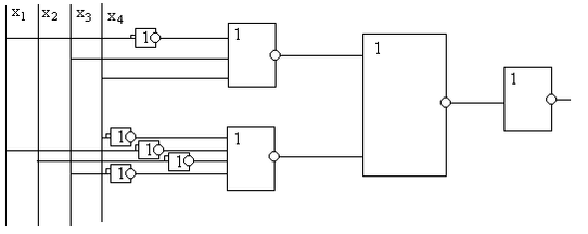
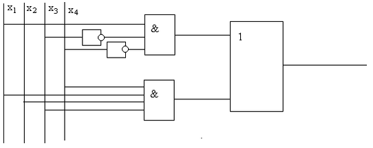
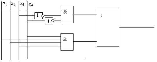
3.6 Синтезувати мінімізовану функцію в базисах И-НЕ, И-ИЛИ-НЕ, ИЛИ-НЕ.
И-ИЛИ-НЕ
Мал.3 Базис И-ИЛИ-НЕ
И-НЕ
Мал.4 Базис И-НЕ
_ _
y=x1x3x4x1x2x3x4
ИЛИ-НЕ
_ _
y=x1x3x4x1x2x3x4
Мал.5 Базис ИЛИ-НЕ
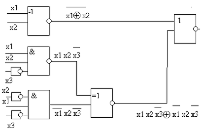
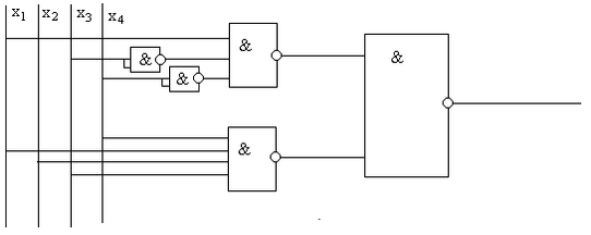
5.Аналіз заданої схеми
-
Проаналізувати задану схему:
-
намалювати задану схему:
-
Мал 6. Задана схема.
-
скласти аналітичний вираз функції заданої схеми:
_ _ _
y
=(x1x2)((x1x2x3)(x1x2x3))
Висновок
При виконанні цієї курсової роботи я закріпив той матеріал, який ми проходили по курсу “Прикладна теорія цифрової автоматизації”. Також зрозумів практичне примінення синтезу логічних функцій та аналізу комбінаційних схем.
Література:
1. Я.С.Ицхоки, Н.И.Овчинников “Импульсные и цифровые устройства” Москва “Советское радио” 1973.
2. Б.А.Трахтенброт “Алгоритмы и вычислительные автоматы” Москва “Советское радио” 1974
3. О.В.Кущенко “Конспект лекцій з предмету: “Прикладна теорія цифрових автоматів”” Суми СТХП 2000
Характеристики
Тип файла документ
Документы такого типа открываются такими программами, как Microsoft Office Word на компьютерах Windows, Apple Pages на компьютерах Mac, Open Office - бесплатная альтернатива на различных платформах, в том числе Linux. Наиболее простым и современным решением будут Google документы, так как открываются онлайн без скачивания прямо в браузере на любой платформе. Существуют российские качественные аналоги, например от Яндекса.
Будьте внимательны на мобильных устройствах, так как там используются упрощённый функционал даже в официальном приложении от Microsoft, поэтому для просмотра скачивайте PDF-версию. А если нужно редактировать файл, то используйте оригинальный файл.
Файлы такого типа обычно разбиты на страницы, а текст может быть форматированным (жирный, курсив, выбор шрифта, таблицы и т.п.), а также в него можно добавлять изображения. Формат идеально подходит для рефератов, докладов и РПЗ курсовых проектов, которые необходимо распечатать. Кстати перед печатью также сохраняйте файл в PDF, так как принтер может начудить со шрифтами.
















