referat (722411), страница 3
Текст из файла (страница 3)
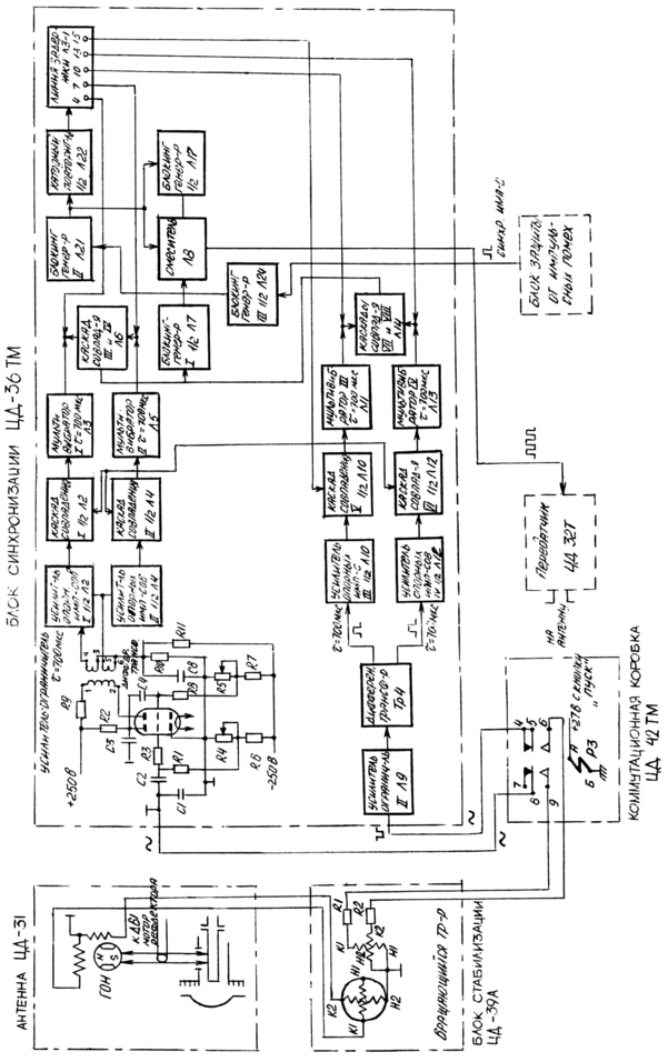
Со статора ВТ стабилизированные по фазе опорные синусоидальные напряжения поступают в блок синхронизации на электронную схему формирования кодовых импульсов для запуска передатчика.
В электронной схеме блока синхронизации синусоидальные напряжения поступают на управляющие сетки усилителей ограничителей 36Л1 и 36Л9. В аноде вторых каскадов усилителей включены дифференцирующие трансформаторы 36Тр2 и 36 Тр4.
С их вторичных обмоток снимаются опорные импульсы положительной полярности длительностью около 600 мксек, соответствующие фазам 0, 90, 180 и 270 градусов опорного напряжения ГОНа и поступают на управляющие сетки усилителей опорных напряжений 36Л2, 36Л4,36Л10, 36Л12 (левые половины).
Усиленные опорные напряжения отрицательной полярности подаются на катоды каскадов совпадения 36П2, 36П4, 36П10, 36Ш2 (правые половины), открывая их. На управляющие сетки ламп каскадов совпадения подаются импульсы частоты повторения. Первый из прошедших через каскады совпадения импульс производит запуск мультивибраторов 36ЛЗ, 36П5, 36Л11, 36Л13. Импульсы положительной, полярности и длительностью 700 мксек с анодов мультивибраторов подаются на управляющие сетки вторых каскадов совпадения 36Л6, 36Л14 (обе сетки), на эти же лампы с линии задержки 36ЛЗ-1 подаются импульсы, задержанные относительно импульсов частоты повторения на 2,3,4 и 5мксек. При совпадении импульсов, поступающих с линии задержки с импульсами мультивибраторов, происходит запуск блокинг-генератора 36Л7 (левая половина). С третьей обмотки импульсного Трансформатора импульсы положительной полярности поступают на управляющую сетку смесителя, на другую управляющую сетку поступают не задержанные импульсы частоты повторения.
С выхода смесителя импульсы поступают на запуск передатчика. Задержке импульсов соответствует следующим фазам сканирования облучателя:
-
2 мксек для фазы 0°
-
5 мксек для фазы 90°
-
3 мксек для фазы 180°
-
4 мксек для фазы 270°
Отчет угла ведется по часовой стрелке при наблюдении в направлении полета.















