referat (722411), страница 2
Текст из файла (страница 2)
Автоселектор предназначен:
-
для автоматического поиска цели по дальности с последующим автоматическим сопровождением одной захваченной автоселектором цели.
-
для индикации момента захвата цели и перехода РЛС в режим автосопровождения.
-
для отпирания приемника радиолокационное станции на время воздействия на него отражённого от сопровождаемой цели сигнала, т.е. для стробирования приемника.
Автоселектор состоит из:
-
временного различителя,
-
фантастрона,
-
генератора медленной пилы,
-
схемы сравнения,
-
генератора строба
-
схемы захвата.
Работа автоселектора ничем не отличается от работы типовых схем автоселектора.
Видеоимпульсы цели на автоселектор поступают с приемного блока.
Выходной импульс производит стробирование приемного блока.
Соединительная коробка служит для соединения всех блоков станции между собой и для осуществления многочисленных переключений, которые необходимы в процессе работы станции.
Блок питания является стабилизированным источником питания на борту самолета, работает от преобразователя ПО-1500/115В 400Гц /.
После краткого ознакомления с основными блоками станции, которые ничем не отличаются от таких же блоков в других РЛС, целесообразно ознакомиться с особенностями ЦД-30.
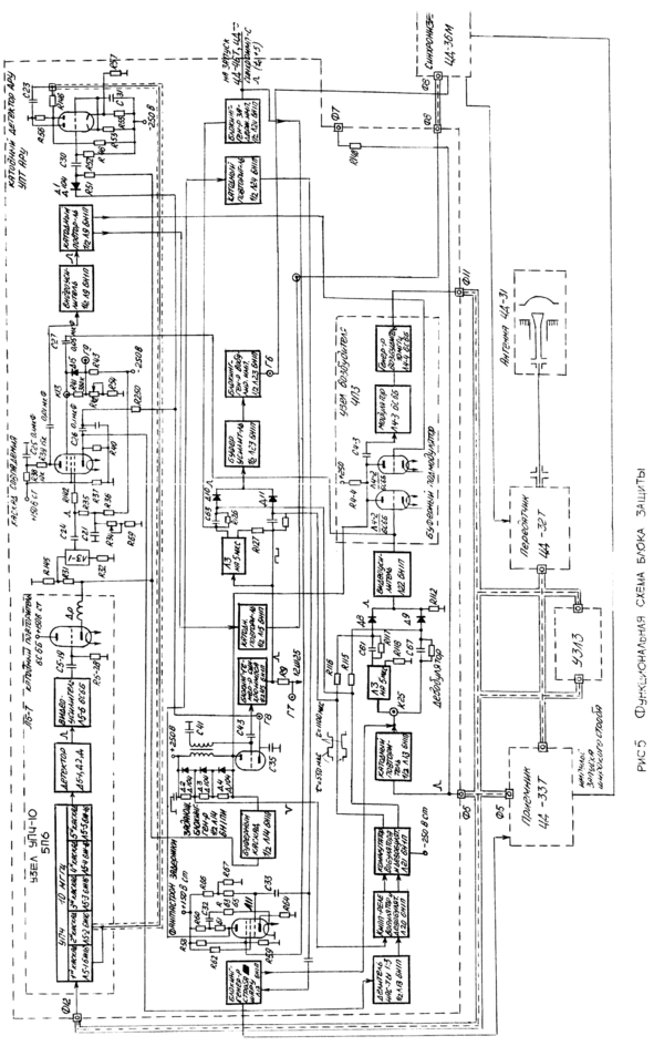
5. УСТРОЙСТВО ЗАЩИТЫ СТАНЦИИ ОТ ИМПУЛЬСНЫХ ПОМЕХ
Это устройство обеспечивает:
-
Синхронизацию работы всей станции.
-
Работоспособность станции в условиях наличия:
-
несинхронных импульсных помех,
-
синхронных импульсных помех, отраженных от дальних местных предметов и приходящих на второй и третий период работы станции.
-
В устройство защиты от помех станции входят следующие блоки:
-
Блок защиты от несинхронных импульсных помех (блок 25)., обеспечивающий защиту от помех и синхронизацию работы станции.
-
Синхронизатор (блок 36), выдающий импульсы запуска на передатчик и приемник.
-
Приемник (блoк 38), подвергающийся защите от синхронных импульсных помех от дальних целей.
-
Соединительная коробка (блок 42), обеспечивающий коммутацию цепей блока защиты.
Функциональная схема устройства приведена на рис. 5.
Синхронизация работы станции обеспечиваются строгой последовательностью запускающих импульсов, частота следования которых определяется ультразвуковой линией задержки (УЗЛЗ). Величина задержки УЗЛЗ равна Т мксек.
С самовозбуждающегося блокинг-генератора 25Л14, (имеющего собственную частоту повторения около 1500 Гц), отрицательный импульс длительностью 10-20 мксек поступает на сетку модулятора 25Л4-3, управляющего возбудителем 25Л4-4. Импульс возбудителя частотой 10 МГц возбуждает в УЗЛЗ кварц, построенный на 10 МГц. Кварц преобразует электрические колебания в механические, которые задерживаются в линии задержки.
На выходе УЗЛЗ имеется также настроенные на частоту 10 МГц второй кварц, преобразующим механические колебания в электрические. Слабые электрические колебания со второго кварца УЗЛЗ поступают в УПЧ-10, где усиливаются лампами 25Л5-1 - 25Л5-5 и детектируются Д5-1.
Продетектированный видеоимпульс усиливаются видеоусилителем 25 Л5-6 и через катодный повторитель 25л5-7 поступает на пускающую лампу самовозбуждающегося блокинг-генератора 25Л14, синхронизируя последний. Таким образом, задающий блокинг-генератор 25Л14 будет самосинхронизироваться с задержкой, определяемой УЗЛЗ.
Такой способ работы задающего блокинг-генератора приводит к высокой стабильности периода повторения (Т) синхроимпульсов.
Защита станции от несинхронных импульсных помех обеспечивается специальной схемой защиты, в состав которой входят:
-
Схема совпадения 25Л8, обеспечивающая пропускание видеоимпульсов только в случае совпадения задержанного на период повторения и не задержанного видеоимпульсов цели.
-
Схема задержки, обеспечивающая задержку видеоимпульса на период повторения импульсов.
-
Схема интегрирования, обеспечивающая увеличение амплитуды видеосигнала.
Принцип работы схемы защиты осуществляется за счет совпадения задержанного на период повторения и не задержанного импульсов цели и поясняется временной диаграммой приведенной на рис. 6.
Видеоимпульс цели с выхода приемника через катодный повторитель 1/2 25Л13 поступает на вход девобулятора, с выхода которого поступает на сетку усилителя 25Л22. Усиленные видеоимпульсы поступают на пентодную сетку каскада совпадения 25Л8 и на усилитель узла 4ПЗ 25Л4-2.
Далее импульс цели, так же как и ранее описанный импульс синхронизации, проходит модулятор, возбудитель, УЗЛ и УПЧ-10.
Продетектированный и усиленный в видеоусилителе 25Л5-6 импульс цели через катодный повторитель 25 Л5-7 и корректирующую линию задержки на 0,1 мксек (25-ЛЗ-1) поступают на управляющую сетку каскада совпадения 25Л8. Одновременно с задержанным УЗЛ8 импульсом цели на каскад совпадения подается следующий видеоимпульс цели на пентодную сетку.
В результате совпадения во времени видеоимпульсов цели по двум сеткам на выходе схемы совпадения появляется импульс цели, который усиливается 1/2 25Л9 и через катодные повторители 1/2 25 Л9 и 1/2 25Л15 подается на вход блока защиты. Усиленный импульс совпадения с 25Л9 подается также на усилитель узла 4НЗ Л4-1, где складываясь с импульсом видео-усилителя Л4-2 не задержанного тракта, воздействуют на модулятор и возбудитель.
В результате такого сложения на выходе схемы совпадения имеет место возрастание амплитуды сигнала от импульса к импульсу - эффект интегрирования.
Несинхронные импульсы помехи, период повторения которых отличается от частоты повторения станции, но совпадают во времени на сетках каскада совпадения и не проходят через схему каскада совпадения.
Вероятность совпадения шумовых импульсов уменьшается за счет хаотичности следования их и наличия отсечки на управляющей сетке лампы каскада совпадения 25Л8.
За счет отсечки на управляющей сетке лампы совпадения, интегрирование сигнала начинается с некоторого порога, и на выходе схемы совпадения наблюдается значительном увеличение соотношения сигнал/шум.
Благодаря наличию обратной связи в схеме защиты/интегрирование/, осуществляется компенсация проигрыша в чувствительности на каскаде совпадения за счет отсечки.
Защита радиолокационного тракта от синхронных импульсных помех, приходящих от собственных зондирующих импульсов и попадающих на второй и третий период работы станции обеспечивается за счет вобуляции (модуляции во времени) посылок зондирующих импульсов.
Для обеспечения правильной работы блока защиты на первом периоде работы станции применена девобуляция отраженных вобулированных импульсов от цели.
Задним фронтом задающего блокинг- генератора 25Л14 запускается блокинг-генератор 1/2 25Л15, импульс с которого непосредственно, или задержанный на 5 мксек линией задержки вобулятора поступает на запуск следующего блокинг-генератора 25Л23. Импульс с катодной нагрузки блокинг-генератора 25Л23 выдается на запуск синхронизатора, с которого запускается передатчик.
Видеоимпульс цели, поступающей с выхода приемника ЦД-33 на блок защиты ЦД-25Т через катодный повторитель 1/2 П3 непосредственно, либо задержанный на 5 мксек линией задержки де-вобулятора, поступает на усилитель 25Л22, с которой подается на каскад совпадения и через усилитель 25Л4-2 узла 4П3 на модулятор.
Коммутация вобулятора и девобулятора осуществляется специальным коммутационным импульсом со схемы коммутатора. Причем вобуляция и девобуляция сфазированы таким образом, что когда импульс запуска передатчика на первом такте не задержвается, то импульс цели первого такта проходит на каскад совпадения с задержкой и наоборот, на 2-м и 3-м такте импульс запуска передатчика задерживается, а через девобулятор импульс цели проходит незадержанным.
Коммутацию задержки видеоимпульса цели и импульса запуска осуществляет триггерная схема 25Л20, запуск которой по одной сетке осуществляется с периодом Т импульсами задающего блокинг-генератора, а по другой сетке импульсами блокинг-генератора делится частоты "1:3" (I/2 25Л13) с периодом 3Т.
При такой коммутации запускающего импульса и видеоимпульсы цели получим одновременное поступление на каскад совпадения импульса цели с видеоусилителя 25П22 и импульса цели пришедшего через УЗЛЗ. Такое совпадений будет существовать при приходе отраженных импульсов цели на первом периоде работы станции. При приходе отраженных импульсов цели на второй и третий периоды работы станции от зондирующих импульсов первого периода одновременного поступления на каскад совпадения 25Л8 импульсов задержанных УЗПЗ и незадержанных существовать не будет. Такие отраженные импульсы через каскад совпадения не пройдут и, таким образом не попадут на индикаторное устройство.
Для исключения работы ШАРУ приемника ЦД-33 по собственным отраженным импульсам от дальних целей запуск его производится вобулированным импульсом, снимаемым с блокинг-генератора 25Л12. Блокинг-генератор запускается от фантастрона 25Л11. Длительность импульса фантастрона модулируются напряжением частоты 380-900 Гц.
6. УСТРОЙСТВО ФОРМИРОВАНИЯ И СТАБИЛИЗАЦИИ КОДОВЫХ СИГНАЛОВ ДЛЯ СНАРЯДА
Для обеспечения управления снарядом при автоматическом слежении за целью устройство формирования и стабилизации кодовых сигналов создает опорные сигналы в виде парных высокочастотных импульсов, генерируемых передатчиком в момент прохождения сканирующим лучом антенны положении верх-право-низ-лево относительно осей самолета.
Прежде чем перейти к разбору функциональной схемы устройства формирования и стабилизации кодовых сигналов целесообразно разобраться в принципе управления полетом ракеты РC-2-У, которой вооружен истребитель-перехватчик. Принцип управления полетом ракеты РС-2-У иллюстрируется рис. 7 и состоит в следующем.
Станция ЦД-ЗОТ, находящаяся на борту самолёта, создает в пространстве равносигнальную линию, по которой ракета направляется к цели. При отклонении ракеты от равносигнальной линии бортовая радиоаппаратура управления ракетой РC-2-У вырабатывает управляющие токи. Величина управляющих токов пропорциональна глубине модуляции принятого радиосигнала и определяет величину отклонения рулей рулевыми машинами аппаратуры управления и стабилизации.
Распределение управляющих токов по каналам управления и полярность тока в каждом канале зависит от направления, в котором ракета отклонялась от равносигнальной линии. Данные позволяющие судить о направлении ухода ракеты от равносигнальной линии, содержатся в структуре самого радиосигнала и раскрываются бортовой радиоаппаратурой путем его расшифровки.
Радиосигнал станции ЦД-ЗОТ состоит из последовательности излучаемых радиоимпульсов. Среди основного ряда одиночных импульсов сканирующая система станции за один оборот излучают четыре парных импульса, так называемые кодовые пары - по одной через каждую четверть оборота антенны. На рис. 7 цифрами 1,2,3,4 отмечено положению луча в момент излучения соответственно 1-ой, 2-ой, 3-ей и 4-ой кодовых пар. Кодовые пары отличаются друг от друга интервалом времени между импульсами в паре. Моменты излучения кодовых пар соответствуют строго определённому положению в пространстве луча станции. На их базе бортовая радиоаппаратура формирует опорные напряжения, необходимые для выработки управляющих сигналов по азимуту и углу места.
Структура радиолуча станции ЦД-30Т изображена на рис. 8.
Левая по полету полуплоскость, в которой лежит ось сканирующего луча в момент излучения 1-й кодовой пары принята за начальную. От нее отсчитывается фазовый угол φ огибающей модуляции радиосигнала, приходящего на антенну ракеты. Величина φ отсчитывается по часовой стрелке при виде по полету - в направлении вращения луча. На рис. 8 приведен график принимаемого ракетой радиосигнала. Как видно из графика, 1-я кодовая пара - в соответствии с изображённым на рисунке положением ракеты - сдвинута на угол φ от максимума огибающей модуляции принимаемого радиосигнала.
В устройство формирования и стабилизации кодовых сигналов входят следующие блоки участвующие в работе:
-
блок защиты от импульсных помех, выдающий импульсы запуска;
-
синхронизатор, выдающий кодированные импульсы синхронизации;
-
передатчик, выдающий кодированные высокочастотные импульсы;
-
система, излучающая высокочастотные импульсы передатчика и дающая опорные напряжения для формирования кодовых сигналов;
-
блок стабилизации, обеспечивающий стабилизацию опорных напряжений антенны;
-
соединительная коробка, обеспечивающая коммутацию при работе блоков.
На рис. 9 представлена функциональная схема устройства формирования и стабилизация кодовых сигналов.
Привязка кодов сигналов к соответствующему пространственному положению сканирующего луча антенны обеспечивается с помощью опорных напряжений, выдаваемых генератором опорных напряжений. ГОН установлен на антенне и жестко связан через шестеренчатую передачу 1:1 с облучателем антенны. Генератор опорных напряжений выдает два синусоидальных напряжения, сдвинутых между собой на 90°. Эти напряжения поступают на ротор вращающегося трансформатора (ВТ) блока стабилизации опорных напряжений.
Ротop ВТ укреплен на оси наружной рамки гироскопа, статор в корпусе блока стабилизации, жестко связанном с осями самолета. На рис. 9. изображена кинематическая схема стабилизации опорных напряжений, а эпюры напряжений канала формирования кодовых импульсов изображены на рис. 10.
В момент пуска ракеты напряжение + 27в подается на электромагнит, который отводит рычаг, освобождая конус, толкатели и вызывая тем самым, разарретирование наружной и внутренней рамки гироскопа. Таким образом, жестко связанный с осями самолета статор ВТ будет вращаться относительно разарретированного ротора при кренах самолета, сохраняя в самолетных координатах относительно момента пуске фазу опорного синусоидального напряжения, поступающего с ГОНа антенны.















