Remont (722388), страница 4
Текст из файла (страница 4)
Способы поиска неисправностей.
Внешний осмотр позволяет выявить большинство механических неисправностей, а также и некоторые электрические.
Внешним осмотром можно проверить качество сборки и монтажа. При проверке качества сборки вручную проверяют механическое крепление отдельных узлов.
Внешним осмотром проверяют также качество электрического монтажа: выявляют целостность соединительных проводников, отсутствие затеков припоя, которые могут привести к коротким замыканиям между отдельными участками схемы, обнаруживают провода с нарушенной изоляцией, проверяют качество пайки, а также наличие всех элементов согласно схеме. Внешним осмотром контролируют соответствие номиналов компонентов, выявляют дефекты отдельных элементов (обрыв выводов, обугливание поверхности резисторов, механические повреждения керамических конденсаторов и др.).
Внешний осмотр производят, как правило, при отключенном питании. При этом необходимо следить, чтобы в монтаж не попали случайные предметы, которые при включении аппарата могут вызвать короткое замыкание.
Внешним осмотром можно выявить неисправность переменных резисторов (по плавности хода оси), подстроечных конденсаторов и т.д. Во включенном состоянии можно определить перегрев трансформаторов, электролитических конденсаторов, корпусов транзисторов и ИС. О наличии неисправностей в схеме аппарата могут свидетельствовать запахи от перегрева компонентов, изменение тона звуковых колебаний, вызываемых работой трансформаторов и других узлов схемы, которые вообще не слышны во время работы или имеют характерный тон звучания (например, слабый гул с частотой сети 50 Гц у силовых трансформаторов).
Иногда во время внешнего осмотра возникают сомнения в исправности компонентов. В таком случае необходимо выпаять элемент и проверить его исправность более тщательно.
Способ промежуточных измерений заключается в последовательной проверке прохождения сигнала от блока к блоку (от каскада к каскаду) до обнаружения неисправного участка. Данный способ применяется, например, в усилителе, состоящим из нескольких каскадов, когда на выходе усилителя вследствие неисправности в каком-то каскаде отсутствует сигнал. Для выявления этого каскада на вход усилителя от генератора подают проверочный сигнал и осциллографом просматривают осциллограммы на выходах отдельных каскадов. На выходе неисправного сигнал отсутствует.
Способ исключения состоит в последовательном исключении исправных каскадов, узлов и блоков в ходе отыскания неисправностей. Так, если в радиоприемнике отсутствует звуковой сигнал на выходе, то неисправность может быть как в высокочастотной, так и низкочастотной частях. Если подать на вход усилителя звуковой частоты проверочный сигнал и при этом на выходе будет слышен сигнал, то усилитель исправен, его можно исключить из дальнейшего поиска неисправности и перейти к проверке высокочастотной части приемника.
Способ замены отдельных неисправных элементов, узлов или блоков на исправные широко используют при проверке и ремонте. Например, заменив блок, модуль на заведомо исправный, можно убедиться в неисправности замененного.
Способ сравнения заключается в сравнении параметров неисправного аппарата с параметрами исправного того же типа или марки.
Поиск неисправности осуществляют по определенному правилу (алгоритму), позволяющему максимально сократить время поиска.
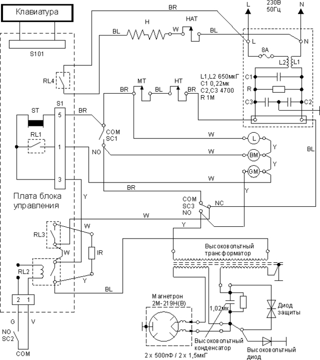
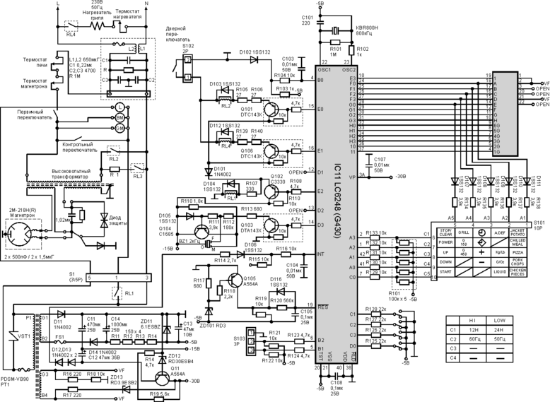
Пример принципиальной электрической схемы СВЧ печи
Рис.13
Рис.14
Рис.15
Рекомендации по ремонту
Чаще всего выходит из строя высоковольтный диод, реже выходит из строя магнетрон. Не на последнем месте слюдяная прокладка. При ремонте проверьте наличие напряжения питания магнетрона -2500 -3500V. На магнетрон приходят 2 силовых провода для подачи напряжения на (катод) и накала.
Простой метод проверки трансформатора или магнетрона. Необходимо снять клемму с магнетрона, отвести её в сторону чтобы не пробило высокое напряжение, затем включить печь в рабочий режим на несколько секунд, выключить её и сразу же одеть клемму обратно на магнетрон. Если проскочит небольшая искра, то трансформатор и высоковольтные элементы как правило исправны. В случае если печь не греет при исправном трансформаторе и проверенном предохранителе неисправен скорее всего магнетрон.
Замечательным инструментом при ремонте СВЧ печи, в частности при диагностике магнетронов являются токовые клещи. Например ECT-650 "Escort". Позволяют измерить ток накала магнетрона, ток потребляемый свч печью, ток высоковольтной обмотки трансформатора. Ток накала =9,5...10А, ток потребляемый печью 4,5.....6А, ток высоковольтной обмотки 0,3...0,5А. Большие отклонения от указанных значений (особенно в сторону увеличения отдельных параметров) говоря о вероятной неисправности магнетрона. Вместе с тем занижение всех параметров может объяснятся плохими контактами начиная от розетки и заканчивая коммутационными элементами (реле, микровыключатели, контакты). При помощи клампметра выявляется ненадежный контакт в цепи накала магнетрона, хотя все звонится нормально при помощи мультиметра. При больших токах плохой контакт проявляет себя. Предлагаемый инструмент позволяет измерять ток быстро и главное безопасно.
На рис. 16 изображена простейшая схема детектора СВЧ излучения.
Рис.16
Список использованной литературы
1.Ю.В. Новиков «Основы цифровой схемотехники» Москва «МИР» 2001
2.В.Г. Прокофьев, Г.Н. Пахарьков «Зарубежная бытовая радиоэлектронная аппаратура» Москва «Радио и связь» 1988
3.В.Н. Павлов, В.Н. Ногин «Схемотехника аналоговых электронных устройств» Москва «Горячая линия – Телеком» 2001
4.М.А. Бродский «Телевизоры цветного изображения» Минск «Вышэйшая школа» 1988
5.В.В. Полибин «Ремонт и обслуживание радиотелевизионной аппаратуры» Москва «Высшая школа» 1991
6.И.И. Нестеренко «Цветовая и кодовая маркировка радиоэлектронных компонентов» Москва «Солон» 1997
7.В.Д. Аракин, З.С. Выгодская, Н.Н. Ильина «Англо – русский словарь» 1991
8.Ресурсы сети Internet.
27
















