VDV-0762 (722245)
Текст из файла
Ñîäåðæàíèå
1. Òåõíè÷åñêîå çàäàíèå.
1.1. Íàèìåíîâàíèå è îáëàñòü ïðèìåíåíèÿ.
1.2. Îñíîâàíèå äëÿ ðàçðàáîòêè.
1.3. Òåõíè÷åñêèå òðåáîâàíèÿ.
2. Äîêóìåíòû ýñêèçíîãî ïðîåêòà.
2.1. Ââåäåíèå.
2.2. Íàçíà÷åíèå è îáëàñòü ïðèìåíåíèÿ.
2.3. Îáîñíîâàíèå ñòðóêòóðíîé ñõåìû.
3. Äîêóìåíòû òåõíè÷åñêîãî ïðîåêòà.
3.1. Îáîñíîâàíèå ñõåìîòåõíè÷åñêèõ ðåøåíèé.
3.2. Ðàñ÷åòû, ïîäòâåðæäàþùèå ðàáîòîñïîñîáíîñòü èçäåëèÿ.
3.3. Ïîðÿäîê íàñòðîéêè èçäåëèÿ.
4. Ñïèñîê ëèòåðàòóðû.
1
. Òåõíè÷åñêîå çàäàíèå
1.1. Íàèìåíîâàíèå è îáëàñòü ïðèìåíåíèÿ èçäåëèÿ.
Ðàçðàáàòûâàåìûé ãðàôè÷åñêèé ýêâàëàéçåð ïðåäíàçíà÷åí äëÿ ñîãëàñîâàíèÿ ýëåêòðîàêóñòè÷åñêèõ ïàðàìåòðîâ áûòîâîãî àóäèîêîìïëåêñà, â ÷àñòíîñòè, àêóñòè÷åñêîé ñèñòåìû è àêóñòè÷åñêîãî îôîðìëåíèÿ ïîìåùåíèÿ ìåòîäîì ðåãóëèðîâêè ôîðìû àìïëèòóäíî-÷àñòîòíîé õàðàêòåðèñòèêè êîýôôèöèåíòà ïåðåäà÷è â ðàáî÷åì äèàïàçîíå ÷àñòîò.
1.2. Îñíîâàíèå äëÿ ðàçðàáîòêè.
Îñíîâàíèåì äëÿ ðàçðàáîòêè ÿâëÿåòñÿ çàäàíèå, âûäàííîå êàôåäðîé ðàäèîïðèåìà è îáðàáîòêè ðàäèîòåõíè÷åñêîé èíôîðìàöèè.
1.3. Òåõíè÷åñêèå òðåáîâàíèÿ.
| ¹ ï/ï | Ïàðàìåòð èëè õàðàêòåðèñòèêà | Åä. | Íîðìà | Èñòî÷íèê |
| 1 | Íîìèíàëüíûé äèàïàçîí ÷àñòîò ïðè ñïàäå À×Õ íà êðàÿõ äèàïàçîíà 3 äÁ | Ãö | 10...30000 | ÃÎÑÒ 24838-87 |
| 2 | Êîýôôèöèåíò ãàðìîíèê ïðè âõîäíîì íàïðÿæåíèè 1 íà ÷àñòîòàõ 100, 1000 è 10000 Ãö, íå áîëåå | % | 0.05 | ÃÎÑÒ 24838-87 |
| 3 | Íîìèíàëüíîå âõîäíîå íàïðÿæåíèå | Â | 1 | Ðåêîìåíä. |
| 4 | Ìàêñèìàëüíîå âõîäíîå íàïðÿæåíèå | Â | 4 | - |
| 5 | Äèàïàçîí ðåãóëèðîâàíèÿ òåìáðà âî âñåõ ÷àñòîòíûõ ïîëîñàõ | äÁ | ±16 | - |
| 6 | Îòíîøåíèå ñèãíàë/øóì ïðè âõîäíîì íàïðÿæåíèè 1  | äÁ | 80 | ÃÎÑÒ 24863-87 |
| 7 | Êðàòíîñòü ðåãóëèðîâêè ðåçîíàíñíûõ ÷àñòîò è äîáðîòíîñòåé | ðàç | 2 | Ðåêîìåíä. |
| 8 | Ìàêñèìàëüíàÿ ïîãðåøíîñòü óñòàíîâêè ðåçîíàíñíûõ ÷àñòîò è äîáðîòíîñòåé | % | 5 | - |
| 9 | Ñðåäíåå âðåìÿ íàðàáîòêè íà îòêàç | ÷àñ | 11000 | ÃÎÑÒ 15150-69 |
2. Äîêó
ìåíòû ýñêèçíîãî ïðîåêòà
2.1. Ââåäåíèå.
 ñîâðåìåííûõ óñèëèòåëÿõ, òþíåðàõ è ìàãíèòîôîíàõ èìåþòñÿ ðåãóëÿòîðû òåìáðà, êîòîðûìè îáû÷íî â çíà÷èòåëüíîé ñòåïåíè ðåãóëèðóåòñÿ îñíîâíàÿ ÷àñòü ñïåêòðà çâóêîâûõ ÷àñòîò. Ýòè ðåãóëÿòîðû ïðèãîäíû äëÿ íåáîëüøèõ èçìåíåíèé òîíàëüíûõ çíà÷åíèé çâóêîâûõ ïðîãðàìì, íî îíè ìàëîýôôåêòèâíû äëÿ èñïðàâëåíèÿ íåäîñòàòêîâ ãðîìêîãîâîðèòåëåé è ïîìåùåíèé äëÿ ïðîñëóøèâàíèÿ. Ïîñêîëüêó àìïëèòóäíî-÷àñòîòíàÿ õàðàêòåðèñòèêà îáû÷íîãî ãðîìêîãîâîðèòåëÿ èìååò çíà÷èòåëüíóþ íåðàâíîìåðíîñòü â ðàçëè÷íûõ òî÷êàõ çâóêîâîãî äèàïàçîíà, ýêâàëàéçåð, â ñèëó ñâîèõ îñîáûõ ÷àñòîòíûõ õàðàêòåðèñòèê, â áîëüøåé ñòåïåíè ñïîñîáåí âíåñòè íåîáõîäèìóþ êîððåêöèþ, ÷åì îáû÷íûå ðåãóëÿòîðû òåìáðà.
Ýêâàëàéçåð ïîçâîëÿåò â çíà÷èòåëüíîé ñòåïåíè ñêîìïåíñèðîâàòü íåðàâíîìåðíîñòü àìïëèòóäíî-÷àñòîòíûõ ÷àðàêòåðèñòèê àêóñòè÷åñêèõ ñèñòåì, íåñîâåðøåíñòâî àêóñòè÷åñêèõ ñâîéñòâ ïîìåùåíèé, âîçðàñòíûå èçìåíåíèÿ ñëóõà, îñóùåñòâëÿòü êîððåêöèþ ìàãíèòîôîííûõ çàïèñåé äëÿ óëó÷øåíèÿ èõ êà÷åñòâà. Ýêâàëàéçåð ïîâûøàåò êà÷åñòâî âîñïðèÿòèÿ çâóêîâîé ïðîãðàììû, ïîýòîìó îí ÿâëÿåòñÿ íåîòúåìëåìûì çâåíîì ñîâðåìåííûõ ñèñòåì âûñîêîêà÷åñòâåííîãî çâóêîâîñïðîèçâåäåíèÿ.
2.2. Íàçíà÷åíèå è îáëàñòü ïðèìåíåíèÿ.
Ýêâàëàéçåð ãðàôè÷åñêèé äåñÿòèïîëîñíûé ïðåäíàçíà÷åí äëÿ èñïîëüçîâàíèÿ â ñîñòàâå áûòîâîãî çâóêîâîñïðîèçâîäÿùåãî êîìïëåêñà àïïàðàòóðû âûñøåé è ïåðâîé ãðóïï ñëîæíîñòè.
2
.3. Îáîñíîâàíèå ñòðóêòóðíîé ñõåìû.
Ñóùåñòâóþò äâà îñíîâíûõ òèïà ýêâàëàéçåðîâ: ïàðàìåòðè÷åñêèå è ãðàôè÷åñêèå.  êà÷åñòâå áàçîâîé â ðàçðàáàòûâàåìîì ïðîåêòå âûáðàíà ñõåìà ãðàôè÷åñêîãî ýêâàëàéçåðà, ïîñêîëüêó íåñìîòðÿ íà òî, ÷òî ïðè ðàâíûõ ìàòåðèàëüíûõ çàòðàòàõ íà èçãîòîâëåíèå ïàðàìåòðè÷åñêèé ýêâàëàéçåð îáåñïå÷èâàåò ëó÷øèå âîçìîæíîñòè ðåãóëèðîâêè, ÷åì ãðàôè÷åñêèå, ýêñïëóàòàöèÿ ïàðàìåòðè÷åñêîãî ýêâàëàéçåðà òðåáóåò âûñîêîé êâàëèôèêàöèè ïîëüçîâàòåëÿ.
Ãðàôè÷åñêèå ýêâàëàéçåðû äåëÿòñÿ íà äâà îñíîâíûõ òèïà ïî ñïîñîáó êîððåêöèè ñèãíàëà:
- óñòðîéñòâà ñ ôèëüòðàìè â öåïè ïðÿìîãî ñèãíàëà;
- óñòðîéñòâà ñ ôèëüòðàìè â öåïè îáðàòíîé ñâÿçè.
 êà÷åñòâå áàçîâîé âûáðàíà ñõåìà ñ ôèëüòðàìè â öåïè îáðàòíîé ñâÿçè, òàê êàê äëÿ óñòðîéñòâà ñ ôèëüòðàìè â öåïè ïðÿìîãî ñèãíàëà ðåðóëèðîâêà â îäíîì êàíàëå âûçûâàåò èçìåíåíèå ïàðàìåòðîâ äëÿ äðóãîãî êàíàëà, ÷òî óõóäøàåò òåõíè÷åñêèå è ýêñïëóàòàöèîííûå õàðàêòåðèñòèêè.
Äëÿ íàèáîëåå ïîëíîé êîððåêöèè ÷àñòîòíûõ èñêàæåíèé, âíîñèìûõ â çâóêîâîé ñèãíàë ÀÑ è àêóñòè÷åñêèìè õàðàêòåðèñòèêàìè ïîìåùåíèé ïðîñëóøèâàíèÿ, íåîáõîäèì, êàê ìèíèìóì, äåñÿòèïîëîñíûé ýêâàëàéçåð [4].
Äëÿ óñòðàíåíèÿ âçàèìíîãî âëèÿíèÿ ðàçðàáàòûâàåìîãî óñòðîéñòâà è ïðåäûäóùèõ êîìïîíåíòîâ áûòîâîãî àóäèîêîìïëåêñà öåëåñîîáðàçíî íà âõîäå óñòàíîâèòü áóôôåðíûé êàñêàä, êîòîðûé ìîæíî ñîâìåñòèòü ñ ôèëüòðîì âåðõíèõ ÷àñòîò ñ ÷àñòîòîé ñðåçà 20 Ãö (ðîêîò-ôèëüð, êîòîðûé îñîáåííî àêòóàëåí ïðè ïðîñëóøèâàíèè ãðàìçàïèñåé).
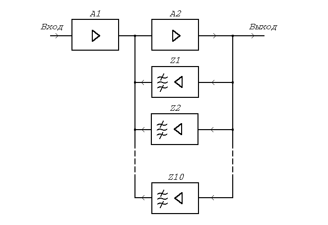
Òàêèì îáðàçîì, âûáðàíà ñòðóêòóðíàÿ ñõåìà: äåñÿòèïîëîñíàÿ ñ ôèëüòðàìè â öåïè îáðàòíîé ñâÿçè è áóôôåðíûì êàñêàäîì íà âõîäå.
3. Äîêó
ìåíòû òåõíè÷åñêîãî ïðîåêòà
3.1. Îáîñíîâàíèå ñõåìîòåõíè÷åñêèõ ðåøåíèé.
Ïîñòðîèòü äåñÿòèïîëîñíûé ýêâàëàéçåð íà áàçå îáû÷íûõ íèçêîäîáðîòíûõ ïîëîñîâûõ ôèëüòðîâ ñëîæíî. Èç-çà ðàçáðîñà íîìèíàëîâ ðåçèñòîðîâ è êîíäåíñàòîðîâ ïîëó÷èòü òî÷íîå ñîîòâåòñâèå ðåàëüíûõ è ðàñ÷åòíûõ ïàðàìåòðîâ è À×Õ òàêèõ ôèëüòðîâ î÷åíü òðóäíî. Ïðè ýòîì, ÷òîáû íàñòðîèòü äåñÿòèïîëîñíûé ýêâàëàéçåð ñ òî÷íîñòüþ ±10% ïî âñåì êàíàëàì, íåîáõîäèì íå òîëüêî ïðåäâàðèòåëüíûé ïîäáîð íîìèíàëîâ ýëåìåíòîâ äî ñáîðêè, íî è äîïîëíèòåëüíàÿ èõ êîððåêöèÿ óæå â ãîòîâîì ôèëüòðå. Íà ïðàêòèêå êàæäûé ôèëüòð ïðèõîäèòñÿ íàñòðàèâàòü â ìàêåòíîì âàðèàíòå è òîëüêî ïîñëå ýòîãî óñòàíàâëèâàòü íà þáùóþ ìîíòàæíóþ ïëàòó. Òàêàÿ íàñòðîéêà îòíèìàåò ìíîãî âðåìåíè, òðåáóåò âûñîêîé êâàëèôèêàöèè, ñïåöèàëüíûõ ïðèáîðîâ è áîëüøîãî ÷èñëà èñïîëüçóåìûõ äëÿ ïîäáîðà ýëåìåíòîâ, ÷òî â èòîãå ïðèâîäèò ê óäîðîæàíèþ óñòðîéñòâà â ïðîöåññå ïðîèçâîäñòâà.
Òàêèì îáðàçîì, ïðèìåíåíèå îáû÷íûõ íèçêîäîáðîòíûõ ôèëüòðîâ íåöåëåñîîáðàçíî.
Ðàññìàòðèâàåìîå ñõåìîòåõíè÷åñêîå ïîñòðîåíèå ôèëüòðà ïîçâîëÿåò ïîëó÷èòü îïòèìàëüíûå ïàðàìåòðû (íåîáõîäèìîå ïðîèçâåäåíèå óñèëåíèÿ íà ÷óâñòâèòåëüíîñòü, ìèíèìàëüíûé øóì è ìàêñèìàëüíûé äèíàìè÷åñêèé äèàïàçîí [3]).
 êà÷åñòâå àêòèâíûõ ýëåìåíòîâ ñõåìû ïðèìåíÿþòñÿ ìèêðîñõåìû Ê157ÓÄ2, êîòîðûå ñîäåðæàò ïî äâà ÎÓ, ÷òî óìåíüøàåò ãàáàðèòíûå ðàçìåðû èçäåëèÿ.
Íà ñõåìå ïîêàçàí òîëüêî îäèí ÷àñòîòíûé êàíàë, îñòàëüíûå åìó èäåíòè÷íû.
3
.2. Ðàñ÷åòû, ïîäòâåðæäàþùèå ðàáîòîñïîñîáíîñòü èçäåëèÿ.
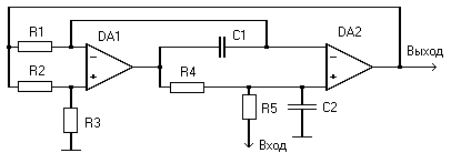
Ïðèâåäåì ïðèíöèïèàëüíóþ ñõåìó ôèëüòðà, êîòîðûé èñïîëüçóåòñÿ â öåïè îáðàòíîé ñâÿçè ýêâàëàéçåðà:
Ðèñ. 3.1 Âûñîêîäîáðîòíûé ôèëüòð. Ñõåìà ýëåêòðè÷åñêàÿ ïðèíöèïèàëüíàÿ.
Îñíîâíûå ðàñ÷åòíûå ïàðàìåòðû ôèëüòðîâ ðàçðàáàòûâàåìîãî óñòðîéñòâà [3]:
Ðàññìàòðèâàåìîå ñõåìîòåõíè÷åñêîå ïîñòðîåíèå ôèëüòðà ïîçâîëÿåò ïîëó÷èòü îïòèìàëüíûå ïàðàìåòðû (íåîáõîäèìîå ïðîèçâåäåíèå óñèëåíèÿ íà ÷óâñòâèòåëüíîñòü, ìèíèìàëüíûé øóì è ìàêñèìàëüíûé äèíàìè÷åñêèé äèàïàçîí [3]), â òîì ñëó÷àå, åñëè åìêîñòü Ñ1=Ñ2=Ñ, à ñîïðîòèâëåíèÿ ðåçèñòîðîâ ðàâíû R0=1/(2··fð·Ñ). Ðåçèñòîð R5 îáåñïå÷èâàåò òðåáóåìóþ äîáðîòíîñòü. Åãî ñîïðîòèâëåíèå îïðåäåëÿåòñÿ âûðàæåíèåì [3]:
R5=R0·Qð.
Òî÷íûé ïîäáîð R0 íå òðåáóåòñÿ, äîñòàòî÷íî âûáðàòü ðåçèñòîð ñî ñòàíäàðòíûì íîìèíàëîì Rd, áëèçêèì ê R0. Ðàçíîñòü ìåæäó ýòèìè ñîïðîòèâëåíèÿìè ìîæíî ñêîìïåíñèðîâàòü, ïîäîáðàâ íîìèíàë ðåçèñòîðà R4 ðàâíûì (R0)2/Rd.
È
ñõîäÿ èç îïèñàííûõ âûøå çàâèñèìîñòåé ìîæíî ðàñ÷èòàòü ïàðàìåòðû ôèëüòðîâ ýêâàëàéçåðà. Âûáåðåì äåñÿòü ðåçîíàíñíûõ ÷àñòîò ôèëüòðîâ ãðàôè÷åñêîãî ýêâàëàéçåðà, ïðè÷åì êàæäàÿ ïîñëåäóþùàÿ ÷àñòîòà âäâîå áîëüøå ïðåäûäóùåé: 30, 60, 120, 240, 480, 960, 1920, 3840, 7680 è 15360 Ãö.
Ðàñ÷èòàåì ôèëüòð äëÿ ðåçîíàíñíîé ÷àñòîòû 30 Ãö:
R0=1/(2··fð·Ñ).
Âûáåðåì Ñ=1 ìêÔ.
Òîãäà R0=1/(2··30·1·10-6); R0=5305.32.
Âûáèðàåì çíà÷åíèå ñîïðîòèâëåíèé ðåçèñòîðîâ, ðàâíîå 5.1 êÎì.
Àíàëîãè÷íî ðàñ÷èòûâàåì îñòàëüíûå ôèëüòðû. Ðåçóëüòàòû ðàñ÷åòîâ ïðèâåäåíû â òàáëèöå 3.1.
Òàáëèöà 3.1
| Íîìèíàëû ýëåìåíòîâ | ×àñòîòà íàñòðîéêè ôèëüòðà, Ãö | ||||||||||
| ôèëüòðà | 30 | 60 | 120 | 240 | 480 | 950 | 1920 | 3840 | 7680 | 15360 | |
| C, ìêÔ | 1 | 0.5 | 0.22 | 0.1 | 0.068 | 0.033 | 0.015 | 0.0068 | 0.0033 | 0.0015 | |
| R, Îì | 5.1 | 5.6 | 6.2 | 6.8 | 4.7 | 5.1 | 5.6 | 6.2 | 6.2 | 6.8 | |
Àíàëèç ïðèâåäåííûõ âûðàæåíèé fð, Qð è Êð ïîêàçûâàåò, ÷òî ðåçîíàíñíóþ ÷àñòîòó è äîáðîòíîñòü ìîæíî ðåãóëèðîâàòü ñîîòâåòñòâåííî ðåçèñòîðàìè R4 è R5, èñêëþ÷èâ ïîäáîð íîìèíàëîâ äðóãèõ ïàññèâíûõ ýëåìåíòîâ. Ïðåäåëû ðåãóëèðîâêè ïåðâîãî ïàðàìåòðà ±400% (äàëüíåéøåå èõ ðàñøèðåíèå ìîæåò ïîâëå÷ü çà ñîáîé ñàìîâîçáóæäåíèå ôèëüòðà íà ðåçîíàíñíîé ÷àñòîòå), âòîðîãî - 0...20 (âåðõíåå çíà÷åíèå îãðàíè÷åíî âõîäíûì ñîïðîòèâëåíèåì ÎÓ).
Характеристики
Тип файла документ
Документы такого типа открываются такими программами, как Microsoft Office Word на компьютерах Windows, Apple Pages на компьютерах Mac, Open Office - бесплатная альтернатива на различных платформах, в том числе Linux. Наиболее простым и современным решением будут Google документы, так как открываются онлайн без скачивания прямо в браузере на любой платформе. Существуют российские качественные аналоги, например от Яндекса.
Будьте внимательны на мобильных устройствах, так как там используются упрощённый функционал даже в официальном приложении от Microsoft, поэтому для просмотра скачивайте PDF-версию. А если нужно редактировать файл, то используйте оригинальный файл.
Файлы такого типа обычно разбиты на страницы, а текст может быть форматированным (жирный, курсив, выбор шрифта, таблицы и т.п.), а также в него можно добавлять изображения. Формат идеально подходит для рефератов, докладов и РПЗ курсовых проектов, которые необходимо распечатать. Кстати перед печатью также сохраняйте файл в PDF, так как принтер может начудить со шрифтами.















