135543 (722206), страница 3
Текст из файла (страница 3)
2.4 Выбор принципиальной схемы детектора
Детектором называется устройство, служащее для создания напряжения , изменяющего в соответствии с законом модуляции одного из параметров входного сигнала . В зависимости от вида сигнала поступающего на вход детектора , они разделяются на: амплитудные, частотные и фазовые детекторы – для непрерывных гармонических сигналов; детекторы видеоимпульсов – для видеоимпульсных сигналов.
Для данного приёмника выбираем схему амплитудного детектора, так как он принимает гармонические сигналы, модулированные по амплитуде, принципиальная схема которого приведена в расчёте детектора на рисунке 3.3.
СПРТ. КП 2003. 000ПЗ
Лист
21
Изм.
Лист
№ докум.
Подп.
Дата
2.5 Расчёт требуемого коэффициента усиления и числа каскадов в высокочастотной части приёмника
2.5.1 Определяем требуемый коэффициент усиления высокочастотной части радиоприёмного устройства:
, (2.14)
где Um вх.дет - требуемая амплитуда напряжения на входе детектора; для квадратичного детектора.
Um вх. дет = 0.1 ÷ 0.2 В , для линейного детектора.
Um вх. дет = 0.5 ÷ 1 В , для квадратичного детектора.
Ea min – чувствительность приёмника.
Кзап. – коэффициент запаса, берётся 1.5 ÷ 2
При выполнении высокочастотной части приёмника на интегральной микросхеме реальный коэффициент усиления подсчитывается как:
, (2.15)
где Кимс. 1 – коэффициент усиления по напряжению И.М.С. 1
Кимс. n – коэффициент усиления по напряжению И.М.С. n
Кф – коэффициент передачи Ф.С.С. приравнивается равным - 0.25
Так как реальный коэффициент усиления высокочастотной части радиоприемного устройства много меньше требуемого, то в схему необходимо ввести дополнительный блок – резисторный У.Р.Ч. (Усилитель Радиочастоты ), коэффициент усиления которого принимается равным 15, тогда:
СПРТ. КП 2003. 000ПЗ
Лист
22
Изм.
Лист
№ докум.
Подп.
Дата
СПРТ. КП 2003. 000ПЗ
Лист
Изм.
Лист
№ докум.
Подп.
Дата
2.6 Обоснование выбора автоматической регулировки усиления (А.Р.У.)
А.Р.У. предназначена для автоматического изменения коэффициента усиления приёмника в соответствии величиной сигнала на входе приёмника, обеспечивающего требуемое напряжение на выходе приёмника в допустимых пределах.
2.6.1 Определяем требуемую глубину регулировки:
(2.16)
,
где Двх.(раз) – динамический диапазон выходных сигналов в разах.
Двых.(раз) – допустимый динамический диапазон выходных сигналов в разах.
2.6.2 Определяем необходимое число регулируемых каскадов:
, (2.17)
где ГI(дБ) - реальная глубина регулировки одним каскадом приёмника, принимается равной ≈ 20дБ
Выбираем два регулировочных каскада, так как в ИМС К174ХА2 уже содержится две системы АРУ, одна относится к УПЧ, а другая к УРЧ ( смотри рисунок 2.2 ).
СПРТ. КП 2003. 000ПЗ
Лист
23
Изм.
Лист
№ докум.
Подп.
Дата
2.7 Обоснование выбора элементной базы усилителя звуковой частоты (У.ЗЧ.) и предварительный расчёт У.З.Ч
2.7.1 Обоснование выбора
Так как по заданию курсового проекта необходимо спроектировать приёмник на И.М.С. 174 серии, то из справочника выбираем И.М.С. К174УН5. Микросхема представляет собой усилитель мощности низкой частоты с номинальной выходной мощностью 2Вт при нагрузке 4 Ом. Электрические и предельные эксплуатационные параметры указаны в таблице 2.2 и 2.3 .
Таблица 2.3
| 1 | Номинальное напряжение питания | 12 В ± 10 % |
| 2 | Ток потребления при Uп = 12 В | 30 мА |
| 3 | Коэффициент усиления при Uп = 12 В, fвх = 1 кГц | 80 ... 120 |
| 4 | Нестабильность коэффициента усиления напряжения при Uп = 12 В, fвх = 1 кГц не более |
± 20 % |
| 5 | Коэффициент нелинейных искажений при | 1,0 % |
| 6 | Входное сопротивление при Uп = 12 В, fвх = 1кГц | 10 кОм |
| 7 | Номинальная мощность отдаваемая в нагрузку | 2,0 Вт |
| 8 | Диапазон рабочих частот по уровню 3 дБ | 30 ... 20 000 Гц |
Таблица 2.4
| 1 | Напряжение питания | 13,2 В |
| 2 | Максимальное напряжение синфазных сигналов | 5,5 В |
| 3 | Максимальная амплитуда выходного напряжения | 1,5 В |
| 4 | Амплитуда тока в нагрузке разового сигнала | 1,45 А |
| 5 | Максимальная длительность выходного импульса | 30 мС |
| 6 | Активное сопротивление нагрузки | 3,2 Ом |
| 7 | Температура кристалла | +125 °С |
| 8 | Тепловое сопротивление: | 20 °С/Вт |
| 9 | Температура окружающей среды | -25 ... +55 °С |
СПРТ. КП 2003. 000ПЗ
Лист
24
Изм.
Лист
№ докум.
Подп.
Дата
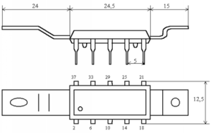
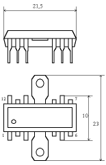
Корпуса ИМС К174УН5
1,12 - общий
2 - выход
4 - напряжение питания
5,8 - фильтр
6 - вход 2
7 - вход 1
9,11 - коррекция
Рисунок 2.4
33,37 - общий
29 - выход
25 - напряжение питания
2,810 - фильтр
12 - вход 2
Рисунок 2.5
СПРТ. КП 2003. 000ПЗ
Лист
25
Изм.
Лист
№ докум.
Подп.
Дата
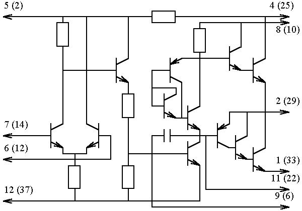
Принципиальная схема ИМС К174УН5 изображена на рисунке 2.6.
Рисунок 2.6
Типовая схема включения ИМС К174УН5 изображена на рисунке 2.7.
Рисунок 2.7
СПРТ. КП 2003. 000ПЗ
Лист
26
Изм.
Лист
№ докум.
Подп.
Дата
2.7.2 Расчёт требуемого коэффициента усиления У.З.Ч
-
Определяем амплитуду напряжения на входе У.З.Ч.
, (2.18)
где Кдет – коэффициент передачи детектора.
m - глубина модуляции, можно взять m = 0.3
Um вх. дет – требуемая амплитуда напряжения на входе детектора; для квадратичного Um вх. дет = 0.1 - 0.2В , для линейного Um вх. дет = 0.5 – 1В.
Так как у нас приёмник работает в КВ диапазоне мы выбираем линейный детектор с входным напряжением равным 0.5В .
(2.19)
-
Определяем требуемую амплитуду выходного напряжения:
, (2.20)
где Рвых. – требуемая выходная мощность приёмника.
Rн – активное сопротивление обмотки динамика.
-
Определяем требуемый коэффициент усиления по напряжению для У.З.Ч.
, (2.21)
где Кзап. – коэффициент запаса равной ≈ 1.5 – 2
2.8 Составление функциональной части приёмника
Функциональная схема приемника изображена на рисунке 2.8.
СПРТ. КП 2003. 000ПЗ
Лист
27
Изм.
Лист
№ докум.
Подп.
Дата
Рисунок 2.8
Сигнал с антенного контура поступает на УРЧ, построенный из двух частей: первая часть резисторный УРЧ на биполярном транзисторе; вторая часть УРЧ встроенный в микросхему. Затем сигнал с частотой ƒc поступает на смеситель, куда одновременно поступает сигнал с частотой гетеродина - ƒг. Контур гетеродина в данной схеме подключается как внешний элемент. На выходе смесителя формируется разностный сигнал с частотой ƒпр. ПКФ отфильтровывает комбинационные составляющие частоты выходного тока преобразователя частоты. После ПКФ сигнал с ƒпр поступает на УПЧ, где сигнал получает основное усиление до детектора. В детекторе происходит преобразование ВЧ модулированного сигнала в НЧ. Преобразованный сигнал поступает на вход усилителя звуковой частоты, выполненный на ИМС К174УН3, который обеспечивает необходимый коэффициент усиления по напряжению, и усилителя. УЗЧ усиливает преобразованный сигнал до величины необходимой для нормальной работы динамика.
СПРТ. КП 2003. 000ПЗ
Лист
28
Изм.
Лист
№ докум.
Подп.
Дата
3 ЭЛЕКТРИЧЕСКИЙ РАСЧЁТ
-
Электрический расчёт входной цепи
Рисунок 3.1 Схема входной цепи с электронной настройкой
3.1.1 Определяем полную минимальную ёмкость контура:
C / в min = Cв min + Co = 15+25 = 40 пФ (3.1)
3.1.2 Определяем индуктивность контура:
(3.2)
3.1.3. Определяем ёмкость связи контура входной цепи с антенной:
(3.3)
По ГОСТу выбираем Cсв. = 5.1 пФ
3.1.4 Определяем эквивалентную ёмкость связи:
(3.4)
СПРТ. КП 2003. 000ПЗ
Лист
31
Изм.
Лист
№ докум.
Подп.
Дата















