kursovik (722183), страница 3
Текст из файла (страница 3)
(а)
(б)
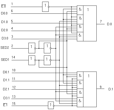
3.2.Организация работы микросхемы К555КП2.
Мультиплексор К555КП2- это два мультиплексора 14 с общим дешефратором адреса канала и входами выбора (стробирующими входами) одного из мультиплексоров Е.0 и E.1.
Инверторы на входах Е.0 и Е.1 предназначены для развязки внутренних цепей от входных шин и обеспечивают помехоустойчивость схемы по входу.
Запрещена передача информации через мультиплексор, когда он находится в невыбранном состоянии (при этом выход находится в состоянии низкого уровня). Каждый из мультиплексоров имеет по четыре информационных входа и свои стробирующие входы Е.0 и Е1. Два аресных входа SED1 и SED2 управляют одновременно двумя мультиплексорами.
Код, который набран на адресных входах SED1 и SED2, разрешает работу только одного из информационных входов каждого мультиплексора. Сигнал с выбранного информационного входа появляется на выходе только при наличии на стробирующем входе Е низкого уровня.
Первая ступень мультиплексора выполнена на инверторах, вторая на логических элементах И-ИЛИ (без инверсии), использует стробирующие свойства функции И аргументов канала информации и адреса.
ИС К555КП2 включает входы управления с передачи при низком уровне напряжения на входе и с запретом передачи при высоком уровне напряжения на входе.
3.3.Характеристики микросхемы К555КП2
IВХ низкого уровня -0.4мА
IВХ высокого уровня 0.04мА
IВЫХ низкого уровня 4мА
IВЫХ высокого уровня -0.4 мА
UВХ МАХ 5.5В
UВХ MIN –0.4B
UВХ низкого уровня 0.4В
UВХ высокого уровня 2.5В
Нагрузочная способность 10
Время задержки распространения сигнала:
при включении 20нс (СН=15пФ)
при выключении 20нс (СН=15Пф)
Средний ток потребления не более 3мА
Помехоустойчивость 0.3B
Частота переключения не более 25МГц
UМАХ питания 5.5B
СН МАХ=150пФ
Диапазон рабочих температур -10 +70°С
4.1.Принцип работы микросхемы КР580ИР82.
КР580ИР82 представляет собой 8-разрядный буферный регистр, предназначенный для ввода и вывода информации со стробированием.
Микросхема имеет восемь триггеров D-типа и восемь выходных буферов, имеющих на выходе состояние “выключено”. Управление передачей информации осуществляется с помощью сигнала STB “строб”.
При поступлении на вход STB сигнала высокого уровня осуществляется нетактируемая передача информации от входа DI до выхода DO. При подаче на вход STB сигнала низкого уровня микросхема хранит информацию предыдущего такта; при подаче на вход STB положительного перепада импульса происходит “защелкивание” входной информации. Выходные буферы управляются сигналом ОЕ “разрешение выхода”. При поступлении на вход ОЕ сигнала высокого уровня выходные буферы переводятся в состояние “выключено”.
Функциональная схема микросхемы КР580ИР82.
Назначение выводов ИС КР580ИР82.
| Номер вывода | Обозначение | Назначение |
| 1-8 | DI0-DI7 | Входы регистра |
| 9 | OE | Разрешение выхода |
| 10 | GND | Общий |
| 11 | STB | Строб |
| 19-12 | D00-D07 | Выходы регистра |
| 20 | UCC | Питание |
Таблица истинности.
| Вход ОЕ | Вход STB | Входы DI | Выходы DO |
| 0 | 1 | 1 | 1 |
| 0 | 1 | 0 | 0 |
| 0 | 0 | Х | D00 |
| 1 | Х | Х | Z |
DOO-состояние выхода в предыдущем такте.
Х-логический уровень на входе не влияет на состояние входа.
Z-состояние “выключено”.
4.2.Характеристики микросхемы КР580ИР82.
Число разрядов регистра 8
Ток потребления 160мА.
Входной ток низкого уровня ≤ -0.2мА.
Входной ток высокого уровня ≤50мкА.
Выходное напряжение низкого уровня ≤0.45В.
Выходное напряжение высокого уровня ≥2.4В.
Выходной ток низкого уровня в состоянии “выключено” ≤-50мА.
Выходной ток высокого уровня в состоянии “выключено” ≤50мА.
Время передачи информации от входа до выхода ≤ 30нс.
Время цикла “запись-считывание” 100нс.
Время задержки распространения информационного сигнала на выходе относительно сигнала строба ≤45нс.
Время задержки распространения информационного сигнала на выходе относительно сигнала “разрешения выхода” от10 до 30нс.
Время сохранения информационного сигнала на входе относительно сигнала строба ≥25нс.
Длительность импульса сигнала строба ≥15нс.
Минимальная длительность тактовых импульсов 15нс.
Входная емкость 12пФ.
Потребляемая мощность ≤ 800мВт.
Напряжение питания +5В.
Минимальная наработка 50000ч.
Срок сохраняемости 12 лет.
5.Расчет надежности блока динамического ОЗУ.
Для повышения надежности ЗУ применяется код Хемминга, исправляющий одноразрядную ошибку в слове ЗУ.
В качестве показателей надежности широко применяют вероятность безотказной работы Р(t) за время t и среднюю наработку до отказа Тср.
-
Вычисляется коэффициент КDL, учитывающий эквивалентную дозу отказов различных типов в зависимости от разрядности исправляемой ошибки L. При отказах БИС ЗУ можно выделить следующие основные типы отказов: отказ всей микросхемы (доля таких отказов а1), отказ строки (доля таких отказов а2), отказ столбца (доля таких отказов а3), отказ ЭП (доля таких отказов а4)
а1=2 а2=14
а3=17 а4=42
если код исправляет одноразрядную ошибку (L=1):
где: КM- коэффициент, учитывающий число разрядов БИС ЗУ (если число разрядов nM =1, то КМ=0, иначе КМ=1); KZ- коэффициент, учитывающий тип ЗУ (для ПЗУ КZ=0.5, а для ОЗУ КZ=1); E- информационная емкость БИС ЗУ (в битах).
-
Определение вероятности безотказной работы ЗУ Р(t).
Вероятность безотказной работы – это вероятность того, что в пределах заданной наработки, т.е. заданного интервала времени , отказ объекта не возникнет.
где: nO- разрядность слова ЗУ; λМ- интенсивность отказов БИС ЗУ;
NR- число строк в БИС ЗУ в ЗУ; λZ- интенсивность отказов схем обрамления и элементов конструкции ЗУ (например, паек, контактов соединителей, линий связи, печатного монтажа и т.п.)
КР1, КР2- поправочные коэффициенты, используемые для компенсации погрешностей в ЗУ с большим и средним числом БИС ЗУ. КР2- значение коэффициента определяется в зависимости от типа ЗУ и разрядности исправляемой ошибки
( для ОЗУ с L=1 если nM=1 то КР2=1); КР1- значение коэффициента в зависимости от nM (при nM=1 то КР1=1).
-
Вычисление значения параметра ХL, определяющего
соотношение между интенсивностью отказов элементов ЗУ, охваченных и неохваченых корректирующим кодом:
-
Определение средней наработки до отказа Тср.
Средняя наработка до отказа, или средняя время безотказной работы- это ожидаемая наработка объекта до первого отказа.
где: bLi- коэффициенты разложения полиномов
для L=1 bL1=1,2533 bL2= -1,0006 bL3=0,6308
6.Расчет потребляемой мощности блоком ОЗУ.
Мщность потребляемая микросхемой ОЗУ К565РУ3Г в режиме хранения информации, оценивается при следующих исходных данных: Ра=0.46Вт, Ро=0.04Вт, mр=128, Тц мин=0.37мкс, Трег=2000мкс -по формуле:
Рхр.рег.Ро+(Ра-Ро)(Тц.мин mр/Трег)=0.04+(0.46-0.04)(1280.37/2000)=0.049 Вт
где: Ра- мощность потребляемая ОЗУ в режиме считывания, записи; Ро-мощность потребляемая ОЗУ в режиме хранения; mр-количество строк в матрице ОЗУ; Тц.мин-минимальное время цикла обращения к модулю ОЗУ; Трег-период регенерации, определяющий максимальный интервал времени между двумя обращениями по каждому адресу для востановления хранимой информации.
Мощность потребляемая микросхемами ОЗУ в блоке в режиме считывания или записи информации оценивается при По=8 и Па=8 по формуле:
Рмп=РаПа+Рхр.рег(По-Па)=0.468+0.049(8-8)=1.84 Вт
где: По- общее число микросхем ОЗУ в блоке; Па- число микросхем ОЗУ, находящихся в активном режиме.
Мощность потребляемая микросхемами ОЗУ в блоке в режиме хранения информации определяется как:
Рмп.рег=Рхр.регПо=0.0498=0.39 Вт.
Мощность потребляемая блоком ОЗУ в режиме хранения информации:
Рб.рег=Рмп.рег+Ру=0.39+0.01654+0.8=1.26 Вт.
где: Ру- мощность потребляемая схемами управления.
Мощность потребляемая блоком ОЗУ в режиме записи, считывания информации:
Рб=Рмп+Ру=1.84+0.01654+0.8=2.7 Вт.
















