proekt (722148), страница 5
Текст из файла (страница 5)
При заданных
и
расчет КЦ сводится к нахождению нормированного значения
, определению по таблице 3.1 соответствующих значений
и их денормированию.
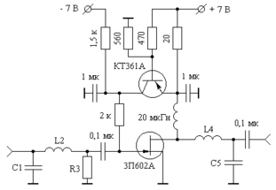
Пример 3.1. Рассчитать КЦ однокаскадного транзисторного усилителя с использованием синтезированных данных таблицы 3.1, при условиях: используемый транзистор 3П602А;
= 50 Ом; верхняя частота полосы пропускания усилителя равна 1,8 ГГц; допустимая неравномерность АЧХ равна ± 0,5 дБ. Принципиальная схема каскада приведена на рис. 3.4. Для термостабилизации тока покоя транзистора 3П602А, в схеме применена активная коллекторная термостабилизация на транзисторе КТ361А [48]. На выходе каскада включена выходная корректирующая цепь, практически не вносящая искажений в АЧХ каскада, состоящая из элементов
2,7 нГн,
0,64 пФ и обеспечивающая минимально возможное значение максимальной величины модуля коэффициента отражения ощущаемого сопротивления нагрузки внутреннего генератора транзистора (см. раздел 2.1).
Рис. 3.4 Рис. 3.5
Решение. Используя справочные данные транзистора 3П602А [49] и соотношения для расчета значений элементов однонаправленной модели полевого транзистора [1], получим:
=2,82 пФ,
=0,34 нГн. Нормированное относительно
и
значение
равно:
1,77. Ближайшая величина
в таблице 3.1 составляет 1,7. Для этого значения
и
+ 0,5 дБ из таблицы найдем:
=2,01;
=1,09;
=1,19. После денормирования элементов КЦ получим:
=3,2 пФ;
=
4,3 нГн;
=3,96 нГн;
=60 Ом. Коэффициент усиления рассматриваемого усилителя равен [14]:
= 4,4.
На рис. 3.5 (кривая 1) приведена АЧХ рассчитанного усилителя, вычисленная с использованием полной эквивалентной схемы замещения транзистора [49]. Здесь же представлена экспериментальная характеристика усилителя (кривая 2), и АЧХ усилителя, оптимизированного с помощью программы оптимизации, реализованной в среде математического пакета для инженерных и научных расчетов MATLAB [50] (кривая 3). Кривые 1 и 3 практически совпадают, что говорит о высокой точности рассматриваемого метода параметрического синтеза. Оптимальность полученного решения подтверждает и наличие чебышевского альтернанса АЧХ [35].
3.2.2. Параметрический синтез широкополосных усилительных каскадов с корректирующей цепью третьего порядка
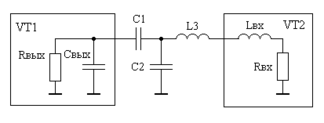
Схема четырехполюсной реактивной КЦ третьего порядка приведена на рис. 3.2 [5, 42, 45]. Как показано в [51] рассматриваемая КЦ позволяет реализовать коэффициент усиления каскада близкий к теоретическому пределу, который определяется коэффициентом усиления транзистора в режиме двухстороннего согласования на высшей частоте полосы пропускания [7].
Аппроксимируя входной и выходной импедансы транзисторов
и
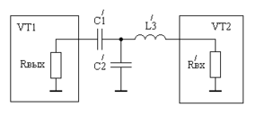
- и
- цепями [11, 19, 35], от схемы, приведенной на рис. 3.2, перейдем к схеме, приведенной на рис. 3.6.
Рис. 3.6 Рис. 3.7
Вводя идеальный трансформатор после конденсатора и применяя преобразование Нортона [2, 3], перейдем к схеме представленной на рис. 3.7. Для полученной схемы в соответствии с [7, 11, 35] коэффициент передачи последовательного соединения КЦ и транзистора
может быть описан в символьном виде дробно-рациональной функцией комплексного переменного:
– верхняя круговая частота полосы пропускания разрабатываемого усилителя;
– коэффициент усиления транзистора
по мощности в режиме двухстороннего согласования на частоте
[7];
– частота, на которой коэффициент усиления транзистора по мощности в режиме двухстороннего согласования равен единице;
,
,
,
,
– нормированные относительно
и
значения элементов
,
,
,
,
.
Переходя от схемы рис. 3.7 к схеме рис. 3.6 по известным значениям
найдём:
– нормированное относительно
и
значение
.
В качестве функции-прототипа передаточной характеристики (3.15) выберем дробно-рациональную функцию вида:
Квадрат модуля функции-прототипа (3.14) имеет вид:
Для выражения (3.15) составим систему линейных неравенств (3.5):
Решая (3.16) для различных
при условии максимизации функции цели?
, найдем коэффициенты квадрата модуля функции-прототипа (3.15), соответствующие различным значениям допустимого уклонения АЧХ от требуемой формы. Вычисляя полиномы Гурвица знаменателя функции (3.15), определим требуемые коэффициенты функции-прототипа (3.14). Решая систему нелинейных уравнений
относительно
,
,
при различных значениях
, найдем нормированные значения элементов КЦ, приведенной на рис. 3.2. Результаты вычислений сведены в таблицу 3.2.
Анализ полученных результатов позволяет установить следующее. Для заданного значения
существует определенное значение
при превышении, которого реализация каскада с требуемой формой АЧХ становится невозможной. Большему значению
соответствует меньшее допустимое значение
, при котором реализуется требуемая форма АЧХ. Это обусловлено уменьшением добротности рассматриваемой цепи с увеличением
.
Исследуемая КЦ может быть использована и в качестве входной корректирующей цепи усилителя. В этом случае при расчетах следует полагать
, где
– активная и емкостная составляющие сопротивления генератора.
Пример 3.2. Рассчитать КЦ однокаскадного усилителя на транзисторе КТ939А при условиях:
50 Ом;
= 2 пФ; верхняя частота полосы пропускания равна 1 ГГц; допустимая неравномерность АЧХ ± 0,25 дБ. Выбор в качестве примера проектирования однокаскадного варианта усилителя обусловлен возможностью простой экспериментальной проверки точности результатов расчета, чего невозможно достичь при реализации многокаскадного усилителя. Принципиальная схема усилителя приведена на рис. 3.8.
Таблица 3.2 – Нормированные значения элементов КЦ
| Неравномерность АЧХ | ||||
| 0.128 0.126 0.122 0.112 0.09 0.05 0.0 | 1.362 1.393 1.423 1.472 1.55 1.668 1.805 | 2.098 1.877 1.705 1.503 1.284 1.079 0.929 | 0.303 0.332 0.358 0.392 0.436 0.482 0.518 | |
| 0.0913 0.09 0.087 0.08 0.065 0.04 0.0 | 1.725 1.753 1.784 1.83 1.902 2.00 2.14 | 2.826 2.551 2.303 2.039 1.757 1.506 1.278 | 0.287 0.313 0.341 0.375 0.419 0.465 0.512 | |
| 0.0647 0.0642 0.0621 0.057 0.047 0.03 0.0 | 2.144 2.164 2.196 2.24 2.303 2.388 2.52 | 3.668 3.381 3.025 2.667 2.32 2.002 1.69 | 0.259 0.278 0.306 0.341 0.381 0.426 0.478 | |
| 0.0399 0.0393 0.0375 0.033 0.025 0.012 0.0 | 2.817 2.842 2.872 2.918 2.98 3.062 3.13 | 5.025 4.482 4.016 3.5 3.04 2.629 2.386 | 0.216 0.24 0.265 0.3 0.338 0.38 0.41 |
На выходе каскада включена выходная корректирующая цепь, практически не вносящая искажений в АЧХ каскада, состоящая из элементов
6,4 нГн,
5,7 пФ и обеспечивающая минимально возможное значение максимальной величины модуля коэффициента отражения ощущаемого сопротивления нагрузки внутреннего генератора транзистора (см. раздел 2.1).















