CURS2 (722098)
Текст из файла
10
МОПО России
ТУСУР
Кафедра ТОЭ
Курсовая работа по теме
“Переходные процессы в несинусоидальных цепях”
Виполнил: Принял:
студент гр. 357-2 доцент каф. ТОЭ
Карташов В. А. Кобрина Н. В.
Томск 1999
Введение.
1 Расчет переходного процесса в цепи при постоянном воздействии.
2 Расчет переходного процесса в цепи при гармоническом воздействии.
-
Расчет переходного процесса в цепи при несинусоидальном воздействии.
-
Анализ зависимости типа переходного процесса в цепи от одного линейного параметра.
1 Расчет переходного процесса в цепи при постоянном воздействии.
-
Расчет граничных условий.
Независимые начальные условия:
Зависимые начальные условия:
В систему (1) подставляем
,
и находим
,
,
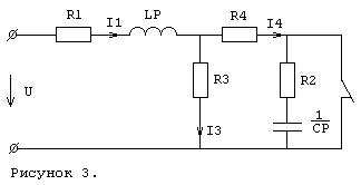
В послекоммутационном режиме схема изображена на рисунке 2.
Таблица 1. “Граничные условия”
Составляем систему уравнений по законам Кирхкгоффа для схемы
(Рис 1) в момент коммутации.
Выразим
через
,
и воспользуемся формулами:
Из третьего уравнения выразим
, найдём
и подставим в второе.
Для упрощения выражения подставим константы.
Решая характеристическое уравнение
Общий вид
:
, в этом уравнении две неизвестных величины
и
поэтому нужно ещё одно уравнение. Его можно найти если использовать соотношение
.
воспользуемся граничными условиями при t=0:
подставив в систему известные константы выразим А из первого уравнения и подставив во второе найдем
:
Переходный процесс на рисунке 5 изображен в период времени от 0 до
, где
.
1.3 Рассчёт
и
методом входного сопротивления.
Внеся всё под общий знаменатель и приравняв числитель к нулю, получаем квадратное уравнение
относительно P.
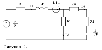
Схема преобразованая для рассчёта операторным методом
изображена на рисунке 4.
Выражение для тока имеет вид
, оригинал будем искать в виде функции
.
Подставив все в выражение для тока получаем:
-
Расчет переходного процесса в цепи при гармоническом воздействии.
2.1 Расчёт граничных условий.
Независимые начальные условия:
Зависимые начальные условия:
В систему (1) подставляем
,
и находим
,
,
Таблица 2. “Граничные условия”
Воспользуемся граничными условиями.
Переходный процесс на конденсаторе при гармоническом воздействии изображён на рисунке 6.
-
Расчет переходного процесса в цепи при несинусоидальном воздействии.
Так как схема является линейной, выполняется закон суперпозиции.
Эту схему можно рассчитать методом наложения, т.е. для нахождения
при несинусоидальном воздействии достаточно сложить ранее найденные
при постоянном воздействии и
при синусоидальном
воздействии.
-
Анализ зависимости типа переходного процесса в цепи от одного линейного параметра.
Если в исходной схеме мы уменьшим ёмкость конденсатора в два раза то корни характеристического уравнения будут иными:
Следовательно переходный процесс в этой цепи будет носить апериодический характер.
Характеристики
Тип файла документ
Документы такого типа открываются такими программами, как Microsoft Office Word на компьютерах Windows, Apple Pages на компьютерах Mac, Open Office - бесплатная альтернатива на различных платформах, в том числе Linux. Наиболее простым и современным решением будут Google документы, так как открываются онлайн без скачивания прямо в браузере на любой платформе. Существуют российские качественные аналоги, например от Яндекса.
Будьте внимательны на мобильных устройствах, так как там используются упрощённый функционал даже в официальном приложении от Microsoft, поэтому для просмотра скачивайте PDF-версию. А если нужно редактировать файл, то используйте оригинальный файл.
Файлы такого типа обычно разбиты на страницы, а текст может быть форматированным (жирный, курсив, выбор шрифта, таблицы и т.п.), а также в него можно добавлять изображения. Формат идеально подходит для рефератов, докладов и РПЗ курсовых проектов, которые необходимо распечатать. Кстати перед печатью также сохраняйте файл в PDF, так как принтер может начудить со шрифтами.
Г)















