TVTUNER (722043), страница 2

Файл №722043 TVTUNER (Модернизация управляющего блока тюнера) 2 страницаTVTUNER (722043) страница 22016-08-01СтудИзба
Просмтор этого файла доступен только зарегистрированным пользователям. Но у нас супер быстрая регистрация: достаточно только электронной почты!

Текст из файла (страница 2)

Прерывания по входу TRAP не может быть маскировано. Если маска прерываний не установлена, то на указанные маскируемые прерывания МП будет реагировать, помещая при этом содержимое счетчика команд в стек и переходя к выполнению программы, адрес которой определяется вектором реестра.

Так как прерывания TRAP не может, быть маскировано, при появлении запроса прерывания на этом входе микропроцессор будет всегда переходить к выполнению программы, указанной вектором реестра.

Входы сигналов прерываний RST5.5, RST6.5 чувствительны к уровню сигнала, вход RST7.5 чувствителен к переднему фронту сигнала. Значит по входу RST7.5 достаточно подать импульс, чтобы генерировать запрос на прерывания. Каждому прерыванию записан некоторый постоянный приоритет: сигнал TRAP имеет наивысший приоритет, затем идут сигналы RST7.5, RST6.5, RST5.5, сигнал INTR имеет низший приоритет.

Прямой доступ к памяти в МП 1821ВМ85 обеспечивается следующим образом:

  • на вход HOLD нужно подать уровень логической «1».

  • Когда МП подтверждает получение сигнала HOLD, выходная линия HLDA МП переводится в состояние логической «1». Перевод этой линии в состояние логической «1»означает, что МП прекратил управление АШ, ШД и шиной управления.

Для реализации режима ожидания необходимо на вход READY МП 1821ВМ85 подать уровень логического «0». Это необходимо, когда время реакции памяти или устройства ввода/вывода больше, чем время цикла команды.

Каждая команда МП состоит из одного, двух или трех байтов, причем первый байт это КОП команды. КОП определяет природу команды, по КОПу ЦП определяет, нужны ли дополнительные байты и если да, ЦП их получит в последующих циклах. Поскольку байт КОПа состоит из 8 бит, может существовать 256 разных КОПов, из числа которых МП 1821ВМ85 использует 244.

Основная последовательность действий при выполнении любой команды такова:

  1. Микропроцессор выдает в память адрес, по которому хранится код операции команды.

  2. Код операции читается из памяти и вводится в микропроцессор.

  3. Команда дешифруется процессором.

Микропроцессор настраивается на выполнение одной из основных функций в соответствии с результатами дешифрации считанного кода операции.

Фундаментальной и отличительной особенностью использования МП при проектировании устройств заключается в следующем: синхронизация всех сигналов в системе осуществляется схемами, входящими в состав кристалла микропроцессора.

Скорость выполнения команд зависит от тактовой частоты. Рекомендуемая тактовая частота равна 3.072 МГц. В этом случае длительность одного машинного такта приблизительно равна 325 мс, а требуемое время доступа к памяти - около 525 мс, что соответствует облегченному режиму для МОП памяти.

Изм.

Лист

№ Докум.

Подп.

Дата

Лист

9

Адресная шина микропроцессора 1821ВМ85.

В МП 1821МВ85 используется принцип «временного мультиплексирования» функций выводов, когда одни и те же выводы в разные моменты времени представляют разные функции. Это позволяет реализовать ряд дополнительных функций при тех же 40 выводах в корпусе МП. Восемь мультиплексированных выводов играют роль шины данных, либо младших разрядов адресной шины. Необходимо «фиксировать» логические состояния выводов AD0 AD7 МП в моменты, когда они функционально представляют адресные разряды А0 А7. Для этого необходимо точно знать, когда на этих выводах отображается адресная информация. В корпусе МП существует специальный вывод N 30, обозначенный ALE – открытие фиксатора адреса, сигнал на котором в нормальном состоянии соответствует логическому «0». Если информация на выводах AD0 AD7 (N 12 19), является адресной А0 А7, то ALE переводится в состояние логической «1». При перехода ALE из состояния логической «1» в состояние логического «0» информация на AD0 AD7 должна быть зафиксирована. Отметим что для стробирования адресной информации от МП может быть использован любой фиксатор. Единственная предосторожность, которую необходимо соблюдать при использовании фиксаторов, заключается в согласовании нагрузки по току для выводов AD0 AD7 МП 1821ВМ85 и входов фиксатора во избежание их перегрузки, т.е. необходимо убедиться, что ток на входе используемого фиксатора не является слишком большим для МП. В качестве фиксатора будем использовать регистр, тактируемый сигналом ALE от микропроцессора.

Регистр – это линейка из нескольких триггеров. Можно предусмотреть логическую схему параллельного отображения на выходах состояния каждого триггера. Тогда после заполнения регистра от параллельных выводов, по команде разрешения выхода, накопленное цифровое слово можно отобразить поразрядно сразу на всех параллельных выходах.

Для удобства поочередной выдачи данных от таких регистров (буферных накопителей) в шину данных процессора параллельные выходы регистров снабжаются выходными буферными усилителями, имеющими третье, разомкнутое Z состояние.

Микросхема 1533ИR22 – восьмиразрядный регистр – защелка отображения данных, выходные буферные усилители которого имеют третье Z –состояние. Пока напряжение на входе №11 высокого уровня, данные от параллельных входов отображаются на выходах. Подачей на вход № 11 напряжения низкого уровня, разрешается запись в триггеры нового восьмибитового байта. Если на вход № 1 подать напряжение высокого уровня, выходы микросхемы переходят в 3-е Z состояние.

Таким образом, с помощью микросхемы 1533ИR22 мы фиксируем адресную информацию, поступающую от МП.

Изм.

Лист

№ Докум.

Подп.

Дата

Лист

10

Изм.

Лист

№ Докум.

Подп.

Дата

Лист

11

Шина данных микропроцессора 1821ВМ85.

Шина данных в отличие от шины адреса является двунаправленной. Значит необходимо предусмотреть буфер, который по соответствующим сигналам управления от МП будет пропускать данные как к МП, так и от него. В качестве двунаправленного буфера будем использовать микросхему 1533 АП6.

Микросхема 1533 АП6 содержит 8 ДНШУ с тремя состояниями выводов, два входа разрешения ЕАВ - №1 (переключение направления каналов) и - №19 (перевод выхода канала в состояние Z).

В качестве управляющих сигналов будем использовать сигналы ; EN. Если сигнал подать на вход №1 микросхемы 1533 АП6, то при = «0» направление передачи информации В А

= «1» направление передачи информации А В

Подача сигнала EN на вход № 19 микросхемы 1533 АП6, при котором выводы переходят в третье Z состояние, будет рассмотрена ниже.

Изм.

Лист

№ Докум.

Подп.

Дата

Лист

12

Генератор тактовых импульсов

для микропроцессора 1821 ВМ85.

Схема генератора тактовых импульсов микропроцессора 1821ВМ85 содержится в самом микропроцессоре. Достаточно подключить кварцевый резонатор к выводам № 1 и № 2 МП. Кварцевый резонатор может иметь любую частоту колебаний в диапазоне от 1 до 6 МГц. Эта частота делится пополам, и соответствующие импульсы используются в МП. На рисунке 2 показана схема подключения кварцевого резонатора, в результате чего обеспечивается синхронизация МП 1821ВМ85.

Оперативные запоминающие устройства.

ОЗУ предназначены для записи, хранения и считывания двоичной информации. Структурная схема представлена на рисунке 3.

Рисунок 3

НК – накопитель; DCX, DCY – дешифраторы строк и столбцов; УЗ – устройство записи, УС – устройство считывания, УУ – устройство управления.

Т.к. ОЗУ организовано как 2Кх8, значит необходимо использовать АО А10 адресных линий и DO D7 линий шины данных.

Изм.

Лист

№ Докум.

Подп.

Дата

Лист

13

Для управления функционированием схемы используется 3 вывода:

  1. /RE - № 21

  2. CE - № 18

  3. OE - № 20

Микросхема 537РУ10 функционирует в 3 режимах:

  • режим хранения данных

  • режим считывания данных

  • режим записи данных

Таблица истинности:

Запись и считывание производится по 8 бит. При считывании можно запретить вывод информации ( =1). В качестве управляющих сигналов можно использовать сигналы WR, RD, CSO.

Изм.

Лист

№ Докум.

Подп.

Дата

Лист

14

Постоянное запоминающее устройство.

Структурная схема ПЗУ аналогична структурной схеме ОЗУ, только отсутствует устройство записи, т.к. после программирования ПЗУ, информация из него только считывается.

Так как ПЗУ организована как 8к х 8, значит необходимо использовать А0 А12 адресных линий и D0 D7 линий шины данных.

Для управления функционирования схемы используются 2 вывода:

CS - №20, ОЕ - №22.

Микросхема 573РФ4 функционирует в 2-х режимах:

режим хранения и режим считывания.

Считывание информации производится по 8 бит. В качестве сигналов управления будем использовать сигнал RD и сигнал, который будет поступать по старшей адресной линии.

Таблица истинности:

Изм.

Лист

№ Докум.

Подп.

Дата

Лист

15

Таймер.

Одно из наиболее необходимых эксплуатационных удобств – наличие встроенных часов, показания которых постоянно или по запросу оператора выводятся на экран. Можно также обеспечить выдачу команд на включение или выключение внешних устройств в заданное время. Часы могут быть реализованы как программно, так и аппаратно.

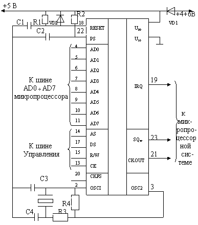
Условное обозначение и основная схема включения:

Сигнал тактового генератора можно снять с выхода CKOUT для использования в других устройствах системы. Он поступает на этот вход непосредственно (CKFS=1) или после деления частоты на четыре (CKFS=0). Микросхема имеет выход ещё одного сигнала (SQW), получаемого делением частоты тактового генератора.

Коэффициент деления задается командами, поступающими от процессора. Включается и выключается этот сигнал также командами процессора.

Микросхема связана с микропроцессором через двунаправленную мультиплексированную шину адреса – данных (AD0 AD7). Для управления записью и считыванием информации служат входы (выбор микросхемы), AS (строб, адреса), DS (строб данных) и R/ (чтение – запись).

Изм.

Лист

№ Докум.

Подп.

Дата

Лист

16

Распределение памяти микросхемы 512ВИ1:

- «1» шина AD, входы DS и R/ отключены от шин процессора и снижается мощность потребления.

- «0» должен сохраняться неизменным во время всего цикла записи и чтения.

Сигнал AS подается в виде положительного импульса во время наличия информации об адресе на шине AD0 AD7. Адреса записываются во внутренний буфер микросхемы по срезу этого импульса.

В этот же момент анализируется логический уровень сигнала на входе DS и в зависимости от него устанавливается дальнейший режим работы входов DS и R/ . В нашем случае на вход AS подаем сигнал ALE, который генерируется процессором для фиксации адреса.

Выход (запрос прерывания) предназначен для сигнализации процессору о том, что внутри микросхемы произошло событие, требующее программной обработки. Прерывания бывают 3-х типов:

  1. после окончания обновления информации

  2. по будильнику

  3. периодические (с периодом SQW)

Вход предназначен для установки в исходное состояние узлов микросхемы, ответственных за связь с микропроцессорной системой. - «0» – никакое вмешательство со стороны процессора невозможно. На ход часов, календарь и содержание ячеек ОЗУ этот вход не влияет.

Вход PS (датчик питания) – контроль непрерывности подачи питающего напряжения. Он подключается таким образом, чтобы напряжение на нем падало до 0 при любом, даже кратковременном отключения питания микросхемы.

Изм.

Лист

№ Докум.

Подп.

Дата

Лист

17

Характеристики

Тип файла
Документ
Размер
809 Kb
Тип материала
Учебное заведение
Неизвестно

Список файлов реферата

Свежие статьи
Популярно сейчас
Почему делать на заказ в разы дороже, чем купить готовую учебную работу на СтудИзбе? Наши учебные работы продаются каждый год, тогда как большинство заказов выполняются с нуля. Найдите подходящий учебный материал на СтудИзбе!
Ответы на популярные вопросы
Да! Наши авторы собирают и выкладывают те работы, которые сдаются в Вашем учебном заведении ежегодно и уже проверены преподавателями.
Да! У нас любой человек может выложить любую учебную работу и зарабатывать на её продажах! Но каждый учебный материал публикуется только после тщательной проверки администрацией.
Вернём деньги! А если быть более точными, то автору даётся немного времени на исправление, а если не исправит или выйдет время, то вернём деньги в полном объёме!
Да! На равне с готовыми студенческими работами у нас продаются услуги. Цены на услуги видны сразу, то есть Вам нужно только указать параметры и сразу можно оплачивать.
Отзывы студентов
Ставлю 10/10
Все нравится, очень удобный сайт, помогает в учебе. Кроме этого, можно заработать самому, выставляя готовые учебные материалы на продажу здесь. Рейтинги и отзывы на преподавателей очень помогают сориентироваться в начале нового семестра. Спасибо за такую функцию. Ставлю максимальную оценку.
Лучшая платформа для успешной сдачи сессии
Познакомился со СтудИзбой благодаря своему другу, очень нравится интерфейс, количество доступных файлов, цена, в общем, все прекрасно. Даже сам продаю какие-то свои работы.
Студизба ван лав ❤
Очень офигенный сайт для студентов. Много полезных учебных материалов. Пользуюсь студизбой с октября 2021 года. Серьёзных нареканий нет. Хотелось бы, что бы ввели подписочную модель и сделали материалы дешевле 300 рублей в рамках подписки бесплатными.
Отличный сайт
Лично меня всё устраивает - и покупка, и продажа; и цены, и возможность предпросмотра куска файла, и обилие бесплатных файлов (в подборках по авторам, читай, ВУЗам и факультетам). Есть определённые баги, но всё решаемо, да и администраторы реагируют в течение суток.
Маленький отзыв о большом помощнике!
Студизба спасает в те моменты, когда сроки горят, а работ накопилось достаточно. Довольно удобный сайт с простой навигацией и огромным количеством материалов.
Студ. Изба как крупнейший сборник работ для студентов
Тут дофига бывает всего полезного. Печально, что бывают предметы по которым даже одного бесплатного решения нет, но это скорее вопрос к студентам. В остальном всё здорово.
Спасательный островок
Если уже не успеваешь разобраться или застрял на каком-то задание поможет тебе быстро и недорого решить твою проблему.
Всё и так отлично
Всё очень удобно. Особенно круто, что есть система бонусов и можно выводить остатки денег. Очень много качественных бесплатных файлов.
Отзыв о системе "Студизба"
Отличная платформа для распространения работ, востребованных студентами. Хорошо налаженная и качественная работа сайта, огромная база заданий и аудитория.
Отличный помощник
Отличный сайт с кучей полезных файлов, позволяющий найти много методичек / учебников / отзывов о вузах и преподователях.
Отлично помогает студентам в любой момент для решения трудных и незамедлительных задач
Хотелось бы больше конкретной информации о преподавателях. А так в принципе хороший сайт, всегда им пользуюсь и ни разу не было желания прекратить. Хороший сайт для помощи студентам, удобный и приятный интерфейс. Из недостатков можно выделить только отсутствия небольшого количества файлов.
Спасибо за шикарный сайт
Великолепный сайт на котором студент за не большие деньги может найти помощь с дз, проектами курсовыми, лабораторными, а также узнать отзывы на преподавателей и бесплатно скачать пособия.
Популярные преподаватели
Добавляйте материалы
и зарабатывайте!
Продажи идут автоматически
7027
Авторов
на СтудИзбе
260
Средний доход
с одного платного файла
Обучение Подробнее