ref-21437 (722023), страница 3
Текст из файла (страница 3)
около 0,05 эВ.
Сглаживание гетеропереходов достигается применением буферных слоев
постоянного или переменного по толщине состава[1]. Оптимальным вариантом
здесь могут оказаться сверхрешеточные структуры, варизонность которых
сохраняется на больших длинах ~ 1,5 мкм.
Для реализации этой задачи нами были получены с помощью методики[2]
двойные гетероструктуры InSb – InSbBi.
Согласно[3], рост Bi-содержащих твердых растворов может происходить как
автоволновый концентрационный процесс в условиях потери устойчивости фронтом
кристаллизации. Нами был получен ряд образцов, состоящих из чередующихся
слоев InSb и InSb0.985Bi0.015. Перекристаллизация осуществлялась при Т = 693 К, grad
T = 30 К/cм движением плоской жидкой зоны усредненного состава In0.45Bi0.55 со
скоростью (6521 10) мкм/час. Общая толщина эпитаксиальной пленки InSb-InSbBi
составляла около 5,5 мкм. На рис. 1 приводится электронная микрофотография
поверхности выращенных образцов. Как отдельные слои, так и структура в целом
обладают высокой планарностью, толщины разных слоев близки. Слои InSb,
чередующиеся со слоями InSbBi, образуют правильную периодическую структуру с
периодом TSL = 120 нм.
Центр эпитаксиальной структуры либо свободен от дислокаций
несоответствия, либо содержит их незначительное количество. Измерение
удельного сопротивлениячетырехзон-довым методом показало, что концентрация
висмута по диаметру эпитаксиальных структур не изменялась. Поэтому можно
считать, что увеличение плотности дислокаций несоответствия связано с
радиальными градиентами в процессе роста структур, что обуславливает градации
интенсивности на электронной микрофотографии.
Рис. 1. Электронная микрофотография поверхности гетероструктуры
InSb – InSb 0.985 Bi 0.015 – .20000.
Измерения, проведенные на основе рентгенографических исследований,
показали, что суммарная толщина пары слоев InSb и InSbBi
d1 + d2 ≈ 120 нм.
Ширина запрещенной зоны в такой сверхрешетке при переходе от слоя к слою
модулируется по закону:
Eg(x) = (Eg1d1 + Eg2d2 )/(d1 + d2)
Рис. 2. Схема лавинного фотодиода на основе сверхрешетки InSb-InSbBi
При этом снимается проблема программированного изменения состава
твердого раствора на малых длинах (~ 0,1 мкм). Градиентный слой уменьшает
величину скачка в валентной зоне так, что ∆Е → 0 и длинновременная
составляющая релаксации фототока τp → 0. Быстродействие при этом может
сокращаться до значений ~ 1 нс. Структура такого лавинного фотодиода
представлена на рис. 2. Топологически такой прибор приводится к структуре
фотоприемника с растровыми электродами, изоляция между которыми выполнена
обратносмещенными p-n-переходами.
Таким образом, в технологии фотоприемных устройств инфракрасного
диапазона (спектры фотолюминесценции имеют максимум вблизи 8,7 мкм) могут
быть перспективны структуры типа «квантовой ямы».
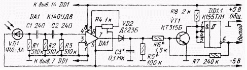
3.5 Принципиальная схема
4.1Фоторезисторы
Фоторезисторами называют полупроводниковые приборы, проводимость которых меняется под действием света.
Конструкция монокристаллического и пленочного фоторезисторов показана на рис. 1, 2 приложения. Основным элементом фоторезистора является в первом случае монокристалл, а во втором – тонкая пленка полупроводникового материала.
Если фоторезистор включен последовательно с источником напряжения (рис. 3 приложения) и не освещен, то в его цепи будет протекать темновой ток
Iт = E / (Rт + Rн), (4)
где Е – э. д. с. источника питания; Rт – величина электрического сопротивления фоторезистора в темноте, называемая темновым сопротивлением; Rн – сопротивление нагрузки.
При освещении фоторезистора энергия фотонов расходуется на перевод электронов в зону проводимости. Количество свободных электронно-дырочных пар возрастает, сопротивление фоторезистора падает и через него течет световой ток
Iс = E / (Rс + Rн). (5)
Разность между световым и темновым током дает значение тока Iф, получившего название первичного фототока проводимости
Iф = Iс – Iт. (6)
Когда лучистый поток мал, первичный фототок проводимости практически безынерционен и изменяется прямо пропорционально величине лучистого потока, падающего на фоторезистор. По мере возрастания величины лучистого потока увеличивается число электронов проводимости. Двигаясь внутри вещества, электроны сталкиваются с атомами, ионизируют их и создают дополнительный поток электрических зарядов, получивший название вторичного фототока проводимости. Увеличение числа ионизированных атомов тормозит движение электронов проводимости.
В результате этого изменения фототока запаздывают во времени относительно изменений светового потока, что определяет некоторую инерционность фоторезистора.
4.2 Характеристики фоторезисторов
Основными характеристиками фоторезисторов являются:
Вольтамперная, характеризующая зависимость фототока (при постоянном световом потоке Ф) или темнового тока от приложенного напряжения. Для фоторезисторов эта зависимость практически линейна (рис. 4 приложения). Закон Ома нарушается в большинстве случаев только при высоких напряжениях на фоторезисторе.
Световая (люксамперная), характеризующая зависимость фототока от падающего светового потока постоянного спектрального состава. Полупроводниковые фотрезисторы имеют нелинейную люксамперную характеристику (рис. 5 приложения). Наибольшая чувствительность получается при малых освещенностях. Это позволяет использовать фоторезисторы для измерения очень малых интенсивностей излучения. При увеличении освещенности световой ток растет примерно пропорционально корню квадратному из освещенности. Наклон люксамперной характеристики зависит от приложенного к фоторезистору напряжения.
Спектральная, характеризующая чувствительность фоторезистора при действии на него потока излучения постоянной мощности определенной длины волны. Спектральная характеристика определяется материалом, используемым для изготовления светочувствительного элемента. Сернисто-кадмиевые фоторезисторы имеют высокую чувствительность в видимой
области спектра, селенисто-кадмиевые – в красной, а сернисто-свинцовые – в инфракрасной (рис. 6 приложения).
Частотная, характеризующая чувствительность фоторезистора при действии на него светового потока, изменяющегося с определенной частотой. Наличие инерционности у фоторезисторов приводит к тому, что величина их фототока зависит от частоты модуляции падающего на них светового потока – с увеличением частоты светового потока фототок уменьшается (рис. 7 приложения). Инерционность оганичивает возможности применения фоторезисторов при работе с переменными световыми потоками высокой частоты.
4.3Параметры фоторезисторов
Основные параметры фоторезисторов:
Рабочее напряжение Uр – постоянное напряжение, приложенное к фоторезистору, при котором обеспечиваются номинальные параметры при длительной его работе в заданных эксплуатационных условиях.
Максимально допустимое напряжение фоторезистора Umax – максимальное значение постоянного напряжения, приложенного к фоторезистору, при котором отклонение его параметров от номинальных значений не превышает указанных пределов при длительной работе в заданных эксплуатационных условиях.
Темновое сопротивление Rт – сопротивление фоторезистора в отсутствие падающего на него излучения в диапазоне его спектральной чувствительности.
Световое сопротивление Rс – сопротивление фоторезистора, измеренное через определенный интервал времени после начала воздействия излучения, создающего на нем освещенность заданного значения.
Кратность изменения сопротивления KR – отношение темнового сопротивления фоторезистора к сопротивлению при определенном уровне освещенности (световому сопротивлению).
Допустимая мощность рассеяния – мощность, при которой не наступает необратимых изменений параметров фоторезистора в процессе его эксплуатации.
Общий ток фоторезистора – ток, состоящий из темнового тока и фототока.
Фототок – ток, протекающий через фоторезистор при указанном напряжении на нем, обусловленный только воздействием потока излучения с заданным спектральным распределением.
Удельная чувствительность – отношение фототока к произведению величины падающего на фоторезистор светового потока на приложенное к нему напряжение, мкА / (лм · В)
К0 = Iф / (ФU), (7)
где Iф – фототок, равный разности токов, протекающих по фоторезистору в темноте и при определенной (200 лк) освещенности, мкА; Ф – падающий световой поток, лм; U – напряжение, приложенное к фоторезистору, В.
Интегральная чувствительность – произведение удельной чувствительности на предельное рабочее напряжение Sинт = К0Umax.
Постоянная времени ф – время, в течение которого фототок изменяется на 63%, т. е. в e раз.
Постоянная времени характеризует инерционность прибора и влияет на вид его частотной характеристики.
При включении и выключении света фототок возрастает до максимума (рис. 8 приложения) и спадает до минимума не мгновенно. Характер и длительность кривых нарастания и спада фототока во времени существенно зависят от механизма рекомбинации неравновесных носителей в данном материале, а также от величины интенсивности света. При малом уровне инжекции нарастание и спад фототока во времени можно представить экспонентами с постоянной времени , равной времени жизни носителей в полупроводнике. В этом случае при включении света фототок iф будет нарастать и спадать во времени по закону
iф = Iф (1 – e – t / ); iф = Iф e – t / , (8)
где Iф – стационарное значение фототока при освещении.
По кривым спада фототока во времени можно определить время жизни неравновесных носителей.
4.4 Изготовление фоторезисторов
В качестве материалов для фоторезисторов широко используются сульфиды, селениды и теллуриды различных элементов, а также соединения типа AIIIBV. В инфракрасной области могут быть использованы фоторезисторы на основе PbS, PbSe, PbTe, InSb, в области видимого света и ближнего ультрафиолета – CdS.
4.5 Применение фоторезисторов
В последние годы фоторезисторы широко применяются во многих отраслях науки и техники. Это объясняется их высокой чувствительностью, простотой конструкции, малыми габаритами и значительной допустимой мощностью рассеяния. Значительный интерес представляет использование фоторезисторов в оптоэлектронике
5.1 Устройство и основные узлы фотоэлектронного умножителя
Фотоэлектронный умножитель (ФЭУ) . очень распространенный и во
многих случаях незаменимый детектор излучения. Он позволяет регистрировать и
предельно слабые и довольно интенсивные потоки. От единиц до 10101012
фотонов в секунду. Постоянная времени . порядка 10–810–10 с, т.е. допускает
весьма высокие частоты модуляции. Может быть размещен на воздухе и в















