1 (721953)
Текст из файла
Р
аздел: Цепи постоянного тока.
Тема: Законы Кирхгофа.
Цепи в которых резисторы , а также источники питания соединены произвольно , называют разветвленными или сложными.
рис 1.
Узел - точка электрической цепи , где соединяются три или более
проводников.
Ветвь - участок электрической цепи , где проходит один и тот же ток (ветвь располагается между двумя узлами. )
Контур - замкнутая электрическая цепь состоящая из нескольких ветвей.
Первый закон Кирхгофа:
Сумма токов , подтекающих к узловой точке цепи , равна сумме токов , вытекающих из нее.
Для узла B электрической цепи , показанного на рис 1. , ток I1 направлен к узлу , токи I2 и I3 от него. Согласно определению I1 + I2 = I3 или I1 + I2 - I3 = 0.
Алгебраическая сумма токов в узле равна нулю:
рис 2. рис 3. Рис4.
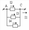
Задание 1. Составить уравнения по первому закону Кирхгофа для узла 2 (рис 2.), для узла С ( рис 3.) и для узла D ( рис 4. ).
Второй закон Кирхгофа:
Алгебраическая сумма всех действующих Э.Д.С. в любом контуре электрической цепи равна алгебраической сумме всех падений напряжений на резисторах , входящих в данный контур:
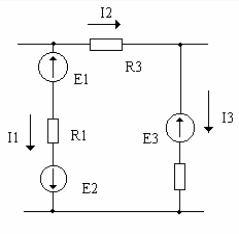
Для контура ( рис 5. ) второй закон Кирхгофа запишется в виде
E1 - E2 = I1R1 - I2R2 +I3R3.
рис 5. рис 6.
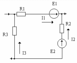
Задание 2. Составить уравнения по второму закону Кирхгофа для контура , показанного на ( рис 6. ) и для контура ABCD ( рис 4. ).
рис 7.
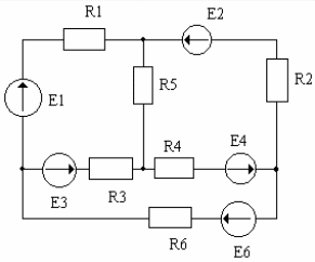
Задание 3. Для схемы электрической цепи ( рис 7. ) определить количество узлов , показать токи в ветвях и составить уравнения по первому и второму законам Кирхгофа.
Характеристики
Тип файла документ
Документы такого типа открываются такими программами, как Microsoft Office Word на компьютерах Windows, Apple Pages на компьютерах Mac, Open Office - бесплатная альтернатива на различных платформах, в том числе Linux. Наиболее простым и современным решением будут Google документы, так как открываются онлайн без скачивания прямо в браузере на любой платформе. Существуют российские качественные аналоги, например от Яндекса.
Будьте внимательны на мобильных устройствах, так как там используются упрощённый функционал даже в официальном приложении от Microsoft, поэтому для просмотра скачивайте PDF-версию. А если нужно редактировать файл, то используйте оригинальный файл.
Файлы такого типа обычно разбиты на страницы, а текст может быть форматированным (жирный, курсив, выбор шрифта, таблицы и т.п.), а также в него можно добавлять изображения. Формат идеально подходит для рефератов, докладов и РПЗ курсовых проектов, которые необходимо распечатать. Кстати перед печатью также сохраняйте файл в PDF, так как принтер может начудить со шрифтами.















