KP1533TB6 (721933), страница 3
Текст из файла (страница 3)
УКСИВТ, 3А-1
| 09 | C2 | Вход тактовый |
| 10 | | Вход установки нуля триггера Т1 |
| 11 | K2 | Вход управляющий К триггера Т2 |
| 12 | C1 | Вход тактовый |
| 13 | | Вход установки нуля триггера Т2 |
| 14 | U | Вывод питания от источника питания |
Расположение выводов
13 777-Ч-2001 2202 КП-ГЧ
Масса
Масштаб
Лит
КР1533ТВ6
Изм Лист №Документа Подпись Дата .
Разраб. .
Проверил .
Лист Листов
УКСИВТ, 3А-1
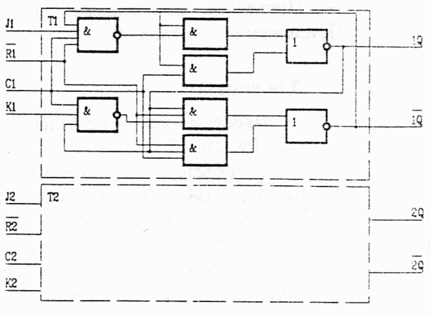
Функциональная схема
4.2 Общий вид
Таблица истинности
| Входы | Выход | ||||
| | C | J | K | Q | |
| 0 | X | X | X | 0 | 1 |
| 1 | 1/0 | 0 | 1 | 0 | 1 |
| 1 | 1/0 | 1 | 1 | СЧЕТНЫЙ РЕЖИМ | |
| 1 | 1/0 | 0 | 0 | Q0 | |
| 1 | 1/0 | 1 | 0 | 1 | 0 |
| 1 | 1 | X | X | Q0 | |
Динамические параметры
| Обозначение | Наименование параметра | Норма | Единица измерения | Режим измерения | |
| не менее | не более | ||||
| tpLH | Время задержки распространения сигнала при выключении | 20 | НС | исс=5,ОЕ+10% rL=o,5кom | |
| t=2nc | |||||
| tpHL | Время задержки распространения сигнала при включении | 15 | НС | Urr=5,OB+-10% RL=0.5кОм СL=50пФ t=2Hc | |
13 777-Ч-2001 2202 КП-ГЧ
Масса
Масштаб
Лит
КР1533ТВ6
Изм Лист №Документа Подпись Дата .
Разраб. . .
Проверил .
Лист Листов
УКСИВТ, 3А-1
Статические параметры
| Обозначение | Наименование параметра | Норма | Единица | Режим измерения | |
| не менее | не более | измерения | |||
| Uoh | Выходное напряжение высокого уровня | UCC-2 | В | Ucc=4,5В Uih~2,OB UIL=0,8В 1лн=-0,4мА IOL=-0.4MA | |
| uol | Выходное напряжение низкого уровня | 0,4 0,5 | В В | Ucc=4,58 UIH=2,OB UIL=0,8В IOL=4MA IOL=8мА | |
| IIH | Входной ток высокого уровня - по выводам 01,04, 03. 11 - по выводам 09, 10, 12, 13 | 20 40 | мкА | UCC=5,5B UIH=2,7B | |
| iil | Входной ток низкого уоовня - по выводам 01, 04, С 3,11 - по выводам 09, 10, 12, 13 | |-0,2| |-0,4| | мА | UCC=5,5B UTL=0.4B | |
| Io | Выходной ток | I-30I | |-112| | мА | UCC=5,5B U0=2.25B |
| ucdi | Прямое падение напряжения на антизвонном диоде | 1-1,51 | В | Uгр=4,53, IL=-18мА | |
| Ucc | Ток потребления | 4,5 | мА | UCC=5,5B | |
13 777-Ч-2001 2202 КП-ГЧ
Масса
Масштаб
Лит
КР1533ТВ6
Изм Лист №Документа Подпись Дата .
Разраб. .
Проверил .
Лист Листов
УКСИВТ, 3А-1
Функциональный ряд ИС ТТЛ КР1533ТВ*
| Назначение, функциональные возможности | Тип | 133, Н133, КМ133 | 134, К134, КР134 | 155, К155, КМ155 | 199 | 530, М530, Н530, КМ530 | К531, КМ531, КР531 | 533, Н533 | 555, К555, КМ555 | К599 | КР1531 | 1533, КР1533 | |||
| JК - триггер с логикой ЗИ на входе | ТВ1 | + | + | + | |||||||||||
| Два JK-триггера со сбросом | ТВ6 | + | + | ||||||||||||
| Два JK-триггера с установкой «О» и «1» | ТВ9 | + | + | + | + | ||||||||||
| Два JK-триггера с установкой «1» | ТВ10 | + | + | ||||||||||||
| Два JK-триггера с установкой «1» и общей установкой нуля и синхронизацией | ТВ11 | + | + | |||||||||||
| Два JK-триггера | ТВ14 | + | ||||||||||||
| ТВ 15 | + | + | + | |||||||||||
13 777-Ч-2001 2202 КП-ПЗ
Масса
Масштаб
Лит
КР1533ТВ6
Изм Лист №Документа Подпись Дата .
Разраб. . .
Проверил .
Лист Листов
УКСИВТ, 3А-1
| 5. Технология изготовления Особенностью полупроводниковых ИМС является то, что все элементы изготавливают одновременно в едином технологическом цикле, отдельные операции которого (окисление и травление, диффузия, эпитаксия) выполняются в одной и той же среде. При создании активных и пассивных элементов современных ИМС используют следующие основные технологические операции: окисление, травление, литографию, диффузию, ионное легирование, эпитаксию, напыление и нанесение пленок. Окисление. Кремниевую пластину нагревают до 800 —1200 °С и подвергают воздействию кислорода или насыщенных водяных паров. В такой окислительной среде атомы на поверхности пластины взаимодействуют с кислородом и образуют тонкий диэлектрический слой. На начальных этапах изготовления ИМС слой толщиной 1—3 мкм используют как маску для проведения избирательной диффузии на участках пластины, не покрытых этим слоем. При помощи этого слоя предотвращается диффузия примесей в полупроводник, находящийся под слоем, так как коэффициент диффузии примесей в двуокиси кремния значительно меньше, чем в полупроводнике. Диэлектрическую пленку используют также в качестве диэлектрика для затвора МДП-транзисторов. На последнем этапе изготовления ИМС диэлектрический слой применяют для пассивации кристалла: этот слой, покрывая всю поверхность кристалла, предохраняет ИМС от воздействия окружающей среды. Более современным является анодное окисление кремния, позволяющее формировать диэлектрическую пленку на поверхности кремния почти любой толщины путем выбора режима анодного окисления. В отличие от термического окисления это низкотемпературный процесс, который избавляет от нескольких высокотемпературных обработок, связанных с выполнением термического окисления при формирований масок. Травление проводится в плавиковой кислоте, в которой этот слой растворяется. На тех участках пластины, на которых необходимо проводить диффузию, в слое при. помощи плавиковой кислоты вытравливают окна требуемых размеров. Литография. Окна на поверхности пластины, используемые для проведения диффузии, наносятся фотолитографическим методом. При этом поверх слоя; на пластину наносят фоторезистор, представляющий собой тонкую пленку светочувствительного органического материала. Затем накладывается фотошаблон в виде стеклянной контактной маски, на которой имеется рисунок, состоящий из прозрачных и непрозрачных областей. Через маску фоторезистор подвергается облучению ультрафиолетовыми лучами, в результате чего при действии проявителя на облученных участках фоторезистор не проявляется. Таким образом, на поверхности пластины остается рисунок определенной конфигурации и соответствующих размеров. При травлении пластины в плавиковой кислоте для удаления слоя фоторезистор не растворяется, поэтому окна вскрываются только на участках, не покрытых экспонированным фоторезистором. Через эти окна и проводится, диффузия. Фотолитография позволяет создавать рисунки с размерами элементов не менее- 2 мкм. Этим размером ограничивается плотность компоновки элементов на пластинах. |















