posob1 (721932), страница 2
Текст из файла (страница 2)
- изменять сопротивления резисторов и емкости конденсаторов в выходной цепи транзистора с помощью переключателей, расположенных на передней панели макета;
- связывать специальные клеммы, к которым подключены регистрирующие в приборы (милливольтметр и осциллограф) с любой контрольной точкой схемы с помощью специальных клавиш.
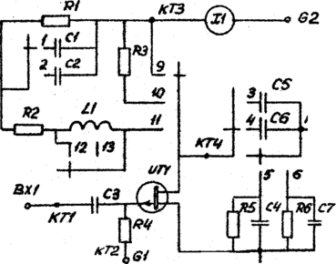
Исследование работы усилителя проводить при Ес, равном 10 В. В макете установлен маломощный транзистор КП103М с параметрами S1,3 мА/В; Uпср = 4,0 В; Сзн = 20 пФ; Сзс = 8 пФ; Рмакс=120мВт. Остальные детали имеют следующие параметры:
R1= 1,00 кОм; R2= I кОм; R3= 2 кОм; R4= 100 кОм;
R5=910 кОм; R6= 100 кОм; С1 = 2200 пф; С2= 20 мкф;
C3= 0,1 мкф; С4= 750 пф; С5= 4700 пф; С6 = 1200 пф
С7= 300 пф, Lк = 5500 мкГн.
Рис. 19. Схема макета лабораторной работы № 4
Подготовить к работе генератор стандартных сигналов, милливольтметр переменного тока, осциллограф и генератор прямоугольных импульсов. Ознакомившись с назначением органов управления лабораторной установки и присоединив к ней измерительные приборы, подключить установку к сети.
1. Обеспечить работу усилителя в классе А.
2. Экспериментально определить коэффициент усиления усилителя по напряжению, и динамический диапазон усилителя Uвхмакс при различных Rс. Дать заключение, как влияет сопротивление Rc на кu0 и Uвхмакс;
3. Собрать схему усилителя, имеющего наименьшую полосу пропускания. Снять и построить в полулогарифмическом масштабе АЧХ. Определить нижний и верхнюю граничные частоты.
4. Повторить п. 3 дня усилителя, имеющего наиболее широкую полосу пропускания (без цепей коррекции),
5. Дать заключение о влиянии параметров транзистора и деталей схемы на граничные частота полосы пропускания усилителя.
6. Расширить полосу пропускания усилителя (по сравнению с п.4) за счет применения цепей коррекции. Снять и построить АЧХ и оценить, на сколько при этом изменились граничные частоты.
7. Исследовать прохождение импульсного сигнала с параметрами н= 10 мкс и f = 10 кГц через линейный усилитель для вариантов схемы п.3, п.4 и п.6. Оценить искажения формы прямоугольного импульса в каждом случае и найти по искажениям граничные частоты усилителя.
8. Рассчитать кu0, fв , fн для рассматриваемых вариантов усилителя и оценить относительную разность между вычисленными и экспериментально найденными значениями параметров.
Контрольные вопросы
1. Чем различаются между собой статические и динамические ВАХ униполярного транзистора?
2. Каковы источники НЧ и ВЧ искажений в усилителе?
3. Как расширить полосу пропускания усилителя?
4. Какие детали определяют коэффициент усиления по напряжению усилителя и его динамический диапазон?
5. Какова связь между граничными частотами полосы пропускания усилителя и искажениями формы прямоугольного импульса, усиливаемого им?
Литература
Манаеа Е.И. Основы радиоэлектроники. - М.: Радио и связь,1985. - С. I59-I62, 209-216.
















