240-2446 (721928), страница 3
Текст из файла (страница 3)
Рис. 4. Характеристика АЦП при наличии шума Рис. 5. Характеристика идеального четырехразрядного АЦП
3. Контроль статических параметров ИМС АЦП
Из-за неопределенности квантования при аналого-цифровом преобразовании, равной 1/2 значения младшего разряда Δ, контроль АЦП представляет большие трудности по сравнению с контролем ЦАП, поскольку приходится не просто измерять выходной сигнал для заранее определённого кода (в случае ЦАП), но также определять как выходной код, так и точку (момент) изменения выходного кода при непрерывном изменении входного напряжения. Шумы (в преобразуемом сигнале или в преобразователе) вносят неопределенность в точное задание аналоговых входных величин, при которых происходят кодовые преобразования выходных сигналов, а также увеличивают диапазон квантования. Характер погрешности, обусловленной влиянием шума, показан на рис. 4.
При отсутствии шума и погрешности линейности АЦП изменение выходного кода происходит при номинальных значениях входного напряжения. При отсутствии шума и наличии допустимых погрешностей линейности АЦП выходной код изменяется при изменении входного напряжения относительно его номинального значения на (±1/2) Δ. Шумы вызывают увеличение неопределенности момента изменения выходного кода (шумы показаны на рис. 4 в виде тонких линий).
Отметим, что точность АЦП не может быть лучше его разрешающей способности. В ЦАП, напротив, технические требования по точности превосходят требования по разрешающей способности. Такое различие объясняется противоположным характером этих преобразователей:
выход ЦАП может с высокой точностью воспроизводить уровень, являющийся мерой точного числа, между тем как выходной уровень АЦП определяется любой входной величиной в пределах кванта.
Наибольшим числом контролируемых параметров обладают АЦП последовательного приближения, в котором применяются ЦАП и компаратор в цепи обратной связи. Эти преобразователи, так же как и ЦАП, характеризуются дифференциальной нелинейностью и немонотонностью в отличие от интегрирующих АЦП, у которых может наблюдаться только нелинейность. На рис. 5 показана выходная характеристика идеального четырехразрядного АЦП, каждая ступенька которой постоянна по ширине и равна Δ. Тем не менее даже для идеального АЦП (всех типов) существует неопределенность, равная (±1/2)А относительно входного напряжения, соответствующего какому-либо выходному коду АЦП. У реального АЦП (имеющего нелинейность) неопределенность возрастает до суммы погрешностей квантования и линейности. Если ЦАП, применяемый в АЦП последовательного приближения, нелинеен, то размер ступеньки отклонится от идеального значения и напряжения переходов сдвинутся от напряжении идеальных переходов. На рис. 10.30 приведена характеристика АЦП, внутренний ЦАП которого имеет погрешности разрядов: δ1=(l/2)A (при коде 1000), δ2=(—1/2)А (при коде 0100), δ3=0 (при коде 0010), δ4=0 (при коде 0001). Области рис. 10.30, отмеченные пунктирными кружками, свидетельствуют о том, что изменения в погрешности дифференциальной линейности (а следовательно, и в погрешности линейности) имеют место при переносах кода.Метод контроля параметров АЦП, который необходимо использовать в каждом конкретном случае, зависит от многих причин. Одна из них—время преобразования контролируемого АЦП. Для преобразователей со временем преобразования менее 100 мкс (преобразователи последовательного .приближения) могут быть использованы все методы контроля. Иначе обстоит дело при контроле «медленных» АЦП. Например, преобразователи интегрирующего типа, время преобразования которых составляет десятки и сотни миллисекунд, не могут быть исследованы динамическим методом, предусматривающим наблюдения погрешности с помощью осциллографа.Простейший метод контроля параметров АЦП заключается в применении образцового ЦАП для формирования входного аналоговового сигнала контролируемого АЦП и в последующем сравнении входного кода образцового ЦАП и выходного кода АЦП. Однако он не определяет точного значения входного сигнала в момент перехода кода в пределах А. Поэтому таким методом можно определить точность калибровки (погрешность шкалы), нелинейность, дифференциальную нелинейность АЦП с погрешностью контроля не менее Δ. Рассмотрим схемы нескольких устройств, позволяющих автоматизировать процесс контроля параметров АЦП, в которых используется многоразрядный образцовый ЦАП, предназначенный для формирования входного сигнала АЦП либо для восстановления аналогового сигнала из выходного кода АЦП. При этом линейность ЦАП должна быть на порядок выше линейности проверяемого АЦП.
На рис. 6 представлена схема одного из таких устройств. С генератора Г напряжение синусоидальной формы Uвх поступает на вход контролируемого АЦП и
Рис. 6. Схема устройства автоматического контроля параметров АЦП
на один из входов дифференциального усилителя У. Результат преобразования в виде кода Ni с частотой запуска АЦП заносится в регистр. Затем код Ni преобразуется с помощью образцового ЦАП (разрядность которого должна быть, по крайней мере, на четыре единицы больше разрядности контролируемого АЦП) в аналоговый сигнал Uвыx, подаваемый на другой вход усилителя. Разностный сигнал усилителя ΔU=k(Uвх — Uвыч) характеризуется суммой погрешности квантования (±1/2)А и погрешности линейности АЦП. Следует учитывать, что любой сдвиг по фазе между входным сигналом АЦП и задержанным выходным сигналом ЦАП дает дополнительную погрешность. Поэтому для минимизации этой дополнительной погрешности частота входного сигнала должна быть достаточно низкой и определять ее необходимо исходя из быстродействия контролируемого АЦП и образцового ЦАП.
На рис. 7 приведена схема еще одного устройства автоматического контроля АЦП, где образцовый ЦАП используется в качестве формирователя входного воздействия на контролируемый преобразователь. Формирователь кодов ФК обеспечивает формирование на цифровых входах образцового ЦАП любой требуемой кодовой комбинации. Выходное напряжение ЦАП подается на вход контролируемого АЦП. Цифровой код Ni с АЦП передается в запоминающий регистр ЗРг после каждого преобразования. Цифровое слово Ni’, присутствующее на входе образцового ЦАП, вычитается в устройстве ВУ из кода Ni и цифровая ошибка ΔN=Ni—Ni’ подается на ЦАП с низкой разрешающей способностью, на выходе которого
Рис. 7. Схема устройства контроля АЦП с разбраковкой результата контроля
она представляется в аналоговой форме. Кроме того, цифровая ошибка ΔN может быть подана на цифровой компаратор ЦК, в который занесены верхний и нижний пределы ее допустимых значений, что позволяет произвести проверку АЦП по принципу «годен—не годен», т. е. разбраковку контролируемых преобразователей. Разрешающая способность образцового ЦАП в данной схеме, как и в предыдущей, должна быть на порядок выше, чем в контролируемом АЦП, чтобы уровень квантования аналогового сигнала на входе АЦП не ограничивал разрешающую способность считывания ошибки.
Как указывалось, сложность контроля параметров АЦП заключается в том, что каждому его выходному числовому коду соответствует определенная непрерывная аналоговая входная величина (ширина ступеньки на рис. 5, 10.30), крайние значения которой формируют соответствующие смежные числовые переходы. Поэтому для более качественного контроля характеристик АЦП требуется определение значения каждого из переходных уровней входного напряжения, что не обеспечивается предыдущей схемой.
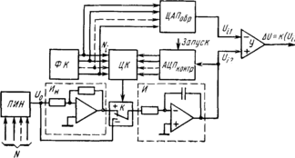
На рис. 8 изображена схема устройства, осуществляющего контроль выходной характеристики АЦП с автоматическим поиском переходных уровней. Это достигается включением контролируемого АЦП в цепь обратной связи, регулирующей его входное напряжение. Цифровой код Ni определяемого перехода с формирователя кодов ФК поступает на цифровой компаратор ЦК и на образ
Рис. 8. Схема устройства контроля АЦП с автоматическим поиском переходных уровней
цовый ЦАП. На другой вход компаратора подается выходной цифровой сигнал контролируемого АЦП. Цифровой компаратор вырабатывает сигнал, управляющий ключом К, через который на вход интегратора И поступает напряжение Но определенной полярности, формируемое программируемым источником напряжения ПИН и инвертором Ин. Система сфазирована таким образом, что изменяющееся выходное напряжение интегратора приближает выходной код АЦП к записанному в компаратор коду Ni. В момент достижения равенства кодов направление изменения выходного напряжения интегратора изменяется на противоположное вследствие переключения ключа К. В дальнейшем процесс продолжается при периодическом пилообразном колебании выходного напряжения интегратора вблизи уровня перехода. Точность, с которой производится поиск уровня перехода, определяется постоянной времени Т интегратора, его входным интегрируемым напряжением Uo и быстродействием контролируемого АЦП. Действительно, приращение ΔUи выходного напряжения интегратора за время интегрирования tи определяется соотношением
ΔUи=U0tи/T
Длительность интегрирования зависит от начальной разности кодов, поступающих на цифровой компаратор:
при большой разности длительность больше. Минимальное значение tn будет при периодическом колебании выходного напряжения интегратора относительно уровня перехода. При этом tи определяется периодичностью отсчетов АЦП, т. е. его быстродействием, и в предельном случае не превышает периода запуска АЦП Тзап. Для обеспечения требуемой точности контроля значение ΔUи не должно превышать нескольких процентов от значения младшего разряда Л контролируемого АЦП. При известных параметрах контролируемого АЦП (Δ и Тзап) и постоянной времени Т интегратора входное интегрируемое напряжение Uo для допустимой относительной погрешности γ= ΔUи/Δ поиска уровня перехода определяется неравенством
и для каждого конкретного типа АЦП формируется программируемым источником напряжения ПИН. Для уменьшения времени поиска уровня перехода при больших начальных рассогласованиях входных кодов компаратора начальное значение Uo устанавливается значительно большим требуемого до момента наступления равенства кодов, после чего U0 автоматически приводится к заданному значению. Найденное таким образом напряжение перехода Ui2 сравнивается затем дифференциальным усилителем У с напряжением Ui1, создаваемым образцовым ЦАП. Разностное выходное напряжение усилителя и будет характеризовать погрешность контролируемого АЦП в заданной точке характеристики.
Рассмотренные методы контроля АЦП с использованием образцового ЦАП нашли широкое применение при создании автоматизированного контрольно-измерительного оборудования.
4. Контроль динамических параметров ИМС АЦП
Для преобразования быстроизменяющихся сигналов с широким частотным спектром, быстрого ввода информации в ЭВМ, в частности аналоговых сигналов с первичных преобразователей при работе в многоканальных информационных системах, требуются АЦП, имеющие хорошую линейность и малое время преобразования. Последнее определяют как интервал времени, в течение которого выходной сигнал АЦП при подаче ступенчатого входного сигнала достигает значения, отличающегося от установившегося не более чем на допустимую погрешность. Следует иметь в виду, что при определении времени преобразования необходимо учитывать статическую погрешность преобразования, чтобы последняя не входила составной частью в результирующую погрешность определения времени преобразования. Поэтому под установившимся значением выходного сигнала АЦП понимают результат преобразования в статическом режиме, когда процесс преобразования заведомо завершился.
В
Рис 9 Схема Устройства измерения времени преобразования АЦП с внещним запуском.
отличие от ЦАП, для которых динамическая и статическая погрешности преобразования могут быть определены как составная часть его разрешающей способности, в контролируемом АЦП погрешность преобразования, как бы мала она ни была, лимитируется погрешностью его дискретности. Помимо определения времени преобразования в ряде случаев требуется контроль дополнительных динамических характеристик: времени переходного процесса во входных цепях АЦП tвх и времени цикла преобразования tц, необходимого для отработки всех разрядов АЦП и получения на выходе соответствующего кода. Эти характеристики связаны соотношением tпр=tвх+tц, поэтому достаточно проконтролировать tгр и одну из оставшихся величин. Контроль времени tвх целесообразен, когда оно соизмеримо со временем кодирования, поскольку значение tax можно использовать в дальнейшем для определения соответствующей составляющей результирующей погрешности в динамическом режиме. Если время преобразования не зависит от значения входного сигнала, то целесообразно контролировать одно значение tпр в точке, расположенной в верхней половине диапазона измерений.













