kursovik (721914)
Текст из файла
МИНИСТЕРСТВО ВНУТРЕННИХ ДЕЛ РОССИЙСКОЙ ФЕДЕРАЦИИ
ВОРОНЕЖСКИЙ ИНСТИТУТ
Кафедра радиотехники
КУРСОВАЯ РАБОТА
по курсу: «Радиотехнические цепи и сигналы»
Вариант 8 «Детектирование амплитудно-модулированных сигналов»
Выполнил: слушатель 31 учебной группы
радиотехнического факультета з/о
Оларь Андрей Геннадьевич
шифр 00/72
347800 Ростовская область г. Каменск
ул. Героев-Пионеров д. 71 кв. 72
Проверил:
“_____” _______________ 200__ г.
ВОРОНЕЖ 2002 г.
СОДЕРЖАНИЕ:
стр.
-
Введение - 3
-
Задание на курсовую работу - 4
-
Расчёт цепи нагрузки коллекторного детектора - 5
-
Спектральные диаграммы сигналов коллекторного детектора - 6
-
Расчёт цепи нагрузки диодного детектора - 7
-
Спектральные диаграммы сигналов диодного детектора - 8
-
Заключение - 10
-
Список использованной литературы - 11
-
ВВЕДЕНИЕ
На современном этапе развития общества наблюдается рост преступлений связанных с хищением имущества различной формы собственности. В связи с этим в системе МВД важная роль отведена вневедомственной охране. В наш век, научно-технических революций, вневедомственная охрана заинтересована в том, чтобы задачи, по обеспечению надёжной охраны объектов, стоящие перед ней, выполнялись с использованием новейших технологий, а подразделения вневедомственной охраны формировались из квалифицированных и высоко подготовленных специалистов.
Основными задачами специалистов вневедомственной охраны являются:
-
смена устаревшей техники;
-
повышение помехоустойчивости извещателей и систем передачи извещений.
Выполнение данных задач возможно только при наличии высшего радио инженерного образования. Одним из базовых курсов при получении такого образования является курс «Радиотехнические цепи и сигналы».
Данный курс даёт основу для дальнейшего изучения радиотехники, т.к. именно на простейшем уровне описываются сложные процессы в радиоэлектронных устройствах.
В настоящее время, можно сказать, радиотехника является одним из выдающихся достижений человечества. Без неё немыслима не современная наука, ни техника, ни промышленность. Без развития радиотехники невозможно развитие современной вычислительной техники, которая используется во всех сферах человеческой деятельности.
-
ЗАДАНИЕ НА КУРСОВУЮ РАБОТУ
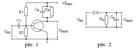
На рисунке 1 и 2 приведены схемы коллекторного и диодного детекторов амплитудно-модулированных сигналов. Резисторы R1 и R2 в схеме коллекторного детектора образуют делитель напряжения Еп, который задаёт постоянную составляющую напряжения базы транзистора, а разделительный конденсатор С1 имеет большую ёмкость и предназначен для разделения источника питания транзистора Еп и источника входного сигнала по постоянному току. В коллекторном и диодном детекторах в качестве нагрузки используется параллельная RC-цепь, состоящая из конденсатора ёмкостью Сн и резистора с сопротивлением Rн.
Где
- амплитуда и частота несущего колебания, m – глубина модуляции, - частота модулирующего сигнала.
Задание:
-
Найти значения сопротивления Rн и ёмкости Сн в цепи нагрузки коллекторного детектора, при которых коэффициент детектирования равен единице, если крутизна транзистора S=10 mA/В, частоты несущего и модулирующего колебаний равны 0=106 рад/сек, =104 рад/сек соответственно.
-
Изобразить спектральные диаграммы входного и выходного сигналов коллекторного детектора с указанием амплитуд и частот всех спектральных составляющих. Амплитуду несущего колебания и глубину модуляции считать равными Um=0,1 В, m=0,5.
-
Найти значения сопротивления Rн и ёмкости Сн в цепи нагрузки диодного детектора, при которых коэффициент детектирования равен 0,9, если крутизна транзистора S=10 mA/В, частоты несущего и модулирующего колебаний равны 0=106 рад/сек, =104 рад/сек соответственно.
-
Изобразить спектральные диаграммы входного и выходного сигналов диодного детектора с указанием амплитуд и частот всех спектральных составляющих. Амплитуду несущего колебания и глубину модуляции считать равными Um=0,1 В, m=1.
-
РАСЧЁТ ЦЕПИ НАГРУЗКИ КОЛЛЕКТОРНОГО ДЕТЕКТОРА
Найти значения сопротивления Rн и ёмкости Сн в цепи нагрузки коллекторного детектора, при которых коэффициент детектирования равен единице, если крутизна транзистора S=10 mA/В, частоты несущего и модулирующего колебаний равны 0=106 рад/сек, =104 рад/сек соответственно.
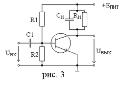
На рис.3 приведена схема коллекторного детектора амплитудно-модулированных сигналов. В данной схеме резистор Rн образует делитель напряжения Епит и задаёт постоянную составляющую напряжения базы транзистора, а разделительный конденсатор Сн имеет большую ёмкость и предназначен для разделения источника питания транзистора Епит и источника входного сигнала по постоянному току. Параллельная RC-цепь используется в качестве нагрузки, она состоит из конденсатора емкостью Сн и резистора Rн.
Входной сигнал будет иметь вид:
где Um, 0 – амплитуда и частота несущего колебания, m – глубина модуляции, - частота модулирующего сигнала.
Коэффициент детектирования коллекторного детектора определим из выражения:
Кд=0,318*S*Rн, (2)
где S – крутизна транзистора.
Величину сопротивления в цепи определим из выражения (2):
Rн=1/(0,318*S*Кд)
Подставляя данные, получим:
Rн=1/(0,318*0,01*1)=314 (Ом)
Сопротивление Rн и ёмкость Сн в цепи нагрузки коллекторного детектора должны удовлетворять условию:
1/0<
где 0 – частота несущего колебания, 0 - частота модулирующего колебания.
Используя соотношение (3) выберем ёмкость Сн в цепи нагрузки:
1/1000000<<314*Сн<<1/10000,
314*Сн=0,000001,
Сн=3,18*10-9Ф=3,18 (нФ).
-
СПЕКТРАЛЬНЫЕ ДИАГРАММЫ СИГНАЛОВ КОЛЛЕКТОРНОГО ДЕТЕКТОРА
Изобразить спектральные диаграммы входного и выходного сигналов коллекторного детектора с указанием амплитуд и частот всех спектральных составляющих. Амплитуду несущего колебания и глубину модуляции считать равными Um=0,1 В, m=0,5.
Так как входной сигнал модулирован по амплитуде одно-тональным сигналом, то данный сигнал будет содержать только три гармонических составляющих на частотах 0-, 0, 0+ с амплитудами соответственно mUm/2, Um, mUm/2, где 0, - частоты несущего и модулирующего колебаний, m – глубина модуляции (рис. 4).
Из определения коэффициента детектирования:
Кд=Umвых/(m*Um)
определим амплитуду сигнала на выходе детектора:
Umвых= Кд*m*Um=1*0,5*0,1=0,05 (В)
Амплитуда гармонических составляющих:
m=0,1;
mUm/2=0,5*0,1/2=0,025 (В)
Исходя из выше найденных данных, построим спектральную диаграмму сигналов коллекторного детектора:
Um, B
, 105 рад/сек
0 0 – 0 0+
рис.4 «Исходная диаграмма»
При построении спектральных диаграмм по оси Y откладывается амплитуда, а по оси Х частоты гармонических составляющих сигнала.
При условии (3), в спектре выходного сигнала детектора, будет только одна гармоническая составляющая с частотой (рис. 5)
рад/сек
0 =104
рис.5 «Выходная характеристика»
-
РАСЧЁТ ЦЕПИ НАГРУЗКИ ДИОДНОГО ДЕТЕКТОРА
Найти значения сопротивления Rн и ёмкости Сн в цепи нагрузки диодного детектора, при которых коэффициент детектирования равен 0,9, если крутизна транзистора S=10 mA/В, частоты несущего и модулирующего колебаний равны 0=106 рад/сек, =104 рад/сек соответственно.
На рис. 6 приведена схема диодного детектора амплитудно-модулированных сигналов. В данной схеме в качестве нагрузки используется параллельная RC-цепь. Она состоит из резистора с сопротивлением Rн и конденсатора ёмкостью Сн.
Коэффициент детектирования диодного детектора определяется из выражения:
Кд=cos[(3/(S*Rн))1/3], (5)
где S – крутизна диода.
Выразим сопротивление резистора Rн из выражения (5):
arсcos Кд=(3/(S*Rн))1/3; Rн1/3=(3/S) 1/3/arсcosКд;
Rн=((3/S) 1/3/arсcosКд)3. (6)
Подставим данные в выражение (6):
Rн=((3/S) 1/3/arсcosКд)3=((3/0,01)1/3arсcos0,9)3=10272 (Ом).
Сопротивление Rн и ёмкость Сн в цепи нагрузки диодного детектора должны удовлетворять условию:
1/0<
где 0 – частота несущего колебания, 0 - частота модулирующего колебания.
Используя соотношение (7) выберем ёмкость Сн в цепи нагрузки диодного детектора:
1/1000000<<10272*Сн<<1/10000,
10272*Сн=0,000001,
Сн=9,73*10-11Ф=97,3 (нФ).
-
СПЕКТРАЛЬНЫЕ ДИАГРАММЫ ДИОДНОГО ДЕТЕКТОРА
Изобразить спектральные диаграммы входного и выходного сигналов диодного детектора с указанием амплитуд и частот всех спектральных составляющих. Амплитуду несущего колебания и глубину модуляции считать равными Um=0,1 В, m=1.
Так как входной сигнал модулирован по амплитуде одно-тональным сигналом, то он будет содержать только три гармонических составляющих на частотах 0-, 0, 0+ с амплитудами соответственно mUm/2, Um, mUm/2, где 0, - частоты несущего и модулирующего колебаний, m – глубина модуляции (рис.7).
Из определения коэффициента детектирования:
Кд=Umвых/(m*Um)
определим амплитуду сигнала на выходе детектора:
Umвых= Кд*m*Um=1*0,9*10=9 (В)
Амплитуда гармонических составляющих:
m=1;
mUm/2=1*10/2=5 (В)
Исходя из выше найденных данных, построим спектральную диаграмму сигналов диодного детектора:
Um, B
, 105 рад/сек
0 0 – 0 0+
рис.7 «Входная диаграмма»
При построении спектральных диаграмм по оси Y откладывается амплитуда, а по оси Х частоты гармонических составляющих сигнала.
При условии (7), в спектре выходного сигнала детектора, будет только одна гармоническая составляющая с частотой (рис. 8)
Um, В
0 =104
рис.8 «Выходная характеристика»
-
ЗАКЛЮЧЕНИЕ
Для коллекторного детектора понадобится меньшее напряжение сигнала, а также такой детектор обеспечит лучший коэффициент детектирования.
Диодный детектор наиболее прост в конструировании и, соответственно дешевле.
-
СПИСОК ИСПОЛЬЗОВАННОЙ ЛИТЕРАТУРЫ
-
Радиотехнические цепи и сигналы (под ред. К.А. Самойло – М.: Радио и связь, 1982)
-
С.И. Баскаков «Радиотехнические цепи и сигналы», 2-е издание – М.: Высшая школа, 1988
-
У.М. Сиберт «Цепи, сигналы, системы» в 2-х частях.: Пер. с английского. – М.: Мир, 1988
11
314>1>1>10272>
Характеристики
Тип файла документ
Документы такого типа открываются такими программами, как Microsoft Office Word на компьютерах Windows, Apple Pages на компьютерах Mac, Open Office - бесплатная альтернатива на различных платформах, в том числе Linux. Наиболее простым и современным решением будут Google документы, так как открываются онлайн без скачивания прямо в браузере на любой платформе. Существуют российские качественные аналоги, например от Яндекса.
Будьте внимательны на мобильных устройствах, так как там используются упрощённый функционал даже в официальном приложении от Microsoft, поэтому для просмотра скачивайте PDF-версию. А если нужно редактировать файл, то используйте оригинальный файл.
Файлы такого типа обычно разбиты на страницы, а текст может быть форматированным (жирный, курсив, выбор шрифта, таблицы и т.п.), а также в него можно добавлять изображения. Формат идеально подходит для рефератов, докладов и РПЗ курсовых проектов, которые необходимо распечатать. Кстати перед печатью также сохраняйте файл в PDF, так как принтер может начудить со шрифтами.















