135332 (721874), страница 4
Текст из файла (страница 4)
1. Аналоговых
2. Дискретных.
Регулирующие воздействия могут выдаваться на вход как в аналоговой так и в дискретной форме. При этом дискретные (импульсные) сигналы формируются программным путем и поступают к исполнительным механизмом через дискретные выходы. Таким образом при обработке аналоговых
сигналов осуществляется двойное преобразование : аналого-цифровое на входе и цифро-аналоговое на выходе Внешние цепи подключаются к контроллеру через два независимых канала А и Б. При этом контроллер может обрабатывать сигналы группы А или сигналы обеих групп. При
алгоритмической обработке сигналы групп А и Б могут "замешиваться" в одни общий массив информации. Все аналоговые и дискретные входы и выходы контроллера полностью универсальны и не привязаны к каким-либо функциям контроллера. Привязка входов и выходов осуществляется
пользователем и реализуется в процессе программирования.
Аппаратура оперативного управления и настройки.
Органы контроля и управления блоком контроллера располагаются на передних панелях и включают в себя цифровые и светодиодные индикаторы, для отображения оперативной информации, и набором клавиш. Этими органами пользуется оператор ведущий технологический процесс. Вид лицевой панели зависит от модели контроллера Пульт настройки -это
инструмент оператора -наладчика. С его помощью осуществляется выбор алгоблоков и алгоритмов обработки информации, а также создается виртуальная структура. Пульт настройки позволяет контролировать промежуточные значения сигналов внутри виртуальной структуры.
Аппаратура интерфейсного канала.
Каждый контроллер снабжен интерфейсом для связи с внешними устройствами (управляющей вычислительной машиной и т.п.),имеющими приемо-передатчик преобразующими передаваемую информацию в виде последовательного кода (биты) в параллельный код (байты).Обмен
информацией осуществляются только в цифровой форме.
Алгоритмические блоки
В исходном состоянии алгоритмические блоки как физическое устройство отсутствуют и ни какие функции по обработке сигналов контроллером не выполняются. Они появляются только тогда , когда в процессе технологического программирования в процессор записывается алгоритм
(программа) обработки сигналов.
Библиотека алгоритмов
Контоллер содержит обширную библиотеку алгоритмов (программ),обработки информации достаточную для реализации сравнительно сложных задач автоматического регулирования и
программного управления. Помимо алгоритмов автоматического регулирования и логико-программного управления в библиотеке имеется большой набор алгоритмов статического, математического, логического и аналого-дискретного преобразования сигналов.
3.2. Общие свойства алгоритмов и алгоблоков.
Входы-выходы алгоритма
В общем случае алгоритм обработки информации характеризуется входными и выходными величинами и может быть представлены в виде.
Рис. 1.2.
При этом в алгоритме различают два вида входов: а) сигнальные – по которым подается информация подлежащая обработке; б) настроечные - определяющими параметры настройки алгоритмов. Так, например, алгоритм интегрирования входного сигнала по времени может представлен в виде .
Рис. 1.3.
Ч
исло входов и выходов алгоритма не фиксируется и определяется, в первую очередь, алгоритмом настройки. Число входов любого алгоритма не может превышать 99,а число выходов 26.В частном случае алгоритм может не иметь входов и выходов. Все входе и выходы могут подвергаться конфигурированию. В ряде случаев, некоторые алгоритмы имеют неявные входы и выходы, имеющие специальное назначение и недоступные для конфигурирования. К таким алгоритмам относят алгоритмы ввода-вывода, приемо-передачи оперативного управления.
Например, при программировании какого-либо алгоблока алгоритмом ввода информации, его неявные входы подключаются к АЦП, обрабатывающим сигналом группы А ,а на выходах будут сформированы общедоступные сигналы. Поэтому, если на вход какого-либо функционального алгоритма нужно подать аналоговый сигнал, то этот вход при программировании
следует соединить с соответствующим выходом алгоритма аналогового ввода.
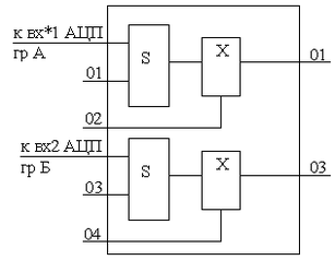
Алгоритм "Ввод аналоговой группы А"
с неявным входом
Рис. 1.4.
Входы 01-04 - сигналы калибровки.
Выходы 01 и 03 сигналы эквивалентны (с учетом калибровки)
сигналом на аналого вх. вых. Неявные входы обозначаются тонкими линиями.
Все входы, как сигнальные, так и настроечные имеют сквозную нумерацию
от 01 до 99. Выходы алгоритма также нумеруются двузначной цифрой от 01 до 25.
Реквизиты алгоритма.
В общем случае описание алгоритма в библиотеке имеет три реквизита:
1) библиотечный номер;
2) модификатор;
3) масштаб времени. Библиотечный номер представляет собой двух
значную десятичную цифру и является основным параметром, характеризующим свойства алгоритма. В библиотеке есть номера, которые не соответствуют не одному из алгоритмов. Такие номера называются "пустыми", а алгоритм соответствующий этому номеру "пустой". Алгоблок с "пустым" алгоритмом не имеет входов-выходов и никакой работы не выполняет, а также не влияет на работу других алгоблоков, но в ОЗУ занимает определенное место и требует некоторого
времени на обслуживание. Модификатор задает дополнительные свойства алгоритма. Обычно модификатор задает число однотипных операций. Например, в сумматоре модификатор задает число суммируемых входов; в программном задатчике - число участков программы и т.п. В отдельных случаях модификатор задает набор определенных параметров, в алгоритме
контроля контура регулирования модификатор задает параметры контура, локальный контур или каскадный контур, аналоговым или импульсным регулятором и т.д.
Масштаб времени
Масштаб времени имеется только в алгоритмах, чья работа связана с реальным временем, например, в таких как регулирование, программный задатчик, таймер и т.д. Масштаб времени задает одну из двух размерностей для временных сигналов или параметров. Если контроллер в
целом настроен на младший диапазон, то масштаб времени индивидуально в каждом алгоблоке задает масштаб "секунды" или "минуты". Для старшего диапазона масштаб времени задает "минуты" или "часы". Алгоритмы с одним и тем же номером, помещаемые в различные алгоблоки,
могут иметь индивидуальные в каждом алгоблоке модификатор и масштаб времени. Наличие модификатора и масштаба времени существенно расширяет возможности алгоритмов. Например, в одном алгоблоке может размещаться программный задатчик, имеющий несколько участков
программы протяженностью несколько секунд.
3.3. Ресурсы требуемые алгоритмом.
При программировании контроллера следует помнить, что каждый алгоблок использует определенные ресурсы контроллера. К ним относятся время, затрачиваемое на обслуживание, и объем занимаемой памяти. Время, затрачиваемое на обслуживание, зависит от вида алгоритма,
помещенного в алгоблок, и уставного модификатора. В общем случае время, затрачиваемое на обслуживание алгоритма можно определить из соотношения Та=Тб+m*Tm (1.1.) где
Та-время, затрачиваемое на обслуживание алгоритма Тб-базовое время, затрачиваемое на обслуживание алгоблока при значении модификатора m=0 . Тm-дополнительное время, затрачиваемое на обслуживание алгоритма при каждом приращении модификатора на
единицу.
Найденное время Та является определяющим при определении и установлении времени цикла Тц обработки информации. Общее время Таб должно быть меньше Тц. Общее время Таб, затрачиваемое на обслуживание всей алгоритмической структуры, запрограммированной
в контроллере определяется как N Таб=#Тai (1.2.) i=1 где N-число задействованных алгоблоков. Помимо времени обслуживания, алгоблоки используют часть объема оперативной
памяти (ОЗУ), которая необходима для хранения алгоритма и обработки информации. Условно эти области обозначены ОЗУ1 и ОЗУ2. В области ОЗУ1 хранятся значения параметров, которые не записываются в ППЗУ , а в ОЗУ2 параметры, записываемые в ППЗУ. В общем случае объем памяти требуемый алгоблоку Па можно определить из соотношения Паj=Пбj=m*Пм
(1.3.) где Паj- базовый объем памяти, требуемый алгоблоку при модификаторе m=0. Пбj- дополнительный объем памяти, требуемый при приращении модификатора на единицу. Общая область ОЗУ1, требуемая для задействованных алгоблоков N Паб1=#Пa1i
(1.4.) i=1
Аналогично для ОЗУ2.
N
Паб2=#Пa2i (1.5.)
i=1
Свободные области ОЗУ1 и ОЗУ2 представляет собой не использованный ресурс. При программировании контроллера необходимо следить за тем, чтобы объем памяти занимаемый задействованными алгоритмами не превышал ресурсы ОЗУ1 и ОЗУ2. Общий ресурс памяти: ОЗУ1-2300 байт; ОЗУ2-2680 байт.
Процедуры обслуживания алгоблоков.
Обслуживание алгоблоков в блоке контроллера ведется циклически с постоянным времени цикла, значение которого устанавливается при программировании приборных параметров. Цикл обслуживания начинается с алгоблока 01 и продолжается в порядке возрастания номеров. По
истечению времени цикла, обслуживание начинается с алгоблока 01. Время цикла может изменятся в пределах от 0.2 до 2 с. с шагом 0.2 с.С учетом затраченного времени на обслуживание всех алгоблоков Таб время цикла Тц должно превышать эти затраты. Излишки времени т.е. разность
Тц-Таб используется для выполнения процедур самодиагностики. Если в _ оставшееся в цикле время нет возможности полностью выполнить диагностику , то эта процедура растягивается на несколько циклов. Это может привести к несвоевременному выявлению ошибок. Кроме того во
время цикла обслуживание происходит передача и прием информации по интерфейсному каналу. Таким образом Тц>Таб=Тин (1.6.) Если это соотношения не выполняются, необходимо увеличить время цикла Тц или упростить решающую задачу. При выборе времени цикла следует оставлять
резерв, не меньше 0.04-0.08с.
4. Подготовка и включение РЕМИКОНТ Р 130
Регулирующий контроллер РЕМИКОНТ Р-130 является программируемым устройством. Технологическое программирование включает следующие процедуры: тестирование; установку приборных параметров; установку системных параметров; установку алгоритмов в алгоблоки; конфигурирование; установку параметров настройки; установку начальных условий; запись информации в программируемое постоянное запоминающее устройство. Сведения о процедурах
технологического программирования представлены в таблице.
Табл.4.1.
| Процедура | код | Выполняемые операции |
| тестирование | 00 | Комплексный тест ПЗУ и ОЗУ |
| 01-04 | Тестирование микросхем ПЗУ | |
| 05-08 | Тестирование микросхем ОЗУ | |
| 09-10 | Тестирование микросхем ППЗУ | |
| 11-12 | Тестирование интерфейсного канала | |
| 13 | Тест сторожа цикла | |
| 14 | Тестирование пульта настройки | |
| 15 | Тестирование лицевой панели БК-1 | |
| 16-17 | Тестирование цифро-дискретных преобразователей | |
| Установка | 00 | Обнуление или ввод стандартной конфигурации |
| приборных | 01 | Комплектность |
| параметров | 02 | Запрет изменения структуры и времен.диапазона |
| 03 | Время цикла | |
| 04-05 | Ресурс ОЗУ | |
| 06 | Вид библиотеки | |
| Системные | 00 | Номер в локальной сети |
| параметры | 01 | Режим работы интерфейса |
| Алгоритмы | - | Запись алгоритма, модификатора и масштаба времени в алогблоки |
| Конфигураци | - | Установка значений констант и коэффициентов настройки |
| Нач.условия | - | Установка начальных условий на входе агоблоков |
| ППЗУ | 00 | Запись из ОЗУ в ППЗУ |
| 01 | Восстановление информации из ППЗУ в ОЗУ | |
| 02 | Регенерация ПЗУ и ППЗУ |
Первое включение блока контроллера БК-1
1. Перед включением питания установить аккумуляторы в отсек батареи, Расположенный на задней панели блока контроллера. 2. Включить питание блока контроллера. К разьему , находящемуся на передней панели БК-1 подключить пульт настройки ПН-1. 3. Перевести контроллер в режим программирование. Для этого при мигающем светодиоде "Работа" нажать одновременно клавиши "вверх" и "вправо". Не позже чем через 3 с. должен загореться светодиод "Программ". Если при включении на пульте настройки будет гореть светодиод "Программ", то выполнять эту операцию не надо. 4. Нажатием клавиши "вправо" проверьте работу светодиодов в группе "Процедуры". При этом светодиоды должны поочередно загораться. 5. Протестируйте блок контроллера БК-1. Для этого установите на пульте настройки процедуру "Тест" и выполните все















