135329 (721871), страница 2
Текст из файла (страница 2)
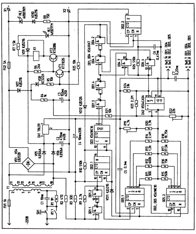
Рис.3.1
Светодиод HL1 зеленого цвета индицирует включение устройства. Светодиод HL2 красного цвета зажигается при ошибочном подключении батареи в обратной полярности. После исправления ошибки потребуется сменить предохранитель FU2.
Проследим работу устройства. Перед включением его в сеть необходимо подключить к зажимам Х1 и Х2 аккумуляторную батарею. Далее нажимают кнопку SB1. Через замкнутые контакты кнопки и конденсатор С1 на трансформатор Т1 подается напряжение сети. Ко вторичной обмотке трансформатора подключен выпрямительный мост на диодах VD1...VD4, с которого снимается пульсирующее напряжение, создающее ток зарядки аккумуляторной батареи. Два диода этого моста совместно с диодами VD5, VD6 образуют второй выпрямительный мост, постоянное напряжение с которого после сглаживания конденсатором СЗ подается для питания узла на транзисторах VT1, VT2. Цифровая часть устройства залитана от микросхемного стабилизатора DA1, обеспечивающего высокую стабильность и низкий уровень пульсаций выходного напряжения.
Начинается зарядка аккумуляторной батареи. Через диод VD7 пульсирующее напряжение поступает на фильтр низких частот R4-C3, снижающий пульсации до уровня, при котором они не оказывают заметного влияния на работу компаратора DA2. С конденсатора СЗ постоянное напряжение, пропорциональное напряжению на клеммах заряжаемой батареи, через резистивный делитель напряжения R21-R22 поступает на неинвертирующий вход компаратора DA2 (вывод 3). На инвертирующий вход компаратора (вывод 4) поступает напряжение с резистивной матрицы R11...R20. В момент включения устройства дифференцирующая цепь C5-R10 формирует импульс положительной полярности, который обнуляет все счетчики, за исключением DD2.2. Поэтому напряжение на выходе резистивной матрицы минимально и заведомо меньше напряжения, поступающего на вывод 3 DA2. На выходе компаратора (вывод 9) при этом высокий уровень, который через резистор R26 поступает на вход R (вывод 7) счетчика DD2.2, обнуляя также и его. Напряжение низкого уровня с выхода DD2.2 (вывод 4) через резистор R25 поступает на базу транзистора VT1, закрывая его. Транзистор VT2 при этом открывается, срабатывает реле К1 и своими контактами блокирует контакты кнопки SB1.
Через резистивный делитель R2-R3 на формирователь прямоугольных импульсов, выполненный на элементах DD1.1 и DD1.2, поступает пульсирующее напряжение частотой 50 Гц. С выхода, формирователя импульсы подаются на входы счетчиков DD2.1 и DD5.1. Счетчик DD2.1 совместно со счетчиком DD3 и элементами DD1.3, DD1.4 образуют таймер, отсчитывающий часовые промежутки времени. С целью некоторого упрощения схемы, цикл выбран равным примерно 65 минутам, что практически не влияет на режим зарядки аккумуляторной батареи.
Пока таймер не отсчитал заданный интервал времени, на выходе элемента DD1.4 будет присутствовать логический "0" и, следовательно, на выходе элемента DD4.3 и входе CN (вывод 1) счетчика DD5.1 будет логическая "1", запрещающая работу счетчика. Через час на выходе элемента DD1.4 появится напряжение высокого уровня. Элемент DD4.3 переключится и разрешит работу счетчика DD5.1, а также связанного с ним счетчика DD5.2. На выходе резистивной матрицы начнет формироваться ступенчато возрастающее (в такт входным импульсам) напряжение. Его минимальная величина (при логическом "0" на всех выходах счетчиков) выставляется резистором R19 в процессе регулировки, а максимальная — практически равна напряжению питания счетчиков DD5.1, DD5.2. Весь диапазон выходного напряжения матрицы разбит на 256 ступеней по 16...18 мВ.
Компаратор DА2 сравнивает напряжение на своем неинвертирующем входе, которое пропорционально напряжению на аккумуляторной батарее, с напряжением на выходе матрицы. Как только эти напряжения сравняются, компаратор переключится, и на его выходе появится напряжение низкого уровня. Элемент DD4.3 также переключится, и логическая "1" с его выхода запретит работу счетчика DD5.1. Таким образом, на инвертирующем входе компаратора зафиксируется напряжение, пропорциональное напряжению на заряжаемой аккумуляторной батарее на данный момент времени.
При переключении компаратора переключится логический элемент DD4.4. Логическая "1" с его выхода поступит на вход (вывод 6) элемента DD4.1, на втором входе которого (вывод 5) также присутствует логическая "1". Элементы DD4.1, DD4.2 переключатся, высокий уровень напряжения с выхода DD4.2 через диод VD12 обнулит счетчики DD2.1 и DD3, возвращая их и связанные с ними логические элементы DD1.3. DD1.4, DD4.1, DD4.2 в исходное состояние.
Импульс положительной полярности с выхода элемента DD4.2 поступит также на вход СР счетчика DD2.2 (вывод 2), однако счетчик не изменит своего состояния, поскольку на его входе R (вывод 7) в течение некоторого времени, определяемого постоянной разряда конденсатора С6 через резистор R26, поддерживается высокий уровень напряжения.
По мере зарядки аккумуляторной батареи напряжение на ней постепенно увеличивается. Пропорционально увеличивается напряжение на неинвертирующем входе компаратора DA2. Когда оно превысит напряжение на
инвертирующем входе, компаратор переключится, на его выходе вновь появится напряжение низкого уровня, и при появлении на выходе элемента DD1.4 логической "1" описанный выше процесс повторится вновь.
Так будет продолжаться до тех пор, пока рост напряжения на аккумуляторной батарее не прекратится (строго говоря — пока изменение напряжения на неинвертирующем входе компаратора не выйдет за пределы текущей "ступеньки" на выходе резистивной матрицы R11...R20). В этом случае появление на выходе элемента DD1.4 напряжения логической "1" не вызовет переключения элемента DD4.3. Счетчики DD5.1, DD5.2 и компаратор останутся в прежнем состоянии, конденсатор С6 разряжен. Поэтому импульс положительной полярности, поступивший с выхода элемента DD4.2 на выход СР счетчика DD2.2, будет им "учтен". При повторении (через час), той же ситуации, на выходе 2 (вывод 4) счетчика появится напряжение высокого уровня, которое поступит через резистор R25 на базу транзистора VT1, что вызовет отпускание якоря реле К1 и отключение устройства от сети.
Если в течение второго часа напряжение на аккумуляторной батарее увеличится настолько, что это вызовет переключение компаратора DA2, то появившееся на его выходе напряжение высокого уровня через резистор R26 обнулит счетчик DD2.2. Таким образом, выполняется требуемое инструкцией по эксплуатации батарей условие неизменности напряжения на заряжаемой аккумуляторной батарее в течение двух часов подряд.
Положительная обратная связь, введенная в компаратор через делитель R23-R22, создает небольшой гистерезис, что способствует более четкому переключению компаратора в условиях медленно меняющегося входного напряжения и обеспечивает защиту от помех, вызываемых небольшими пульсациями напряжения на его входах.
При случайном отключении аккумуляторной батареи от клемм зарядного устройства, напряжение на вторичной обмотке трансформатора Т1 и выходе моста VD1...VD4 резко возрастает. Открывается стабилитрон VD8, что приводит к открыванию транзистора VT1 и выключению устройства.
С целью защиты диодов VD1...VD4 при случайном подключении аккумуляторной батареи в обратной полярности, в устройство введен предохранитель FU2.
4. ПЕРЕЧЕНЬ ЭЛЕМЕНТОВ К ЭЛЕКТРИЧЕСКОЙ СХЕМЕ
Перечень входящих в состав рассматриваемой электрической схемы активных элементов и микросхем, на основе которых эти элементы выполнены, приведён в Таблице 4.1.
Перечень элементов к электрической схеме
Таблица 4.1
| № | Обозначение на принципиальной схеме | Условное обозначение микросхемы | Кол-во | Примечание |
| 1. | DD1, DD4 | K561ЛА7 | 8 | Двухвходовой элемент И |
| 2. | DD2, DD5 | К561ИЕ10 | 5 | Два синхронных двоичных счетчика-делителя (без дешифратора) |
| 3. | DD3 | К561ИЕ16 | 1 | Счетчик пульсации |
| 4. | DA1 | 78L09 | 1 | Стабилизатор напряжения |
| 5. | DА2 | К554СА3А | 1 | Компаратор |
| 6. | VD1…VD4 | 2Д202В | 1 | Двухполупериодная мостовая схема |
| 7. | VD5, VD6 | КД106А | 2 | Диоды |
| 8. | VD7, VD9, VD10, VD11, VD12 | КС522А | 5 | Диоды |
| 9. | VD8 | КС522А | 1 | Стабилетрон |
| 10. | VT1 | КТ3102Б | 1 | Транзистор |
| 11. | VT2 | КТ608Б | 1 | Транзистор |
| 12. | К1 | РЭС22 | 1 | Реле |
5. НАЗНАЧЕНИЕ ЭЛЕМЕНТОВ СХЕМЫ
Назначение каждого из элементов рассматриваемого ключа описано в Таблице 5.1.
Назначение элементов схемы
Таблица 5.1
Обозначение элемента | Назначение элемента |
| Т1 | Преобразует напряжение 220 вольт в 14,5 вольт |
| VD5,VD6,С3 | Образуют питание узла на транзисторах |
| VD1..VD4, | Выпрямляет переменное напряжение |
| VD7,R4,C3,R21,R22 | Снимается напряжение пропорциональное напряжению на клеммах аккумулятора |
| DA1 | Питает цифровую часть устройства, обеспечивая высокую стабильность и низкий уровень пульсаций напряжения |
| DD1.1,DD1.2, R9 | Формирует прямоугольные импульсы 50 Гц |
| DD2.1,DD3,DD1.3,DD1.4 | Образуют таймер, определяющий периодичность контроля за ростом напряжения |
| DD5, R11-R18 | Образуют управляемый генератор ступенчатого возрастающего напряжения |
| DA2 | Сравнивает опорное напряжение с напряжением на аккумулятора |
| DD2.2 | Вырабатывает сигнал на выключение устройства при постоянстве напряжения на батарее в течение заданного времени |
| VT1,VT2,R6,R7,VD9,R5, VD8,R25 | Собран узел управления реле |
| С1,R1 | Собран фильтр для гашения искры на контактах |
| C5,R10 | Формирует импульс положительной полярности, который обнуляет все счетчики. |
| R2,R3 | Резистивный делитель |
| DD4.3 | Запрещает или разрешает работу счетчикам DD5.1,DD5.2 |
| R19 | Выставляется минимальная величина напряжения на выходе резистивной матрицы |
| DD4.2,DD4.1,DD4.4,VD12 | Обнуляет счетчики |
| C7,C4 | Фильтр по питанию |
| HL1,HL2 | Индикаторы для контроля работы устройства |
| R8,VD10 | Контролирует правильность подключения аккумулятора |
| С6,R26 | Поддерживает высокий уровень напряжения в течении некоторого времени |
Заключение
В данной курсовой работе изучено и подробно описано устройство, и принцип действия. В автомате для дозарядки АБ, определены функции каждого элемента системы и установлены их взаимосвязи. Среди достоинств рассматриваемой схемы можно выделить функциональность, некритичность к выбору элементов, удобство и высокую экономическую эффективность использования.
Список используемых источников
-
ГОСТ 7.32-91 (НСО 5966-82) Отчёт по научно-технической работе: структура и правила оформления.
-
Цифровые и аналоговые интегральные микросхемы: Справочник - М.: Радио любитель, 2000.
-
Якубовский С.В. Баранов Н.А. и др. Аналоговые и цифровые интегральные микросхемы - М.: Радио и связь, 1985.
-
Лачин В.И., Савёлов Н. С. Электроника.-Л.; «Феникс», 2002.
-
Шило В.Л. Популярные цифровые микросхемы. – Ч.: Металлургия, 1988.















