Pugachkurs (721866)
Текст из файла
САНКТ-ПЕТЕРБУРГСКИЙ ГОСУДАРСТВЕННЫЙ
МОРСКОЙ ТЕХНИЧЕСКИЙ УНИВЕРСИТЕТ
ФАКУЛЬТЕТ МОРСКОГО ПРИБОРОСТРОЕНИЯ
КАФЕДРА ФИЗИКИ
КУРСОВАЯ РАБОТА
АНАЛИЗ СФЕРИЧЕСКОГО
ПЬЕЗОКЕРАМИЧЕСКОГО ПРЕОБРАЗОВАТЕЛЯ
ВЫПОЛНИЛ:
СТУДЕНТ ГРУППЫ 34РК1
СУХАРЕВ Р.М.
ПРОВЕРИЛ:
ПУГАЧЕВ С.И.
САНКТ-ПЕТЕРБУРГ
ОСЕННИЙ СЕМЕСТР
1999г.
СОДЕРЖАНИЕ
| 3 |
| 7 |
| 8 |
| 9 |
| 9 |
| 10 |
| 10 |
| 16 |
1. КРАТКИЕ СВЕДЕНИЯ ИЗ ТЕОРИИ
Пьезокерамический сферический преобразователь (Рис.1) представляет собой оболочку 2 (однородную или склеенную из двух полусфер), поляризованную по толщине, с электродами на внутренней и внешней поверхностях. Вывод от внутреннего электрода 3 проходит через отверстие и сальник 1, вклеенный в оболочке.
Рис. 1
Уравнение движения и эквивалентные параметры.
В
качестве примера рассмотрим радиальные колебания ненагруженной тонкой однородной оболочки со средним радиусом а, поляризованный по толщине , вызываемые действием симметричного возбуждения (механического или электрического).
Рис. 2
Направление его поляризации совпадает с осью z; оси x и y расположены в касательной плоскости (Рис.2). Вследствие эквипотенциальных сферических поверхностей E1=E2=0; D1=D2=0. Из-за отсутствия нагрузки упругие напряжения T3 равны нулю, а в силу механической однородности равны нулю и все сдвиговые напряжения. В силу симметрии следует равенство напряжений T1=T2=Tc, радиальных смещений 1=2С и значения модуля гибкости, равное SC=0,5(S11+S12). Заменив поверхность элемента квадратом (ввиду его малости) со стороной l, запишем относительное изменение площади квадрата при деформации его сторон на l:
Очевидно, относительной деформации площади поверхности сферы соответствует радиальная деформация
, определяемая, по закону Гука, выражением
Аналогия для индукции:
Исходя из условий постоянства T и E, запишем уравнение пьезоэффекта:
Решая задачу о колебаниях пьезокерамической тонкой сферической оболочки получим уравнения движения сферического элемента
где
представляет собой собственную частоту ненагруженной сферы.
Проводимость равна
где энергетический коэффициент связи сферы определяется формулой
Из (4) находим частоты резонанса и антирезонанса:
Выражение (4) приведем к виду:
Отсюда эквивалентные механические и приведенные к электрической схеме параметры, коэффициент электромеханической трансформации и электрическая емкость сферической оболочки равны:
Электромеханическая схема нагруженной сферы. Учесть нагрузку преобразователя можно включением сопротивления излучения
, последовательно с элементами механической стороны схемы (Рис. 3). Напряжение на выходе приемника и, следовательно, его чувствительность будут определяться дифрагированной волной, которая зависит от амплитудно-фазовых соотношений между падающей и рассеянной волнами в месте расположения приемника. Коэффициент дифракции сферы kД, т.е. отношение действующей на нее силы к силе в свободном поле, равен
, где p- звуковое давление в падающей волне, ka- волновой аргумент для окружающей сферу среды.
Приведем формулу чувствительности сферического приемника:
Колебания реальной оболочки не будут пульсирующими из-за наличия отверстия в оболочке (для вывода проводника и технологической обработки) и неоднородности материала и толщины, не будут так же выполняться и сформулированные граничные условия.
2. ИСХОДНЫЕ ДАННЫЕ
ВАРИАНТ С-41
a=0,01 м – радиус сферы
=0,94
=0,25
АМ=0,7 – КПД акустомеханический
3. ОПРЕДЕЛЕНИЕ ЭЛЕМЕНТОВ ЭКВИВАЛЕНТНОЙ ЭЛЕКТРОМЕХАНИЧЕСКОЙ СХЕМЫ, ВКЛЮЧАЯ N, Ms, Rs, Rпэ, Rмп
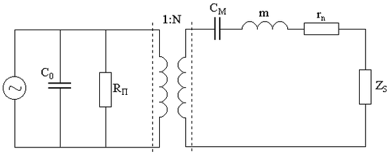
Электромеханическая схема цилиндрического излучателя:
Рис. 3
коэффициент электромеханической трансформации:
присоединенная масса излучателя:
MS=4,85110-5 кг
сопротивление излучения:
активное сопротивление (сопротивление электрических потерь):
RПЭ=1,439103 Ом
СS=4,22210-9 Ф
сопротивление механических потерь:
4. НАХОЖДЕНИЕ КОНЕЧНЫХ ФОРМУЛ ДЛЯ КЭМС И КЭМСД
И РАСЧЕТ ИХ ЗНАЧЕНИЙ
П
редставим эквивалентную схему емкостного ЭАП для низких частот:
Рис. 4
статическая податливость ЭАП:
электрическая емкость свободного преобразователя:
CT=4,63510-9 Ф
КЭМС=0,089 ; КЭМСД=0,08
5. ОПРЕДЕЛЕНИЕ ЧАСТОТЫ РЕЗОНАНСА И АНТИРЕЗОНАНСА:
6. ВЫЧИСЛЕНИЕ ДОБРОТНОСТИ ЭЛЕКТРОАКУСТИЧЕСКОГО ПРЕОБРАЗОВАТЕЛЯ В РЕЖИМЕ ИЗЛУЧЕНИЯ
Qm=65,201
MЭ=0,017 кг
7. РАСЧЕТ И ПОСТРОЕНИЕ ЧАСТОТНЫХ ХАРАКТЕРИСТИК ВХОДНОЙ ПРОВОДИМОСТИ И ВХОДНОГО СОПРОТИВЛЕНИЯ
активная проводимость:
реактивная проводимость:
активное сопротивление:
реактивное сопротивление:
входная проводимость:
входное сопротивление:
| ω/ωр | 0 | 0,2 | 0,4 | 0,6 | 0,8 | 1 | 1,2 | 1,4 | 1,6 | 1,8 | 2 |
| Ge | 6,941E-08 | 0,0001423 | 0,0002958 | 0,000487 | 0,00095 | 0,34 | 0,001432 | 0,001143 | 0,001195 | 0,001301 | 0,001423 |
| Be | -0,000005861 | -0,012 | -0,024 | -0,037 | -0,054 | -0,071 | -0,05 | -0,067 | -0,08 | -0,092 | -0,103 |
| Xe | -170600 | -84,979 | -41,947 | -27,086 | -18,424 | -0,588 | -20,061 | -14,898 | -12,491 | -10,883 | -9,682 |
| Re | 2020 | 1,028 | 0,521 | 0,357 | 0,323 | 2,814 | 0,577 | 0,254 | 0,186 | 0,154 | 0,133 |
| Y | 0,000005862 | 0,012 | 0,024 | 0,037 | 0,054 | 0,348 | 0,05 | 0,067 | 0,08 | 0,092 | 0,103 |
| Z | 170600 | 84,985 | 41,95 | 27,088 | 18,426 | 2,875 | 20,069 | 14,9 | 12,493 | 10,884 | 9,683 |
| ФG | 1,505E-07 | 0,0003267 | 0,0008529 | 0,002202 | 0,009253 | 6,366 | 0,009361 | 0,002292 | 0,000992 | 0,000541 | 0,000335 |
| ФB | -0,098 | -0,102 | -0,116 | -0,153 | -0,271 | -0,332 | 0,222 | 0,102 | 0,063 | 0,044 | 0,033 |
8. СПИСОК ЛИТЕРАТУРЫ
-
Пугачев С.И. Конспект лекций по технической гидроакустике.
-
Резниченко А.И. Подводные электроакустические преобразователи. Л.: ЛКИ, 1990.
-
Свердлин Г.М. Гидроакустические преобразователи и антенны. Л.: Судостроение, 1988.
10
Характеристики
Тип файла документ
Документы такого типа открываются такими программами, как Microsoft Office Word на компьютерах Windows, Apple Pages на компьютерах Mac, Open Office - бесплатная альтернатива на различных платформах, в том числе Linux. Наиболее простым и современным решением будут Google документы, так как открываются онлайн без скачивания прямо в браузере на любой платформе. Существуют российские качественные аналоги, например от Яндекса.
Будьте внимательны на мобильных устройствах, так как там используются упрощённый функционал даже в официальном приложении от Microsoft, поэтому для просмотра скачивайте PDF-версию. А если нужно редактировать файл, то используйте оригинальный файл.
Файлы такого типа обычно разбиты на страницы, а текст может быть форматированным (жирный, курсив, выбор шрифта, таблицы и т.п.), а также в него можно добавлять изображения. Формат идеально подходит для рефератов, докладов и РПЗ курсовых проектов, которые необходимо распечатать. Кстати перед печатью также сохраняйте файл в PDF, так как принтер может начудить со шрифтами.















