125560 (717608), страница 2
Текст из файла (страница 2)
Каждый теплообменник “Ридан” проходит всесторонний контроль качества при изготовлении и сборке. Он включает в себя проверку комплектующих и опрессовку готового изделия, поэтому неприятности, связанные с возможными отказами оборудования, предотвращаются еще при производстве. Кроме того, собственное производство дает возможность уже на стадии разработки гибко изменять характеристики пластинчатого теплообменника, чтобы он максимально отвечал Вашим требованиям.
Говоря о надежности пластинчатых теплообменников Ридан, мы подразумеваем не только высокое качество комплектующих.
Наши 50 инженеров-консультантов индивидуально сопровождают каждый проект и обеспечивают консультирование при подборе оборудования, учитывая все технические особенности объектов. Единый инженерно-расчетный центр, обладающий многолетним опытом расчета пластинчатых теплообменников, оперативно предоставляет надежное решение именно Вашей задачи.
За время работы компании реализовано более 5000 проектов: комплектация различных объектов - от детского сада до ТЭЦ и УППН (установки первичной переработки нефти). Лучшей гарантией качества оборудования и сервиса являются положительные отзывы клиентов.
Все оборудование имеет Российские сертификаты.
Установив паяные пластинчатые теплообменники на Вашем объекте, Вы убедитесь сами, что их использование экономически и технологически выгодно. Они Вам позволят не только забыть о проблемах снабжения объектов теплом и горячей водой, но и прилично сэкономить на приобретении и обслуживании оборудования.
Особенности конструкции
Пластины из нержавеющей стали надежно спаяны между собой во всех точках соприкосновения, а также по краю. Это на 100% исключает утечку жидкостей, а также их смешение. В качестве материала для пайки используется медь.
Сферы применения паяных ПТО
- системы отопления и горячего водоснабжения (в котельных, тепловых пунктах, тепловых сетях промышленных объектов и жилых домов, при коттеджном строительстве, в бассейнах и т.д.),
- холодильная и климатизационная техника (в качестве конденсаторов и испарителей),
- пищевая промышленность (в качестве охладителей (или пастеризаторов) молока, пива и др.),
Преимущества
Компактность и экономичность. Из-за отсутствия зажимной конструкции паяные теплообменники исключительно компактны, а также выигрывают в весе (до 10 раз) и стоимости (до 30-40%) по отношению к разборным ПТО той же мощности.
Работа с повышенными нагрузками. Паяный пластинчатый теплообменник устойчив к длительным высокотемпературным нагрузкам при температуре в подающем трубопроводе выше 120 о С.
Простое обслуживание и сервис. Паяные теплообменники не требуют текущего обслуживания . Поверхность пластин обычно очищают от загрязнений только при наблюдаемом снижении эффективности теплообмена. Очистка осуществляется безразборным методом - химической промывкой с использованием специальных составов, не разрушающих поверхность пластин и медный припой. Процесс промывки занимает всего 2-3 часа, т.е. перерыв в технологическом процессе минимален.
Ограничения по использованию
Условием применения паяных теплообменников является отсутствие в процессе эксплуатации нерастворимых отложений на поверхности пластин. Также необходимо избегать попадания в теплообменник веществ, которые могут разрушить медную пайку.
-
Технология Free – Flow
Пластинчатые теплообменники типа "Free-Flow" используются для сред, содержащих частицы, которые могут забивать каналы обычных разборных пластинчатых теплообменников:
-
жидкости, содержащие взвешенные вещества;
-
кристаллизующиеся жидкости;
-
пульпы;
-
вязкие среды.
Технические особенности
• Отсутствие мертвых зон на пластине
• Высокий коэффициент теплопередачи
Рифленые пластины обеспечивают высокую турбулентность, низкий перепад давления и пониженное загрязнение пластин при низких скоростях потоков.
Отсутствие контакта металл-металл
Пластинчатые теплообменники Free-Flow имеют специально разработанные открытые каналы, в которых отсутствует контакт пластин друг с другом. Такой тип канала дает возможность пластинчатому теплообменнику длительно работать даже в случае забивания части канала.
Отсутствие загрязнения и смешения жидкостей. Пластинчатый теплообменник Free-Flow имеет каналы с увеличенным зазором, что дает возможность снизить загрязнение теплообменника. Конструкция пластины исключает смешение жидкостей в пластинчатом теплообменнике Free-Flow.
Легкая очистка на месте
Простота и легкость разборки пластинчатого теплообменника Free-Flow позволяют обследовать и очистить каждый сантиметр теплообменной поверхности аппарата, а также уменьшают время простоя теплообменника во время технического обслуживания.
Особый способ крепления пластин
Каждая пластина закрепляется за последующую.
-
“Риден” решает возможные сомнения при покупке теплообменника
1. Пластинчатые теплообменники сложнее эксплуатировать, чем трубчатые.
Обычно наоборот. Пластинчатый теплообменник, например, гораздо легче чистить, чем трубчатый. На то, чтобы разобрать пластинчатый теплообменник и очистить его до нового состояния нужно не более трех часов. Не нужен демонтаж трубопроводов, достаточно только перекрыть воду.
2. Срок службы пластинчатых теплообменников - 60 лет.
60 лет - это перебор. Для пластинчатых теплообменников Риден установлен срок службы 10 лет как для основного промышленного оборудования. Хотя фактически полный срок службы достигает 25-30 лет.
3. Если кожухотрубный теплообменник малочувствителен к погрешностям в расчётах и изменению расчётного количества теплоносителя в ту или иную сторону, то пластинчатый теплообменник выдерживает не более пяти процентов изменения количества теплоносителя.
Конечно, расчет пластинчатого теплообменника - вещь более сложная и требует определенных знаний и умений, но достигаемый эффект не сравним с трубчатым теплообменником. Естественно, если вся система теплоснабжения не отрегулирована должным образом, то и пластинчатый теплообменник не будет нормально работать, равно как и трубчатый. Именно точность подбора пластинчатого теплообменника на заданный режим призвана изначально экономить средства при его закупке и эксплуатации. Пластинчатый теплообменник, конечно, несколько более требователен к себе, но его использование позволяет более полно использовать энергоресурсы, повышать эффективность работы систем теплоснабжения, снижать монтажные затраты и пр.
4. Пластинчатый теплообменник - конструкция достаточно хрупкая в том смысле, что в переходный и летний период, когда теплообменник простаивает, прокладки между пластинками ссыхаются, а потом при запуске он подтекает, и его приходится подтягивать.
Наоборот, пластинчатый теплообменник - мягкая конструкция. Если теплообменник все лето простоял без воды, то прокладки могут подсохнуть, и поэтому, действительно, в периоды пусков возможны подкапывания, это нормально. Но этот период очень невелик (не более суток), до тех пор пока прокладки снова не восстановятся.
5. Если пластинчатый теплообменник вышел из строя, то легче купить новый, чем ремонтировать старый.
Это справедливо только для паяного пластинчатого теплообменника. У разборного пластинчатого теплообменника в 99% случаев выходят из строя прокладки, стоимость комплекта прокладок составляет не более 30% от стоимости всего теплообменника. Дешевле заменить даже все прокладки, чем покупать новый теплообменник. Кроме того, на сегодняшний момент почти все наши пластинчатые теплообменники выпускаются с бесклеевым механизмом крепления прокладок, поэтому сложность замены прокладок также невысока.
6. ПТО исключают возможность механической очистки. Если старые бойлера можно было ещё каким-то образом попытаться очистить механически, то эти механическую очистку исключают полностью.
Неверно! Как раз очистить разборный пластинчатый теплообменник не составляет никакого труда. После разборки все поверхности пластин доступны, и очистка в среднем занимает не более 2-3 часов вместе с разборкой. Эти работы могут быть выполнены нашей сервисной службой или самостоятельно.
7. Наращивать теплообменник можно только на заводе. В бытовых условиях наращивание теплообменников ставит под сомнение гарантию его правильной эксплуатации.
Наращивать пластинчатые теплообменники можно и на месте установки. При заказе теплообменника следует лишь предварительно оговорить более длинную раму для добавления в последствии пластин при увеличении нагрузки.
8. Установка безразборной промывки - это то, что нужно покупать, потому что если теплоноситель плохого качества, то разбирать и собирать, - это не правильно.
Лучше все-таки разбирать. Химическая промывка зачастую не может дать желаемого результата, необходим правильный подбор химреагента под загрязнения. Если отмывка не осуществлена полностью, то оставшиеся загрязнения сыграют роль катализаторов и пластинчатый теплообменник снова зарастет очень быстро. Кроме того, утилизация химических реагентов дело не простое. Пластинчатый теплообменник поэтому и называется разборный: это нормально его разбирать для очистки, т.к. уплотнительные прокладки допускают до 10-15 разборок.
9. Для очистки нужны специальные химикаты. Поставщик может за поставку химикатов брать много денег. То есть просто тряпкой его не почистить.
Для пластинчатых теплообменников Ридан химикаты не нужны, можно разобрать и легко почистить, даже тряпкой .
10. В период пуско-наладочных работ и в период обслуживания ПТО иногда, очень так, шумно работают.
ПТО может работать шумно, только если он неправильно подобран и работает с высокими скоростями течения.
11. Беспокоит то, что просвет между пластинами малый, и значит, это слабое место.
Несмотря на небольшие размеры каналов (3мм) при установке механических фильтров на входах в пластинчатый теплообменник - это не является проблемой в принципе. На сегодняшний день имеется опыт работы пластинчатых теплообменников Ридан вообще без фильтров на режимах сырая нефть - товарная нефть. А это несравнимо более грязные жидкости.
12. Пластинчатый теплообменник практически мгновенно может в потоке охладить продукт. А там, где потоки маленькие, пластинчатый теплообменник не поставишь, он просто не выполнит свою функцию.
На маленький расход можно поставить маленький пластинчатый теплообменник с малым количеством пластин и получить высокие скорости, это не проблема.
13. По сравнению с другими видами теплообменников, у пластинчатых больше гидравлическое сопротивление, и если нужно, чтобы сопротивление было меньше, приходится брать теплообменник больше и дороже.
На самом деле пластинчатый теплообменник может быть подобран под любое заданное гидравлическое сопротивление. Естественно, при снижении заданного сопротивления он увеличивается, но это характерно для любого теплообменного аппарата.
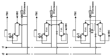
1.5. Экономия при подключении теплообменников “Риден” по новой схеме в горячем водоснабжении
Вы можете уменьшить свои затраты почти на 30% при закупке и монтаже теплообменного оборудования систем горячего водоснабжения для водяных тепловых сетей. Такую экономию дает применение пластинчатых теплообменников Ридан, подключаемых по новой схеме. Речь идет об использовании параллельной схемы с заниженной температурой «обратки», потребляющей аналогичное количество греющего теплоносителя, вместо двухступенчатых схем горячего водоснабжения.
Исторический экскурс
В российских условиях до недавнего времени в системах теплоснабжения применялись кожухотрубные теплообменники (типа ОСТ), в том числе и для приготовления горячей воды для населения.
Появление в 80-х годах прошлого столетия в России пластинчатого теплообменника было подобно эффекту разорвавшейся бомбы. С одной стороны, взрывная волна пробила брешь в стене технической консервативности, и пластинчатый теплообменник заявил о себе как об эффективном средстве передачи тепла. Но были и пострадавшие от взрыва – те, кто обожглись на неправильном подборе или неграмотной установке теплообменника. Со временем нюансы сгладились, и пластинчатый теплообменник прочно занял свое место в Российских системах теплоснабжения.
Основной сферой применения пластинчатого теплообменника в коммунальном теплоснабжении на сегодняшний момент являются системы горячего водоснабжения, где он эффективно вытесняет устаревший кожухотрубный теплообменник.
Принципы построения существующих схем горячего водоснабжения
Сейчас в России существуют три основные схемы горячего водоснабжения, в которых используются теплообменники: параллельная одноступенчатая схема горячего водоснабжения; двухступенчатая смешанная схема горячего водоснабжения; двухступенчатая последовательная схема горячего водоснабжения.















