125503 (717588), страница 4
Текст из файла (страница 4)
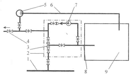
Сільськогосподарським груповим міжгосподарським водопроводом називають систему водопостачання, яка забезпечує водою групу сільськогосподарських населених пунктів, колективних та фермерських господарств, розташованих на території, місцеві умови якої потребують будівництва для них загального комплексу водопровідних зовнішньо майданчикових комунікацій і споруд. Такий водопровід може забирати воду як із підземного, так і з поверхневого джерела. Тому до його складу входять споруди, перелічені в описаних вище схемах. Крім того, він доповнений мережею водоводів, довжина яких іноді перевищує сотні кілометрів, водопіднімальними та ємкісними спорудами (рис. 9). Воду за даною схемою забирають із поверхневого джерела, обробляють, як і в попередніх схемах, і за допомогою насосної станції другого підняття подають довгим магістральним водоводом. На деякій відстані від насосної станції другого підняття, де тиск знижується до якогось мінімального значення, встановлюють накопичувальні резервуари і насосну станцію третього підняття. Якщо далі йдуть довгі водоводи, то у вузлах, де ник знижується, встановлюють знову резервуари і насосні станції Четвертого, п'ятого та інших підйомів, інколи їх називають станціями Підкачування. Для підключення водопровідної мережі населених пунктів до водоводів із великим тиском використовують рекупераційний вузол (рис. 10). Воду з магістрального водоводу через гідроелеватор подають розподільним водоводом у водопровідну
Рис.9. Принципова схема сільськогосподарського групового водопроводу:
І-поверхневе джерело; 2-водозабір; 3-насосна станція першого підняття; 4- комплекс споруд (водоочисні споруди, резервуари, насосна станція другого підняття); 5- магістральний водовід; 6- рекупераційний вузол; 7- водонапірна башта; 8- насосна станція третього підйому і резервуари; 9- водоводи; 10- Населені пункти; 11-водопровідна мережа; 12- насосна станція підкачування і резервуари;
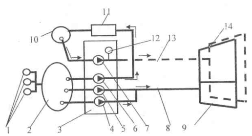
Залишки води потрапляють у водонапірну башту, яка працює на перелив, тобто трубопроводом 6 практично у резервуар витікають невеликі витрати (надлишки) води. Одночасно частина води з резервуара всмоктується гідроелеватором.
Таким чином, у системі гідроелеватор — башта — резервуар постійно циркулюють певні витрати води. Під час аварії або пожежі підключається насос, який подає воду безпосередньо в мережу з резервуара.
Рис. 10. Схема рекупераційного вузла:
1-магістральний водовід; 2-рекупераційний (гідроелеваторний) вузол; 3-гідроелеватор; 4 - водовід на населений пункт; 5 - водонапірна башта; 6 - циркуляційний (переливний) трубопровід; 7 - аварійний (пожежний) насос; 8-всмоктувальний трубопровід; 9 - підземний резервуар
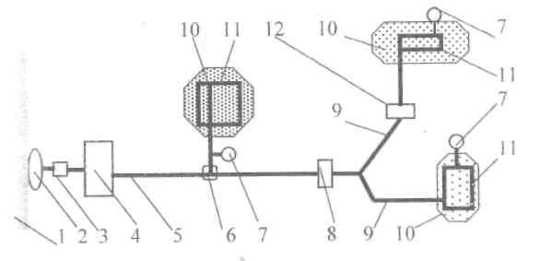
Для зменшення собівартості води в сільській місцевості передбачають дуплексні системи водопостачання, в яких на різноманітні потреби використовується вода з різними якісними показниками. На рис. 11 зображено дуплексну систему із забиранням води з підземного слабко мінералізованого джерела. Воду забирають із джерела за допомогою свердловин і подають у резервуар, із якого її забирають різними групами насосів. Господарськими і протипожежними насосами слабко мінералізовану воду подають водоводом в окрему мережу, на якій встановлюють пожежні гідранти і якою забезпечується підведення води в будинки. Цю воду можна використовувати для миття, душів, поливання проїздів тощо. Інша група насосів насосної станції подає воду на установку опріснення, де її якість доводиться до вимог питної води. Опріснену воду збирають у спеціальному резервуарі й насосом подають у водопровідну мережу прісної води. Як правило, на цій мережі передбачають водорозбірні колонки. Процес опріснення дорогий і складний, тому опріснену воду доцільніше використовувати тільки на питні потреби.
Рис.11. Дуплексна система з використанням слабко мінералізованих підземних вод
1-водозабірні свердловини; 2-резервуар слабко мінералізованої води; 3-насосна станція; 4-протиложежні насоси; 5-господарські насоси мінералізованої води; 6-насоси, які подають воду на опріснення; 7-насоси прісної води; 8-водовід слабко мінералізованих вод; 9-водопровідна мережа слабко мінералізованих вод; 10-резервуар прісної води; 11-установка для опріснення води; 12-гідропневматична установка; 13-водовід прісної води; 14-водопровідна мережа прісної води
Нині на півдні України впроваджують інший тип дуплексних систем (рис.12). Це пов'язано з тим, що для поливання присадибних ділянок витрачається значно більше води, ніж на господарсько-питні погреби. Дуплексна система при використанні поверхневого джерела передбачає використання двох самостійних водопровідних мереж. Очищати воду джерела для поливання не потрібно. Доцільну схему такої системи водопостачання зображено на рис. 12. Джерело має бути досить забезпеченим водою і не допускати перерви під час Пожежних витрат. Якщо ці вимоги не виконуються, то потрібно передбачити в схемі ще пожежні резервуари. Воду на поливання й пожежогасіння подають окремою групою насосів у самостійну мережу. Господарсько-питну воду готують на станції очищення води і насосною станцією II підняття подають в окрему господарсько-питну мережу.
Якщо немає в достатній кількості підземних або поверхневих вод, то можна використовувати комбіновані, складніші схеми.
Рис.12. Дуплексна система при використанні поверхневого джерела: 1—поверхневе джерело; 2—водозабір;.З—насосна станція першого підняття; 4—господарські насоси неочищеної води; 5—протипожежні насоси; 6—насоси подавання води на очищення; 7—водоводи неочищеної води; 8—мережа неочищеної води; 9—водопровідна мережа очищеної води; 10—водонапірна башта; 11-водовід очищеної води; 12 - насосна станція другого підняття; 13— резервуар чистої води; 14 - станція очищення води
Забирання води з різних джерел і подаванням в одну мережу або в різні мережі з різними якісними показниками. При проектуванні таких систем водопостачання інколи не потрібні окремі споруди, наприклад, башти в безбаштових системах чи насосні станції у самопливних системах, інколи можна об'єднувати в одній споруді, наприклад, водозабір і насосну станцію першого підняття, водоочисну станцію і насосну станцію другого підняття.
Список використаної літератури
Абрамов Н.Н. Водоснабжение.—М. : Стройиздат, 1982.—440 с.
Абрамов С.К., Алексеев B.C. Забор вода из подземного источника.—М.: Колос, 1980.— 239 с.
Белан А.Б., Хоружий П.Д. Проектирование и расчет устройств водоснабжения.— К.: Будивельник, 1981.— 188 с.
Бочевер Ф.М. и др. Проектирование водозаборов подземньх вод.— М.: Стройиздат, 1976.— 291 с.
ВБН 46/33—2.5—5—96. Сільськогосподарське водопостачання. Зовнішні мережі і споруди. Норми проектування. — К., 1996. — 152 с.
Водне господарство в Україні/ За ред. А.В. Яцика, В.М. Хорєва.-К.Генеза, 2000.-456с.
ГОСТ 2761—84. Источники централизованного хозяйственно-питьевого водоснабжения.— М.: Стройиздат, 1985.— 12 с.
Душкин С.С, Дегтярева Л И. Водоподготовка и процессм микробиологии: Учебное пособие. -К.: Вища школа, 1996.-164с.
Залуцкий 3.В., Петрухно А. И. Насосньїе станции. Курсовос проектирование.—К. : Вища школа. Головное изд-во, 1987.- 167 с.
Кульский Л.А., Строкам П.П. Технология очистки природных вод. - К.: Вища школа, 1986. - 352с.
Образовский А.М., Бреснов Н.В. и др. Водозаборпмссооружения для водоснабжения из поверхностньгх источников-М Стройиздат, 1976.- 368с.
Оводов В.С. Сельскохозяйственное водоснабжение иобводнение.— М. : Колос, 1984.—479с.
Орлов В.О. Сільськогосподарське водопостачання. -К.: Вища школа., 1998.- 182с.
Орлов В.О., Зощук А.М., Мартинов СЮ. Пінополістирольні фільтри в технологічних схемах водопідготовки. - Рівне: РДТУ, 1999.- 144с.
Орлов В. О., Кравченко В. С. Сільськогосподарське водопостачання. Курсове і дипломне проектування.— К. : Вища шк., 1992.— 191 с.
Орлов В.О., Шевчук Б. И. Интенсификация работьі водоочистньгх сооружений. — К.: Будивельник, 1989.— 128 с.
Пособие по проектированию сооружений для забора подземных вод / ВНИИВодгео.— М. : Стройиздат, 1989.—270 с.
Проектирование сооружений для забора поверхностньгх вод. Справочное пособие к СНиП. - М.: Стройиздат, 1990- 256с.
Пособие по проектированию сооружений для очистки и подготовки воды (к СНиП 2.04.02-84"Водоснабжение. Наружные сети и сооружения) / НИИ КВОВ АКХ им. К.Д. Памфилова.- М: ЦИТПГосстрояСССР, 1989.- 128с.
Разумов Г.А. Проектирование и строительство горизонтальных водозаборов и дренажей.— М.: Стройиздат, 1988.— 240 с.
Рудник В.П., Петимко П.И. и др. Зксплуатация систем водоснабжения.— К.: Будивельник, 1983.— 184 с.
СанПиН 4630—88. Санитарньїе правила и норми охраньї поверхностньгх вод от загрязнения.- М.: Минздрав GPCP,1988.— 174 с.
СНиП 2.04.02-84. Водоснабжение. Наружньїе сети и сооружения. -М.: Стройиздат, 1985.- 136с.
Справочник монтажника: Монтаж систем внешнего водоснабжения и канализации / Под ред. А. К. Перешивкина.— М. : Стройиздат, 1978.—576с.
Справочник по водньш ресурсам/ Под ред. Б.И. Стрельца. - К: Урожай, 1987.- 304с.
Теоретические основи очистки водьі / Н.И.Куликов, А.Я. Найманов, Н.П. Омельченко, В.Н. Черньїшов, В.Н. Маслак, Н.И. Зотов. -Макеевка: ДГАСА, 1999.- 277с.
Тугай A.M. Расчет и конструирование водозаборньїх узлов. -К.: Будивельник, 1978.- 160с.
Тугай А.М. Водоснабжение. Водозаборньїе сооружения. -К.: Вища школа, 1984.-200с.
Тугай А.М., Орлов В.О., Шадура В.О. Буріння свердловин для водопостачання. -Рівне: РДТУ, 2000.-140с.
Тугай А.М., Прокопчук И. Т. Зксплуатация и ремонт систем сельскохозяйственного водоснабжения. — К. : Будивельник, 1988.— 176 с
Тугай A.M., Прокопчук И.Т. Водоснабжение из подземш.іх источников. Справочник- К.: Урожай, 1990.- 264с.
Тугай А.М., Терновцев В. Е. Водоснабжение: Курсовос проектирование. - К. : Вища школа. Головное изд-во, 1980.— 206 с.
Тугай А.М., Терновцев В.О., Тугай Я.А. Розрахунок і проектування систем водопостачання: Навчальний посібник. К.:КНУБА, 2001. -254с.
Тугай А.М., Тугай Я.А. Водопостачання. Джерела і водозабірніспоруди. - К.: УФІ М і Б, 1998.-192с.
Укрупненньїе нормьі водопотребления и водоотведения дляразличньїх отраслей промьшшенности. СЗВ/ВНИИВодгео. — М.:Стройиздат, 1978.— 528 с.
Усенко B.C. Искусственное восполнение запасов и инфильтрационньїе водозабори подземньїх вод.— Минск: Наука и техника, 1972.— 256 с.
Хоружий П.Д. Расчет гидравлического взаимодействия йодопроводньїх сооружений.- Львов: Вища школа, 1984. - 152с.
Хоружий П.Д., Орлов В.О та ін. Довідник по сільськогосподарському водопостачанню і каналізації. -К. - Урожай, 1992. - 294с.
Д.И. Хоружий П.Д., Ткачук А.А. и др. Зксплуатация систем водоснабжения и канализации Справочник.— К.: Будивельник, /Лн 1993.—232 с. 42.
Шевелев Ф.А.,Орлов Г.А. Водоснабжение больших городов "'зарубежньїх стран. - М.: Стройиздат, 1987. - 348с.
25
















