125438 (717575)
Текст из файла
Федеральное агентство по образованию
Государственное образовательное учреждение
Высшего профессионального образования
Новгородский государственный университет
Имени Ярослава Мудрого
Кафедра технологии машиностроения
Реферат
Робототехнологические комплексы (РТК) и гибкие производственные модули (ГПМ) для различных видов металлообработки деталей
по дисциплине:
«Автоматизация производственных процессов»
Выполнила:
Студентка группы 5433
Мышковская И.В.
Проверил:
Преподаватель
Никуленков О.В.
Великий Новгород
2008
Содержание
Введение 3
1 Робототехнологический комплекс (РТК)
1.1 Понятие «робототехнологический комплекс» 4
1.2 Виды робототехнологических комплексов 4
1.3 Многостаночные робототехнологические комплексы 4
1.4 Достоинства РТК одностаночного и РТК круговой компоновки 4
1.5 Типовые схемы компоновки РТК для сборочных и сварочных операций 5
2 Гибкие производственные модули (ГПМ)
2.1 Общее представление о гибких производственных модулях 9
2.2 ГПМ на базе токарного станка с передним расположением робота 9
2.3 ГПМ на базе токарного патронного станка высокой точности 9
2.4 ГПМ на базе токарного станка 16К20ФЗ 10
2.5 Основные технические характеристики модуля 16К20ФЗ 10
2.6 ГПМ на базе токарного станка с фронтальным (передним) расположением рабочего органа робота 10
2.7 ГПМ на базе станка типа «обрабатывающий центр» 11
Список литературы 12
Введение
При механической обработке деталей с помощью промышленных роботов автоматизируют:
• установку заготовок в рабочую зону станка и (при необходимости) контроль правильности их базирования;
• снятие готовых деталей со станка и размещение их в таре (накопитель);
• передачу деталей от станка к станку;
• кантование деталей (заготовок) в процессе обработки;
• контроль размеров деталей;
• очистку базовых поверхностей деталей и приспособлений;
• смену инструментов.
Опыт эксплуатации промышленных роботов показывает, что наиболее целесообразной формой роботизации в условиях серийного производства является создание роботизированных технологических комплексов (РТК), на базе которых в перспективе могут быть созданы роботизированные участки, цехи и заводы.
1 Робототехнологический комплекс
1.1 Понятие «робототехнологический комплекс»
Робототехнологический комплекс (РТК) — это автономно действующая совокупность технологических средств производства, обеспечивающая полностью автоматический цикл работы внутри комплекса и его связь с входными и выходными потоками остального производства и включающая в себя единицу или группу технологического полуавтоматического оборудования (например, металлорежущие станки), взаимодействующего с этим оборудованием промышленных роботов, вспомогательное оборудование.
На базе одних и тех же моделей станков могут создаваться РТК различных компоновок, комплектуемые промышленных роботов, обладающими различными технологическими и техническими возможностями.
1.2 Виды робототехнологических комплексов
Наибольшее распространение получили РТК следующих компоновок:
-
одностаночные, состоящие из одного станка, обслуживаемого подвесным (расположенным над станком), напольным (расположенным рядом со станком) или встроенным в станке промышленных роботов;
-
многостаночные РТК линейной или линейно-параллельной компоновки, обслуживаемые подвесными промышленных роботов;
-
многостаночные РТК круговой компоновки, обслуживаемые напольными промышленных роботов.
1.3 Многостаночные робототехнологические комплексы
Многостаночные РТК линейной и линейно-параллельной компоновки, обслуживаемые подвесными промышленных роботов, имеют следующие достоинства:
-
занимают меньшую (по сравнению с РТК круговой компоновки) производственную площадь;
-
обеспечивают возможность переналадки и ремонта оборудования без остановки работы всего РТК;
-
обеспечивают возможность визуального наблюдения за работой оборудования;
-
обеспечивают безопасные условия работы обслуживающего персонала;
-
обеспечивают возможность обслуживания одним промышленных роботов трех или более станков.
1.4 Достоинства РТК одностаночного и РТК круговой компоновки
Достоинством РТК круговой компоновки, обслуживаемого напольным промышленных роботов, является то, что промышленных роботов этого типа характеризуется малой материалоемкостью и простотой обслуживания.
Основное достоинство одностаночного РТК со встроенным в станок промышленным роботом — минимальная (по сравнению с РТК других компоновок) производственная площадь, требующаяся для размещения комплекса.
1.5 ТИПОВЫЕ СХЕМЫ КОМПОНОВКИ РОБОТИЗИРОВАННЫХ КОМПЛЕКСОВ ДЛЯ СБОРОЧНЫХ И СВАРОЧНЫХ ОПЕРАЦИЙ
Роботизированные комплексы применяют для автоматизации операций на всех видах сборочных работ: для сборки комплектов под механическую обработку или сварку, при узловой сборке и окончательной сборке изделия, а также при раскладке или разборке деталей в таре и на столах-спутниках
При автоматизации сварочных операций ПР могут использоваться как в качестве основного, так и вспомогательного технологического оборудования роботизированных комплексов В первом случае ПР непосредственно выполняет сварку, для чего он оснащается рабочим инструментом, сварочными клещами или горелкой с электродами Во втором случае ПР обслуживает стационарные сварочные машины, обеспечивая сборку и установку в рабочую зону машины свариваемых деталей, а также снятие готовых изделий.
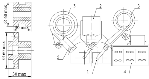
РТУ для предварительной сборки и автоматической сварки узлов опор ЛЭП (массой до 15 кг) построен на базе трех параллельно работающих сварочных ПР мод 109А напольною типа и обслуживаюшего их ПР типа “Универсал-15М”.
Сборочный и сварочный комплексы типа " Универсал - 15М" и ПР 109А
Схема планировки
-
ПР мод. "Универсал 15М"; 2 - сварочный ПР мод. 109А (3 шт.); № - пульт управления; 4 - устройство управления; 5 - позиция предварительной сборки (3 шт.); 6 - конвейер (6 шт.); 7 - стол - кантователь (3 шт.); 8 - склад - стеллаж изделий.
Данный роботизированный сварочный комплекс используется в крупносерийном производстве однотипных изделий Предварительная сборка узлов осуществляется на специализированных стендах вручную Собранные и механически закрепленные на приспособлениях-спутниках узлы устанавливаются на конвейер накопитель, откуда ПР мод “Универсал-15М” переносит их на один из трех столов-кантователей, являющийся в этот момент свободным. Каждый из трех РТК, состоящий из стола кантователя и сварочною ПР напольного типа мод. 109А, выполняет необходимые операции дуговой сварки швов, предусмотренные его управляющей программой. После выполнения сварки обслуживающий ПР мод “Универсал-15М” переставляет сваренный узел вместе с приспособлением-спутником на склад-стеллаж готовых изделий.
Роботизированный комплекс мод РСК 02 предназначен для автоматизации технологического процесса групповой сборки узлов электроаппаратов, состоящих из комплексов типа вала—втулки (массой до 0,2 кг).
Сборочный РТК мод. РСК - 02
Схема планировки
1 - автоматический манипулятор мод. РСК 02.12 (2 шт.); 2 - пневмопресс мод. РСК 02.11; 3 - вибробункер мод. ВПУ - 250А (2 шт.); 4 - устройство управления манипулятором; 5 - конвейер отводящий (вибролоток).
Собираемые детали из вибробункеров поштучно выдаются в ориентированном виде на позиции выгрузки Автоматические манипуляторы в составе комплекса последовательно транспортируют детали в сборочное приспособление, находящееся на пневматическом прессе, с помощью которого производится соединение деталей. После выполнения сборки комплекты переносятся манипулятором на позицию загрузки отводящего конвейера (вибролотка).
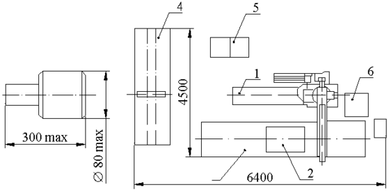
Роботизированный комплекс для автоматизации технологической операции сварки рамы с кожухом стиральной машины выполнен на базе подвесного устройства для точечной сварки мод. КРН80.21.125 и ПР напольного типа мод. РR-32.
РТК на базе машины точечной сварки КРН 80.21.125 и ПР PR - 32
Схема планировки
1 - ПР мод. PR - 32 напольного типа; 2 - подвесное устройство для точечной сварки мод. КРН 80.21.125; 3 - поворотно - позиционирующий стол (2 шт.); 4 - стол - спутник (2 шт.); 5 - отводящий конвейер тактового типа.
Технологическую операцию точечной сварки ПР выполняет с помощью клещей подвесного сварочного устройства, которые автоматически крепятся к кисти руки манипулятора ПР попеременно производит сварочные операции на каждом из двух поворотных столов с закрепленными на них деталями.
Установка свариваемых деталей на позиционирующие столы осуществляется в приспособлениях-спутниках, на которых детали транспортируются к данному РТК. После выполнения операции сваренные изделия вручную снимаются со столов и переносятся на отводящий конвейер.
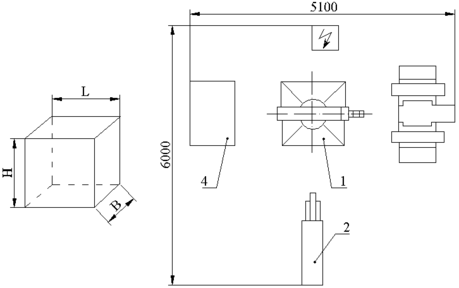
Роботизированный комплекс мод. АТМ-039 предназначен для автоматизации процесса гибки и точечной сварки металлических корпусов из листового материала В исходном положении ПР напольною типа мод. РБ-110 находится перед устройством, которое выполняет гибки раскроя листа, придавая ему коробчатую форму После завершения операции гибки ПР захватывает изделие и переносит ею к аппарату точечной сварки, который автоматически выполняет сварной шов на каждом ребре коробки, состоящий из восьми точек с шагом 50 мм. Шаговую подачу изделия, а также его поворот в процессе сварки всех швов робот осуществляет в соответствии с управляющей программой. Сваренную коробку ПР затем переносит на стеллаж-накопитель готовых изделий.
РТК для точечной сварки из листовых заготовок деталей типа корпусов АТМ - 039
Схема планировки
1 - ПР мод. РБ - 110; 2 - автомат точечной сварки; 3 - устройство гибки; 4 - накопитель изделий после сварки (стеллаж).
Разновидностью сборочных процессов являются операции укладки деталей в ориентированном виде в тару или на столы-спутники при их транспортировании на технологический участок или автоматическую линию для последующей обработки.
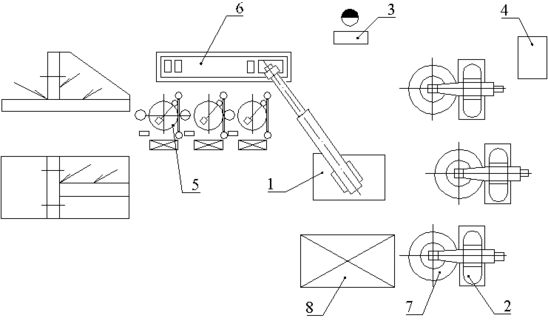
РТК мод АТМ-049 предназначен для автоматизации процесса укладки деталей типа валов (массой до 37 кг) в тару.
РТК для установки деталей типа валов в ориентированном виде в тару, на столы - спутники АТМ - 049
Схема планировки
1 - ПР мод. РБ - 232Т; 2 - тара деталей; 3 - роликовый конвейер; 4 - конвейер падающий роликовый; 5 - устройство управления; 6 - пульт управления ПР.
В составе комплекса имеется ПР, который снимает деталь с подающего роликового конвейера и укладывает ее определённым образом в тару, установленную на конвейере-накопителе После этою конвейер перемещается на один шаг, а ПР возвращается к подающему конвейеру за очередной деталью.
Планировка зоны РТК должна проводиться в зависимости от типа используемого технологического оборудования, его компоновки, формы, размеров и расположения рабочих зон, уровня автоматизации оборудования, надежности его работы и степени информационного обеспечения, а также от компоновки и структурно-кинематической схемы ПР с учетом действующих норм технологического проектирования соответствующего производства.
При организации РТК, участков, линий необходимо предусматривать максимальную механизацию и комплексную автоматизацию основных и вспомогательных технологических операций и видов работ, связанных с воздействием на работающих опасных и вредных факторов, оставляя за операторами функции управления и контроля.
Обслуживание ковочных агрегатов с программным управлением (гидравлического пресса, ковочного автоматического манипулятора) для автоматизации ковки деталей с вытянутой осью (круглого, квадратного и прямоугольного сечений) массой 0,4—2,0 т.
2 Гибкие производственные модули (ГПМ)
2.1 Общее представление о гибких производственных модулях
Гибкие производственные модули (ГПМ), объединяя в своем составе совокупность технических систем и устройств, функционально необходимых для выполнения сложных технологических операций, являются ГПС нижнего структурного уровня.
Характеристики
Тип файла документ
Документы такого типа открываются такими программами, как Microsoft Office Word на компьютерах Windows, Apple Pages на компьютерах Mac, Open Office - бесплатная альтернатива на различных платформах, в том числе Linux. Наиболее простым и современным решением будут Google документы, так как открываются онлайн без скачивания прямо в браузере на любой платформе. Существуют российские качественные аналоги, например от Яндекса.
Будьте внимательны на мобильных устройствах, так как там используются упрощённый функционал даже в официальном приложении от Microsoft, поэтому для просмотра скачивайте PDF-версию. А если нужно редактировать файл, то используйте оригинальный файл.
Файлы такого типа обычно разбиты на страницы, а текст может быть форматированным (жирный, курсив, выбор шрифта, таблицы и т.п.), а также в него можно добавлять изображения. Формат идеально подходит для рефератов, докладов и РПЗ курсовых проектов, которые необходимо распечатать. Кстати перед печатью также сохраняйте файл в PDF, так как принтер может начудить со шрифтами.
















