125028 (717521), страница 3
Текст из файла (страница 3)
Быстрота действия насоса зависит от производительности сопла и свойств рабочего пара. В эжекторных насосах она лежит в диапазоне от нескольких десятков до нескольких тысяч литров в секунду.
Максимальное выпускное давление не может быть больше давления рабочего пара в кипятильнике насоса, поэтому в случае паромасляного насоса оно не превышает (1-5).102 Па, для парортутного - (20-40).102 Па.. Увеличить максимальное выпускное давление паромасляного насоса нельзя, так как температура пара в кипятильнике ограничивается температурой разложения масла.
В парортутных насосах принципиально возможно повышение максимального выпускного давления вплоть до атмосферного, но из-за больших потерь и токсичности ртути этого обычно не делают.
Предельным остаточным давлением эжекторного насоса является давление перехода из среднего в высокий вакуум, когда происходит расширение паровой струи и нарушение оптимального режима работы. Величина предельного давления составляет 10-1-10-2 Па.
При истечении струи пара в высокий вакуум происходит ее расширение за счет тепловых скоростей молекул. В случае равенства скорости истечения струи и скорости звука она выходит из сопла под углом 45° к его оси. Давление пара в струе значительно больше, чем давление откачиваемого газа. Наилучшие условия для захвата молекул откачиваемого газа обеспечиваются тогда, когда давление пара в струе соответствует среднему вакууму. При этом все молекулы откачиваемого газа проникают в паровую струю при первом соударении. При большей плотности паровой струи вероятность захвата молекул снижается.
Рис. 12. Пароструйный насос.
Теоретическая быстрота действия диффузионного насоса в связи с малым количеством откачиваемого пара определяется не изменением термодинамических характеристик паровой струи, как в случае эжекторного насоса, а геометрическими размерами сопла и парциальным давлением откачиваемого газа в паровой струе.
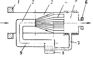
Простейший диффузионный насос (рисунок снизу) состоит из кипятильника 1, диффузионного сопла 2, закрепленного на паропроводе 6, холодильника 4, впускного и выпускного патрубков 3 и 5. Пары рабочей жидкости из кипятильника проходят по паропроводу через зонтичное сопло и конденсируются на стенках насоса, охлаждаемых холодильником. За время движения пара от конца сопла до стенок насоса в струю пара диффундирует откачиваемый газ. После конденсации образовавшейся парогазовой смеси выделившийся газ откачивается через выпускной патрубок насосом предварительного разрежения, а сконденсированный пар стекает по стенкам насоса в кипятильник через зазор между паропроводом и корпусом насоса.
Рис. 13. Дифузионный насос.
К рабочим жидкостям пароструйных насосов предъявляются следующие требования:
-
минимальная упругость паров при комнатной температуре и максимальная при рабочей температуре в кипятильнике;
-
стойкость к разложению при нагревании;
-
минимальная способность растворять газы;
-
химическая стойкость по отношению к откачиваемым газам и по отношению к материалам насоса;
-
малая теплота парообразования.
Минимальная упругость паров при комнатной температуре требуется для получения наименьшего предельного давления насоса. Максимальное давление паров при рабочей температуре кипятильника увеличивает выпускное давление насоса и уменьшает требуемую мощность подогревателя. Стойкость к разложению рабочей жидкости при нагревании влияет на срок службы рабочей жидкости и максимальное выпускное давление. Растворимость газов в рабочей жидкости приводит к увеличению обратного потока газов через сопло вместе с паровой струей. Химическая стойкость определяет срок службы рабочей жидкости и накладывает ограничения на выбор конструкционных материалов насосов. При малой теплоте парообразования требуется меньшая мощность подогревателя насоса.
5. Насосы, основанные на принципе ионно-сорбционной откачки
Ионно-сорбционная откачка использует два способа поглощения газа: внедрение ионов в объем твердого тела под действием электрического поля и химическое взаимодействие откачиваемых газов с тонкими пленками активных металлов. Конструкция ионно-сорбционного насоса определяется типом испарителя, конфигурацией электродов и способом подачи напряжения. Испарители бывают прямонакальные, подогревные, электронно-лучевые и дуговые.
В насосах испарительного типа, не имеющих устройств для ионной откачки, предельное давление составляет обычно 10-7 Па. Охлаждение активной пленки до температуры жидкого азота снижает предельное давление до 10-11 Па.
Верхний предел рабочих давлений, равный 10-2 Па, лимитируется образованием во время работы испарителя окислов, нитридов и карбидов на поверхности активного материала, что приводит к уменьшению скорости испарения. Максимальная быстрота действия выпускаемых промышленностью насосов такого типа, достигает 105 л/с при откачке водорода. Применение испарительных насосов неэффективно при откачке продуктов органического происхождения и инертных газов.
Большое распространение получили ионно-сорбционные насосы, которые используют одновременно поглощение газов хемосорбцией и ионной откачкой. Эти насосы можно разделить на две группы: насосы с независимым и саморегулирующимся распылением активного материала. Недостатком насосов с независимым распылением является то, что скорости распыления активного металла и производительность откачки в таких насосах независимы друг от друга. Это часто приводит к непроизводительному расходу активного металла.
Саморегулирование скорости распыления обеспечивается в магниторазрядном насосе. Откачиваемые газы ионизируются электронами, появляющимися за счет автоэлектронной эмиссии из катода, и вторичными электронами, возникающими при бомбардировке катода ионами откачиваемого газа. Напряженность магнитного поля подбирается таким образом, чтобы радиус траектории электронов был меньше радиуса анода. При этом общая длина траектории электрона до его попадания на анод сильно увеличивается, что ведет к возрастанию вероятности ионизации остаточных газов. Положительные ионы, слабо отклоняющиеся магнитным полем, бомбардируют катод и распыляют активный металл, который осаждается на аноде. Один ион выбивает в среднем один атом активного материала, что и обеспечивает саморегулируемую скорость распыления при работе насоса. Активные газы химически взаимодействуют с распыляемыми атомами материала катода и осаждаются на анод в виде химических соединений. Инертные газы откачиваются за счет ионной откачки: положительные ионы внедрением в материал катода, отрицательные ионы и высокоэнергетические нейтральные частицы - на аноде. Основное количество инертных газов откачивается на аноде, так как из катода наблюдается реэмиссия поглощенных газов в процессе их распыления.
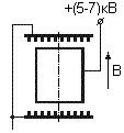
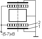
В магнитноразрядных насосах применяются дидные (рис. 14) и триодные (рис. 15) схемы. Распыление активного материала в этих насосах ведется с больших поверхностей при малых углах падения ионов. В триодном насосе распыление ведется дополнительно на коллектор (корпус насоса), который не бомбардируется положительными ионами.
Рис. 14.
Рис. 15.
Магниторазрядные насосы обладают заметной избирательностью в процессе откачки. Быстрота действия этих насосов при откачке водорода в 3 раза выше, а кислорода в 2 раза ниже, чем азота.
Быстрота действия при откачке инертных газов в диодных насосах составляет для гелия 10%, неона 4, аргона, криптона и ксенона 1-2% от быстроты действия при откачке азота. В конструкциях насосов триодного типа и в насосах с ребристыми катодами быстрота действия при откачке аргона повышается соответственно до 25 и 10% от быстроты действия при откачке азота.
При длительной откачке аргона в насосе может возникнуть аргонная нестабильность, сопровождающаяся периодическими колебаниями давления.
Магнитная система насосов по соображениям экономичности и надежности выполняется на постоянных магнитах. Предельное давление магниторазрядных насосов 10-8-10-10 Па.
Верхний предел рабочих, давлений определяется перегревом электродов насоса. При давлениях более 10-3 Па длительная работа насоса возможна лишь при дополнительном охлаждении его электродов. Кратко временная работа насоса при его запуске возможна от давления 1 Па.
Наличие загрязнений на электродах насоса, особенно органических, уменьшает быстроту действия насоса и ухудшает предельное давление, поэтому предварительная откачка, должна обеспечиваться безмасляными средствами откачки.
СПИСОК ЛИТЕРАТУРЫ:
-
Л.Н. Розанов “Вакуумная техника”, Москва “высшая школа”, 1982г;
-
Б.И. Королёв “Основы вакуумной техники”, 1958г.
















