124209 (717314), страница 2
Текст из файла (страница 2)
При прохождении проводника под одной парой полюсов в расточке статора полностью за один оборот ЭДС в нём (возникает) изменяется по синусоиде. При этом происходит полный цикл изменения, который составляет 360 электрических градусов (рисунок 1 ).
Число электрических градусов, приходящихся на паз, или угловой сдвиг между рядом лежащими пазами:
5. Число параллельных ветвей
Параллельные ветви в обмотке асинхронного двигателя делаются для сокращения сечения обычного провода, кроме того, это даёт возможность лучше загрузить магнитную систему машины.
При их параллельном подключении число параллельных ветвей в принципе может равняться числу катушечных групп в одной фазе N1ф.
Катушечные группы фазы можно соединить и комбинированно (часть последовательно и часть параллельно), но при этом, в любом случае число катушечных групп в каждой параллельной ветви должно быть одинаковым, а=2.
Число параллельных ветвей вводится тогда, когда необходимо уменьшить сечение провода. Максимальное число параллельных ветвей:
аmax=2p=22=4, принимаем а=1.
6. Принцип построения схемы статорной обмотки трёхфазного асинхронного двигателя
Для получения вращающегося магнитного поля трёхфазного асинхронного двигателя, при любой схеме обмотки, требуется:
1. Смещение в пространстве расточки статора асинхронного двигателя фазных обмоток, одна относительно другой на 1200эл.
2. Смещение во времени токов, протекающих по этим обмоткам, на
периода.
Первое условие выполняется соответствующей укладкой катушечных групп трёхфазной обмотки, второе – подключением асинхронного двигателя к сети трёхфазного тока.
При построении схемы, обмотка первой фазы может в общем начинаться с любого паза. Поэтому первую активную сторону секции помещаем в первый паз. Вторую активную сторону секции помещаем через семь зубцов в восьмой паз.
Число катушечных групп одной фазы будет четыре.
В однослойной обмотке первая катушечная группа участвует в создании первой пары полюсов, вторая – должна создавать вторую пару полюсов, следовательно, расстояние между ними должно быть равно одной паре полюсов, т. е. 360 электрических градусов.
В отличие от однослойных в двухслойных обмотках катушечные группы одной и той же фазы сдвигаются не на 360 электрических градусов, а на 180.
Поэтому:
.
Следовательно, вторая катушка фазы «А» начинается с 10-го паза.
Обмотка фаз «В» и «С» выполняется аналогично, но они сдвинуты, соответственно, на 120 и 240 электрических градусов относительно обмотки фазы «А», т. е. В пазах это будет:
;
5 Расчёт оптимального числа витков в обмотке одной фазы
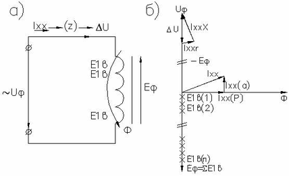
Рис. 2. а) Схема замещения обмотки асинхронного двигателя;
б) Векторная диаграмма асинхронного двигателя.
При подаче напряжения Uф на обмотку, по ней потечёт ток холостого хода (рис. 2). Так как напряжение изменяется по синусоидальному закону, ток будет переменным. В свою очередь создаст в магнитной системе машины магнитный поток Ф, который также будет переменный.
Переменный магнитный поток Ф индуцируется в витках обмотки, которая его создала ЭДС (ЕФ), направленную встречно преложенному напряжению (закон электромагнитной индукции).
ЭДС фазной обмотки ЕФ будет слагаться из суммы ЭДС отдельных витков E1в
Еф= E1в или Еф= E1вWф
где Wф - количество витков в обмотке одной фазы.
Кроме того, ток Iхх создаёт на активном и реактивном сопротивлении обмотки падение напряжения U .
Таким образом, приложенное к обмотке напряжение Uф уравновешивается ЭДС ЕФ и падение напряжение в обмотке U. Всё это в векторной форме приведено в упрощённой векторной диаграмме (рисунок 2).
Из изложенного и векторной диаграммы следует, что
Падение напряжения составляет 2,5…4% от Uф то есть в среднем около 3%, без ущерба для точности расчёта можно принимать:
Еф=0,97 Uф;
где Еф – ЭДС обмотки фазы, В
Uф - фазное напряжение, В
Тогда
Мгновенное значение ЭДС одного витка:
где t - время, с
Магнитный поток изменяется по закону:
Ф=Фмsint,
где Фм - амплитудное значение магнитного потока, Вб;
- угловая частота вращения поля;
Тогда
Максимальное значение ЭДС одного витка будет,когда
, тогда (так как
):
.
Действующее значение отличается от максимального на
.
Так как обмотка рассредоточена, то часть магнитного потока Ф рассеивается, что учитывает коэффициент распределения Кр :
Практически все двухслойные обмотки выполняются с укороченным шагом. Это приводит к тому, что на границах полюсов секциях разных фаз, лежащих в одном пазу, направление токов будет встречное. Следовательно суммарный поток от этих секций будет равен нулю, что уменьшит общий магнитный поток Ф. Это явление учитывает коэффициент укорочения Ку :
Обмоточный коэффициент:
Коб=КрКу=0,960,94=0,9
тогда окончательно ЭДС одного витка равно:
Число витков в фазе:
В полученном выражении Uф и f заданы заказчиком, нужно знать для расчета только Ф. Он под полюсом распределяется равномерно (рисунок 3), однако при равенстве площадей прямоугольника со стороной Вср и полуокружности с радиусом В величина магнитного поля под полюсом будет одинаковой.
Рис. 3. Магнитное поле полюса.
Величина средней магнитной индукции:
(Вб)
где
- коэффициент учитывающий равномерность распределения магнитного потока под полюсом.
Вср – среднее значение магнитной индукции а воздушном зазоре, Тл
Вб – максимальное значение магнитной индукции в воздушном зазоре, Тл
Из таблицы «нормированных электромагнитных нагрузок асинхронных двигателей» для мощности от 1 до 10 кВт. Принимаем Вб=0,7
Отсюда значение магнитного потока:
Вб
Число витков в фазе:
шт
Предварительное число витков в фазе 104 шт.
При делении числа витков фазной обмотки по секциям, необходимо распределить их равномерно, так чтобы число витков во всех секциях обмотки Wсек было одинаковым, такая обмотка называется равносекционной.
Условие равносекционности выполняется исходя из выражения числа активных проводников в пазу:
шт
где а– число параллельных ветвей.
В формуле двойка в числителе показывает, что виток имеет два активных проводника. Чтобы число витков в секциях было одинаковым, необходимо число активных проводников в пазу округлить:
-
при однослойной обмотке до целого значения,
-
при двухслойной – до целого чётного.
Округляем число проводников в пазу до целого чётного и принимаем Nп=18
После округления числа проводников в пазу, уточняем число витков в фазе
шт
Уточняем магнитный поток, так как он зависит от числа витков в фазе
Вб
Уточняем значение магнитных индукций В, Вz, Вc.
Магнитная индукция в воздушном зазоре:
Тл
Магнитная индукция в зубцовой зоне статора:
Тл
Магнитная индукция в спинке статора:
Тл
Сравниваем их с предельно допустимыми значениями. Все варианты расчёта магнитных индукций сводим в таблицу 2 :
Таблица 2
Нагрузки магнитной цепи при числе витков
.
| Наименование | Еед. изм. | Расчётная формула | Варианты расчёта | Допустимые пределы | |||
| 1 | 2 | 3 | |||||
| Число проводников в пазу, Nп | шт |
| 18 | 20 | 22 | ||
| Число витков в обмотке одной фазы, Wф | шт |
| 108 | 120 | 132 | ||
| Величина магнитного потока Ф при Wф | Вб |
| 0,0098 | 0,0089 | 0,0081 | ||
| Индукция в воздушном зазоре, В | Тл |
| 0,67 | 0,63 | 0,58 | 0,6 – 0,7 | |
| Индукция в зубцах, Вz | Тл |
| 1,9 | 1,52 | 1,38 | 1,4 – 1,6 | |
| Индукция в спинке статора, Вc | Тл |
| 0,65 | 0,6 | 0,54 | 1,2 – 1,6 | |
По результатам расчёта, из таблицы видно, что наиболее оптимальный вариант 2, при котором рассчитываемый двигатель будет отдавать максимальную для его магнитной системы мощность. Если максимальная нагрузка в норме то это и будет оптимальны вариант. Если магнитная индукция на каком-то участке ниже нормы, то есть участок недогружен (3) и в этом случае будет недоиспользована сталь магнитопровода асинхронного двигателя, занижена его мощность.
Если магнитные нагрузки выше нормы индукции на каком либо участке, то этот участок перегружен и двигатель перегревается, этот вариант (1) не допустим. Наиболее оптимальным будет вариант 2.
6 Расчёт числа витков в одной секции
При однослойной обмотке проводники одной секции (Wсек) полностью занимают паз, поэтому число витков в секции равно числу активных проводников в пазу.
При двухслойной обмотке в одном пазу лежат проводники двух секций, следовательно, число витков в секции двухслойной обмотки (Wсек) равно половине числа проводников в пазу.
шт
7 Выбор изоляции паза и лобовых частей обмотки
Целью этой изоляции является обеспечение требуемой электрической прочности между обмотками разных фаз, а также обмотками и магнитопроводом (корпусом) асинхронного двигателя. Кроме того, она должна отвечать требованиям нагревостойкости, химической стойкости, влагостойкости и пр.
















