123972 (717295)
Текст из файла
Протяжные печи
Протяжные печи предназначены для термической или термохимической обработки тонколистового металла. Рулоны стальной ленты разматываются и протягиваются через печь по опорным роликам. Процесс термообработки в таких печах непрерывен, что позволяет получать металл с такими свойствами, которые не достигаются при нагреве в колпаковых печах. При обработке одного слоя ленты можно обеспечить одинаковую температуру по ширине и длине ленты и одинаковое взаимодействие ленты с атмосферой печи. Все процессы в протяжных печах протекают с большой скоростью, и время нагрева в них составляет несколько минут по сравнению с десятками часов в колпаковых печах.
В протяжных печах выполняют термообработку различных видов: светлый рекристаллизационный отжиг; обезуглероживающий отжиг трансформаторных и динамических сталей; непрерывное цинкование малоуглеродистой стали и др.
Протяжные печи устанавливают в непрерывных линиях и по конструкции они делятся на горизонтальные и вертикальные (башенные). В горизонтальных печах ленту протягивают по роликам горизонтально, и ее толщина может быть до 6 мм, общая длина 150 – 200 м, а скорость до 2 м/с. В вертикальных многоходовых печах лента движется петлями, многократно огибая поворотные ролики. При этом ее общая длина в печи может достигать 1 км. Скорость движения ленты – до 10 м/с, а толщина не более 1 мм.
В зависимости от вида обработки протяжные печи разделяют на несколько камер: нагрева, выдержки, регулируемого охлаждения, окончательного охлаждения.
При светлом отжиге нагрев, выдержку и охлаждение ленты ведут в контролируемой атмосфере. В случае нагрева перед цинкованием предусмотрены камеры окислительного нагрева (в продуктах сгорания) и восстановительного нагрева (в контролируемой атмосфере).
Камеры нагрева и выдержки при окислительной обработке отапливают газовыми горелками, обычно инжекционными, а при обработке в защитной атмосфере – газовыми радиантными трубами или электрическими нагревателями. В камерах регулируемого охлаждения нужная скорость обеспечивается чередованием футерованных и водоохлаждаемых секций стен или чередованием электрических нагревателей и воздухоохлаждаемых труб. В камерах ускоренного охлаждения при светлом отжиге применяют обдувку холодным контролируемым газом через сопла, равномерно расположенные с обеих сторон ленты. На рис. 1 показан примерный температурный режим обработки ленты в протяжной печи.
Рис. 1. Температурный режим цикла обработки ленты в протяжной печи: сплошная линия – температура ленты; пунктир – температура печи;
Lп, Lн, Lвыд, Lрег.охл., Lохл., и hо.охл. – длина камер: печи, нагрева, выдержки, регулируемого охлаждения, охлаждения и окончательного охлаждения.
Индексы при расшифровываются так же.
Общая задача управления протяжными печами сводится к получению заданного качества ленты при примерно постоянной производительности. Качество обработки ленты определяется значениями скорости нагрева и охлаждения, временем выдержки и т. д. Задача управления заключается в точном поддержании заданного температурного графика. Кроме того, необходимо поддержание равномерности нагрева по ширине и длине ленты, а также требуемого состава контролируемой атмосферы.
Основными возмущающими воздействиями являются изменение скорости ленты и ее параметров. Возмущения имеют случайный характер. Управляющими воздействиями служат расход газа (электроэнергии) и состав контролируемой атмосферы.
Протяжные печи разделяют на несколько зон регулирования температуры. Температура в зонах камер нагрева и выдержки измеряется хромель-алюмелевыми термопарами и поддерживается на заданном уровне ПИ-регуляторами, изменяющими подачу газа или электроэнергии. Возможно корректирование заданий регуляторам по температуре ленты в конце камеры, измеряемой радиационным пирометром. Однако показания пирометров недостаточно точны из-за меняющейся степени черноты поверхности ленты. Кроме того, корректирование не дает иногда необходимого эффекта из-за того, что инерционность по каналу возмущения (изменение скорости ленты) гораздо меньше, чем по каналу управления.
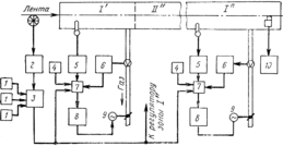
Была разработана система регулирования температуры ленты по тепловому балансу. Принципиальная схема такой системы изображена на рис. 2.
Рис. 2. Принципиальная схема регулирования нагрева ленты в
протяжной печи по фактической производительности:
,
…,
– зоны регулирования
Сигналы, пропорциональные ширине, толщине ленты и заданной температуре ее нагрева задаются оператором с помощью задатчиков 1 параметров ленты. Скорость ленты измеряется тахометром 2 по скорости вращения входного ролика. Все сигналы поступают в устройство 3, в котором они перемножаются и преобразуются в сигнал, пропорциональный производительности печи и количеству тепла, необходимому для нагрева ленты до заданной температуры м. Этот сигнал в соответствующих долях поступает в зональные регуляторы расхода тепла 8. Сюда же подается сигнал с задатчика 4, пропорциональный потерям тепла в зоне Qп, которые зависят от температуры в зоне, измеряемой термопарой и потенциометром 5. С прибора 6 поступает сигнал, пропорциональный количеству тепла, вносимого газом.
Таким образом, на вход регулятора 8 поступают сигналы, пропорциональные расходу тепла Q' = Qм + Qп и приходу тепла Q" = Qг. В случае рассогласования Q' Q" регулятор 8 с помощью исполнительного механизма 9 меняет расход газа, чем достигается выполнение уравнения теплового баланса Qм + Qп = Qг. Всякое изменение скорости движения ленты вызывает мгновенное нарушение баланса схемы и заставляет регулятор восстанавливать равновесие при новом значении скорости. Если для определения толщины ленты использовать автоматические измерители толщины, то схема будет также чувствительна к изменению геометрии ленты.
В печах с электрическим обогревом прибор 6 измеряет мощность, выделяемую в электрических нагревателях зоны. В схеме предусмотрен переход на регулирование температуры в зонах по заданному значению с помощью переключателей 7. Температура ленты в конце печи контролируется комплектом 10.
В камерах регулируемого охлаждения с воздухоохлаждаемыми трубами температуру регулируют, воздействуя на расход охлаждающего воздуха на зону. При полном прекращении подачи воздуха и падении температуры ниже заданной зональные регуляторы включают электрические нагреватели или электрорадиантные трубы.
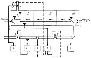
Очень важной частью системы управления термическими печами является регулирование газового режима печи. На рис. 3 показана схема управления газовым режимом протяжной печи при использовании атмосферы одинакового состава для всей печи, например при светлом отжиге ленты под нейтральной атмосферой.
Рис. 3. Принципиальная схема управления газовым режимом протяжной печи для термообработки:
I – камера нагрева; II – камера выдержки; III – камера охлаждения
Газ контролируемого состава подается в печь в конце камеры охлаждения и движется в печи навстречу металлу. Газ выходит из печи частично через затворы 1, 3 и главным образом через свечу 2. Примерный расход защитного газа устанавливается экспериментально при наладке печи и контролируется расходомером 7. Величиной сброса газа через свечу также управляют с помощью переключателя 9 вручную при наладке печи.
Давление в печи измеряют у пода вблизи свечи и поддерживают на заданном значении регулятором 6 меняющим расход контролируемой атмосферы. Для улучшения качества регулирования давления в печи предусмотрена стабилизация давления в газопроводе регулятором 8.
В нескольких точках печи, обычно вблизи затворов и свечи, контролируется состав атмосферы. При светлом отжиге малоуглеродистой ленты с помощью автоматического газоанализатора 4 следят за содержанием кислорода, которое не должно превышать 0,01 – 0,02 %. В случае превышения этого содержания вручную увеличивают сброс газа через свечу, и регулятор давления 6 автоматически повышает расход защитной атмосферы при помощи исполнительного механизма 5.
Регулирование газового режима может быть построено и иным способом. Стабилизируется заданный расход контролируемого газа регулятором 7 (см. пунктир на рис. 8.19), а давление в печи регулируется регулятором 6 изменением сброса газа в атмосферу через свечу.
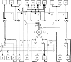
В некоторых случаях при термохимической обработке в разные камеры протяжной печи должны подаваться газы различного состава. На рис. 8.20 рассмотрена схема автоматического контроля и управления газовым режимом вертикальной многоходовой печи для обезуглероживающего отжига ленты трансформаторной стали. При этом виде обработки в камеры нагрева I и охлаждения V подается сухой азотный газ из коллектора 1, В секции II, III, IV камеры выдержки подается газ с различным содержанием водорода. Поэтому к каждой секции предусмотрен подвод газа от коллектора 1 и от коллектора 2, по которому поступает водородный газ, например диссоциированный аммиак.
В каждую зону и секцию охлаждения подается заданное количество азотного газа с помощью регуляторов 8, 11, 14. Общий расход газов на печь контролируется расходомером 6 и 7. Для получения требуемого содержания водорода в секциях камеры выдержки в каждую секцию подается водородный газ в заданном соотношении к расходу азотного газа регулятором соотношения 12. Задания регуляторам расхода газа и соотношения устанавливает оператор в зависимости от режима термообработки и фактического состава газа в печи.
Смесь азотного и водородного газов увлажняется в скруббере 3, и влажность смеси, однозначно связанная с его температурой, поддерживается двухпозиционным регулятором температуры 13, включающим и выключающим электронагреватели 4 водяного бака скруббера. После скруббера для предотвращения конденсации влаги газ подогревается нагревателем 5, и его температура контролируется прибором 10.
Состав газа в камере выдержки контролируется автоматическими газоанализаторами на водород 16 и влагомером 17. Для определения образующихся в процессе реакции обезуглероживания окиси углерода и метана применяют соответствующие комплекты автоматических газоанализаторов 18 и 19. Часто состав атмосферы печи желательно контролировать во многих точках. Обслуживание большого числа точек ограниченным числом приборов осуществляется с помощью переключателей газовых и электрических линий.
Рис. 4. Схема контроля и управления газовым режимом вертикальной протяжной печи для обезуглероживающего отжига ленты трансформаторной стали: I – камера нагрева; II – IV – секции камеры выдержки; V – камера охлаждения
При заполнении печи азотным газом и в процессе работы в камерах нагрева и охлаждения содержание кислорода контролируется газоанализатором 15. Направление движения газов между камерами I – II и IV – V определяется газоанализаторами на водород и влагомерами. Отбор проб газа на анализ выполняется в соответствующем тамбуре. При обнаружении обратного потока газов из II в I или из IV в V камеру вторичные приборы газоанализаторов включают сигнальные лампы и звонок на тепловом щите. Кроме того, в тамбурах устанавливают свечи с постоянно работающими запальниками. При обратном потоке газов через свечи выходит водородсодержащий газ, образуя пламя, которое определяется визуально или с помощью термопары.
Для определения прогара труб воздушного охлаждения после эксгаустера, отсасывающего из них воздух, устанавливают сигнализатор наличия водорода. При прогаре одной из труб в нее засасывается атмосфера из печи, содержащая до 5 % водорода, и датчик сигнализатора улавливает наличие водорода. Давление в печи регулируется регулятором 9, воздействующим на сброс газа через свечу.
В системах регулирования газовых режимов печей с водородсодержащей атмосферой широко применяют пневматические приборы и регуляторы. Пневматическая аппаратура отличается высокой надежностью и ее можно применять во взрывоопасных и пожароопасных условиях.
Для обеспечения безопасной работы печи с контролируемой атмосферой предусмотрены: специальная автоматическая система пуска газа; сигнализация ряда параметров; система аварийного отключения и продувки печи. Аварийная продувка осуществляется из специального газгольдера с запасом азотного газа, равным пятикратному объему печи. Аварийная продувка азотным газом необходима в следующих случаях: при падении давления в печи ниже допустимого уровня; при падении давления сжатого воздуха, питающего приборы и регуляторы; при уменьшении подачи азота в камеру охлаждения ниже допустимого предела; при отключении электроэнергии.
Управление другими проходными термическими печами в основном аналогично рассмотренному для протяжных печей в отношении, как температуры, так и газового режима.
Управление протяжными печами с помощью ЭВМ весьма целесообразно ввиду большой сложности управления температурным и газовым режимами. Основным критерием качества управления должны служить физические и химические свойства обрабатываемого металла. Дополнительным критерием может быть получение максимальной производительности при заданном качестве металла и минимальном расходе энергии.
Задача ЭВМ в отношении управления нагревом должна сводиться к выработке заданий регуляторам температуры в камерах нагрева, выдержки и охлаждения, обеспечивающих необходимую температуру нагрева и скорость охлаждения при разных режимах работы печи. В отношении управления газовым режимом должны решаться задачи расчета состава и потребления контролируемого газа в различных камерах и секциях в зависимости от исходного состояния ленты.
Характеристики
Тип файла документ
Документы такого типа открываются такими программами, как Microsoft Office Word на компьютерах Windows, Apple Pages на компьютерах Mac, Open Office - бесплатная альтернатива на различных платформах, в том числе Linux. Наиболее простым и современным решением будут Google документы, так как открываются онлайн без скачивания прямо в браузере на любой платформе. Существуют российские качественные аналоги, например от Яндекса.
Будьте внимательны на мобильных устройствах, так как там используются упрощённый функционал даже в официальном приложении от Microsoft, поэтому для просмотра скачивайте PDF-версию. А если нужно редактировать файл, то используйте оригинальный файл.
Файлы такого типа обычно разбиты на страницы, а текст может быть форматированным (жирный, курсив, выбор шрифта, таблицы и т.п.), а также в него можно добавлять изображения. Формат идеально подходит для рефератов, докладов и РПЗ курсовых проектов, которые необходимо распечатать. Кстати перед печатью также сохраняйте файл в PDF, так как принтер может начудить со шрифтами.















