material (708520)
Текст из файла
МИНИСТЕРСТВО ОБРАЗОВАНИЯ РФ
ТЮМЕНСКИЙ ГОСУДАРСТВЕННЫЙ НЕФТЕГАЗОВЫЙ УНИВЕРСИТЕТ
Кафедра «Материаловедение и ТКМ»
РЕФЕРАТ
По дисциплине: «ТКМ»
На тему:
Обработка деталей резанием
Выполнил:
студенты группы ________
Relax
MEGA-LO-SONIC
Проверил:
Тюмень 2001
Содержание
Стр.
ЭСКИЗ ДЕТАЛИ И ЗАГОТОВКИ | 3 |
ОЧЕРЕДНОСТЬ ОБРАБОТКИ ЗАДАННЫХ ПОВЕРХНОСТЕЙI. ХАРАКТЕРИСТИКА ЛИТЕЙНОГО ПРОИЗВОДСТВА | 3 4 |
1. СУЩНОСТЬ ЛИТЕЙНОГО ПРОИЗВОДСТВА | 4 |
2. ЭЛЕМЕНТЫ ЛИТЕЙНОЙ ФОРМЫ | 4 |
3. ЛИТЕЙНЫЕ СПЛАВЫ | 5 |
| 4. ИЗГОТОВЛЕНИЕ ЛИТЕЙНЫХ ФОРМ | 5 |
5. ИЗГОТОВЛЕНИЕ СТЕРЖНЕЙ | 9 |
| 6. СБОРКА И ЗАЛИВКА ЛИТЕЙНЫХ ФОРМ. ОХЛАЖДЕНИЕ, ВЫБИВКА И ОЧИСТКА ОТЛИВОК | 11 |
II. МЕТАЛЛОРЕЖУЩИЕ СТАНКИ | 13 |
| КЛАССИФИКАЦИЯ МЕТАЛЛОРЕЖУЩИХ СТАНКОВ | 13 |
| III. ОБРАБОТКА ЗАГОТОВОК НА СТАНКАХ ТОКАРНОЙ ГРУППЫ | 16 |
| 1. ХАРАКТЕРИСТИКА МЕТОДА ТОЧЕНИЯ | 16 |
| 2. ТОКАРНЫЕ РЕЗЦЫ | 16 |
| 3. ОБРАБОТКА ЗАГОТОВОК НА ТОКАРНО-ВИНТОРЕЗНЫХ СТАНКАХ | 17 |
| IV. ОБРАБОТКА ЗАГОТОВОК НА ФРЕЗЕРНЫХ СТАНКАХ | 20 |
| 1. ХАРАКТЕРИСТИКА МЕТОДА ФРЕЗЕРОВАНИЯ 2. ТИПЫ ФРЕЗ СПИСОК ИСПОЛЬЗОВАННОЙ ЛИТЕРАТУРЫ | 20 21 24 |
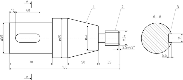
ОЧЕРЕДНОСТЬ ОБРАБОТКИ ЗАДАННЫХ ПОВЕРХНОСТЕЙ
№1 обрабатываем на токарно-винторезном станке.
№2 на токарно-винторезном станке обрабатываем поверхность, затем прорезаем резьбу резцом или
плашкой.
№3 Обрабатываем на фрезерном станке шпоночной или концевой фрезой.
Эскиз детали
Эскиз заготовки
I. ХАРАКТЕРИСТИКА ЛИТЕЙНОГО ПРОИЗВОДСТВА
1. СУЩНОСТЬ ЛИТЕЙНОГО ПРОИЗВОДСТВА
Литейное производство — отрасль машиностроения, занимающаяся изготовлением фасонных заготовок или деталей путем заливки расплавленного металла в специальную форму, полость которой имеет конфигурацию заготовки (детали). При охлаждении залитый металл затвердевает и в твердом состоянии сохраняет конфигурацию той полости, в которую он был залит. Конечную продукцию называют отливкой. В процессе кристаллизации расплавленного металла и последующего охлаждения формируются механические и эксплуатационные свойства отливок.
Литьем получают разнообразные конструкции отливок массой от нескольких граммов до 300 т, длиной от нескольких сантиметров до 20 м, со стенками толщиной 0,5—500 мм (блоки цилиндров, поршни, коленчатые валы, корпуса и крышки редукторов, зубчатые колеса, станины станков, станины прокатных станов, турбинные лопатки и т. д.).
Для изготовления отливок применяют множество способов литья:
в песчаные формы (рис. 1), в оболочковые формы, по выплавляемым моделям, в кокиль, под давлением, центробежное литье и др. Область применения того или иного способа литья определяется объемом производства, требованиями к геометрической точности и шероховатости поверхности отливок, экономической целесообразностью и другими факторами.
Рис. 1. Схема технологического процесса получения отливок в песчаных формах
2. ЭЛЕМЕНТЫ ЛИТЕЙНОЙ ФОРМЫ
Литейная форма — это система элементов, образующих рабочую полость, при заливке которой расплавленным металлом формируется отливка. На рис. 2, а показана литейная форма для тройника (рис.2, б). Форма обычно состоит из нижней 2 и верхней 6 полуформ, которые изготовляют по литейным моделям 7 (рис. 2, г) в литейных опоках 3, 5. Литейная опока — приспособление для удержания формовочной смеси при изготовлении формы. Верхнюю и нижнюю полуформы взаимно ориентируют с помощью цилиндрических металлических штырей 4, вставляемых в отверстия приливов у опок. Для образования полостей, отверстий или иных сложных Контуров в формы устанавливают литейные стержни 1, которые фиксируют с помощью выступов (стержневых знаков), входящих. В соответствующие впадины в форме. Литейные стержни изготовляют по стержневым ящикам (рис. 2, д). Для подвода расплавленного металла в полость литейной формы, ее заполнения и питания отливки при затвердевании используют литниковую систему 8—11. После заливки расплавленного металла, его затвердевания и охлаждения форму разрушают, извлекая отливку (рис. 2, е).
3. ЛИТЕЙНЫЕ СПЛАВЫ
Для производства отливок используются сплавы черных металлов: серые, высокопрочные, ковкие и другие виды чугунов;
углеродистые и легированные стали; сплавы цветных металлов;
медные (бронзы и латуни), цинковые, алюминиевые и магниевые сплавы; сплавы тугоплавких металлов: титановые, молибденовые, вольфрамовые и др.
Рис. 2. Литейная форма и ее элементы:
а — литейная форма; б — тройник; в — литейный стержень; г — литейная модель; д — стержневой ящик; е — отливка с литниковой системой
Литейные сплавы должны обладать высокими литейными свойствами (высокой жидкотекучестью, малыми усадкой и склонностью к образованию трещин и др.); требуемыми физическими и эксплуатационными свойствами. Выбор сплава для тех или иных литых деталей является сложной задачей, поскольку все требования в реальном производстве учесть не представляется возможным.
4. ИЗГОТОВЛЕНИЕ ЛИТЕЙНЫХ ФОРМ
Основные операции изготовления форм (формовки); уплотнение формовочной смеси для получения точного отпечатка модели в форме и придание форме достаточной прочности; устройство вентиляционных каналов для вывода газов из полости формы, образующихся при заливке; извлечение модели из формы; отделка и сборка форм. По степени механизации различают формовку: ручную и машинную.
Ручную формовку применяют для получения одной или нескольких отливок в условиях опытного производства, при изготовлении крупных отливок (массой до 200 т). На практике используют различные приемы ручной формовки.
Формовка в парных опоках по разъемной модели наиболее распространена. Литейную форму (рис. 3, е), состоящую из двух полуформ, изготовляют по разъемной модели (рис. 3, а) в такой последовательности: на модельную плиту 3 устанавливают нижнюю половину модели 1, модели питателей 4 н опоку 5 (рис. 3, б), в которую засыпают формовочную смесь и уплотняют. Опоку поворачивают на 180° (рис. 3, в), устанавливают верхнюю половину модели 2, модели шлакоуловителя 9, стояка 8 и выпоров 7. По центрирующим штырям устанавливают верхнюю опоку 6, засыпают формовочную смесь и уплотняют. После извлечения модели стояка и выпоров форму раскрывают. Из полуформ извлекают модели (рис. 3, г) и модели питателей и шлакоуловителей, в нижнюю полуформу устанавливают стержень 10 (рис. 3, д) и накрывают нижнюю полуформу верхней. На рис. 3. е показана литейная форма для корпуса вентиля. После заливки расплавленного металла и его затвердевания литейную форму разрушают и извлекают отливку (рис. 3, ж).
Рис. 3. Последовательность операций изготовления литейной формы для корпуса вентиля
Рис. 4. Шаблонная формовка:
а — отливка; б — шаблоны и приспособления; в — изготовление болвана . в соответствии с наружным контуром отливки; г — изготовление верхней полуформы; д — изготовление болвана, соответствующего внутреннему контуру отливки; е — форма в сборе
Формовку шаблонами применяют в единичном производстве для получения отливок, имеющих конфигурацию тел вращения. Для примера рассмотрим технологический процесс изготовления форм для шлаковой чаши (рис. 4, а). Формовку осуществляют с помощью двух шаблонов 1, 4 (рис. 4, б) в последовательности;
в яме устанавливают подпятник 7 со шпинделем 2 в вертикальном положении, засыпают формовочную смесь и уплотняют ее вокруг шпинделя; к серьге 8 прикрепляют шаблон 1, режущая кромка которого имеет очертания наружной поверхности отливки, и устанавливают его на шпиндель (рис. 4, б) до упора 5; вращением шаблона в ту и другую сторону срезают формовочную смесь в соответствии с профилем шаблона, удаляя излишки формовочной смеси; по полученному болвану изготовляют верхнюю полуформу 6 (рис. 4, г) Для этого серьгу с шаблоном снимают со шпинделя, плоскость разъема формы покрывают разделительным слоем сухого кварцевого песка или бумагой, устанавливают модели литниковой системы, опоку, засыпают формовочную смесь и уплотняют ее, удаляют шпиндель и снимают верхнюю полуформу; в подпятник 7 вновь устанавливают шпиндель, на который с помощью серьги устанавливают шаблон 4 (рис. 4, д), имеющий очертания внутренней поверхности отливки. С помощью этого шаблона с болвана удаляется слой формовочной смеси на толщину стенки отливки (рис. 4, д); после этого снимают шаблон и удаляют шпиндель, отделывают полученный болван и устанавливают верхнюю полуформу (рис. 4, е), затем в литейную форму заливают расплавленный металл.
Рис. 5. Сборка формы станины в механизированном кессоне
Формовку в кессонах применяют при изготовлении крупных отливок массой до 200 т. На рис. 5 показана форма станины, собранная в механизированном кессоне, который смонтирован на бетонном основании 7. Дно его выложено чугунными плитами 4. Две неподвижные стенки 1 и 8 также облицованы металлическими плитами. Противоположные чугунные стенки 3 и 6 передвигаются с помощью червячного редуктора 2, приводимого в действие электродвигателем, что позволяет изменять внутренние размеры кессона. Форму собирают из стержней-блоков 5, изготовленных из жидких самотвердеющих смесей. Литниковую систему изготовляют из керамических огнеупорных трубок. Верхнюю полуформу 10 устанавливают по центрирующим штырям 9 и прикрепляют к кессону болтами.
Формовку в стержнях применяют в массовом и крупносерийном производствах при изготовлении отливок сложной конфигурации.
Рис. 6. Формовка в стержнях цилиндра двигателя с воздушным охлаждением
На рис. 6 приведен пример формовки в стержнях цилиндра двигателя с воздушным охлаждением. Форма для отливки цилиндра двигателя с воздушным охлаждением собрана из шести стержней. Сборку формы производят в горизонтальном положении. В стержень 1 вкладывают стержень 2, затем стержни 3, 4, 5 я 6. Собранную форму скрепляют.
Формовку с использованием жидкостекольных смесей применяют при изготовлении отливок массой до 40 т в серийном и единичном производствах. При формовке на модель
слоем 50—70 мм наносят слой жидкостекольной формовочной смеси, остальной объем опоки заполняют наполнительной формовочной смесью и уплотняют. После изготовления полуформы модели извлекают. Полуформы накрывают зонтом, под который под давлением 0,2—0,3 МПа подводится углекислый газ, обеспечивающий быстрое равномерное отверждение формы (рис. 7).
Машинную формовку применяют для производства отливок в массовом и серийном производствах. При формовке на машинах формы изготовляют в парных опоках с использованием односторонних металлических модельных плит. Машинная формовка механизирует установку опок на машину, засыпку формовочной смеси в опоку, уплотнение смеси, удаление моделей из формы, транспортирование и сборку форм. Машинная формовка обеспечивает высокую геометрическую точность полости формы по сравнению с ручной формовкой, повышает производительность труда, исключает трудоемкие ручные операции, сокращает цикл изготовления отливок. При машинной формовке формовочную смесь уплотняют прессованием, встряхиванием, пескометом, вакуумной формовкой и др.
Характеристики
Тип файла документ
Документы такого типа открываются такими программами, как Microsoft Office Word на компьютерах Windows, Apple Pages на компьютерах Mac, Open Office - бесплатная альтернатива на различных платформах, в том числе Linux. Наиболее простым и современным решением будут Google документы, так как открываются онлайн без скачивания прямо в браузере на любой платформе. Существуют российские качественные аналоги, например от Яндекса.
Будьте внимательны на мобильных устройствах, так как там используются упрощённый функционал даже в официальном приложении от Microsoft, поэтому для просмотра скачивайте PDF-версию. А если нужно редактировать файл, то используйте оригинальный файл.
Файлы такого типа обычно разбиты на страницы, а текст может быть форматированным (жирный, курсив, выбор шрифта, таблицы и т.п.), а также в него можно добавлять изображения. Формат идеально подходит для рефератов, докладов и РПЗ курсовых проектов, которые необходимо распечатать. Кстати перед печатью также сохраняйте файл в PDF, так как принтер может начудить со шрифтами.













