109499 (708296)
Текст из файла
Министерство образования Украины
Одесская Государственная Академия Холода
Кафедра расширительных машин.
Колеса турбодетандеров.
Студента 231 гр.
Тарасенко Е.А.
Одесса 1997 г.
Колеса турбодетандеров.
Вращающееся рабочее колесо является очень ответственной частью турбодетандера. Оно должно обладать высокими аэродинамическими качествами и необходимой прочностью как в нормальных температурных условиях, так и в условиях низких температур.
Конструкция реактивного колеса с длинными лопатками в большой мере зависит от числа лопаток. Первые конструкции колес делались с большим (порядка 80) числом лопаток. Однако конструктивно и технологически колеса с большим числом лопаток получаются сравнительно сложными, так как их приходится делать наборными, со вставными лопатками, изготовляемыми из тонких пластинок. Колеса с малым числом относительно толстых лопаток могут быть цельнофрезерованными, более прочными и легкими, что позволяет значительно увеличить допустимую окружную скорость, т. е. получить больший теплоперепад в одной ступени. Поэтому в последних конструкциях турбодетандеров применяются цельнофрезерованные колеса с небольшим числом лопаток.
Опыт показал, что колеса с 17-20 лопатками являются вполне удовлетворительными как с газодинамической, так и конструктивной точки зрения.
Окружные скорости рабочих колес реактивных турбодетандеров находятся в пределах 150-400 м/с. Поэтому колеса должны обладать высокими газодинамическими качествами, достаточной механической прочностью при нормальных и низких температурах и малым весом.
П
ервые отечественные реактивные турбодетандеры, разработанные под руководством акад. П. Л. Капицы, имели рабочие колеса с двусторонним выходом газа (рис. 1).
Колесо состоит из стрелки, в прорези которой вставляются лопатки, изготовленные из листовой стали.
В средней части лопаток имеются заплечики, входящие в кольцевые пазы покрывных дисков, а в верхней части - выступы, которые расклепываются в прорезях покрывных дисков. Для предотвращения смещения и вибрации лопаток заплечики вводятся в кольцо с прорезями. Число лопаток в колесах такой конструкции было значительным - 36 длинных и 36 коротких. Стрелка и покрывные диски изготовлялись из поковок нержавеющей стали, а лопатки из листового проката этой же стали.
Рис. 1, Рабочее колесо реактивного турбодетандера с двухсторонним выходом газа:
1 - стрелка; 2 - покрывные диски; 3 - лопатки; 4 – кольцо
Ввиду того, что подобные колеса имеют значительный вес, располагаются в средней части ротора и удалены от опор, критическое число оборотов ротора обычно бывает ниже рабочего числа оборотов, т. е. вал получается «гибким». Для предотвращения значительных колебаний и больших прогибов вала при переходе через критическое число оборотов одну опору снабжают демпфирующим устройством.
В современных турбодетандерах обычно применяются закрытые и полуоткрытые рабочие колеса с односторонним выходом газа, расположенные на консоли вала.
Закрытое рабочее колесо с односторонним выходом газа (рис. 2) состоит из покрывного и лопаточного дисков, соединяемых заклепками. Лопаточный диск может изготовляться фрезерованием, штамповкой или методом точного литья по выплавляемым моделям. Однако, ввиду того, что количество выпускаемых однотипных рабочих колес сравнительно невелико, обычно лопаточные диски выполняются фрезерованием. Оба диска изготовляются из поковок алюминиевого сплава марки АК6. Заклепки, соединяющие диски рабочего колеса, изготовляются из алюминиевого сплава марки В65.
Рис. 2. Закрытое рабочее колесо реактивного турбодетандера с односторонним выходом газа: 1 - лопаточной диск; 2 - покрывной диск: 3 - заклепка; 4 - гребни лабиринтных уплотнении
Число лопаток рабочих колес подобного типа обычно равно 17—21. Толщина лопатки делается на 1—1,5 мм больше диаметра заклепки и находится в пределах от 8 мм для больших колес до 2,5 мм для малых.
Для уменьшения действующих на рабочее колесо осевых сил на лопаточном диске делается разгрузочный бурт, на котором располагаются лабиринтные уплотнения, а кольцевая полость между лабиринтами разгрузочного бурта и лабиринтами вала соединяется отверстиями с выходной воронкой колеса. Для уменьшения утечек газа лабиринтные уплотнения на ступице покрывного диска и на разгрузочном бурте могут выполняться ступенчатыми.
Г
ребни лабиринтных уплотнений изготовляются из латунной или никелевой фасонной ленты и зачеканиваются в пазы дисков рабочего колеса медной проволокой.
Окончательная механическая обработка рабочих колес и зачеканка лабиринтных гребней производятся после клепки.
Рабочие колеса с односторонним выходом газа, располагаемые на консоли вала, соединяются с валом на конической посадке с конусностью 1 : 10. Для передачи крутящего момента служат две призматические шпонки. Колесо крепится к валу болтом, головка которого образует внутренние стенки выходного канала воронки рабочего колеса. Применене конической посадки позволяет производить многократные разборку и сборку ротора без нарушения характера посадки.
Рабочие колеса малых турбодетандеров (диаметром d1 < 100 мм) выполняются большей частью в виде полуоткрытых колес радиально-осевого типа с углом установки лопаток на входе, равным 90° (рис. 3).
Подобные рабочие колеса обладают большой механической прочностью, так как лопатки испытывают только растягивающие нагрузки; изготовленные из алюминиевого сплава АК6, они могут надежно работать при окружной скорости до 500 м/с.
Толщина лопаток у основания обычно равна 1-1,5 мм, а количество их на диаметре
определяется минимальным диаметром фрезы.
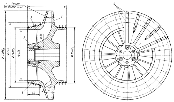
В настоящее время в отечественных турбодетандерах нашли широкое применение радиально-осевые рабочие колеса закрытого типа (рис. 4).
Рис. 4. Закрытое рабочее колесо реактивного турбодетандера радиально-осевого типа: 1 - лопаточный диск; 2 - крыльчатка; 3 - покрывной диск; 4 - заклепки;
5 - гребень лабиринтного уплотнения.
В эксплуатации еще находятся турбодетандеры активного типа. Колеса этих машин выполнены наборными или цельнофрезерованными с большим количеством коротких лопаток - до 125 шт. (рис. 5).
Рис. 5. Рабочее колесо активного турбодетандера с наборными лопатками:
1 - диск рабочего колеса; 2 - сопатка; 3 – проставка; 4 - ободок; 5 - замковое кольцо; 6 - клиновое кольцо.
После окончательного изготовления рабочие колеса сравнительно больших диаметров (d1100 мм) подвергаются статической балансировке в специальных качалках. Допустимая величина небаланса принимается такой, чтобы вызываемое ею смещение центра тяжести рабочего колеса с оси вращения не превышало 5 мкм.
Характеристики
Тип файла документ
Документы такого типа открываются такими программами, как Microsoft Office Word на компьютерах Windows, Apple Pages на компьютерах Mac, Open Office - бесплатная альтернатива на различных платформах, в том числе Linux. Наиболее простым и современным решением будут Google документы, так как открываются онлайн без скачивания прямо в браузере на любой платформе. Существуют российские качественные аналоги, например от Яндекса.
Будьте внимательны на мобильных устройствах, так как там используются упрощённый функционал даже в официальном приложении от Microsoft, поэтому для просмотра скачивайте PDF-версию. А если нужно редактировать файл, то используйте оригинальный файл.
Файлы такого типа обычно разбиты на страницы, а текст может быть форматированным (жирный, курсив, выбор шрифта, таблицы и т.п.), а также в него можно добавлять изображения. Формат идеально подходит для рефератов, докладов и РПЗ курсовых проектов, которые необходимо распечатать. Кстати перед печатью также сохраняйте файл в PDF, так как принтер может начудить со шрифтами.















