idroprivod (708146)
Текст из файла
М
инистерство образования Российской Федерации
Тюменский государственный нефтегазовый университет
Институт нефти и газа
Кафедра "Машины и оборудование нефтяной и газовой промышленности"
| Защита | К защите |
| Оценка | Дата |
| Подпись | Подпись |
ГИДРОПРИВОД
Пояснительная записка к курсовой работе по
дисциплине "Гидромашины и компрессоры"
17.02.011.000.ПЗ
Выполнил: студент группы МОП 98-2 Коротков П.Н.
Проверил: к.т.н., доцент Двинин А.А.
г. Тюмень,
2001 г.
С
ОДЕРЖАНИЕ
| Лист | ||
ВВЕДЕНИЕ | 3 | |
| 1. ОБЩАЯ ЧАСТЬ | 5 | |
| 1.1. Выбор функциональной схемы гидропривода | 5 | |
| 1.2. Выбор рабочей жидкости | 6 | |
| 2. РАСЧЕТНАЯ ЧАСТЬ | 7 | |
| 2.1. Выбор гидродвигателя | 7 | |
| 2.2. Определение расхода жидкости | 7 | |
| 2.3. Выбор гидравлической аппаратуры | 8 | |
| 2.4. Расчет гидравлической сети | 9 | |
| 2.5. Выбор насоса и определение его рабочего режима | 12 | |
| 2.6. Выбор электродвигателя | 13 | |
| 2.7. Расчет КПД гидропривода | 13 | |
| 2.8. Определение объема масляного бака | 14 | |
| 2.9. Тепловой расчет гидросистемы | 14 | |
| 3. ТЕХНИКА БЕЗОПАСНОСТИ | 16 | |
| ПРИЛОЖЕНИЕ | 19 | |
| ЛИТЕРАТУРА | 20 | |
В
ВЕДЕНИЕ
Гидропривод – это совокупность устройств, предназначенных для приведения в движение машин и механизмов посредством гидравлической энергии. Обязательными элементами гидропривода являются насос и гидродвигатель.
Гидропривод представляет собой своего рода "гидравлическую вставку" между приводным электродвигателем и нагрузкой (машиной и механизмом) и выполняет те же функции, что и механическая передача (редуктор, ременная передача, кривошипно-шатунный механизм и т.д.). Основное назначение гидропривода, как и механической передачи, - преобразование механической характеристики приводного двигателя в соответствии с требованиями нагрузки (преобразование вида движения выходного звена двигателя, его параметров, а также регулирование, защита от перегрузок и др.).
Приводным двигателем насоса могут быть электродвигатель, дизель и другие, поэтому иногда гидропривод называется соответственно электронасосный, дизельнасосный и т.д.
К основным преимуществам гидропривода относятся: возможность универсального преобразования механической характеристики приводного двигателя в соответствии с требованиями нагрузки; простота управления и автоматизации; простота предохранения приводного двигателя и исполнительных органов машин от перегрузок; широкий диапазон бесступенчатого регулирования скорости выходного звена; большая передаваемая мощность на единицу массы привода; надежная смазка трущихся поверхностей при применении минеральных масел в качестве рабочих жидкостей.
К недостаткам гидропривода относятся: утечки рабочей жидкости через уплотнения и зазоры, особенно при высоких значениях давления; нагрев рабочей жидкости, что в ряде случаев требует применения специальных охладительных устройств и средств тепловой защиты; более низкий КПД (по приведенным выше причинам), чем у сопоставимых механических передач; необходимость обеспечения в процессе эксплуатации чистоты рабочей жидкости и защиты от проникновения в нее воздуха; пожароопасность в случае применения горючей рабочей жидкости.
П
ри правильном выборе гидросхем и конструировании гидроузлов некоторые из перечисленных недостатков гидропривода можно устранить или значительно уменьшить их влияние на работу машин. Тогда преимущества гидропривода перед обычными механическими передачами становятся столь существенными, что в большинстве случаев предпочтение отдается именно ему.
Сейчас трудно назвать область техники, где бы ни использовался гидропривод. Эффективность, большие технические возможности делают его почти универсальным средством при механизации и автоматизации различных технологических процессов. В частности, в горной промышленности он используется в креплении подземных горных выработок: в очистных забоях применяются индивидуальные гидравлические стойки и гидравлические комплексы, выполняющие основные и вспомогательные операции по передвижке как самих крепей, так и другого механического оборудования в лаве; широко применяются крепи сопряжения горных выработок. Практически все комбайны для ведения очистных и нарезных работ, проведения подготовительных выработок имеют гидропривода подачи исполнительного органа на забой и механизмов для выполнения различных вспомогательных операций. Гидропривод является неотъемлемым элементом буровых установок. Большинство приводов шахтных конвейеров снабжено гидродинамическими муфтами. [1]
1
. ОБЩАЯ ЧАСТЬ
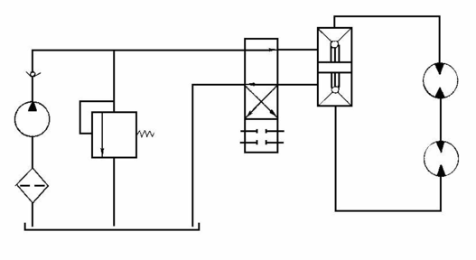
1.1. Выбор функциональной схемы гидропривода
Функциональную схему гидропривода выбираем в соответствии с условиями заданиями:
-
гидропривод состоит из насоса, двух последовательно подключенных к нему гидромоторов и гидромагистрали диной 10 метров;
-
скорость вращения гидромоторов должна плавно регулироваться в пределах 2060 об/мин.;
-
совместный максимальный крутящий момент на валах гидромоторов М=10 кНм;
-
необходимо обеспечить фиксацию вала гидромотора в момент остановки;
-
предусмотреть реверсирование гидромоторов и разгрузку насосов.
В соответствии с данными требованиями выбираем схему, показанную на рис. 1.1.
Для предотвращения обратного движения жидкости при отключенном насосе или для пропуска ее только в одном направлении предусмотрим обратный клапан, для разгрузки насосов – предохранительный клапан, для обеспечения фиксации вала гидромотора – гидрозамок, для фильтрации, поступающей в насос жидкости, – фильтр дисковый жидкой смазки, для распределения потока жидкости – золотник реверсивный с электро-гидравлическим управлением.
О
ткрытая циркуляция позволяет лучше очищать и охлаждать рабочую жидкость за счет ее отстоя в баке.
Вычислим выходную мощность на валах гидромоторов:
NГ=Mn/30 (1.1)
где М – крутящий момент, кНм;
n – частота вращения вала, об/мин
NГ=103,1420/30=20,93 кВт.
Так как выходная мощность на гидромоторе превышает 3 кВт, то необходимо применить объемный метод регулирования.
1.2. Выбор рабочей жидкости
В
Рис. 1.1. Функциональная схема гидропривода
качестве рабочей жидкости выберем масло индустриальное марки И-20А (ГОСТ 20799-75), оно имеет следующие характеристики: вязкость при 50С (1723)10-6 м2/с, температура застывания -20С, температура вспышки 170С, пределы рабочих температур 090С, плотность =881901 кг/м3.
2
. РАСЧЕТНАЯ ЧАСТЬ
2.1. Выбор гидродвигателя
По крутящему моменту М и числу оборотов n выбираем серийный гидромотор ВГД-630. Он имеет следующие параметры: номинальный крутящий момент 7,1 кНм, номинальное давление 10 МПа, число оборотов в минуту 370, рабочий объем 4,8 дм3/об, объемный коэффициент полезного действия (КПД) - о=0,97, гидравлический КПД - г=0,97, механический КПД - м=0,97.
=огм (2.1)
где - общий КПД
=0,970,970,97=0,91
Определим перепад давления:
Pд=(2Mо)/(qд) (2.2)
где qд – рабочий объем гидромотора, м3/об
Pд=(23,1450000,97)/(4,810-30,91)=6,97 МПа.
2.2. Определение расхода жидкости
Расход рабочей жидкости гидромотора находится согласно выражениям:
QM max=(qдnmax)/о, (2.3)
Q
M min=(qдnmin)/о, (2.4)
где QM max и QM max – соответственно максимальный и минимальный расход жидкости, м3/с;
nmax и nmin – соответственно максимальная и минимальная частота вращения вала гидромотора, об/с
QM max=(4,810-31)/0,99=4,810-3 м3/с,
QM min=(4,810-31)/30,99=1,610-3 м3/с.
2.3. Выбор гидравлической аппаратуры
Исходя из задачи выбираем:
-
золотник реверсивный с электро-гидравлическим управлением Г63-17А (номинальный расход 6,66 дм3/с, номинальное давление 20 МПа, давление управления 0,82 МПа, потеря давления при номинальном расходе не более 0,3 МПа);
-
клапан предохранительный с переливным золотником БГ52-17А (номинальный расход масла 6,6 дм3/с, наименьший рекомендуемый расход 0,66 дм3/с, перепад давления на клапане при изменении расхода от наибольшего рекомендуемого на всем диапазоне давлений не более 0,5 МПа);
-
обратный клапан ПГ51-27 (номинальный расход масла 9,33 дм3/с, номинальное давление 0,320 МПа, потеря давления при номинальном расходе не более 0,2 МПа);
-
фильтр дисковый жидкой смазки ФДЖ-80 (наименьший размер задерживаемых частиц 0,18 мм, пропускная способность 3,46,3 дм3/с, наибольший перепад давления 0,051 МПа, наибольшее рабочее давление 0,4 МПа, фильтрующая поверхность патрона 330 см2, вес 168 кг).
2
.4. Расчет гидравлической сети
Диаметры трубопроводов определяются из условия обеспечения допустимых эксплуатационных скоростей Vэкс:
| всасывающие трубопроводы: | 0,51,5 м/с; |
| сливные трубопроводы: | 2 м/с; |
| нагнетательные трубопроводы: | 5 м/с. |
Исходя из этих величин, определяются внутренние диаметры трубопроводов по формуле:
d=(4Qmax/Vэкс)1/2 (2.5)
dвсас=(44,810-3/3,141,5)1/2=0,06 м;
dслив=(44,810-3/3,142)1/2=0,055 м;
dнагн=(44,810-3/3,145)1/2=0,034 м.
Характеристики
Тип файла документ
Документы такого типа открываются такими программами, как Microsoft Office Word на компьютерах Windows, Apple Pages на компьютерах Mac, Open Office - бесплатная альтернатива на различных платформах, в том числе Linux. Наиболее простым и современным решением будут Google документы, так как открываются онлайн без скачивания прямо в браузере на любой платформе. Существуют российские качественные аналоги, например от Яндекса.
Будьте внимательны на мобильных устройствах, так как там используются упрощённый функционал даже в официальном приложении от Microsoft, поэтому для просмотра скачивайте PDF-версию. А если нужно редактировать файл, то используйте оригинальный файл.
Файлы такого типа обычно разбиты на страницы, а текст может быть форматированным (жирный, курсив, выбор шрифта, таблицы и т.п.), а также в него можно добавлять изображения. Формат идеально подходит для рефератов, докладов и РПЗ курсовых проектов, которые необходимо распечатать. Кстати перед печатью также сохраняйте файл в PDF, так как принтер может начудить со шрифтами.
ВЕДЕНИЕ














