29814-1 (707646), страница 3
Текст из файла (страница 3)
М.: Связь, 1977г.
4. Титов А.А., Бабак Л.И., Черкашин М.В. Расчет межкаскадной согла-
сующей цепи транзисторного полосового усилителя мощности
//Электронная техника. СЕР. СВЧ-Техника. ВЫП 1(475), 2000г.
5. Шварц Н.З. Линейные транзисторные усилители СВЧ. - М.: Сов. радио. 1980 г.
6. Болтовский Ю.Г., Расчёт цепей термостабилизации электрического режима транзисторов, методические указания. Томск: ТУСУР, 1981г., 39с.
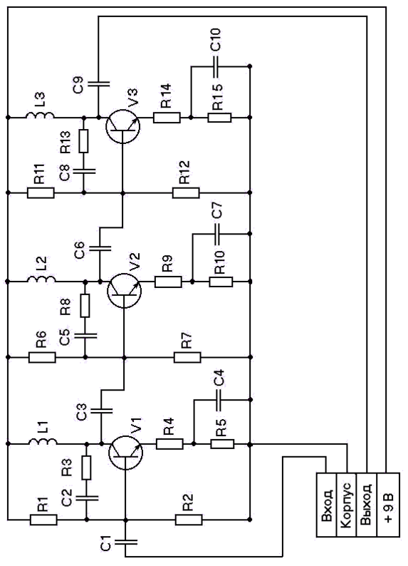
| РТФ КП 468740.009 ПЭ3 | ||||||||||||||||||||||
| Усилитель приемной антенной решетки Схема электрическая Принципиальная | Лит. | Масса | Масштаб | |||||||||||||||||||
| Из. | Лист | № докум. | Подп. | Дата | ||||||||||||||||||
| Разраб. | Вахрушев | |||||||||||||||||||||
| Пров. | Титов | |||||||||||||||||||||
| Т. контр. | Лист | Листов | ||||||||||||||||||||
| ТУСУР, РТФ, каф. РУУ, гр. 148-3 | ||||||||||||||||||||||
| Н. контр. | ||||||||||||||||||||||
| Утв. | ||||||||||||||||||||||
| Поз. | Наименование | Кол. | Примечание | |||||||||||||||||||||
| V1-V3 | Транзисторы КТ3104-А аА0.336.128 ТУ | 3 | ||||||||||||||||||||||
| L1-L3 | Дроссели 0.8мкГн10% | 3 | ||||||||||||||||||||||
| Резисторы | ||||||||||||||||||||||||
| R1,R6,R11 | МЛТ–0,125-3,6 кОм5% ГОСТ 7113-77 | 3 | ||||||||||||||||||||||
| R2,R7,R12 | МЛТ–0,125-7,1 кОм5% ГОСТ 7113-77 | 3 | ||||||||||||||||||||||
| R3,R8,R13 | МЛТ–0,125-390 Ом5% ГОСТ 7113-77 | 3 | ||||||||||||||||||||||
| R4,R9,R14 | МЛТ–0,125-16 Ом5% ГОСТ 7113-77 | 3 | ||||||||||||||||||||||
| R5,R10,R15 | МЛТ–0,125-160 Ом5% ГОСТ 7113-77 | 3 | ||||||||||||||||||||||
| Конденсаторы | ||||||||||||||||||||||||
| С1,С3,С6,С9 | К-10-17 50пФ5% ОЖО.460.107 ТУ | 4 | ||||||||||||||||||||||
| С2,С5,С8 | К-10-17 1пФ5% ОЖО.460.107 ТУ | 3 | ||||||||||||||||||||||
| С4,С7,С10 | К-10-18 1нФ5% ОЖО.460.107 ТУ | 3 | ||||||||||||||||||||||
| РТФ КП 468740.009 ПЭ3 | ||||||||||||||||||||||||
| Усилитель приемной антенной решетки Спецификация | Лит. | Масса | Масштаб | |||||||||||||||||||||
| Из. | Лист | № докум. | Подп. | Дата | ||||||||||||||||||||
| Разраб. | Вахрушев | |||||||||||||||||||||||
| Пров. | Титов | |||||||||||||||||||||||
| Т. контр. | Лист | Листов | ||||||||||||||||||||||
| ТУСУР, РТФ, каф. РУУ, гр. 148-3 | ||||||||||||||||||||||||
| Н. контр. | ||||||||||||||||||||||||
| Утв. | ||||||||||||||||||||||||














