26009-1 (707547), страница 2
Текст из файла (страница 2)
условие выполнено.
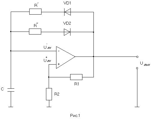
3) Подберем параметры для времязадающей цепи:
Чем меньше
, тем быстрее происходит перезаряд конденсатора и тем выше частота выходного сигнала.
Однако следует иметь в виду, что при малых значениях постоянной времени может наблюдаться явление возбуждения паразитных колебаний. Для обеспечения устойчивости генерации коротких импульсов целесообразно использовать наиболее рациональный путь – уменьшение коэффициента связи по неинвертирующему входу
при значениях времязадающей цепи, превышающих критическую величину. При этом стабильная работа мультивибратора наблюдается при значениях
.
с
Необходимо подобрать параметры
,
и
таким образом, чтобы выполнить равенство.
с.
Выберем
Ом ,
Ом ,
Ф учитывая, что на разряд конденсатора времени должно уйти больше чем на заряд.
с.
мс.
4) Длительность фронтов выходных импульсов в рассматриваемом мультивибраторе зависят от предельной скорости
вых нарастания выходного напряжения используемой микросхемы операционного усилителя:
, у нас по условию задания
мкс.
условие выполнено.
Длительность фронта выходного импульса
. Чем меньше отношение
тем форма импульса ближе к прямоугольной.
3. СПЕЦИФИКАЦИЯ ЭЛЕМЕНТОВ СХЕМЫ
| № п/п | Обозначение | Тип | Количество |
| 1 |
| Резистор МЛТ-0,5 – 1.3 кОм 5% | 1 |
| 2 |
| Резистор МЛТ-0,5 – 3.6 кОм 5% | 1 |
| 3 |
| Резистор МЛТ-0,5 – 9.1 кОм 5% | 1 |
| 4 |
| Резистор МЛТ-0,5 – 4.7 кОм 5% | 1 |
| 5 |
| Конденсатор К1030 – 0.01 мкФ | 1 |
| 6 |
| Операционный усилитель К574УД1 | 1 |
ЗАКЛЮЧЕНИЕ
В курсовой работе был разработан релаксационный генератор на ИОУ с большой скважностью генерируемых импульсов в режиме автоколебания. В процессе ее выполнения получены навыки выбора схемы и ее элементов в зависимости от необходимого результата.
Приобретены знания об основных свойствах интегральных операционных усилителей, используемых при построении импульсных генераторов различного назначения, в частности с использованием в данной курсовой работе ИОУ К574УД1.
СПИСОК ИСПОЛЬЗУЕМОЙ ЛИТЕРАТУРЫ
-
П. М. Грицевский, А. Е. Мамченко, Б. М. Степенский Основы автоматики, импульсной и вычислительной техники. - М.; «Радио и связь», 1987г.
-
П. Хоровиц, У. Хилл Искусство схемотехники-1 – М.; «Мир» 1993 г.
-
Справочник: Интегральные микросхемы. Операционные усилители Том I. – М.; ВО «Наука» 1993г.
ПРИЛОЖЕНИЕ















