7559-1 (707099)
Текст из файла
Новая концепция электромобиля
Нурбей Гулиа, Сергей Юрков
Электромобиль – транспортное средство, ведущие колеса которого приводятся от электромотора питаемого электробатареей, появился впервые в 1838 году в Англии. Электромобиль существенно старше автомобиля с двигателем внутреннего сгорания. Поначалу он опережал автомобиль по скорости и объему выпуска, но не смог стать серьезным конкурентом автомобилю. На наш взгляд, это происходит, в основном, из-за недостатков электромобилей, питаемых от электроаккумуляторов.
Вопреки бытующему мнению о высокой экономичности аккумуляторных электромобилей, анализ показывает, что химическая энергия топлива, сжигаемого на электростанциях, используется для движения транспортного средства всего на 15% и менее. Это происходит из-за потерь энергии в линиях электропередачи, трансформаторах, преобразователях, зарядных устройствах для аккумуляторов и самих аккумуляторах, электромашинах, как в тяговом, так и в генераторном режимах, а также в тормозах при невозможности рекуперации энергии. Для сравнения, дизельный двигатель на оптимальном режиме преобразует в механическую энергию около 40% химической энергии топлива. При большом распространении аккумуляторных электромобилей, а особенно с учетом сказанного, им просто не будет хватать электроэнергии, вырабатываемой электростанциями мира. Не следует забывать, что суммарная установочная мощность двигателей всех автомобилей намного превышает мощность всех электростанций мира.
Топливные элементы
Проблемы снимаются при питании электромобилей от так называемых первичных источников электроэнергии, вырабатывающих энергию непосредственно из топлива. В первую очередь, такими источниками являются топливные элементы (ТЭ), потребляющие кислород и водород. Кислород можно забирать из воздуха, а водород, в принципе, можно запасать в сжатом или сжиженном виде, а также в так называемых гидридах. Но реальнее его получать из обычного автомобильного топлива прямо на электромобиле с помощью конвертора. Эффективность топливных элементов несколько снижается, но зато не меняется вся инфраструктура топливозаправочного хозяйства. КПД топливных элементов при этом все равно очень высок – около 50%. Такие топливные элементы и конверторы разработаны, в частности, и российскими предприятиями, с которыми сотрудничают авторы статьи.
Однако электромобиль с питанием от топливных элементов не лишен общего недостатка – высокой массы тяговых электродвигателей транспортных средств, рассчитанных как на максимальные мощность и крутящий момент, так и на максимальную частоту вращения. При этом добавляются и специфические недостатки, характерные для топливных элементов. Это, во-первых, невозможность рекуперации энергии при торможении, так как топливные элементы не являются аккумуляторами, то есть они не могут заряжаться электроэнергией, а во-вторых, низкая удельная мощность топливных элементов.
При огромной удельной энергии топливных элементов (порядка 400...600Вт·ч/кг), удельная мощность при экономичном разряде не превышает 60Вт/кг. Это делает массу топливных элементов для реальных мощностей, необходимых автомобилям, очень большой. Например, для электромобиля с максимальной потребной мощностью 100кВт и электробуса с максимальной потребной мощностью 200кВт, это соответствует массам топливных элементов 1670 и 3330кг, соответственно. Если прибавить массы тяговых электродвигателей, примерно равные 150 и 400кг, соответственно, то получаются массы силовых агрегатов, совершенно неприемлемые для легкового электромобиля, и требующие пятитонного прицепа для электробуса.
Делаются попытки снижения массы топливных элементов с использованием в качестве промежуточных источников энергии конденсаторных накопителей энергии, обладающих высокой удельной мощностью. Однако, и этот путь недостаточно эффективен, так как лучшие современные конденсаторные накопители, доступные для автомобильной техники, имеют удельные энергетические показатели около 0,55Вт·ч/кг и 0,8Вт·ч/литр. В таком случае для накопления всего 2кВт·ч энергии (это значение рекомендовано специалистами как для электромобилей, так и для электробусов), потребуется около 3000кг или 2,5м3 конденсаторов, что нереально. Меньшие значения запасаемой энергии существенно снижают динамические качества машины. Кроме того, при коротком замыкании мощные конденсаторы могут загореться, что очень нежелательно для транспорта. Гораздо эффективнее использование в качестве промежуточного накопителя энергии супермаховика, соединенного с обратимой электромашиной.
Известные схемы
Супермаховик – маховик, изготовленный навивкой из волокон или лент на упругий центр. Удельная энергия супермаховика на порядок больше значений данного параметра для лучших монолитных маховиков, к тому же он обладает свойством безопасного разрыва, не дающего осколков [1].
Такие схемы осуществлены в новейших опытных образцах гибридных электромобилей фирм Mechanical Technology Inc.(США), EDO Energy (США), и известной Ливерморской национальной лаборатории (LLNL, США) [2]. Удельная энергия супермаховиков из кевлара и графита, достигающая сотен Вт·ч/кг, снижает его необходимую массу до нескольких килограммов (при удельной энергии 200Вт·ч/кг, для накопления 2кВт·ч потребуется супермаховик массой всего 10кг). Однако электромашина накопителя, необходимая здесь помимо тягового двигателя, и рассчитанная на максимальную мощность и поэтому весьма тяжелая, снижает эффективность этой схемы. К тому же она, как и тяговый двигатель должна быть обратимой (и мотором, и генератором), что дополнительно усложняет привод.
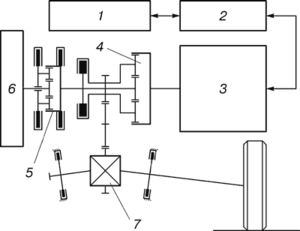
Оригинальную схему гибридного силового агрегата с маховичным накопителем и электромеханическим приводом предложила, изготовила и испытала фирма "BMW" (Германия). Несомненным преимуществом данного технического решения является наличие только одной электромашины, что снижает массу и приближает его к автомобильным схемам (рис.1). Тип маховика фирма "BMW" в отчете [3] не уточняет, поэтому используемый накопитель условно назван просто «маховичным».
Рис. 1. Схема гибридного силового агрегата с маховичным накопителем и электромеханическим приводом фирмы "BMW" (Германия):
1 – источник тока; 2 – система управления; 3 – обратимая электромашина; 4 – дифференциальный механизм; 5 – мультипликатор; 6 – маховичный накопитель; 7 – главная передача
Источник тока 1 через преобразователи и систему управления 2 связан с обратимой электромашиной 3, рассчитанной на максимальную мощность электромобиля. Электромашина 3 через сложный дифференциальный механизм 4 с мультипликатором 5 связана с маховиком 6 накопителя и главной передачей 7. В результате масса источника тока 1, например, топливного элемента, может быть выбрана исходя из удельной энергии, а не удельной мощности, что снижает ее для электромобиля и электробуса с пробегом, соответственно, 400 и 600км до 100...150 и 700...1000кг. Это вполне приемлемо для данных транспортных средств.
Однако непременным недостатком всех схем с электроприводом остается наличие тяжелого и сложного обратимого электродвигателя. Это отражается на экономичности привода и его массе, включая систему преобразователей тока. Мощная электромашина неэкономична при работе на малых мощностях, характерных для разгона (зарядки) маховичного накопителя. Кроме того, в схеме, помимо главной передачи, присутствует сложный по конструкции и управлению дифференциальный механизм с мультипликатором и тремя системами фрикционного управления (муфтами или тормозами), что усложняет и удорожает привод.
Концепция электромобиля
Новая концепция электромобиля, предложенная проф. Н.В.Гулиа, состоит в максимальном приближении и унификации устройств электро- и автомобиля. Это позволяет предельно упростить и уменьшить массу силового агрегата транспортного средства, увеличить его КПД и эффективность рекуперации энергии, а также сделать возможным использование существующих шасси автомобилей и автобусов для установки силовых агрегатов электромобилей и электробусов. Последнее обстоятельство должно существенно удешевить машины, в максимальной степени унифицировать их производство с возможностью оперативно менять соотношение количества машин различных типов и программу их выпуска. Кроме того, по желанию заказчика, транспортное средство может быть оснащено как источником механической энергии (обычным или гибридным тепловым двигателем), так и электрической (топливные элементы с супермаховиком), с установкой заменяемых агрегатов в том же двигательном отсеке при полном сохранении всей трансмиссии.
Такая трансмиссия должна быть рассчитана на перспективу, и включать уже не ступенчатую, а бесступенчатую коробку передач. Такие коробки передач уже достаточно широко выпускаются на основе ременных вариаторов с различными типами ремней («тянущих» и «толкающих»), и используются на автомобилях фирм Nissan, Honda, Fiat, Subaru и др.
Московский государственный индустриальный университет (МГИУ) в содружестве с АМО ЗиЛ ведет работы по разработке бесступенчатой коробки передач на основе нового планетарного дискового вариатора [4]. Бесступенчатая коробка передач на основе дискового вариатора новой концепции может использоваться как на легковых, так и на грузовых автомобилях (в том числе и седельных тягачах) и автобусах.
Новый вариатор, рассчитанный на высокие значения крутящего момента достаточно низкооборотных двигателей автобусов, дает возможность применить новую концепцию электромобиля на мощных электробусах. Следует заметить, что для данной схемы не исключается использование бесступенчатой коробки передач любого типа, имеющей достаточную экономичность, малые габариты и массу, соизмеримые с существующими коробками передач.
Схема электромобиля
Схема электромобиля новой концепции представлена на рис.2. Как и в других гибридных схемах электромобилей, источник электроэнергии выбирается исходя из критерия удельной энергии, что при исключительно высоком значении этого параметра обеспечивает малые массы, а также объемы топливных элементов. В данной схеме в качестве промежуточного источника энергии использован супермаховик с теми же энергетическими и массовыми параметрами, что и в других гибридных схемах с маховичным накопителем.
Рис. 2. Схема электромобиля новой концепции
Принципиальным отличием данной концепции электромобиля от других гибридных схем является отбор мощности от источника электроэнергии необратимой электромашиной – специализированным разгонным электродвигателем малой мощности, соответствующей эффективной удельной мощности источника электроэнергии. Для упомянутых выше легкового электромобиля и электробуса это соответствует 15 и 20кВт. Благодаря высокой частоте вращения разгонного электродвигателя – до 35000об/мин для легкового электромобиля и 25000об/мин для электробуса, что соответствует частоте вращения разгоняемых супермаховиков для накопителей этих машин, масса их весьма мала, соответственно 15 и 30кг (это обычные показатели для отечественных конструкций авиационного назначения).
Источник энергии и разгонный электродвигатель могут быть объединены в один энергетический блок, сходный по массе и габаритам с демонтируемым с шасси двигателем и его системами. Топливный бак и система питания в принципе могут быть сохранены с добавлением конвертора для получения водорода из топлива. Таким образом, в энергетическом блоке химическая энергия топлива преобразуется в механическую в виде вращения вала, совершенно так же, как и у теплового двигателя. Функцию сцепления выполняет выключатель, подключающий электромотор к источнику энергии.
Таким образом, по желанию заказчика в двигательный отсек может быть установлен любой преобразователь химической энергии топлива в механическую – тепловой двигатель или новый энергетический блок. Далее все, как и в обычном автомобиле, вал энергетического блока соединяется с коробкой передач, в данном случае бесступенчатой. Такая коробка передач уже в недалеком будущем заменит менее эффективные ступенчатые даже на обычных автомобилях. В результате мы получаем электромобиль новой концепции в максимальной степени унифицированный с обычным автомобилем.
Каковы же преимущества электромобиля новой концепции? По сравнению с автомобилем это несравненно более высокая эффективность использования топлива и экологическая безопасность. По сравнению со средним КПД преобразования химической энергии в механическую – порядка 10...15% у тепловых двигателей на автомобилях (не следует путать с КПД тепловых двигателей на оптимальном режиме – 30% у бензиновых двигателей и 40% у дизельных), этот КПД у топливных элементов с конвертором – 50%, а у кислородно-водородных топливных элементов – 70%. Вредные выхлопы у топливных элементов практически отсутствуют. Примерно такие же преимущества у электромобилей новой концепции по сравнению с аккумуляторными электромобилями, с той разницей, что вредные выбросы последних имеют место не на самой машине, а на электростанциях.
По сравнению с наиболее передовыми конструкциями гибридных систем электромобилей с топливными элементами и маховичными накопителями, например, схемой предложенной и осуществленной фирмой "BMW", преимуществом новой концепции является меньшие габаритно-массовые показатели и высший КПД электромашины. Это обусловлено тем, что в новой концепции электромашина не универсальная, обратимая, а узко специализированная, разгонная, загруженная практически постоянной мощностью, почти на порядок меньше максимальной и при высоких частотах вращения. Второе преимущество заключается в отсутствии сложного дифференциального механизма с тремя фрикционными муфтами или тормозами, переключающими режимы. Третье преимущество состоит в том, что процесс регулирования частот вращения и моментов от супермаховика до ведущих колес осуществляется не электроприводом, а механическим вариатором, имеющим высший КПД. В особенности это касается процесса рекуперации энергии при торможении, в результате которого кинетическая энергия машины переходит в супермаховик. Ни по частотной полноте передачи этой энергии, ни по КПД этого процесса, электротрансмиссия не идет ни в какое сравнение с механическим вариатором. И последнее преимущество, о котором уже говорилось – почти традиционная автомобильная схема и соизмеримые габаритно-массовые показатели нового энергетического блока с существующими двигателями, позволяют легко заменять один вид источника энергии на другой, получая при этом как автомобиль (с обычной или гибридной схемой двигателя), так и гибридный экономичный и динамичный электромобиль новой концепции.
Электробус
На рис.3 представлена схема городского электробуса новой концепции. Эта схема предоставляет устройству большую гибкость, чем в изображенной на рис.2 структурной схеме.
Характеристики
Тип файла документ
Документы такого типа открываются такими программами, как Microsoft Office Word на компьютерах Windows, Apple Pages на компьютерах Mac, Open Office - бесплатная альтернатива на различных платформах, в том числе Linux. Наиболее простым и современным решением будут Google документы, так как открываются онлайн без скачивания прямо в браузере на любой платформе. Существуют российские качественные аналоги, например от Яндекса.
Будьте внимательны на мобильных устройствах, так как там используются упрощённый функционал даже в официальном приложении от Microsoft, поэтому для просмотра скачивайте PDF-версию. А если нужно редактировать файл, то используйте оригинальный файл.
Файлы такого типа обычно разбиты на страницы, а текст может быть форматированным (жирный, курсив, выбор шрифта, таблицы и т.п.), а также в него можно добавлять изображения. Формат идеально подходит для рефератов, докладов и РПЗ курсовых проектов, которые необходимо распечатать. Кстати перед печатью также сохраняйте файл в PDF, так как принтер может начудить со шрифтами.














