66279 (696224)
Текст из файла
МИНИСТЕРСТВО ОБРАЗОВАНИЯ И НАУКИ РОССИЙСКОЙ ФЕДЕРАЦИИ
ФЕДЕРАЛЬНОЕ АГЕНТСТВО ПО ОБРАЗОВАНИЮ ГОУ ВПО
Реферат
на тему: «Производство кукурузных хлопьев»
Выполнил(а): ст. группы МАПП ___
Проверил :
20__
Содержание
Введение
1. Построение процессов подготовки зерна крупяных культур к переработке
2. Переработка кукурузы в крупу
2.1 Производство шлифованной крупы
2.2 Производство крупы для хлопьев и палочек
Заключение
Список литературы
Введение
Зерно различных крупяных культур отличается морфологическими и анатомическими признаками, физико-химическими свойствами, что влияет на обоснование и построение производственного процесса его переработки. Важное значение имеет и вид продукции: вырабатывается ли крупа из целого или дробленого ядра, подвергается или не подвергается шлифованию, другие специальные требования к ее качеству.
В зависимости от общих принципов построения технологического процесса все крупяные культуры разделяют на две группы.
К первой группе можно отнести культуры, зерно которых имеет пленки, не сросшиеся с ядром, а основным видом готовой продукции является крупа из целого ядра — просо, гречиха, рис, овес.
Ко второй группе крупяных культур можно отнести ячмень, пшеницу, кукурузу и горох, зерно которых имеет пленки, сросшиеся с ядром, а основным видом готовой продукции является дробленая крупа.
Технологические схемы переработки этих культур однотипны, если вырабатывают шлифованную крупу. Несколько отличен технологический процесс при производстве дробленой нешлифованной крупы.
Кроме того, из зерна отдельных крупяных культур вырабатывают специальные продукты: хлопья, толокно, муку. Естественно, для выработки таких продуктов применяют другие технологические схемы.
В настоящей работе я рассмотрю процесс производства кукурузных хлопьев, но для описания данного процесса необходимо изложить процесс переработки кукурузы в крупу.
Цель и задачи я вижу в следующем, изложить построение процессов подготовки зерна крупяных культур к переработке; переработку кукурузы в крупу и затем технологический процесс производства кукурузных хлопьев.
1. Построение процессов подготовки зерна крупяных культур к переработке
Зерно, поставляемое на крупяные заводы, должно удовлетворять показателям, установленным соответствующими стандартами для крупяного зерна. В них указаны ограничения по таким показателям, как влажность, содержание сорной примеси, в том числе некоторых трудно отделимых примесей, испорченных зерен, вредных и минеральных примесей. Приведены также ограничения по содержанию зерновой примеси, некоторых специфических примесей (в том числе мелкого зерна), для некоторых культур по содержанию ядра или натуры. При сушке влажного зерна необходимо не превышать требуемую температуру его нагрева, не допускать снятия большого количества влаги за один пропуск, так как в этом случае возможно растрескивание ядра (особенно для зерна риса, проса, кукурузы).
Для выделения основной массы примесей на крупяных заводах применяют . 2—3 системы сепарирования в воздушно-ситовых сепараторах. Размер отверстий сит зависит от размеров зерна, особенностей наиболее характерных примесей. Сортировочные сита для культур, зерно которых имеет округлую форму, чаще всего имеют круглые отверстия. Для зерен удлиненной формы отверстия сит подбирают такой же формы.
Подсевные сита обычно имеют отверстия удлиненной формы, так как через такие отверстия мелкие примеси просеиваются легче, чем через круглые.
В зависимости от формы зерна применяют определенные кинематические параметры колебаний ситовых кузовов и углы наклона сит. Сепараторы должны обеспечивать полное выделение крупных примесей, мелких и легких примесей на 95%. Мелкое зерно отсеивают в сепараторах вместе с мелкими примесями, кроме того, для этого применяют различные просеивающие машины — рассевы, крупосортировочные машины и т. д.
При подготовке зерна некоторых культур применяют триеры. Куколеотборочные машины применяют лишь для тех культур, зерно которых имеет удлиненную форму (овес, ячмень, пшеница), а овсюгоотборочные — для зерна с более округлой или умеренно удлиненной формой (гречиха, пшеница). Куколеотборочные машины должны выделять не менее 90% коротких примесей, а овсюгоотборочные — не менее 80% длинных примесей [2; c.105]. Для гороха, кукурузы и риса триеры не применяют.
Для выделения минеральных примесей используют различные кам-неотделительные машины, а также пневмосортировальные столы.
Особенно важно выделить минеральные примеси из зерна риса. Эти примеси представляют собой комочки земли, перемешанные с илом. Их плотность ненамного выше плотности риса, поэтому наиболее эффективно работают вибропневматические машины и пневмосортировальные столы.
На крупяных заводах широко используют так называемый пофракционный метод очистки зерна, при котором зерно делят на фракции, например на ситах с круглыми отверстиями. При этом можно для каждой фракции более точно подобрать размер ячеек триера, режим воздушного потока в аспираторах и т. д., что позволит более тщательно выделить различные примеси.
В зерне крупяных культур встречаются различные трудноотделимые примеси, чаще всего семена сорных растений. Для выделения их или используют специальные приемы (например, дикую редьку из гречихи выделяют при помощи сит с треугольными отверстиями), или удаляют их вместе с мелким зерном. При этом какая-то часть зерна, естественно, теряется, но оставшееся крупное зерно уже содержит мало примесей, и из него может быть получена стандартная крупа.
В результате очистки зерна от примесей их содержание в зависимости от культуры не должно превышать: сорной примеси 0,2—0,5%, в том числе минеральной 0,05—0,1; куколя (для овса, пшеницы) 0,1; головни и спорыньи 0,03; горчака и вязеля 0,02% [1; c.66]. (Влажность зерна перед переработкой зависит от его исходного состояния и режимов гидротермической обработки.
2. Переработка кукурузы в крупу
Из кукурузы вырабатывают различные продукты. Основные — это шлифованная номерная крупа, крупа для производства кукурузных хлопьев и палочек. Шлифованную крупу делят на пять номеров. Размеры каждого номера крупы аналогичны размерам крупы перловой, лишь кукурузную крупу № 1 получают не проходом сита с отверстиями 0 3,5 мм, а проходом сита с отверстиями 0 4,0 мм [3; c.73].
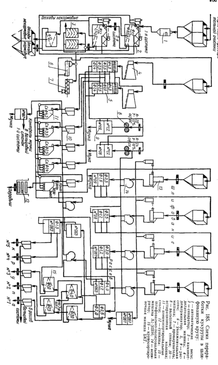
Кукурузная крупа для производства, хлопьев значительно крупнее, ее получают проходом с отверстиями 0 7 мм и 'сходом 0 5 мм. Кукурузная крупа для палочек — крупа мелкая, ее получают проходом сита № 1,2 и сходом сита № 067. Кроме того, получают кукурузную муку, которая по крупности примерно соответствует обойной муке.
Особенность технологической схемы переработки кукурузы — это необходимость выделения зародыша, который является ценным сырьем для производства кукурузного масла.
На крупяных заводах применяют одну из трех технологических схем. По первой схеме получают шлифованную номерную крупу, по второй — крупу для хлопьев и палочек, по. третьей—крупу для палочек.
2.1 Производство шлифованной крупы
Процесс подготовки зерна и переработка включают следующие операции: выделение примесей, ГТО, дробление зерна с целью отделения зародыша, сушку и сортирование продуктов измельчения. Примеси выделяют в двух воедушногситовых сепараторах и камнеотделительной машине.
ГТО способствует лучшему отделению оболочек и зародыша. Кукурузу увлажняют водой с температурой 40 °С или пропаривают при давлении пара 0,07—0,1 МПа в течение 3—5 мин, что позволяет довести влажность зерна до 16—16%. Отволаживание зерна проводят в течение 2—3 ч (Приложение 1).
Отделение зародыша и оболочек, а также дробление зерна проводят в дежерминаторах. Продукты измельчения сортируют в рассеве, выделяют крупную фракцию сходом с сита с отверстиями 0 5,5—6,0 мм, которую направляют на повторное дробление. Проход сита с отверстиями 0 1,4 мм направляют в вальцовые станки для размола, в муку. Промежуточные по крупности продукты используют для производства крупы. С целью выделения зародышевых частиц и оболочек продукт провеивают в аспираторе и затем сортируют на пневмоетолах.
Отобранный зародыш высушивают в сушилке до влажности' не более 10% для лучшей его сохранности. Выделенные частицы эндосперма направляют в машины А1-ЗШН. Для получения шлифованной и округленной крупы необходима ее четырехкратная обработка.
После каждой системы шлифования продукты провеивают' в аспираторах и просеивают в рассевах. Легкие частицы размалывают на специально, выделенном вальцовом станке в муку. С последней системы шлифования получают смесь крупы разной крупности, которую сортируют по номерам в просеивающих машинах.
2.2 Производство крупы для хлопьев и палочек
Схема подготовки зерна к переработке примерно' такая же, как и при выработке кукурузной шлифованной крупы. Некоторое отличие заключается в режимах операций по выделению зародыша. Зерно увлажняют теплой водой температурой 35—40 °С до влажности 20—22% и отволаживают в течение 20—30 мин [3; c.111] (ПРИЛОЖЕНИЕ 2).
Большое увлажнение кукурузы повышает ее пластичность, позволяет выделять в дежермянаторе зародыш при более крупном дроблении зерна, что необходимо для получения крупы больших размеров. После обработки в дежерминаторе продукты дробления высушивают в сушилке ДО' влажности не более 15% и сортируют. Крупный продукт, получаемый сходом сита с отверстиями 0 8 мм, возвращают вновь в дежерминатсир для повторного^ дробления.
Для производства крупы для хлопьев используют фракцию, поручаемую проходом сит с отверстиями 0 8 мм и сходом 0 5 мм. Из этого продукта после однократной обработки в машине AI-ЗШН и в аспираторе выделяют зародыш, затем просеивают вторично на ситах с отверстиями 0 7 и 5 мм. Сход сита с отверстиями 0 5 мм является крупой для хлопьев. Более мелкие продукты после выделения из них зародыша на пневмостолах последовательно размалывают в четырех вальцовых станках в мелкую крупу и муку. Крупу получают проходом сит № 1,2 и сходом № 09 с (рассевов 1-й и 2-й систем. После обогащения в ситовеечных машинах крупу направляют в закром. Выделенный на пневмостолах зародыш высушивают до влажности не более 10%. Производство крупы для палочек. На отдельных крупяных заводах вырабатывают только мелкую крупу для палочек. Схема такого про'-цесса мало отличается от рассмотренной выше. Разница заключается в том, что в дежерммнаторе проводят более мелкое дробление зерна (размер частиц не более 4 мм).
Для измельчения обогащенных на пневмостолах промежуточных продуктов применяют пять систем вальцовых станков и рассевов. Несколько более развитый процесс измельчения по сравнению с предыдущей схемой объясняется большим количеством измельчаемых продуктов.
Ассортимент и выход кукурузной крупы приведены в таблице 1.
Таблица 1. Ассортимент и выход кукурузной крупы
| Продукт | Выход крупы, % | ||
| пятиномерной шлифованной | для хлопьев и палочек | для палочек | |
| Крупа: шлифованная крупная для хлопьев мелкая для палочек | 40,0 | 30 10 | 45 |
| Итого крупы | 40,0 | 40,0 | 45 |
| Мука Мучка Зародыш Зерновые отходы Некормовые отходы и механические потери Усушка | 15,0 34,0 7,0 3,0 0,5 0,5 | 15,0 34,0 7,0 3,0 0,5 0,5 | 10,0 34,0 7,0 3,0 0,5 0,5 |
| Всего | 100,0 | 100,0 | 100,0 |
Заключение
Итак, крупу, которую вырабатывают из кукурузы, представляет собой крупные частицы (размером 1—3 мм), полученные из центральной части (ядра) зерна посредством удаления его пленок, плодовых и семенных оболочек. Обычно удаляют и алейроновый слой, однако при производстве гречневой крупы снимают только плодовые оболочки.
В зависимости от вида перерабатываемой в крупу культуры эндосперм (ядро) стремятся сохранить целым или, же подвергают его дроблению на крупные части; в ряде случаев крупу дополнительно шлифуют, полируют, перерабатывают на хлопья и т. д.
Химический состав крупы зависит от перерабатываемой культуры. В кукурузной крупе около 8%. Широко варьирует также содержание минеральных веществ, витаминов и других биологически важных соединений.
Список литературы
-
Егоров, Г.А. Краткий курс мукомольного и крупяного производства [Электронный ресурс]: [текст] Практ. руководство/ Г.А. Егоров. - Электрон. дан.. - М.: Хлебпродуктинформ, 2000.
-
Общая технология пищевых производств.//Под ред. Назарова Н.И. — М.: Легкая и пищевая пром-сть, 1981 - С. 162-171.
-
Чеботарев, О.Н. Технология муки, крупы и комбикормов [Электронный ресурс]: [текст] Учеб. пособие/ О.Н. Чеботарев, А.Ю. Шаззо, Я.Ф. М
Приложение 1
Приложение 2
Характеристики
Тип файла документ
Документы такого типа открываются такими программами, как Microsoft Office Word на компьютерах Windows, Apple Pages на компьютерах Mac, Open Office - бесплатная альтернатива на различных платформах, в том числе Linux. Наиболее простым и современным решением будут Google документы, так как открываются онлайн без скачивания прямо в браузере на любой платформе. Существуют российские качественные аналоги, например от Яндекса.
Будьте внимательны на мобильных устройствах, так как там используются упрощённый функционал даже в официальном приложении от Microsoft, поэтому для просмотра скачивайте PDF-версию. А если нужно редактировать файл, то используйте оригинальный файл.
Файлы такого типа обычно разбиты на страницы, а текст может быть форматированным (жирный, курсив, выбор шрифта, таблицы и т.п.), а также в него можно добавлять изображения. Формат идеально подходит для рефератов, докладов и РПЗ курсовых проектов, которые необходимо распечатать. Кстати перед печатью также сохраняйте файл в PDF, так как принтер может начудить со шрифтами.















