64124 (695549), страница 2
Текст из файла (страница 2)
коэффициент передачи контура равен
Схема включения ИМСК174ХА15 приведена на рис. 3
Рисунок 3. Схема включения ИМС К174ХА15
8. Расчет ФСС
При анализе данных приведенных в [4], приходим к выводу, что реализация ФСС с нужными параметрами на основе стандартных фильтров основной частотно селекции затруднена тем, что нет фильтров с такой, достаточно широкой, полосой пропускания, кроме того, нет фильтров с затуханием вне полосы пропускания 56дБ, а те фильтры, которые имеют полосу более 200кГц имеют сравнительно малое затухание. Потому приходится строить ФСС на основе многоконтурных фильтров.
Исходными данными для расчета фильтра являются:
-
fпр=10. 7МГц - промежуточная частота;
-
Папч=247кГц - полоса пропускания приемника;
-
fск=250кГц - расстройка по соседнему каналу;
-
Seск=50дБ=316 - селективность по соседнему каналу;
-
M=6дБ=2 - ослабление на границе полосы пропускания;
Для расчета ФСС зададимся значением dэ=0. 0025
Затем определим величину
*=2fпрd0/Папч=
по графикам для кривой ослабления сигнала на границе полосы пропускания (рис. 4), равного M=0. 8дБ, и расчитанной величины * находим коэффициент расширения полосы пропускания,
Рисунок 4. График для определения
.
а затем вычисляем разность частот среза.
Находим относительную расстройку по соседнему каналу:
вычислим параметр
по рисунку. 5 определяем селективность по соседнему каналу одного звена ФСС
Рисунок 5. Обобщенные резонансные кривые ФСС
Se1=9дБ=2. 8
Так как требуемое обеспечение селективности по соседнему каналу составляет 45дБ, то достаточно 5-ти звеньев ФСС. N=5
Вычислим селективность по соседнему каналу и ослабление сигнала границе полосы пропускания ФСС.
Рисунок 6. Принципиальная схема ФСС.
Выберем характеристическое сопротивление контура из следующих ограничений:
,
где f в МГц, в нашем случае f=10,7МГц.
Принимаем =3000 Ом.
Определим коэффициенты трансформации первого и последнего контуров ФСС.
Rвых=1кОм - выходное сопротивление смесителя;
Свых=5пФ - выходная емкость смесителя;
- входное сопротивление микросхемы К174ХА6;
- входная емкость микросхемы К174ХА6.
Рассчитаем коэффициенты включения первого и последнего контура.
,
Определим L C - элементы цепи ФСС
Найдем коэффициент передачи ФСС Кфсс по рис. 5
Рисунок 7. График для определения коэффициента передачи ФСС.
Кфсс=0.6=-4дБ
В качестве усилителя ПЧ и детектора была выбрана микросхема К174ХА6.
Проверим сможет ли ограничитель содержащийся в микросхеме К174ХА6 обеспечить изменение уровня выходного сигнала в пределах 5 дБ, при изменении входного сигнала на 65 дБ. Для этого найдем уровень входного сигнала УПЧ.
по графику рис. 7 определяем коэффициент ослабления паразитной амплитудной модуляции Косам=72дБ, а глубина модуляции должна быть равной Г=D-B=65-5=60дБ, где D-динамический диапазон изменения сигнала на входе, а B - динамический диапазон изменения сигнала на выходе. Так как Косам>Г значит ограничитель обеспечивает ослабление паразитной амплитудной модуляции с достаточным запасом, автоматическую регулировку уровня сигнала применять нет необходимости.
Рисунок 8. Зависимость коэффициента ослабления паразитной амплитудной модуляции от уровня входного сигнала микросхемы К174ХА6.
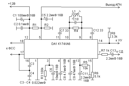
Схема включения ИМСК174ХА6 приведена на рис. 7
Рисунок 9. Схема включения ИМС К174ХА6
9. Требования предъявляемые к УНЧ
Усилитель низкой частоты одноканальный с выходным сопротивлением 8 Ом, должен обеспечивать на выходе не менее 10Вт при нагрузке 8 Ом, питание 8-12 В двухполярное. Коэффициент усиления не менее
, где
10. Требования предъявляемые к схеме питания приемного устройства
Блок питания приемного устройства должен работать от сети переменного напряжения 220В частоты 50Гц и обеспечивать на выходе постоянное двухполярное напряжение 9В5%.
11. Структурная схема спроектированного приемного устройства
Структурная схема приемника с указанием всех параметров составляющих ее звеньев приведена на рис. 9
Рисунок 10. Структурная схема приемника.
Приложения
Приложение 1. ИМС К174ХА15
Микросхема представляет собой многофункциональную схему, предназначенную для УКВ блоков (аппаратов любой категории сложности до высшей). Достижение высоких параметров УКВ приема связано с тем что ИМС содержит симметричный смеситель-перемножитель U1 с глубокой обратной связью, большим входным сопротивлением и значительным усилением, балансный гетеродин G1, буферный каскад A3, предохраняющему гетеродин от входных сигналов, усилитель АРУ A2, повышающий устойчивость блока УКВ к образованию паразитных каналов приема, и высококачественный стабилизатор напряжения A4, обеспечивающий, в частности стабильность частоты гетеродина при колебаниях питающего напряжения. Кроме того, в состав ИМС входит усилитель высокой частоты A1 и фильтр низкой частоты Z1.
В ИМС предусмотрен также каскад на транзисторе VT13 внутренней АРУ дя предотвращения перегрузки при сильных сигнала и стабилизатор напряжения на транзисторе VT1 и диодах VD1. VD5.
Принципиальная схема ИМС К174ХА15
Структурная схема ИМС К174ХА15
Электрические параметры ИМС К174ХА15
Ток потребления Iпот, мА не более . 30
Коэффициент усиления по напряжению КуU, дБ при Uвх=1мВ f=69МГц, не менее . 22
Коэффициент шума Кш, дБ не более . 10
Предельные эксплуатационные параметры ИМС К174ХА15
Напряжение питания Uи. п, В:
минимальное. 8. 1
максимальное. 15. 6
Ток на выводе 7 I7, мА не более5
Частота входного сигнала fвх, МГц не более . 108
Сопротивление нагрузки Rн, Ом не менее50
Приложение 2. ИМС К174ХА6
Микросхема представляет собой многофункциональную схему, предназначенную для усиления ограничения и детектирования ЧМ сигналов промежуточной частоты3, бесшумной настройки приемников на принимаемую станцию, формирования управляющих напряжений для индикатора напряженности поля в антенне и АПЧ. Выпускается в корпусе типа 238. 18-3. (DIP - 18).
Назначение выводов: 1 - корпус; 2 - отключение АПЧ; 3 - фильтр; 4,6 - фильтры НЧ; 5 - выход АПЧ; 7 - выход НЧ; 8,11 - выходы ПЧ; 9,10 - фазосдвигающий контур; 12 - питание (+Uип); 13 - вход БШН; 14-выход на индикатор; 15 - выход БШН, 16,17 - блокировка, 18 - вход ПЧ.
Электрические параметры ИМС К174ХА6 при 25±10°С и Uип =12 В
Ток потребления Iпот, мА, не более ____________________________16
Входное напряжение ограничения Uвх. огр мкВ, при fвх=10,7МГц не более________60
Выходное напряжение низкой частоты
UвыхНЧ мВ при Uвх =10мВ f вх=10,7 МГц, Δf=±50 кГц, fмод=1кГц. не менее________160
Коэффициент ослабления амплитудной модуляции
KАМ дБ, при Uвх=10 мВ, fВХ=Ю,7мГц, Δf=±50 кГц, fмод =1 кГц, m=30 % не менее___46
Коэффициент гармоник КГ, %, при
Uвх=10 мВ. fВХ=10. 7 мГц, Δf=±50 кГц. fмод=1 кГц. не более ________1
Входная емкость Свх, пФ, не более _____________________________25
Входное сопротивление Rвх, кОм, не менее ______________________10
Предельные эксплуатационные параметры ИМС К174ХА6
Напряжение питания Uип, В: минимальное ______________________4.5
максимальное______________________________________________18
Ток потребления Iпот, мА. при Uип=18 В, не более ________________21
Максимальный ток, мА: через вывод 14 I14max ________________________________3
через вывод 15 I15max1________________________________________________1
Амплитудно-частотная Зависимость напряжения характеристика ИМС К174ХА6. на выводах 14,16 ИМС К174ХА6.
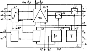
Рис.П. 2. 3 Структурная схема ИМС К174ХА6
Принятые обозначения на структурной схеме:
Усилитель-ограничитель А1,Детектор уровня А2,Частотный детектор UZ1,Стабилизатор напряжения A3,Усилитель А4,Триггер А5,КлючиSI,S2.
Размещено на Allbest.ru
















