63793 (695454), страница 3
Текст из файла (страница 3)
Рисунок.. 4.9. Спектр фазовых шумов гетеродина
Величина фазового шума показывает, как быстро понижается мощность сигнала относительно центральной частоты. Например, если мощность сигнала при отклонении от центральной частоты на 1кГц снизится на 60 дБ, то величина фазового шума составит — 60 дБ. В техническом бюллетене Societe European des Satellites (1994 г.) рекомендуемое значение фазового шума LNB при приеме цифровых телепередач следующее:
-
— 50 дБ/Гц при смещении на 1 кГц
-
— 75 дБ /Гц при смещении на 10 кГц
-
— 95 дБ/Гц при смещении на 100 кГц
Повышенная величина фазового шума конвертора способствует появлению межсимвольной интерференции сигнала, изменению чередования «0» и «1» при демодуляции и других нежелательных явлений, что приводит к невозможности декодирования принятой цифровой программы.
Смеситель
Смеситель в конверторах традиционно выполняется на полупроводниковых диодах или арсенидгаллиевых полевых транзисторах и решает задачу преобразования частоты сигнала 11 — 12 ГГц в диапазон частот 0,75 — 2,15 ГГц. Наиболее важным параметром смесителя являются потери преобразования. Величина этих потерь определяется схемным построением. Использование диодных преобразователей приводит к потерям 5—10 дБ. В случае, если нелинейным элементом преобразователя служит ПТШ, можно осуществить преобразование без потерь и даже с некоторым усилением (3—10 дБ). Стремление упростить конструкцию и улучшить технические характеристики привело к появлению таких схемных решений, которые позволяют использовать транзистор, работающий как смеситель и гетеродин одновременно.
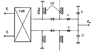
Диодный смеситель обычно строится по балансной схеме на двух парноподобранных диодах с барьером Шотки (ДБШ), так как при этом обеспечивается меньший коэффициент шума по сравнению с однотактной (небалансной) схемой. Наиболее часто применяют балансные диодные смесители на трехдецибельных СВЧ-мостах. На рис. 4.10 показан принцип построения подобных смесителей.
Трехдецибельный мост делит напряжение поступающего сигнала и сигнала гетеродина пополам и подает на диодные цепи. Кроме того, мост автоматически обеспечивает развязку между цепями сигнала и гетеродина и низкое значение коэффициента стоячей волны на входе в рабочей полосе частот. Чем широкополоснее мост, тем проще в настройке смеситель и стабильнее работает выходной каскад МШУ, так как он оказывается согласованным в более широкой полосе частот. Стоящие на выходах моста короткозамкнутые шлейфы (КЗШ) пропускают на диоды напряжения сигнала и гетеродина и шунтируют на землю напряжение промежуточной частоты, препятствуя его прохождению на вход смесителя. Шлейфы с холостым ходом (ХХШ) на концах, напротив, шунтируют напряжения сигнала и гетеродина, а для промежуточной частоты (ПЧ) составляют небольшую емкостную компоненту, которая вместе с индуктивностью L и выходной емкостью С создает полосовой фильтр для промежуточной частоты. Длины полосковых шлейфов должны составлять четверть длины волны для частоты гетеродина, так как сигнал гетеродина более мощный и его просачивание в усилитель промежуточной частоты труднее заблокировать.
Рисунок.. 4.10. Принцип построения балансного смесителя СВЧ
Удачным вариантом балансного смесителя без использования трехдецибельного моста является конструкция, приведенная на рис. 4.11. По сигнальной цепи оба диода размещены на расстоянии полуволны, поэтому их нагрузочные сопротивления включены параллельно. По гетеродинной цепи диоды включены параллельно, что тоже надо учитывать при согласовании этого смесителя с гетеродином.
Обладая многими достоинствами (низким коэффициентом шума, высокой линейностью, простотой конструкции), представленная схема смесителя имеет один существенный недостаток — ослабляет преобразуемый сигнал. Этого недостатка лишены транзисторные смесители, выполненные на ПТШ и обеспечивающие при приемлемом значении коэффициента шума (4,5 — 6,0 дБ) усиление сигнала на 5— 10 дБ. Вначале использовались конструкции смесителей с однозатворными ПТШ, сигнал гетеродина на которые подавался одним из способов, показанных на рис. 4.12.
Схема на рис. 4.12, а требует слабой связи направленного ответвителя и, следовательно, повышенной мощности гетеродина. Недостатком схемы на рис. 4.12, б является наличие в цепи обратной связи сопротивления, вносимого гетеродином, что приводит к снижению усиления и увеличению коэффициента шума. Схема на рис. 4.12, в наиболее удобна с точки зрения подачи напряжения сигнала и гетеродина, однако колебания напряжения ПЧ на стоках оказываются противофазными и полоса пропускания ограничивается полосой суммирующей цепи. Кроме того, требуется тщательное согласование цепи затворов на частотах сигнала и гетеродина. Наилучшие результаты получаются при использовании смесителей с двухзатворными ПТШ. Напряжения сигнала и гетеродина прикладываются к разным затворам, и нужна только одна фильтрующе-согласующая схема в цепи стока (рис. 4.12, г, где СЦ — согласующая цепь, ФНЧ и ФВЧ — фильтры нижних и верхних частот). Главное преимуще ство схемы с двухзатворным ПТШ — ее простота.
Рисунок.. 4.11. Балансный диодный смеситель
Не требуется ответвителей, гибридных соединений, нужны лишь простейшие согласующие схемы. Это особенно важно для монолитных интегральных схем, где согласующие цепи должны быть компактными.
Необходимо отметить одну особенность рассматриваемых конструкций: почти во всех смесителях используется принцип регенерации энергии зеркальной частоты, который получил название «восстановление зеркального канала». В этом режиме полная проводимость нагрузки смесителя на зеркальной частоте имеет чисто реактивный характер, и зеркальная составляющая, полностью отражаясь, преобразуется в составляющую, синфазную с основным компонентом, что дает снижение потерь преобразования и шумовой температуры смесителя.
Основные требования к смесителям конверторов СНТВ:
-
Минимальный коэффициент шума
-
Минимальные потери преобразования
-
Линейность ФЧХ
-
Равномерность АЧХ
Рисунок.. 4.12. Смесительные каскады на полевых транзисторах с барьером Шотки
Предварительный усилитель промежуточной частоты
Усиление конвертора обеспечивается, главным образом, ПУПЧ. Поскольку к нему не предъявляется жестких требований по коэффициенту шума, он может быть выполнен на биполярных слабосигнальных транзисторах: МОП- транзисторах, ПТШ и гибридных модулях усиления, а также их комбинациях. Так как усиление с увеличением частоты падает, ПУПЧ должен иметь соответствующие согласующие цепи для компенсации избыточного усиления на низких частотах. Неравномерность АЧХ должна быть не более ±2 дБ.
Устройство питания
Устройство питания предназначено для обеспечения высокостабильного разнополярного относительно корпуса напряжения питания, необходимого для нормального функционирования всех узлов конвертора. Напряжение питания +12 В относительно корпуса подается на конвертор с приемного устройства по центральной жиле коаксиального соединительного кабеля.
К узлу электропитания предъявляются следующие требования:
-
Не создавать электрических помех
-
Обеспечить узлы конвертора стабильным напряжением питания
На рисунке 4.13 представлена типовая функциональная схема устройства питания конвертора.
Рисунок. 4.13. Функциональная схема устройства питания конвертора
Полнодиапазонные конверторы
По мере освоения диапазона 11,70— 12,75ГГц (например, запуск спутников TDF, TELE-X и др. в Европе) возникла необходимость появления полнодиапазонных конверторов (10,70 — 12,75 ГГц), работающих в трех поддиапазонах: FSS (Fixed SatelliteServies) - 10,7- 11,7 ГГц; DBS (DirectBroadcastServies)— 11,70- 12,45 Гц и BSS (Broadcast Satellite Servies) — 12,45— 12,75 ГГц, причем последний часто называют Telecom от названия французских спутников, вещающих в этом диапазоне (рис. 4.14).
Рисунок.. 4.14. Полосы частот С- и Ки-диапазонов
Данная задача была успешно решена с появлением широкополосных НЕМТ-транзисторов с низким коэффициентом шума. Структурная схема полнодиапазонного конвертора представлена на рис. 4.15. Он имеет один МШУ, а разделение диапазонов происходит в полосовом фильтре ПФ, при этом обработка сигналов в диапазонах DBS и Telecom совмещается. Каждый диапазон (10,7—11,7 и 11,70—12,75 ГГц) имеет свой смеситель и гетеродин, но общий ПУПЧ. Одним из преимуществ такой конструкции является возможность плавной подстройки поляризации.
Рисунок.. 4.15. Функциональная схема полнодиапазонного конвертора с одним МШУ
Еще одним вариантом полнодиапазонного конвертора является конвертор с переключением поляризации, который также называется интегральным (рис. 4.16).
Для конверторов такого типа не надо применять магнитные или механические поляризаторы. Переключение поляризации происходит при изменении
Рисунок.. 4.16. Функциональная схема полнодиапазонного конвертора с переключением поляризации
напряжения питания конвертора с 13 на 18 В. Более низкое напряжение (13 В) включает вертикальную поляризацию V, а более высокое — горизонтальную Н. Для переключения с диапазона на диапазон применяется специальный компаратор, управляемый служебным сигналом частотой 22 кГц, который подается по тому же кабелю, что и напряжения 13/18 В. В случае отсутствия сигнала работает первый диапазон 10,7— 11,7 ГГц, а при его включении — второй диапазон 11,70 — 12,75 ГГц. В первых моделях полнодиапазонных конверторов диапазоны переключались напряжением 13(18) В.
Использование интегральных конверторов позволяет исключить потери преобразования в поляризаторах (0,2 — 0,3 дБ) и добиться лучших шумовых характеристик за счет использования двух независимых МШУ.
Универсальные конверторы
Основное отличие универсальных конверторов от полнодиапазонных состоит в универсальности сигналов, управляющих переключением диапазонов и поляризации, а также тем, что эти сигналы передаются по одному кабелю с промежуточной частотой. Верхняя и нижняя частоты гетеродинов в большинстве универсальных конверторов имеют значения 10,60 ГГц и 9,75 ГГц соответственно.
Такая унификация значительно упрощает процесс настройки спутникового приемника на данный конвертор. Для этого в экранном меню достаточно выбрать опцию «универсальный конвертор», чтобы при смене канала приемник автоматически формировал необходимые управляющие сигналы.
Конверторы с несколькими выходами
При построении распределительной сети на несколько пользователей (см. гл. 6) удобно использовать конверторы с двумя или четырьмя выходами. Как правило, они имеют встроенный поляризатор, управляемый напряжением 13 /18 В. По характеру выходных сигналов такие конверторы делятся на два типа. Конверторы первого типа имеют два или четыре равноценных выхода с независимым переключением диапазонов и поляризации. Такие конверторы наиболее удобны для распределения сигнала для 2 — 4 пользователей. При большем числе потребителей лучше использовать конверторы второго типа. Если у такого конвертора 2 выхода, то на них выводятся соответственно сигналы вертикальной и горизонтальной поляризации, а если 4 — то сигнал делится еще и по диапазонам. Двухвыходные конверторы такого типа удобно использовать, если планируется осуществлять прием верхнего или нижнего поддиапазона. В таком случае на один СВЧ-вход спутникового приемника подается горизонтальная поляризация, а на другой — вертикальная. Сигналы с четырехвыходных конверторов второго типа используются в кабельных сетях или при организации небольших систем коллективного приема. В последнем случае сигналы с выходов конвертора подаются на входы коммутаторов для дальнейшей разводки потребителям.
В заключение необходимо отметить различные варианты конструктивного исполнения корпуса конвертора. В идеале он должен быть герметичным. В противном случае, за счет суточного колебания температуры внутри конвертора образуется конденсат, который приводит к ухудшению его параметров и, в конечном итоге, к выходу из строя. Высокий уровень герметичности достигается в конверторах, помещенных в запаянный, неразборный корпус. Недостатком такой конструкции является невозможность ремонта конвертора. Некоторые конверторы изготавливаются в двойном кожухе; внутренний металлический кожух закрыт внешним пластмассовым. Поэтому большая часть конденсата выпадает между двумя оболочками и вытекает в предусмотренное для этого сливное отверстие.















