63520 (695357)
Текст из файла
БЕЛОРУССКИЙ ГОСУДАРСТВЕННЫЙ УНИВЕРСИТЕТ ИНФОРМАТИКИ ИРАДИОЭЛЕКТРОНИКИ
Кафедра электронной техники и технологии
РЕФЕРАТ
на тему:
"Несущие конструкции электронно-оптической аппаратуры"
Минск, 2008
1. Общие требования
Несущие конструкции (НК) – конструктивные элементы воспринимающие основные механические нагрузки машин и приборов и обеспечивающие их прочность жесткость и устойчивость.
НК делят на вертикальные и горизонтальные. Вертикальные НК воспринимают главным образом сжимающие усилия (панели, кронштейны, стойки и т.п.). Горизонтальные НК – работают преимущественно на изгиб и растяжение (балки, панели, шасси, кронштейны, перемычки и т.п.).
Компоновка (от лат. compono – составляю) – взаимное расположение различных элементов изделия, устанавливаемое на основе закономерностей и приемов художественной композиции с учетом технико-экономических и потребительских требований. Компоновка подразумевает определенную последовательность расположения базовых узлов и деталей (рабочая головка, станина, рабочая камера, стол) между инструментом и обрабатываемой деталью и размещение их в пространстве. Оптимальной компоновкой достигаются правильное соотношение и связи между элементами, частями изделия, его максимальная компактность и художественная целостность, зрительное и функциональное разнообразие. Среди всех базовых деталей одна должна быть неподвижной (это обычно станина, основание), а ее расположение в цепочке базовых деталей НК определяет ориентацию в пространстве и структурную компоновку изделия. Для оборудования реализующего Э/Ф и Э/Х методы обработки характерна вертикальная компоновка, хотя встречается горизонтальная и наклонная, но это в основном в специальных станках.
Вертикальные компоновки делят в свою очередь на пормальные и консольные. В пормальных компоновках несущая система выполнена в виде буквы П, в консольных в виде буквы Г. Основные виды вертикальных компоновок оборудования изображены на рисунке.
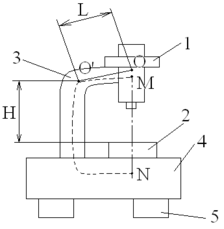
Рисунок 1 - Консольная конструкция оптико-механического устройства.
1 – рабочая головка,
2 – координатный стол,
3 - несущий кронштейн,
4 – основание,
5 – амортизаторы.
Величина наклонения рабочей головки определяется уравнением:
, (1)
где m – масса рабочей головки,
θ – (рассеяние) в точке изгиба кронштейна О,
К - жесткость кронштейна в точке О’,
ξi – амплитуды гармонических составляющих,
ωi – частота отклонения точки О’ вызванная вибрациями,
L – расстояние от точки О до О’ – центра масс рабочей головки.
Решение этого уравнения для одной составляющей колебаний точки О’ близкой к резонансной частоте дает выражение максимального отношения изображения
. (2)
Из этого выражения видны пути уменьшения погрешностей:
-
Приближение точки закрепления рабочей головки к плоскости обработки (уменьшение H).
-
Удаление точки упругого перегиба системы рабочая головка – кронштейн.
Применение портала вместо консольного кронштейна позволяет добиться в одном, а иногда и в нескольких направлениях
. Расширение нормали по двум направлениям позволяет свести практически к нулю ΔS, однако при этом затрудняется доступ к загрузочным позициям координатного стола. Следует отметить еще один недостаток консольной направляющей системы – погрешность позиционирования обусловленная изменением температуры определенных участков конструкции или всего устройства в целом. Ее можно оценить величиной:
, (3)
где αТ – коэффициент линейного расширения рассматриваемого участка несущей системы,
ΔТ – изменение температуры этого участка,
γ – угол между отрезком dl линии интегрирования MN к соответствующим координатным осям. В этом выражении не учитывается температурные деформации координатных столов, которые рассчитываются отдельно. При ΔТ→0 величина температурных стремится к нулю, если коэффициент линейного расширения всех частей направляющей системы на пути интегрирования одинаков.
2. Основные характеристики несущих систем
2.1 Жесткость несущих систем
Жесткость – это способность системы сопротивляться действию внешних нагрузок с деформациями, не нарушающими работоспособность машины.
Жесткость несущих систем, важнейший проектный критерий оценки качества разработанной конструкции. Жесткость определяет работоспособность конструкции в такой же (а иногда и в большей мере), как и прочность. Повышенные деформации могут нарушить нормальную работу конструкции задолго до возникновения опасных для прочности напряжений.
Понятием, обратным жесткости, является податливость, т.е. свойство системы приобретать относительно большие деформации под действием внешних нагрузок.
Жесткость оценивают коэффициентом жесткости, которые представляет собой отношение силы Р, приложенной к системе, к максимальной деформации Δl, вызываемой этой силой. Для случая растяжения-сжатия бруса постоянного сечения S, в пределах упругой деформации коэффициент жесткости согласно закону Гука:
, (4)
где S – сечение бруса,
l – длина бруса в направлении действия бруса.
Обратную величину,
, (5)
характеризующую податливость бруса, называют коэффициентом податливости.
Для случая кручения бруса постоянного сечения коэффициент жесткости равен отношению приложенного к брусу крутящего момента Мкр к вызываемому этим моментом углу поворота φ (рад) сечений бруса по длине l:
, (6)
где G – модуль сдвига,
I – момент инерции сечения бруса,
Для случая изгиба бруса постоянного сечения коэффициент жесткости:
, (7)
где а – коэффициент, зависящий от условий нагружения.
У машин-орудий жесткость рабочих органов определяет точность размеров обрабатываемых изделий. Жесткость рабочих органов в первую очередь зависит от жесткости несущей системы и способа крепления исполнительных органов (конструкции рабочей стойки). Точно деформации можно рассчитать лишь в простейших случаях, методами сопромата и теории упругости. В большинстве случаев приходится иметь дело с труднорасчитываемыми системами. Например, деталями, форма сечения которых определяется условиями изготовления (например, технологией литья) или имеющими сложную конфигурацию, затрудняющую определение напряжений и перемещений. Сильно затрудняет расчет жесткости наличие узлов крепления отдельных деталей. Здесь приходится прибегать к моделированию, эксперименту, опыту имеющихся аналогичных конструкций, а нередко и полагаться на интуицию конструктора. В сложных системах жесткость имеет стохастический характер и зависит от разброса геометрических параметров (толщина стенки, габаритные размеры), разброса параметров материала, жесткости заделки соединений (сварных, резьбовых и т.д.).
2.2 Конструктивные способы повышения жесткости
Наиболее простой и "любимый" многими инженерами способ уменьшения податливости (увеличения жесткости) заключается в снижении уровня механических напряжений, т.е. в повышении прочности. Однако этот путь нерационален, т.к. он сопряжен с увеличением масс конструкции. Главными конструктивными способами повышения жесткости без существенного увеличения массы являются:
1. Всемерно устранение изгиба, замена его растяжением или сжатием.
2. Для деталей, работающих на изгиб, целесообразная расстановка опор, исключение невыгодных по жесткости видов нагружения.
3. Рациональное не сопровождающееся возрастанием массы увеличение моментов инерции сечений.
4. Рациональное усиление ребрами, работающими предпочтительно на сжатие.
5. Усиление заделочных участков и участков перехода от одного сечения к другому.
6. Блокирование деформаций введением поперечных и диагональных связей.
7. Привлечение жесткости смежных деталей.
8. Для деталей коробчатого типа – применение скорлупчатых, сводчатых, сферических, яйцевидных и тому подобных форм.
9. Для деталей типа дисков – применение конических, чашечных, сферических форм, рациональное оребрение, гофрирование.
10. Для деталей типа плит – применение прочных коробчатых, двухтельных, ячеистых и составных конструкций.
3. Динамические характеристики несущих конструкций
Общая тенденция машиностроения и приборостроения к увеличению энергетических показателей, отнесенных к единице массы конструкции, приводит к увеличению вибрации механических систем и возрастанию ее влияния на точность и надежность систем и их элементов. Различают вынужденную и свободную вибрацию механических систем.
Вынужденная вибрация возбуждается колебаниями основания, на котором установлена механическая система.
Свободная (собственная) вибрация – результат относительного перемещения элементов механической системы в процессе ее работы.
Таким образом, частоты вынужденной вибрации механической системы определяются частотами вибрации основания. Частоты собственной вибрации механической системы, возбуждаемой технологическими погрешностями элементов системы, зависят от характера погрешностей и относительной скорости перемещения элементов конструкции.
Снижение надежности механических устройств при вибрации объясняется дополнительным нагружением их элементов динамическими силами и моментами и изменением характера разрушения деталей их усталостным повреждением. Наиболее опасным является резонансный режим работы, при котором частота вибраций совпадает с собственной частотой колебаний механической системы.
Увеличение напряжений при вибрации учитывают коэффициентом динамичности:
. (8)
Здесь σст, σдин – статические и динамические напряжения, вызванные нагрузкой в случае статического ее приложения Рст = Р и изменения во времени, например, по гармоническому закону P = Pcosωt. Особенности расчета на прочность по критерию усталости рассмотрены в многочисленной литературе.
Снижение точности механических систем в условиях вибраций связано с появлением динамической погрешности, обусловленной колебаниями элементов системы.
Исследование динамических погрешностей выполняют с использованием динамических моделей, в которых учитываются инерционные и упруго-диссипативные свойства элементов механизмов. Силы, возбуждающие вибрацию систем, по своей природе могут быть механического, магнитного и аэродинамического происхождения. В соответствии с этим вибрации делят на механические, магнитные и аэродинамические.
Источниками механических вибраций и шума являются неуправляемые вращающиеся или колеблющиеся детали, опоры, зубчатые передачи, токопередающие узлы и другие элементы. Неуравновешенность элементов вызывает колебания с частотами, кратными частоте вращения. Амплитуда вынуждающих сил пропорциональна квадрату частоты и дисбалансу масс вращающихся элементов.Основными причинами колебаний, возбуждаемых опорами и зубчатыми передачами, являются циклические изменения жесткости при движении и допустимые геометрические несовершенства контактирующих и сопрягаемых поверхностей. Колебания токопередающих узлов возникают вследствие ударных и фрикционных взаимодействий, а также неточности изготовления элементов.
Параметры вынуждающих сил зависят от частоты вращения, технологических неточностей изготовления и сборки. Во время переходных процессов разгона, торможения возникают импульсные нагрузки.
Магнитная вибрация и шум возникают вследствие периодического изменения электромагнитных сил в зазорах электромагнитных систем, обусловленных конструктивными особенностями (зубчатым строением ротора, допустимым отклонением формы и расположения элементов). Параметры вынуждающих сил зависят от параметров магнитной системы, частот стационарного движения, технологических дефектов изготовления и сборки магнитных систем.
Характеристики
Тип файла документ
Документы такого типа открываются такими программами, как Microsoft Office Word на компьютерах Windows, Apple Pages на компьютерах Mac, Open Office - бесплатная альтернатива на различных платформах, в том числе Linux. Наиболее простым и современным решением будут Google документы, так как открываются онлайн без скачивания прямо в браузере на любой платформе. Существуют российские качественные аналоги, например от Яндекса.
Будьте внимательны на мобильных устройствах, так как там используются упрощённый функционал даже в официальном приложении от Microsoft, поэтому для просмотра скачивайте PDF-версию. А если нужно редактировать файл, то используйте оригинальный файл.
Файлы такого типа обычно разбиты на страницы, а текст может быть форматированным (жирный, курсив, выбор шрифта, таблицы и т.п.), а также в него можно добавлять изображения. Формат идеально подходит для рефератов, докладов и РПЗ курсовых проектов, которые необходимо распечатать. Кстати перед печатью также сохраняйте файл в PDF, так как принтер может начудить со шрифтами.















