63462 (695329), страница 2
Текст из файла (страница 2)
- элемент Qbe
|
| |
|
| (17) |
|
| |
|
| (18) |
- элемент Qbc
|
| |
|
| (19) |
|
| |
|
| (20) |
Где τF и τR – времена существования (времена жизни или прохождения) неосновных носителей заряда л базе в прямом и инверсном включениях; - коэффициент резкости и контактная разность потенциалов р-п - перехода база-эмиттер;
ME и φBE – коэффициент резкости и контактная разность потенциалов р-п - перехода база-коллектор;
Хс - коэффициент, определяющий часть барьерной емкости р-п-перехода база - коллектор, которая подключена к электроду базы через резистор RB.
С помощью коэффициента Хс р-п - переход база-коллектор и его емкость СBC разбиваются на две части: одна подключается к электроду базы через резистор RB, а другая - непосредственно к этому электроду. Такое разбиение обусловлено тем, что, как было сказано выше, резистор RB моделирует сопротивление "активной базы", расположенной между донной частью эмиттера и коллектором. То есть с ней соприкасается только часть р-п - перехода база - коллектор. Остальная часть этого р-п - перехода соприкасается с "пассивной базой", сопротивлением которой пренебрегают, и поэтому эта часть р-р-перехода накоротко соединена с электродом базы. Такое разбиение р-п-перехода база-коллектор при моделировании его емкости повышает достоверность моделирования частотных характеристик БТ.
Переход база - эмиттер и его емкость не разбиваются на части по-видимому потому, что через боковую "пассивную" часть этого р-п -перехода токи эмиттера и базы практически не протекают (очень малы) и ее емкость исключается из рассмотрения. То есть емкость Све оценивает накопление заряда в "активной" части р-п-перехода и заряд в "активной базе".
Малосигнальная модель биполярного транзистора
Рассмотренная выше модель используется для анализа характеристик БТ по постоянному току и в режиме "большого сигнала" Для анализа частотной зависимости передаточных (усилительных) характеристик в рамках анализа по переменному току (напряжению) используются малосигнальные модели БТ, в которых нелинейные элементы: генераторы токов IB и IC элементы накопления заряда QBC и QBE резистор RB, характеристики которых зависят от величины входного управляющего сигнала, заменяются линейными элементами.
Анализу по переменному току (напряжению) всегда предшествует анализ по постоянному току (напряжению), а точнее, расчет "рабочих точек",то есть расчет потенциалов в узлах (на электродах ЭРЭ) и токов в цепях анализируемой схемы при подключении к ней только источника питающего напряжения. Это необходимо для того, чтобы определить эквивалентной схемы ЭРЭ, которые остаются неизменными при последующем подключении входного малосигналыюго источника переменного управляющего напряжения и проведения анализа частотных характеристик схемы. Таким образом, нелинейные элементы эквивалентной схемы становятся линейными, то есть обеспечивают линейную связь между переменным напряжением, приложенным к ним, и переменным током, через них протекающим.
Элементы этой эквивалентной схемы моделируют:
-
резисторы RB, RE, RC – то же, что и в эквивалентной схеме модели "большого сигнала";
-
конденсаторы Сπ и Сμ - емкости р-п - переходов база – эмиттер и база-коллектор, которые соответственно равны их значениям в рабочих точках (р.т.),то есть
|
| (21) |
|
| (22) |
проводимости Сπ и Сμ – проводимости генератора тока базы в прямом
|
| (23) |
в инверсном
|
| (24) |
включениях;
- проводимость GC – проводимость генератора тока коллектора в прямом и инверсных включениях
|
| (25) |
Шумовая модель биполярного транзистора
При анализе частотных зависимостей передаточных характеристик в рамках анализа по переменному току линейных (усилительных) ИС может проводиться и анализ шумовых характеристик.
Эквивалентная схема шумовой модели дополнительно к элементам эквивалентной схемы малосигнальной модели содержит генераторы шумовых токов, включенных параллельно источникам шума (рис.29.3).
В приведенной эквивалентной схеме генераторы шума моделируют:
- генераторы тока INRB, INRC, INRE - тепловые шумы резисторов RB, RC, RE соответственно и описываются уравнениями:
|
| (26) |
|
| (27) |
|
| (28) |
- генераторы INC, и Inb – дробовой и фликер-шумы генераторов тока IC и IB соответственно и описываются уравнениями:
|
| (29) |
|
| (30) |
где Kf и αf- коэффициенты фликер-шума,
f- частота переменного входного сигнала.
Температурная модель биполярного транзистора
В программе PSPICE моделируются следующие температурные зависимости параметров БТ:
- начального значения тока инжекции в базу IS(T) (моделируется так же, как начальное значение тока диода (14));
Рис. 3. Эквивалентная схема шумовой модели БТ
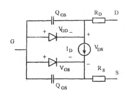
Рис. 4. Эквивалентная схема ПТУП
- начального значения рекомбинационной составляющей тока базы в прямом включении
|
| (31) |
где XTB - коэффициент температурной зависимости коэффициента передачи тока,
XT1 - коэффициент температурной зависимости начального тока; -начального значения рекомбинационной составляющей тока базы в обратном включении IRBRO(Т) (моделируется аналогично IFBRO(Т), только вместо параметра NE в выражение (48) подставляется Nc)', - коэффициента передачи тока в прямом включении
|
| (32) |
– коэффициента передачи тока в обратном включении BR(T) (моделируется аналогично BF(T), только вместо BF в выражение (49) подставляется BR
–контактных разностей потенциалов р-п - переходов база-эмиттер φBE(t) и база-коллектор φBC(t) (моделируются так же, как контактная разность потенциалов диода (14), только вместо φJ подставляются φBE или φBС соответственно);
-
емкостей р-п - переходов база-эмиттер Све(Т) и база-коллектор Свс(T) (моделируются так же, как емкость р-п - перехода диода (15) только вместо CJO подставляются Сbe или Сbс соответственно;
-коэффициентов фликер-шума Кf(Т) и аf(Т) (моделируются аналогично диоду).
ЛИТЕРАТУРА
1. Новиков Ю.В. Основы цифровой схемотехники. Базовые элементы и схемы. Методы проектирования. М.: Мир, 2001. - 379 с.
2. Новиков Ю.В., Скоробогатов П.К. Основы микропроцессорной техники. Курс лекций. М.: ИНТУИТ.РУ, 2003. - 440 с.
3. Пухальский Г.И., Новосельцева Т.Я. Цифровые устройства: Учеб. пособие для ВТУЗов. СПб.: Политехника, 2006. - 885 с.
4. Преснухин Л.Н., Воробьев Н.В., Шишкевич А.А. Расчет элементов цифровых устройств. М.: Высш. шк., 2001. - 526 с.
5. Букреев И.Н., Горячев В.И., Мансуров Б.М. Микроэлектронные схемы цифровых устройств. М.: Радио и связь, 2000. - 416 с.
6. Соломатин Н.М. Логические элементы ЭВМ. М.: Высш. шк., 2000. - 160 с.
















