63434 (695325)
Текст из файла
“Белорусский государственный университет информатики и радиоэлектроники”
Кафедра защиты информации
РЕФЕРАТ
на тему:
«Явление перекрытия фаз. Выпрямители однофазной цепи переменного тока»
МИНСК, 2009
Явление перекрытия фаз
Рисунок 1
Можно убедиться, что в интервале времени
ток в нагрузку поставляется заканчивающей работу фазой А и начинающей работу фазой В. В силу симметрии схемы тот же процесс повторяется и на границе окончания работы фазы В и начала работы фазы С:
Рисунок 2
Обращаясь к эквивалентной схеме, напряжение на нагрузке как функцию времени можно найти как полусумму следующих электрических взаимодействий:
+ (1)
(2)
в т.
выполняется равенство:
(3)
откуда следует:
(4)
В конечном счете угол перекрытия фаз
определяется формулой:
(5)
Суммируя проведенные рассуждения с учетом неизменности токов в нагрузке можно придти к выводу, что в рассмотренном случае в интервале перекрытия фаз
ток в нагрузке изменяется по косинусоидальному закону. В фазе, закончив работу, - линейно спадает, а в фазе, начинающей работу, - линейно возрастает.
Рисунок 3
Можно показать что в случае комплексного сопротивления фазы т.е. при наличии индуктивности рассеяния трансформатора имеет место одновременная работа смежных фаз в некотором интервале перекрытия. Причем форма токов в фазах и напряжение на выходе видоизменяются, см рисунок 4
Рисунок 4
Из рассмотрения временных диаграмм для напряжения на выходе выпрямителя видно, что явление перекрытия фаз имеет в целом негативный характер:
- уменьшается среднее значение выходного сопротивления;
- раздробляется пульсация;
- увеличивается коэффициент пульсации;
- работающие одновременно фазы рассеивают мощность на своих активных сопротивлениях (внутри), что приводит к уменьшению КПД.
Схемы выпрямителей для однофазной цепи переменного тока
Однофазная сеть – распр. (пере….) источником питания устройств малой и средней мощности
Вт.
При больших мощностях используется 3-х фазная сеть переменного тока.
На практике используется ВУ различной степени сложности. Отличаются они как качеством выпрямленного напряжения, так и требованиям к вентилям и трансформатору, массогабаритными размерами, стоимостью, надёжностью, простотой.
Выбор того или иного варианта схемы выпрямления в каждом случае должен производится на основе учета требований ТЗ на разработку, обеспечиваемых схемой характеристик путем компромиссного разрешения технических противоречий.
Однополупериодный выпрямитель
Рисунок 5
(6)
(7)
Из формулы следует, что напряжение на выходе схемы в
раза меньше, чем на выходе трансформатора.
(8)
- действующее значение (9)
(10)
(11)
Зная максимальный ток, находим
(12)
Надо определить действующее значение тока:
(13)
(14)
, (15)
где
,
- мощность во 2-й обмотке трансформатора
Так как мощность 2 обмотки более чем в 3 раза больше мощности, отдаваемой в нагрузку, следует считать, что трансформатор используется не полностью.
Коэффициент использования мощности во 2-й обмотке:
(16)
Для отыскания электромагнитной мощности в 1 обмотке трансформатора необходимо найти
.
(17)
(18)
Теперь находим
(19)
(20)
Габаритная мощность трансформатора:
(21)
Габаритная мощность трансформатора более чем в 3 раза превышает мощность, передаваемую в нагрузку - трансформатор используется плохо.
Как видно из временной диаграммы пульсация на выходе ВУ имеет вид периодической, но не гармонической функции, и из временной диаграммы можно установить, что:
(22)
Тогда сама амплитуда
(23)
(24)
(25)
f пульсации первой гармоники совпадает с f сети:
(26)
У схемы однополупериодного выпрямителя показатели низкие.
Низкочастотные пульсации труднее сгладить, чем высокочастотные, так как требуются большие ёмкости и индуктивности фильтров (растут стоимость, габариты выпрямителей).
Таким образом, по всем электрическим показателем рассмотренная схема имеет существенные недостатки.
Достоинства:
- её предельная простота, 1 вентиль;
- работа без трансформатора;
- использование всего 1 радиатора в мощных устройствах;
- малое количество элементов;
- низкая стоимость;
- надежность.
На практике данная схема имеет сравнительно ограниченное применение. При активных нагрузках (в низкокачественных выпрямителях) и ёмкостных (в маломощных источниках опорных напряжений).
Таблица 1. Параметры работы однополупериодного выпрямителя при активной и емкостной нагрузках
|
|
|
| |
|
Более совершенно является двухполупериодная схема выпрямителя.
Двухполупериодная схема выпрямителя со средним отводом от 2 обмотки трансформатора.
Рисунок 6
Таблица 2. Параметры схемы для трёх видов нагрузки
|
|
|
|
|
|
|
|
Достоинства схемы:
- более чем в 2 раза меньше значение коэффициента пульсаций и удвоенная её частота по сравнению с однополупериодной схемой;
- отсутствие намагниченности в сердечнике трансформатора;
- лучше использовать габаритную мощность трансформатора;
- возможность конструктивных размещений мощных вентилей на одном радиаторе;
- минимальное из всех двухполупериодных схем количество вентилей (два).
Недостатки схемы:
- большое обратное напряжение (как и в однополупериодной схеме);
- большой максимальный ток через вентиль;
- наличие отвода от средней точки 2-й обмотки;
- растёт расход проводов по сравнению с мостовой схемой.
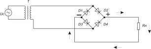
Двухполупериодная мостовая схема выпрямления:
Рисунок 7
Для изменения полярности на нагрузке необходимо все диоды в мосте перевернуть.
Схема используется на все виды нагрузок:
а) б) в)
Рисунок 8
Мостовая схема является более совершенной, чем двухполупериодная схема выпрямителя со средним отводом от 2 обмотки.
Таблица 3. Характерные параметры мостовой схемы выпрямления
| Параметры |
|
|
|
|
|
|
|
|
Достоинства:
- в 2 раза меньше обратное напряжение, чем в однополупериодной схеме и схеме со средней точкой;
- отсутствует 2-я полуобмотка выхода в трансформаторе и средний отвод от вторичной обмотки;
- лучше используется трансформатор.
В остальном схема полностью эквивалентна схеме со средним отводом от 2-й обмотки трансформатора.
Недостатки:
- большое число вентилей;
- невозможность размещения вентилей на одном радиаторе;
- низкая надёжность, высокая стоимость, масса, габариты.
Во многих случаях желательно использовать низковольтные трансформаторы при необходимости получения большого напряжения на выходе трансформатора. При этом оказывается целесообразным применение схемы выпрямителя с умножителем напряжения.
ЛИТЕРАТУРА
-
Иванов-Цыганов А.И. Электротехнические устройства радиосистем: Учебник. - Изд. 3-е, перераб. и доп.-Мн: Высшая школа, 200
-
Алексеев О.В., Китаев В.Е., Шихин А.Я. Электрические устройства/Под ред. А.Я.Шихина: Учебник. – М.: Энергоиздат, 200– 336 с.
-
Березин О.К., Костиков В.Г., Шахнов В.А. Источники электропитания радиоэлектронной аппаратуры. – М.: Три Л, 2000. – 400 с.
-
Шустов М.А. Практическая схемотехника. Источники питания и стабилизаторы. Кн. 2. – М.: Альтекс а, 2002. –191 с.
Характеристики
Тип файла документ
Документы такого типа открываются такими программами, как Microsoft Office Word на компьютерах Windows, Apple Pages на компьютерах Mac, Open Office - бесплатная альтернатива на различных платформах, в том числе Linux. Наиболее простым и современным решением будут Google документы, так как открываются онлайн без скачивания прямо в браузере на любой платформе. Существуют российские качественные аналоги, например от Яндекса.
Будьте внимательны на мобильных устройствах, так как там используются упрощённый функционал даже в официальном приложении от Microsoft, поэтому для просмотра скачивайте PDF-версию. А если нужно редактировать файл, то используйте оригинальный файл.
Файлы такого типа обычно разбиты на страницы, а текст может быть форматированным (жирный, курсив, выбор шрифта, таблицы и т.п.), а также в него можно добавлять изображения. Формат идеально подходит для рефератов, докладов и РПЗ курсовых проектов, которые необходимо распечатать. Кстати перед печатью также сохраняйте файл в PDF, так как принтер может начудить со шрифтами.















