63387 (695308), страница 8
Текст из файла (страница 8)
Подключение концентраторов к станции выполняется с помощью цифровых СЛ типа Е1 по топологии «звезда». Для связи применяются модули цифровых соединительных линий DTL8. Для обеспечения доступа к станции абонентам применяются модули аналогового доступа ASL20. Если используется один блок SLB9, то тип концентратора ВАК160, а если два блока – то тип концентратора ВАК320. Цифра в конце указывает на количество аналоговых абонентов получающих доступ к сети.
5.5.6. Архитектура станционного оборудования «матрица»
Структура содержит следующие блоки:
-
CPU (Central Processor Unit) - центральное управляющее устройство;
-
LCU (Local Control Unit) - местное управляющее устройство модулей доступа;
-
LI (Line Interface) - линейные комплекты;
-
TDM SW (Time Division Multiplexing SWitch) – центральное коммутационное устройство, расположенное на модулях CS52;
-
LSW (Local SWitch) - локальное коммутационное устройство, расположенное на модулях доступа;
-
TSB (Time Switch Block) - блок коммутации каналов;
-
SLB20 (Subscriber Line Block) - блок абонентских линий;
-
TLB20 (Trunk Line Block) - блок цифровых соединительных линий;
-
OMM (Operating and Maintenance Module) – модуль техобслуживания и эксплуатации (сервер).
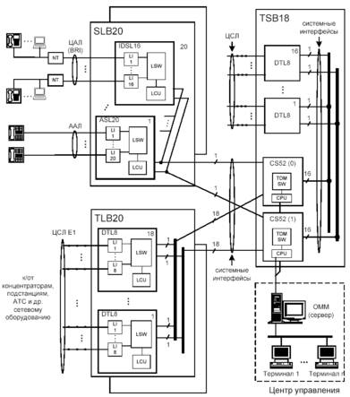
Станционное оборудование КС «Матрица» включает блок коммутатора каналов TSB18. В состав блока входят два модуля коммутатора каналов CS52 (основной –«0» и резервный - «1») и до шестнадцати модулей DTL8. Связь между модулями CS52 и модулями DTL8 организована с помощью системных интерфейсов (СИ). Для каждого модуля DTL8 предусмотрены по одному СИ к основному модулю CS52 (0) и к резервному модулю CS52 (1).
Физическое соединение между комплектами СИ на модуле CS52 и модулях DTL8 (на схеме комплекты СИ не показаны) в пределах блока реализовано на кросс-плате (backplane), то есть для организации связи между модулями CS52 и DTL8 в пределах блока не требуются дополнительные соединения.
Модули аналоговых АЛ (ASL20) и цифровых АЛ (IDSL16) располагаются в блоках SLB20. Один блок SLB20 может содержать до 20-ти модулей ASL20 или до 16-ти модулей IDSL16. Модули доступа одного блока SLB20 подключаться параллельно к одному СИ, соединяющему с основным модулем CS52 (0) и к одному СИ, соединяющему с резервным модулем CS52 (1). Таким образом, образуется группа МД одного блока SLB20 с общим использованием пропускной способности СИ. При этом количество абонентских линий (каналов) превышает количество каналов на системном интерфейсе (обеспечивается концентрация абонентской нагрузки), что позволяет более эффективно использовать ёмкость коммутатора каналов.
Физическое соединение между комплектами СИ на модуле CS52 и на модулях доступа блоков SLB20 выполняется в процессе монтирования и начальной установки АТС. Для каждого блока необходимо обеспечить два соединения: первое к основному коммутатору, второе – к резервному.
Для транзитной или опорно-транзитной станции предусмотрены блоки TLB20, в которые предназначены для установки модулей DTL8.Один блок TLB20 может содержать до 18-ти модулей DTL8. Для связи каждого модуля DTL8 с коммутатором предусмотрены по одному СИ к основному модулю CS52 (0) и к резервному модулю CS52 (1).
Комплекты системных интерфейсов МД обеспечивают автоматическое определение скорости цифрового потока, выделение тактового и циклового сигналов из входного потока. Выделенный цикловой сигнал используется устройством синхронизации для фазовой подстройки частоты собственного тактового генератора модуля, что обеспечивает синхронную работу всех модулей станции.
Для обеспечения внешней синхронизации станции при работе в синхронной цифровой сети, устройство синхронизации МК может использовать тактовые или цикловые сигналы, выделяемые линейными комплектами цифровых линий или внешний сигнал 2048 КГц.
Центральное управляющее устройство станции (CPU), расположенное на МК, осуществляет общее управление оборудованием станции, обработку вызовов и поддержку протоколов связи по соединительным и абонентским линиям.
Местное управляющее устройство МД (LCU) обеспечивает управление комплектами и обработку линейной сигнализации, взаимодействует со станционным управляющим устройством, обеспечивая подключение к линиям различных вспомогательных функций и подключение линий к каналам системного интерфейса через локальный коммутатор.
Связь с концентраторами, подстанциями, АТС и другим сетевым оборудованием осуществляется посредством цифровых СЛ типа E1.
К МК подключается модуль техобслуживания и эксплуатации (станционный сервер). Подключение выполняется посредством соединения через COM-порт или через соединение локальной сети Ethermet 100 Мбит/с. Связь сервера с терминалами центра управления осуществляется посредством локальной сети.
6. Цифровые системы уплотнения аналоговых линий
Задача таких систем заключается в экономии физических линий связи, когда на одну пару телефонной линии подключается два и более телефонных аппаратов. При помощи цифрового кодирования сигналов в современных системах можно подключать 4 и более абонентов на одну линию без существенного ущерба для каждого из них.
Ниже показана структурная схема такого устройства для подключения четырех абонентов.
Структурная схема четырехканальной системы уплотнения.
Система уплотнения состоит из двух схем: абонентской (подключает телефонные аппараты) и станционной (подключается к портам телефонной станции со стороны абонентского модуля доступа). При помощи линейных интерфейсов осуществляется согласование аппаратуры с соединительной линией. Блоки обработки сигналов выполняют преобразование сигнала из четырех каналов и их кодирование. Здесь два канала по 64 кбит/с (2В) и канал сигнализации 16 кбит/с (D) получает синхробиты и служебные биты, в результате чего, получается поток 160 кбит/с. После этого сигнал проходит этап скремблирования и преобразуется в линейный код 2B1Q, который через выходной каскад и эхоподавитель направляется на двухпроводную линию к абоненту.
Если сигнал принимается от абонента, то он проходит через эхоподавитель, входной каскад, линейный дешифратор (чтобы преобразовать из кода 2B1Q) и дескремблер.
Линейный код, который используется в данном случае (2B1Q) является четырехуровневым и допускает между станционным и абонентским оборудованием затухание в 43 дБ при частоте 40 кГц. Преобразование цифрового сигнала в 2B1Q код осуществляется слиянием двух последовательных битов, первый из которых представляет собой знак-символ, а второй – уровень. Пример такого преобразования показан ниже.
Здесь уровень -3 кодируется битами 00, а +3 – 10.
Пример преобразования цифрового потока 160 кбит/с в код 2В1Q.
Схема управления управляется 8-ми битовым микропроцессором, который управляет тактовыми импульсами ИКМ и адаптивной дифференциальной ИКМ (ADPCM), организует протокол управления каналом передачи данных HDLC. В случае возникновения аварийной ситуации – блокирует речевой канал и канал тонального сигнала.
Цепь питания состоит из двух преобразователей постоянного напряжения 5 В и регулируемого напряжения 70 В. Напряжение 5 В применяется для цепей с местным питанием, а 70 В – для цепей с дистанционным питанием аппаратуры связи. В случае короткого замыкания система питания обеспечивает прекращения питания.
7. Цифровая сеть связи ISDN
Сеть ISDN определяется как сеть, полученная из телефонии ISDN, которая обеспечивает цифровое соединение для предоставления широкого диапазона услуг, к которому пользователи имеют доступ с помощью ограниченного ряда стандартных много целевых интерфейсов «пользователь – сеть».
Цифровая сеть IDN включает в себя:
- обычные двунаправленные абонентские линии;
- 32-х или 24-х канальную структуру с ИКМ;
- систему сигнализации SSN7.
ISDN обеспечивает цифровое соединение, что означает, что терминалы и абонентские линии являются цифровыми. Что в свою очередь позволяет реализовывать более качественные телекоммуникационные услуги.
7.1. Доступы к сети ISDN
Основной (базовый) доступ (BRA) используется при малых нагрузках трафика. Обычно основной доступ включает в себя один канал сигнализации (D-канал) и два информационных канала (В-канал).
Помимо основного доступа в сети применяется первичный доступ (PRA), который может использоваться при больших трафиках данных (потоках передаваемой информации). Пример, связь с учережденческой АТС, мультиплексором и т.п.
Первичный доступ может иметь одну из следующих комбинаций каналов:
- один канал сигнализации и до 32-х каналов коммутации;
- до 24-х каналов коммутации;
- один канал сигнализации и до 30-ти информационных каналов;
- до 31 информационных канала, при этом канал сигнализации передается с другим доступом.
Канал сигнализации для одного первичного доступа может быть расположен в другом первичном доступе.
7.2. Каналы абонентского доступа
Для организации связи в сетях ISDN формируется три логических канала, каждый из которых может решать свою задачу. Такими каналами являются следующие:
D-канал – предназначен для переноса информации сигнализации между терминалами абонентов и местной цифровой АТС в двух направлениях, т.е. от терминала к АТС и наоборот – от АТС к терминалу. Кроме того, данный канал предоставляет возможность для передачи ограниченного числа пакетов информационных сигналов, которые станция будет контролировать, но не будет обрабатывать, т.е. они будут передаваться транзитом. Скорость передачи информации при базовом доступе составляет 16 кбит/с, а при первичном доступе – 64 кбит/с. В последнем случае скорость намного выше из-за того, что в этом случае обслуживается значительно большее число информационных каналов (до 30).
В-канал – применяется для переноса широкой разновидности цифровой информации между терминалами абонентов и АТС в двух направлениях. Примером информации, переносимой по В-каналу является закодированный (ИКМ) речевой сигнал и цифровые данные. При этом один В-канал передает информацию в одном направлении, а второй – в обратном. Скорость обмена информации составляет 64 кбит/с.
Н-канал – канал обладающий более высокой скоростью обмена информацией, чем В-канал, и может использоваться, например, для факсимильной связи. В настоящее время имеется три типа Н-каналов:
- Н0 первичного интерфейса – обеспечивает скорость связи 384 кбит/с, при этом в поток помещается 6 непрерывных каналов по 64 кбит/с каждый.
- Н1 первичный интерфейс – обеспечивает скорость передачи информации 1536 кбит/с для интерфейса Т1 работающего на скорости 154 кбит/с.
- Н12 – состоит из одного канала обладающего скоростью передачи информации 1920 кбит/с, который, в свою очередь, состоит из 30 каналов со скоростью по 64 кбит/с и одного D-канала.
7.3. Дополнительное оборудование
Существуют терминалы ISDN, начиная от самых простых речевых телефонных аппаратов, до комплексных универсальных компьютеров.
Для обеспечения связи ISDN терминалов со станцией по обычным аналоговым линиям используется оборудование сетевого окончания NT1.
Устройства NT1 содержат микропроцессор для контроля базовых потоков и управления ситуациями столкновения, которые происходят, когда несколько терминалов одновременно передают информацию по каналу сигнализации. Существует несколько разновидностей устройств NT1 в зависимости от числа подключаемых к одному каналу терминалов ISDN.
К основным функциям NT1 относятся:
- линейное соединение;















