63295 (695274)
Текст из файла
“Белорусский государственный университет информатики и радиоэлектроники”
Кафедра защиты информации
РЕФЕРАТ
на тему:
«Трансформаторы: уравнение обмотки, рабочие режимы, холостой ход, конструкция, магнитные материалы, электрические провода и изоляция»
МИНСК, 2009
Формула трансформатора. ЭДС. Уравнение равновесия для первичной обмотки
Рисунок 1 - Трансформатор
U1(t)= U1msin(ω1t) (1)
ω1=2πf (2)
Считаем, вторичная обмотка разомкнута (нет нагрузки). На первичную действует U1(t). В цепи возникает ток:
U1(t)=U1 => i10 => F10= i10* W1 => H10=F10/lср => В10 =μ* H10 (электромагнитная индукция). => Qc* В10 = Ф10 => ψ= W1* Ф10 => Ф10S => ψ=W1* Ф10, где Ф10 – магнитный поток; Ф10S – поток рассеивания.
Изменяющийся во времени магнитный поток приводит к возникновению ЭДС
=>
= -W1*
= e10(t) (3)
=>-W1*
= e10(t): (4)
должны уравновешиваться.
Пока не будет уравновешено, этот процесс будет продолжаться. Приведенная зависимость электрических и магнитных процессов соответствует линейному режиму работы магнитопровода. В реальных трансформаторах такой режим является лишь приближением к реальности. В реальных трансформаторах необходимо считаться с неравенством «0» падения напряжения на сопротивлении проводов. В первичной обмотке трансформатора при i10 падение напряжения = r1*i10. В установившемся режиме для цепи первичной обмотки трансформатора справедливо уравнение равновесия:
U1(t) + e10(t) + e10S(t)= i10(t)*r1 (5)
U1(t)= -e10(t) - e10S(t) + i10(t)*r1 (6)
Этому уравнению можно поставит в соответствие:
(7)
Рассмотрим режим, соответствующий отсутствию тока во вторичной обмотке. В этом случае все магнитные процессы определяются только электрическими процессами в первичной обмотке => e20(t) – в режиме ХХ.
(8)
(9)
n – коэффициент трансформации.
Т.к. U1(t) – синусоидально, то и отклик в виде ЭДС, и падение напряжения, и Ф10 также изменются по гармоническому закону.
Ф10(t)= Ф10m*sin(ωt) (10)
=-W1Ф10m(2πf)cos(ωt)=
=|cos(ωt)=-sin(ωt-π/2)|=2πfW1Ф10msin(ωt-π/2) (11)
E10m=2πfW1 Ф10m (12)
E10= E10m/
(13)
E10=√2*πfW1 Ф10m (14)
E10=4,44*f*W1* Ф10m (15)
Формула трансформатора ЭДС
U1(t)≈-e10(t) (16)
n= E10/ E20≈ U1/ U2 (17)
Режим ХХ трансформатора
Режим ХХ трансформатора рассмотрим на практическом режиме отключения нагрузки. В этом режиме путем проведения специальных измерений (опыт ХХ) могут быть оценены важные технико-эксплуатационные параметры трансформатора. Анализ режима ХХ позволяет выявить основные физические процессы в трансформаторе, знание которых важно для других режимов.
Рисунок 2 – Электрическая схема трансформатора
U1(t)хх= -е10(t)- е10S(t)+ i10(t)*r1 (18)
В режиме ХХ трансформатор подключается под номинальное напряжение, то напряжение, при котором предусматривается работа трансформатора:
(19)
Для дальнейшего рассмотрения и составления электрической модели трансформатора удобно ЭДС E10S за счет рассеяния трактовать как падение напряжения на чисто реактивном сопротивлении индуктивности рассеяния в цепи первичной обмотки jI10X0.Тогда:
(20)
Для построения векторной диаграммы за точку отправления возьмем направление вектора магнитного потока
Рисунок 3 – Пример векторной диаграммы
При действии в магнитном проводнике переменного магнитного потока совершается работа по перемагничиванию реального магнитного материала (явление гистерезиса) и расходуется энергия на нагревание сердечника, возникающее в нем из-за появления вихревых токов (токов Фуко). В этой связи I10xx имеет две составляющих:
- активную
(отражает потери на гистерезис и вихревые токи)
- составляющую в виде тока намагничивания Iμ, которую создает основной магнитный поток.
Пользуясь представленным выше уравнением (20) и поясняющей его векторной диаграммой трансформатора на ХХ (Рисунок 3), можно поставить в соответствие следующую его схему замещения (эквивалентную схему, электрическую модель трансформатора).
Рисунок 4 – Эквивалентная схема замещения трансформатора
Приведенная эквивалентная схема является строгим электрическим аналогом реального трансформатора, если должным образом определены величины сопротивлений:
r1, x1, r0, x0.
Эта схема позволяет производить все электрические расчеты токов, U, P, углов запаздывания и т.д.
Рабочий режим трансформатора: уравнение равновесия намагничивающих сил (УРНС)
В рабочем режиме трансформатор подключен под полное номинальное напряжение.
Рисунок 5 – Электрическая схема трансформатора
E2=> I2=> F2 => Ф2↔Ф(t) =>
Совокупный магнитный поток и совокупная магнитная сила определяется как результат взаимодействия Ф1 и Ф2 и F1 и F2.
(21)
(22)
Можно убедиться, что при любом рабочем режиме суммарная намагничивающая сила первичной и вторичной обмотки должна быть точно такой же как и в режиме ХХ. В таком случае, для рабочего режима трансформатора справедливо следующее уравнение равновесия намагничивающих сил (УРНС):
F1+F2= F10 (23)
I1*W1+ I2*W2=W1*I10 (I10 – ток ХХ) (24)
Удобно найти из этого уравнения значение I1, выраженное через I2, и являющееся техническим параметром трансформатора I10 (ток ХХ).
I1= I10- I2 (W1/W2) = I10- I′2 (25)
где I′2= I2/n, где n=W1/W2.
I1= I10- I′2 (УРНС). (26)
УРНС позволяет наметить Т-образную схему замещения трансформаторов.
Рис 7 – Т-образная схема замещения трансформатора
Физические процессы в трансформаторе в рабочем режиме наглядно поясняет векторная диаграмма, соответствующая УРНС, которое удобно записать в форме:
→ → →
I1*W1= W1*I10 - I2* W2 (27)
Рисунок 8 – Векторная диаграмма работы трансформатора
Рабочий режим трансформатора: эквивалентная схема
При формировании эквивалентной схемы необходимо обеспечить ее преемственность в схеме замещения трансформатора для ХХ. Кроме того, поиск схемы замещения будем осуществлять с учетом выявленной ранее возможности построения Т-образной эквивалентной схемы трансформатора.
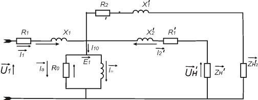
Рисунок 9 – Эквивалентная схема трансформатора в рабочем режиме
Эквивалентную схему можно построить, пользуясь следующими уравнениями:
(уравнение электрического воздействия) (28)
(29)
Рабочий режим трансформатора: векторная диаграмма при нагрузке индуктивного характера
Рисунок 10 - Векторная диаграмма при нагрузке индуктивного характера
отстает от
на 90
отстает от его задающего тока
на угол запаздывания α. Ток
отстает от создающей его ЭДС
=
.
переносим параллельно вверх к
для построения
. Переносим
вверх, получаем -
.
•
-вектор параллельный
. Повернем его на 90 получаем j
.
Рабочий режим трансформатора: векторная диаграмма при емкостном характере нагрузки
Рисунок 11 - Векторная диаграмма при емкостном характере нагрузки
Изменится
, он не отстает от
, а идет впереди.
Элементы схемы замещения трансформатора оценивают по данным измерений, выполняемым при проведении специально организованных опытов ХХ и КЗ.
Опыт холостого хода
Рисунок 12 – Схема проведения опыта ХХ
(30)
=
=n (31)
-потери в стали.
а) б)
Рисунок 13 - Эквивалентная схема трансформатора на ХХ.
=
(32)
•
=
=
(33)
=
(34)
=
(35)
=
(36)
=
(37)
(38)
Опыт КЗ
В отличие от ХХ нельзя проводить при номинальном входном напряжении т.к. КЗ – аварийный режим.
При проведении опыта КЗ:
Рисунок 14 – Схема проведения опыта КЗ
(примерно 1-3%)
На входе действует малое напряжение
, то мала и ЭДС (противо-ЭДС), уравновешивающей его, а значит, мал и магнитный поток, ее создающий.
При малом потоке потерями в стали можно пренебречь.
(схема)
(потери в меди) (39)
(40)
(41)
(42)
(43)
(44)
Опыт КЗ существенно дополняет опыт ХХ, и вместе они дают возможность экономично, с требуемой точностью оценит параметры эквивалентной схемы транзистора.
Конструкция, магнитные материалы, электрические провода и изоляция
Основными элементами конструкции трансформаторов являются сердечник (магнитопровод) и обмотки: К элементам конструкции относятся также конструктивные детали, служащие для крепления сердечника и установки трансформаторов в блоках аппаратуры.
Сердечники трансформаторов изготавливают из высоколегированных горячекатаных и повыщеннолегированйых холоднокатаных сталей.
Характеристики
Тип файла документ
Документы такого типа открываются такими программами, как Microsoft Office Word на компьютерах Windows, Apple Pages на компьютерах Mac, Open Office - бесплатная альтернатива на различных платформах, в том числе Linux. Наиболее простым и современным решением будут Google документы, так как открываются онлайн без скачивания прямо в браузере на любой платформе. Существуют российские качественные аналоги, например от Яндекса.
Будьте внимательны на мобильных устройствах, так как там используются упрощённый функционал даже в официальном приложении от Microsoft, поэтому для просмотра скачивайте PDF-версию. А если нужно редактировать файл, то используйте оригинальный файл.
Файлы такого типа обычно разбиты на страницы, а текст может быть форматированным (жирный, курсив, выбор шрифта, таблицы и т.п.), а также в него можно добавлять изображения. Формат идеально подходит для рефератов, докладов и РПЗ курсовых проектов, которые необходимо распечатать. Кстати перед печатью также сохраняйте файл в PDF, так как принтер может начудить со шрифтами.















