63177 (695232)
Текст из файла
Содержание
Вступление
Назначение согласующего устройства
Принципы построения СУ
Цепь согласования на параллельном контуре
Т-образная цепь согласования
П-образная схема согласования
Повышение эффективности работы согласующего устройства
Согласующие устройства на ферритовых магнитопроводах
Вступление
Еще лет 10-15 назад проблемы использования согласующих устройств (СУ) практически не было, соответственно почти не встречались и описания подобных устройств в радиолюбительской литературе.
Дело, вероятно, в том, что раньше практически все использовали самодельную ламповую аппаратуру, выходной каскад которой можно было согласовать практически с чем угодно.
Транзисторные РА выдают гораздо больше гармоник, чем ламповые. И часто низкодобротный П-контур на выходе транзисторного РА не справляется с их фильтрацией. К тому же, надо учесть, что количество телеканалов по сравнению с тем, что было еще несколько лет назад, выросло во много раз!
Назначение согласующего устройства
СУ обеспечивает трансформацию выходного сопротивления передатчика в сопротивление антенны. Использовать СУ с ламповым усилителем мощности, имеющим П-контур со всеми тремя плавно перестраиваемыми элементами, нерационально, так как П-контур обеспечивает согласование в широком диапазоне выходных сопротивлений. Только в случаях, когда элементы П-контура исключат подстройку, использование СУ приносит пользу.
В любом случае СУ заметно снижает уровень гармоник, и его использование как фильтра вполне оправдано.
При наличии хороших настроенных резонансных антенн и хорошего РА нет необходимости использовать согласующее устройство. Но когда и антенна одна работает на нескольких диапазонах, и РА не всегда выдает то что надо, использование СУ дает хорошие результаты.
Принципы построения согласующего устройства
Классическое СУ имеет вид, показанный на рис. 1. Как видно, оно состоит из цепи согласования (ЦС), которая выполнена по одной из известных схем (собственно ЦС часто и носит название "согласующее устройство", "ATU"), измерителя КСВ, ВЧ моста, показывающего степень рассогласования антенны, эквивалента антенны R 1, и контрольных нагрузок R2, R3. Без всего этого "окружения" СУ является лишь цепью согласования, не более того.
Pиc.1
Разберем принцип работы устройства. В положении S 1 "Обход" выход передатчика подключен к S2, что дает возможность или напрямую подключить антенну, или включить на выход один из эквивалентов нагрузки (R2 или R3) и проверить возможность согласования передатчика с ним. В положении "Настройка" передатчик работает на согласованную нагрузку. Также через сопротивление R4 включается ВЧ мост. По балансу этого моста цепью согласования и производится настройка антенны. Резисторы R2 и R3 дают возможность проверить, возможна ли настройка цепи согласования на них. Настроив ЦС, включают режим "Работа". В этом режиме еще немного подстраивают цепь согласования по минимуму показаний КСВ-метра.
Ниже рассмотрим используемые на практике основные ЦС.
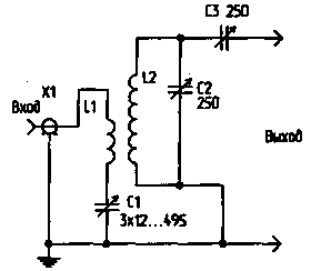
Цепь согласования на параллельном контуре
Одна из самых эффективных и просто выполнимых ЦС показана на рис.2. Передатчик подключается через катушку L1 и конденсатор С1. L1 составляет от четверти до шестой части от количества витков L2 и наматывается в нижней ее части. L1 должна быть отделена от L2 качественной изоляцией.
Puc.2
В данной схеме передатчик связан с ЦС только магнитным потоком, и здесь автоматически решен вопрос грозозащиты выходного каскада. Конденсатор С1 для работы на 1,8 МГц. должен иметь максимальную емкость - 1500 пф, а для работы на 28 МГц - 500 пф. С2 и С1 должны иметь максимально возможный зазор между пластинами.
Диапазон сопротивлений нагрузки - от 10 Ом до нескольких килоом. Работа с высоким КПД обеспечивается в двух смежных диапазонах, например 1,8 и 3,5 МГц. Для эффективной работы в нескольких диапазонах необходимо переключать L1 и L2. При небольших мощностях (до 100 Вт) наиболее эффективно и просто изготовить комплект сменных катушек и производить их установку с помощью цокольных панелей от старых радиоламп. Любые эксперименты, связанные с подключением параллельно L1 и L2 катушек для уменьшения их индуктивности для работы на ВЧ диапазонах, подключением к отводам этих катушек "хитрое" параллельное включение катушек значительно снижают эффективность работы этой ЦС на ВЧ.
Данные катушек для схемы рис.2 приведены в табл.1.
Табл.1
Хотя в настоящее время симметричные антенны используются редко, стоит рассмотреть возможность работы этой ЦС на симметричную нагрузку (рис.3).
Pиc.3
Единственное ее отличие от схемы рис.2 в том, что напряжение для нагрузки снимается симметрично. L1 должна быть расположена симметрично относительно L2. Конденсаторы С 1 и С2 должны находиться на одной оси. Необходимо принять меры по уменьшению влияния емкостного эффекта на L2, т.е. она должна находиться достаточно далеко от металлических стенок.
Данные L2 для схемы рис.3 приведены в табл.2.
Встречаются и конструкции упрощенного варианта этой ЦС.
Табл.2
Pиc.4
На рис.4 приведена несимметричная цепь, на рис.5 - симметричная. Но, к сожалению, как показывает опыт, эти схемы не могут дать такого тщательного согласования, как в случае использования конденсаторов С3 (рис.2) или С3.1, С3.2 (рис.3).
Puc.5
Особенно тщательно надо подходить к постройке многодиапазонных ЦС, работающих на таком принципе (рис.6). За счет снижения добротности катушки и большой емкости отводов "на землю" КПД такой системы на ВЧ диапазонах низок, но использование такой системы в диапазонах 1,8...7 МГц вполне допустимо.
Pиc.6
Настраивают ЦС, изображенную на рис.2, просто. Конденсатор С1 ставят в максимальное положение, С2 и СЗ - в минимальное, затем с помощью С2 настраивают контур в резонанс, и потом, увеличивая связь с антенной с помощью С3, добиваются максимальной отдачи мощности в антенну, при этом все время подстраивая С2 и, по возможности, С1. Следует стремиться к тому, чтобы после настройки ЦС СЗ имел максимальную емкость.
Т-образная цепь согласования
Эта схема (рис.7) получила широкое распространение при работе с несимметричными антеннами.
Pиc.7
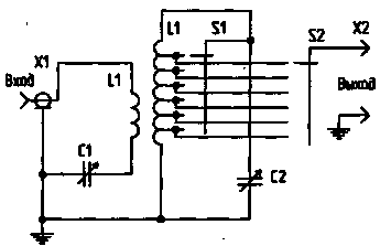
Для нормальной работы этой ЦС необходима плавная регулировка индуктивности. Иногда даже половина витка имеет решающее значение для согласования. Это ограничивает использование индуктивности с отводами или требует индивидуального подбора количества витков для конкретной антенны. Необходимо, чтобы емкость С1 и С2 на "землю" была не более 25 пФ, в противном случае возможно снижение КПД на 24...28 МГц. Необходимо, чтобы "холодный" конец катушки L1 был тщательно заземлен. Данная ЦС обладает хорошими параметрами: КПД - до 80% при трансформации 75 Ом в 750 Ом, возможность согласования нагрузки от 10 Ом до нескольких килоом. С помощью только одной переменной индуктивности 30 мкГн можно перекрыть весь диапазон от 3,5 до 30 МГц, а подключив параллельно C1, C2 постоянные конденсаторы по 200 пФ, можно работать и на 1,8 МГц. К сожалению, переменная индуктивность дорога и сложна конструктивно. W3TS предложил переключаемую "цифровую индуктивность" (рис.8). Используя такую индуктивность, с помощью переключателей можно наглядно выставить нужное ее значение.
Puc.8
Еще одну попытку упростить конструктивное исполнение предприняла фирма АЕА, выполнив согласующее устройство по схеме, приведенной на рис.9. Действительно, схемы на рис.7 и рис.9 равнозначны. Но конструктивно гораздо проще использовать один заземленный высококачественный конденсатор вместо двух изолированных, а дорогую переменную индуктивность заменить на дешевые постоянные катушки индуктивности с отводами. Эта ЦС хорошо работала от 1,8 до 30 МГц, трансформируя 75 Ом в 750 Ом и в 15 Ом. Но при работе с реальными антеннами иногда сказывалась дискретность переключения индуктивности. При наличии 18, а лучше 22 позиционных переключателей эту ЦС можно рекомендовать к практическому исполнению. При этом необходимо до минимума уменьшить длину отводов катушки к переключателю. Переключатели на 11 АЕА АТ-30 TUNER L1-L2-25 Витков, диам. катушки 45 мм шаг намотки 4 мм отводы от каждого витка по длине 10 витков затем через 2 витка положений дают возможность сделать ЦС только для работы на часть любительских диапазонов - от 1,8 до 7 или от 10 до 28 МГц.
Pиc.9
Катушку конструктивно удобно выполнить как показано на рис.10. Каркас ее представляет собой планку из двустороннего стеклотекстолита с пропилами под витки катушки. На этой планке установлен переключатель (например 11П1Н). Отводы от катушки идут к переключателю по обеим сторонам стеклотекстолитовой планки.
Puc.10
При работе с симметричными антеннами совместно с Т-образным согласующим устройством используют симметрирующий трансформатор 1:4 или 1:6 на выходе ЦС. Такое решение нельзя признать эффективным, т.к. многие симметричные антенны имеют большую реактивную составляющую, а трансформаторы на феррите очень плохо работают при реактивной нагрузке. В этом случае необходимо применять меры по компенсации реактивной составляющей или использовать ЦС (рис.3).
П-образная схема согласования
П-образная ЦС (или П-контур), схема которой дана на рис. 11, широко используется в радиолюбительской практике.
Puc.11
В реальных условиях, когда выход передатчика составляет 50...75 Ом, и согласование необходимо производить в широком диапазоне сопротивлений нагрузки, параметры П-контура меняются в десятки раз. Например на 3,5 МГц при Rвх=Rн=75 Ом индуктивность L1 составляет примерно 2 мкГн, a C1, C2 - по 2000 пф, а при Rвх=75 Ом и RH в несколько килоом индуктивность L1 составляет примерно 20 мкГн, емкость Cl - около 2000 пФ, а C2 - десятки пикофарад. Такие большие разбросы в величинах используемых элементов и ограничивают использование П-контура в качестве ЦС. Желательно использовать переменную индуктивность. Конденсатор Cl может иметь небольшой зазор, а C2 должен иметь зазор не менее 2 мм на каждые 200 Вт мощности.
Повышение эффективности работы согласующего устройства
Увеличить эффективность работы передатчика, особенно при использовании случайных антенн, помогает устройство, называемое "искусственная земля". Эффективно это устройство при использовании именно случайных антенн и при плохом радиотехническом заземлении. Это устройство доводит до резонансного состояния систему заземления радиостанции (в простейшем случае - кусок провода). Так как параметры земли входят в параметры антенной системы, улучшение эффективности заземления улучшает работу антенны. Устройство “искусственная земля”
Согласующие устройства на ферритовых магнитопроводах
Характеристики
Тип файла документ
Документы такого типа открываются такими программами, как Microsoft Office Word на компьютерах Windows, Apple Pages на компьютерах Mac, Open Office - бесплатная альтернатива на различных платформах, в том числе Linux. Наиболее простым и современным решением будут Google документы, так как открываются онлайн без скачивания прямо в браузере на любой платформе. Существуют российские качественные аналоги, например от Яндекса.
Будьте внимательны на мобильных устройствах, так как там используются упрощённый функционал даже в официальном приложении от Microsoft, поэтому для просмотра скачивайте PDF-версию. А если нужно редактировать файл, то используйте оригинальный файл.
Файлы такого типа обычно разбиты на страницы, а текст может быть форматированным (жирный, курсив, выбор шрифта, таблицы и т.п.), а также в него можно добавлять изображения. Формат идеально подходит для рефератов, докладов и РПЗ курсовых проектов, которые необходимо распечатать. Кстати перед печатью также сохраняйте файл в PDF, так как принтер может начудить со шрифтами.















